線圈標示和EMC抑製模塊
2026-04-15 01:04:47
|
圖爾克繼電器提供模塊對線圈過壓保護: |
類型 Z902499 對於 DC 線圈
供電電壓: (6…24) V DC

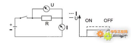
當開關一個阻性負載時
電壓-電流特性如下圖

開關繼電器線圈
當開關一個阻性負載時,電流直接隨著電壓相角變化如上圖;
當開關繼電器線圈負載時,由於線圈的感性特點,電流和電壓的波形不一樣 ,如下圖。

下麵是對這個原理的說明:
當線圈通電時, 建立的磁場促使反電動勢的增加,相應地延遲了線圈電流的上升。當斷電時, 線圈電流的瞬間的衝擊導致磁場的突然下降,相應地感應了一個高的反向線圈電壓。
這個反向電壓的峰值通常可以達到供電電壓的1 5 倍之多。並且最後可以毀壞電子器件,為了消除這個潛在的損壞結果,可以用一個二極管,一個壓敏電阻或一個RC(阻容)模塊來抑製線圈的電壓,具體決定於工作電壓。
(參照如下:不同模塊的應用)
上麵的表述基於DC線圈,斷電時的反向電壓峰值和AC線圈相似,然而當充電AC線圈時,線圈的衝擊電流也有一個1.3 到1.7 倍的額定線圈電流的衝擊-決定於線圈的尺寸。如果線圈是通過變壓器供電(特別地,當幾個同時供電時,那麼當計算這個變壓器的額定容(VA)時,這個必須要考慮。

