隨著我國國民經濟的高速發展,同時經常又有重大安全事故的報道(例如,去年、前年的重大煤礦安全事故),安(an)全(quan)的(de)概(gai)念(nian)越(yue)來(lai)越(yue)得(de)到(dao)人(ren)們(men)的(de)重(zhong)視(shi),安(an)全(quan)包(bao)括(kuo)人(ren)員(yuan)的(de)安(an)全(quan)和(he)設(she)備(bei)的(de)安(an)全(quan)。對(dui)於(yu)自(zi)動(dong)化(hua)控(kong)製(zhi)裝(zhuang)置(zhi),也(ye)提(ti)出(chu)了(le)新(xin)的(de)安(an)全(quan)概(gai)念(nian)和(he)出(chu)現(xian)了(le)新(xin)的(de)安(an)全(quan)產(chan)品(pin),例(li)如(ru),帶(dai)安(an)全(quan)功(gong)能(neng)的(de)PLC 和帶安全模板的傳動裝置。下麵的兩個圖說明對於安全的傳統解決方案和基於安全集成的傳動係統之間的差別。 對於傳統的安全解決方案,是使用繼電器、安全保護開關、漏lou電dian流liu和he離li散san的de故gu障zhang檢jian測ce設she備bei來lai完wan成cheng所suo需xu要yao的de安an全quan保bao護hu功gong能neng。用yong這zhe種zhong方fang法fa,需xu要yao很hen多duo外wai接jie線xian,這zhe本ben身shen又you增zeng加jia了le不bu安an全quan因yin素su,另ling外wai,一yi些xie附fu加jia的de功gong能neng,需xu要yao用yong附fu加jia的de外wai部bu設she備bei(例如速度監視、時間繼電器等)來實現。而基於安全集成概念的新裝置,它可以不需要使用外部主回路接觸器和電動機接觸器來斷開電動機(安全斷開扭矩),以及通過釋放能量的辦法進行保護,一方麵降低了成本,並改善了電磁兼容性EMC,另(ling)外(wai)的(de)優(you)點(dian)是(shi)占(zhan)用(yong)空(kong)間(jian)少(shao),減(jian)少(shao)安(an)裝(zhuang)成(cheng)本(ben),方(fang)便(bian)診(zhen)斷(duan),容(rong)易(yi)理(li)解(jie),能(neng)快(kuai)速(su)關(guan)斷(duan)電(dian)動(dong)機(ji)和(he)快(kuai)速(su)再(zai)啟(qi)動(dong)電(dian)動(dong)機(ji),還(hai)能(neng)用(yong)多(duo)種(zhong)方(fang)法(fa)來(lai)恢(hui)複(fu)裝(zhuang)備(bei)。 德國倫茨(Lenze)公司最近推出了新一代伺服控製係統9400係列。該係列控製器,配置有安全模板, 具有集成安全的功能。 圖2是倫茨公司9400伺服控製係統的正麵配置圖,從圖的右下方,可以看到有一個用於安全工程的模塊插槽。
 圖1 關於安全的傳統解決方案和基於安全集成傳動裝置的差別
 圖2 倫茨公司9400 伺服控製係統的正麵配置圖
 圖3 SM301 安全模板的外形圖和所具有的安全功能 9400係列有三種類型的安全模板:SM100,SM300,SM301。這三種模板都經過認證,其中SM100符合歐洲的EN954-1類型4標準和IEC 61508 SIL 類型3 標準,SM300模板符合歐洲的EN954-1類型3標準,SM301模板符合歐洲的EN954-1類型3標準和IEC 61508 SIL 類型3 標準。 下麵我們以SM301模板為例,說明它的結構和所具有的安全功能。圖3是SM301模板的外形圖和所具有的安全功能。 在這裏我們還要對安全功能的概念作一點解釋: STO (Safe torque off):安全斷開扭矩 根據EN 954標準第1部分和第2部分控製等級3的要求,“安全斷開扭矩”的安全功能是“防止不希望發生的啟動”。為此目的,提供兩個獨立的安全路徑,一是使從微處理控製器到逆變器的脈衝變得無效(控製器禁止),二是使提供功率級驅動“光偶”上的電壓斷開,亦即,微處理控製器係統的脈衝再也無法通過逆變器(脈衝禁止),這些輸出信號被確認附加上時,就達到了控製等級3。圖4說明了實現安全斷開扭矩的方法。
 圖4 實現安全斷開扭矩的方法:控製器禁止(禁止使用)和脈衝禁止
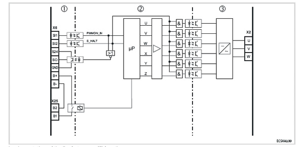
 圖5 SM301 安全模板的內部結構框圖
 圖6 通過PROFIBUS-DP 總線實現PROFIsafe 的數據通信 SS0 (Safe stop 0):0級安全停機 按照EN 60204-1的定義,由機械的功能要求和危險性評估,指出停機等級分為0級,1級和/或2級。0級和1級停機的實施與操作方式無關,0級停機優先於1級停機。停機功能超越於有關的啟動功能。0級停機是由立即斷開機械驅動裝置上的電源實施停機,它是不控製的停機,不控製停機的含義是,例如:斷開機械驅動裝置上的電源使機械運動停止,激活所有的製動器和/或其它的機械停止裝置。 SS1 (Safe stop 1):1級安全停機 1級(ji)安(an)全(quan)停(ting)機(ji)是(shi)控(kong)製(zhi)停(ting)機(ji),在(zai)機(ji)械(xie)驅(qu)動(dong)裝(zhuang)置(zhi)仍(reng)然(ran)供(gong)電(dian)的(de)情(qing)況(kuang)下(xia)實(shi)現(xian)停(ting)機(ji),當(dang)停(ting)機(ji)完(wan)成(cheng)後(hou)再(zai)斷(duan)開(kai)電(dian)源(yuan)。控(kong)製(zhi)停(ting)機(ji)的(de)含(han)義(yi)是(shi)機(ji)械(xie)運(yun)動(dong)的(de)停(ting)止(zhi)是(shi)通(tong)過(guo),例(li)如(ru),降(jiang)低(di)電(dian)命(ming)令(ling)信(xin)號(hao)到(dao)零(ling)來(lai)實(shi)現(xian)的(de),隻(zhi)要(yao)停(ting)止(zhi)信(xin)號(hao)已(yi)經(jing)被(bei)控(kong)製(zhi)器(qi)確(que)認(ren),在(zai)停(ting)機(ji)過(guo)程(cheng)中(zhong)仍(reng)然(ran)維(wei)持(chi)機(ji)械(xie)驅(qu)動(dong)裝(zhuang)置(zhi)的(de)供(gong)電(dian),直(zhi)至(zhi)停(ting)機(ji)過(guo)程(cheng)結(jie)束(shu),再(zai)斷(duan)開(kai)電(dian)源(yuan)。 SS2 (Safe stop 2):2級安全停機 2級安全停機類同於1級安全停機,差別隻是2級安全停機,在停機後仍然維持機械驅動裝置的供電,因此能快速實現再啟動。 倫茨公司提供有工程組態軟件,可以對安全模板和安全功能進行項目組態和參數設置。 PROFIsafe安全總線及由安全PLC對9400伺服控製係統進行控製和實現安全功能 PROFIsafe行規是Profibus-DP通信協議應用層的一個行規,因此,其通信物理層和數據鏈路層仍然沿用Profibus-DP的標準,隻是將安全數據和非安全數據進行了分隔,非安全數據的的傳輸是按標準的Profibus-DP進行。為了進行安全數據的傳送,安全模板有自己的PROFIsafe節點地址,這一地址和標準Profibus的節點地址是不相同的,可以通過模板上DIP開關來設置PROFIsafe節點地址(地址從1…1024)也可以用“Engineer”軟件通過代碼C13897或C14897進行設置。圖6是通過PROFIBUS-DP總線實現PROFIsafe的數據通信示意圖。
 圖7 PROFIBUS 的標準報文結構
 圖8 Profibus 數據報文的劃分
 圖9 槽1 部分數據的細分
 圖10 PROFIsafe 輸出數據的定義
 圖11 PROFIsafe 輸入數據的定義
 圖12 :本例中編程的邏輯操作 圖7是PROFIBUS的標準報文結構,報文與報文之間至少要有33Tbit的同步時間,接著是報文分隔符SD (規定數據為68H),LE (數據定義報文中“過程數據的長度”),LEr (重複過程數據長度),SD分隔符,DA (目標地址),SA(源地址),FC(報文功能碼),報文數據部分(1…244個字節),FCS (楨校驗碼),ED報文結束符(規定數據為18H)。 作為安全數據的報文結構,和標準結構是一樣的,隻是在報文數據部分的一開始有F過程數據(安全過程數據:12… 122字節),1字節的的控製字節(寫報文)或狀態字節(讀報文),1字節的連續號,CRC2 (循環冗裕碼校驗:2或4字節),以上稱為數據的槽1部分(Slot 1),剩餘部分作為標準報文的數據部分,稱為數據的槽2部分(Slot 2),但是總的報文數據部分的長度最大不得超過244字節,見圖8。 對於SM301安全模板,PROFIsafe行規對槽1部分的數據作了更具體的規定,槽1部分的數據長度總是8個字節,分配如下: 字節0到字節3(總共4個字節)是PROFIsafe的過程數據(PROFIsafe輸出數據或PROFIsafe輸入數據),字節4是控製字節或狀態字節,字節5為連續號,字節6和字節7是循環冗餘碼校驗字節,見圖9。 PROFIsafe行規對前4個字節(PROFIsafe輸出數據或PROFIsafe輸入數據)又作了明確的定義: (PROFIsafe輸出數據是指從安全PLC傳送到安全模板的數據(控製數據),其字節的每一個位的的含義是:字節0 位0: 激活STO(值=0,表示要求激活安全斷開扭矩) 位1: 激活SS1(值=0, 表示要求激活1級安全停機) 位2: 激活SS2(值=0, 表示要求激活2級安全停機) 位3: 激活SLS1(值=0, 表示要求激活安全限速1) 字節1 位1: 激活ES(值=1,表示使能開關是有效的) 位3: 激活OMS(值=0, 表示選擇正常操作) 字節2 位0: PS_AIS(值由01, 表示(再)啟動確認) 位1: PS_AIE(值由01, 表示故障確認) 位7: 激活SSE(值=0, 表示要求激活安全緊急停機) 字節3 位0: SD-Out1(值=0, 表示SD-Out1輸出置成ON狀態) 所有沒有列出的位,表示保留將來作擴展的應用,但是必須發送“0”信號 PROFIsafe輸入數據是指從安全模板傳送到安全PLC的數據(狀態信息),其字節的每一個位的的含義是: 字節0 位0: 在完成SS1之後置位,表示STO的狀態(值=1,表示STO有效) 位1: 在完成SS1之後複位,表示SS1的狀態(值=1, 表示SS1有效) 也在SSE中置位ggf 位2: 在完成SS2之後複位,表示SS2的狀態((值=1, 表示SS2有效) 位3: 表示SLS1的狀態(值=1, 表示SLS1有效) 字節1 位1: 表示ES的狀態(值=1, 表示使能) 位3: 表示OMS的狀態(值=1, 表示手動操作) 字節2 位0: 在完成SS1之後置位,表示SOS的狀態(值=1, 表示SOS有效) 位1: 在完成SLS1之後置位,表示SLS1的狀態(值=1, 表示SLS1有效) 位7: 表示SSE的狀態(值=1, 表示SSE功能有效) 字節3 位0: SD-In1(表示連接在I1A和I1B通道上的傳感器狀態,值=1表示A和B通道上的傳感器是ON狀態) 位1: SD-In2(表示連接在I2A和I2B通道上的傳感器狀態,值=1表示A和B通道上的傳感器是ON狀態) 位2: SD-In3(表示連接在I3A和I3B通道上的傳感器狀態,值=1表示A和B通道上的傳感器是ON狀態) 位3: SD-In4(表示連接在I4A和I4B通道上的傳感器狀態,值=1表示A和B通道上的傳感器是ON狀態) 位7: 表示錯誤有效(值=1, 表示有錯誤存在) 所有沒有列出的位,表示保留將來作擴展的應用,但是必須發送“0”信號,以上是有關PROFIsafe行規的一些說明。最後,我們提供一個安全通信的實例: 上位PLC是西門子公司的S7 300 F PLC,具體配置如表1。 安全通信的從站是倫茨公司的9400伺服控製器,帶SM301安全模板。 應用STEP 7編程組態軟件,完成硬件的組態,建立符號地址表,建立安全操作的邏輯程序和完整的程序(見圖12)。完成程序的下裝和調試,通過在線監控或變量表可以監視PROFIsafe的通信狀態。 在本文的最後部分,我們提供兩個與本文有關的術語和縮寫詞表,以便讀者方便閱讀。 在基於集成安全的傳動係統中將要用到的術語和縮寫詞表(見表2)

 |