振波亞洲漿紙業有限公司在製漿ONP線過程控製係統中,采用了ABB旗下AC800M+S800 I/O 的800xA。整廠采用了19對AC800M PM864A控製器(冗餘),8架Connect Server服務器,3架Aspect Server服務器、2架Domain服務器以及1架用於作為殺毒軟件升級服務器(同時也兼做網絡數據備份)。8架CS服務器根據控製器所在的區域分為4對,倆倆冗餘。在上位服務器上使用了windows 2000 server操作係統,使用4.1版本的Industrial IT 800xA係統;13台操作站和3台工程師站使用windows XP操作係統,使用4.1版本的Control Builder M Professional作為下位控製器編程軟件和VB6.0+SP6作為DCS畫麵組態軟件。
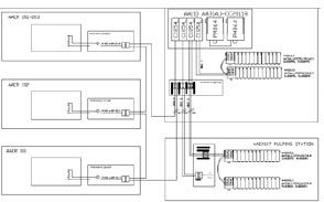
 圖1:AC800M 通訊拓撲(示意圖,沒有標出冗餘線) 這次要新增的漿線處於公司的一號廠區,因此隻需要修改CS01、CS02這兩架服務器上的OPC server程序配置文件就可以了,在係統上不需要做太大的改動。 係統硬件選型 由於一號廠區裏的5對控製器已經接近滿負荷 ,因此公司決定為這條漿線購買1對控製器:一來不增加原控製器的負荷;二來在工程進行中也不會影響到現有流程。根據其他廠的經驗,配置一個跟現有係統一致的模擬環境,采用1架服務器和1架工程師站來實現。
 圖2 :與MCC 通訊的OZD 線路 根據原有的DCS係統:係統的控製器選擇了AC800M PM864A、通訊卡選擇了CI854A以及CI840、I/O卡也為S800的產品:AI895、AO895、DI810、DO820。其他輔助設備也跟原來的一樣,保證足夠的兼容性;在電氣方麵繼續使用西門子的產品,采用Profibus-DP為通訊接口,直接掛在CI854A上,留出2個接口(2塊CI854A)供電氣的MCC通訊。DCS的硬件大體上就完成了,接下來就根據I/O清單計算得出的數目,並設計一定的係統餘量。表1是最終DCS卡件清單,不包括第三方設備以及輔材。 係統通訊構成 整個工程最主要的是通訊問題,此次工程從現場設備到AC800M的通訊全為新增,不僅要保證通訊正常,還要保證設計合理。 此次的項目由2個AC800M構成一個冗餘,共四根網線:控製器A-CN1,控製器A-CN2;控製器B-CN1,控製器B-CN2;兩個CN1口通過交換機A掛到CS服務器的第一冗餘網絡上,兩個CN2口通過交換機B掛到CS服務器的第二個冗餘網絡上。這樣AC800M到CS服務器的硬件通訊就完成了。在相應的CS服務器裏的OPC service添加該控製器的IP地址,然後保存配置,並設置為自動加載,軟件通訊也完成了。
 對控製的冗餘組態分兩步:在控製器上設定IP地址以及冗餘地址獲取規則;在CBM程序裏麵設置為冗餘控製器,並指定CN2的IP地址。通過ABB提供的ipconfig程序可以很方便的設定控製器的IP地址。該程序裏麵有詳細的步驟說明,用於完成冗餘控製器的設定,同時在CBM裏設置為add redundant unit。 CI854A設計為4路:1路連接2號車間(直聯)、2路連接1號車間(通過OZD中繼),3和4路連接MCC電氣房內設備(比如西門子MM440),圖2是跟MCC通訊的示意。整個光纖鏈路為雙環,斷環自愈,具有比較高冗餘性。每個OZD(西門子稱為OLM)隻有一路Profibus-DP接口用於連接馬達MM440等設備(圖2標2、3、4位置),其中一路OZD的Profibus-DP接口就掛到CI854A上(圖2標1位置),在我們公司的係統中,由於CI854A沒有設計成為冗餘通訊,因此一旦1號位置的CI854A卡出錯,那麼整個馬達通訊回路就中斷。圖3是最終的profibus-layout:整個漿線的通訊拓撲以及硬件配置。注意看CI854A部分,沒有設計成冗餘,為本係統的一大隱患。 控製邏輯組態 整體硬件組態完成後就進入控製邏輯組態,接下來的工作開始分為兩路:一路根據係統設計編寫程序以及製作DCS畫麵流程;另外一路根據編址的I/O清單開始櫃內接線、I/O硬件放置等工作。 整個邏輯部分工作包括:硬件組態、I/O地址列表、與其他控製器通訊和程序幾大塊組成。該漿線包括兩段:前段位於一號車間內,包括HD-Pulper以及HC-cleaner等設備;二段包括粗篩等設備;因此在程序設計上分為2塊:PC5_Pulper段,PC6_Corase Screen;每個程序段內根據主體設備的來區分,比如Pulper裏麵分convyor、HD-Pulper、HC-Cleaner等。CBM支持標準的IEC61131-3語言進行程序編寫:本次程序中是用了FBD、SFC和STL語言。 值得注意的是由於使用了Profibus-DP通訊的馬達,我們使用了原項目中的library。ABB專門為西門子micromater變頻器而編寫的FBD模塊。采用了profibus-dp的通訊使得DCS能獲得比以往傳統硬連接通訊更多的信號:繞組溫度、顯示變頻器上的診斷信息等等。
 圖3:左側為跟MCC 通訊布局,右側為S800 I/O通訊布局
 圖4:完成硬件組態的程序
 圖5:實驗室裏的調試環境
 圖6:準備導入到係統的程序 程序的編寫在調試環境下進行,通過係統上的import和export工具能很方便的將調試環境下做的程序和畫麵導入到運行著的DCS係xi統tong上shang。而er且qie是shi由you於yu在zai實shi驗yan室shi的de調tiao試shi環huan境jing下xia進jin行xing組zu態tai工gong作zuo的de,因yin此ci對dui於yu培pei養yang新xin的de技ji術shu員yuan是shi一yi個ge非fei常chang有you利li的de機ji會hui,事shi實shi上shang也ye證zheng明ming了le這zhe一yi點dian。 係統調試 在完成程序和畫麵組態後,完成程序FAT,就直接通過import和export工具將新漿線的程序和畫麵導入到現有係統,除此之外僅在相應的CS服務器上修改了OPC service程序的配置。到此,新漿線的DCS工作基本上完成。 最後係統上電並下載程序到AC800M上:測試AC800M冗餘通訊是否正常、I/O通訊是否正常、與MCC變頻 器通訊是否正常。接下來就是配合儀表班進行I/O check(打點),最後就是與工藝一起進行水運轉,全部完成後就可以走漿調試了。
 圖7:自行設計的DCS 流程畫麵 結束語 在這個項目過程中,AC800M的冗餘性能進行了徹底的測試,對維護其他線的控製器起到了良好的教學作用!特別是許多新來的同事在這個過程中學到了不少東西,為日後的維護打下了夯實的基礎。 對於ABB 800xA係統來說,在添加新的流程或者增加新的控製器上來的相當的便利,每添加一個aspect就可以實現一個功能,這個也體現了ABB在aspect上的定義,隻要有足夠的license,添加足夠的aspect,就可以實現工藝流程的自動化控製。 |