引言 集散控製係統簡約,靈活,開放的結構形成一個功能強大,控製涉及麵廣泛的整體,滿足了整個企業控製、係統集成、信息管理和工廠管理的需求。可以為用戶解決各類在工程控製中所遇到的關於物理分散、信息集中管理、降低整體造價所遇到的一係列的難題。 隨著電廠自動化水平的不斷提高,電廠主控製室中盤台設備越來越少,取而代之的是功能完備的集散控製係統(DCS)及形式多樣的各種操作員站。根據《火力發電廠設計技術規程》(DL5000-94)和部頒新廠新辦法的有關規定,要實現機、爐、電統一的單元集中控製,使單元控製室的機、爐、電控製水平協調發展。因此,電廠燃煤機組煙氣脫硫工程中通常采用DCS係統。根據電廠燃煤機組煙氣脫硫工藝流程的特點,係統控製主要由煙氣係統、吸收塔係統、石灰石漿液供應係統、石膏排出係統、工藝水及濾水係統等幾部分組成。 DCS的係統結構 DCS操作員站係統是電廠脫硫的運行狀態,控製和調整設備的運行參數,使電廠脫硫運行在安全高效的狀態。圖1為電廠煙氣脫硫工程DCS網絡的總體結構。圖2是本工程的XDPS-400+係統網絡結構和係統布置圖。 煙氣係統 煙氣係統包括增壓風機、煙氣換熱 器、擋板門密封空氣係統、DCM(Drive Control Module)FGD入口原煙氣擋板、DCM 吸收塔排空電動門、DCM FGD出口淨煙氣擋板、DCM旁路煙氣擋板。
 圖1:電廠煙氣脫硫工程DCS網絡的總體結構 煙氣在FGDdeqidonghetingjiguochengzhongjiangsuoyouyanqidangbanzhiyuzhengquedeweizhi,yibaozhengyouyinfengjizhiyancongjiandeyanqitongdao。dangxishoutatingyunshixishoutapaikongdiandongmenkaiqi,weilaiziyanghuafengjidekongqitigongpaikongdetongdao,ruFGD遇有危險情況,煙氣係統則導向安全的操作狀態。 根gen據ju煙yan氣qi擋dang板ban的de位wei置zhi,來lai自zi密mi封feng風feng機ji的de密mi封feng空kong氣qi直zhi接jie引yin入ru到dao關guan閉bi的de擋dang板ban,煙yan氣qi擋dang板ban關guan閉bi時shi連lian杆gan機ji構gou帶dai動dong密mi封feng空kong氣qi閥fa自zi動dong開kai啟qi。密mi封feng風feng機ji將jiang熱re空kong氣qi吹chui入ru雙shuang擋dang板ban之zhi間jian,確que保bao煙yan氣qi泄xie露lu率lv為wei0。密封風機排出設計壓力為高於煙道裏的煙氣壓力500Pa的密封空氣,密封空氣采用電加熱以防止在擋板處凝結。密封空氣閥與煙氣擋板執行機構機械聯鎖,煙氣擋板關閉,密封空氣閥開啟;煙氣擋板開啟,密封空氣閥關閉。在GGH裏,通過對熱的未處理煙氣的吸收,用於再熱來自吸收塔的淨煙氣。在100%BMCR工況下,無須補充熱量,GGH維持淨煙氣溫度高於82℃。在低負荷時,煙氣溫度將降低。
 圖2: DCS係統架構示意圖 吸收塔係統 吸收塔係統包括SGC(Subgroup Circuit)吸收塔漿液循環、SGC除霧器衝洗、SGC吸收塔排水坑、SGC氧化空氣、SGC事故漿液池、DCM吸收塔攪拌器、DCM吸收塔濾液補水閥。 吸收塔漿液循環泵連續運行,加入吸收塔的石灰石漿液量根據煙氣流量、SO2 含量、SO2 脫除率和吸收塔漿液的pH值進行控製;吸收塔的液位通過吸收塔排出泵來控製,石膏排出泵連續運行,到水力旋流站的石膏漿液及返塔漿液通過關斷閥連鎖(保持1開1關),均以間斷方式運行;通過吸收塔濾液補水調節閥控製吸收塔漿液密度。 吸(xi)收(shou)塔(ta)液(ye)位(wei)應(ying)保(bao)持(chi)在(zai)某(mou)一(yi)範(fan)圍(wei)內(nei),液(ye)位(wei)過(guo)高(gao)會(hui)影(ying)響(xiang)氣(qi)液(ye)交(jiao)換(huan),液(ye)位(wei)過(guo)低(di)會(hui)影(ying)響(xiang)運(yun)行(xing)的(de)循(xun)環(huan)泵(beng)數(shu)量(liang),通(tong)過(guo)調(tiao)整(zheng)除(chu)霧(wu)器(qi)衝(chong)洗(xi)的(de)間(jian)隔(ge)時(shi)間(jian)來(lai)實(shi)現(xian)。根(gen)據(ju)在(zai)不(bu)同(tong)負(fu)荷(he)下(xia)設(she)定(ding)間(jian)隔(ge)時(shi)間(jian)函(han)數(shu)即(ji)可(ke),同(tong)時(shi)考(kao)慮(lv)在(zai)液(ye)位(wei)高(gao)時(shi)加(jia)強(qiang)石(shi)膏(gao)的(de)排(pai)出(chu)力(li)度(du),液(ye)位(wei)低(di)時(shi)加(jia)強(qiang)石(shi)灰(hui)石(shi)漿(jiang)液(ye)的(de)供(gong)給(gei)。控(kong)製(zhi)回(hui)路(lu)如(ru)圖(tu)3所示。
 圖3 吸收塔液位控製回路
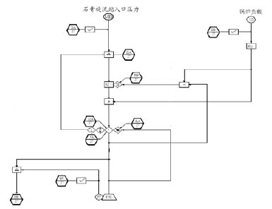
 圖4 石灰石漿液供給閥控製回路 石灰石漿液供應係統 石灰石漿液供應係統將成品石灰石漿液輸送至吸收塔,每個吸收塔設有2台石灰石漿液輸送泵,1運1備。石灰石漿液池設有1台攪拌器,防止漿液產生固體沉澱。 石(shi)灰(hui)石(shi)漿(jiang)液(ye)輸(shu)送(song)泵(beng)與(yu)石(shi)灰(hui)石(shi)漿(jiang)液(ye)池(chi)液(ye)位(wei)聯(lian)鎖(suo)。為(wei)保(bao)證(zheng)石(shi)膏(gao)旋(xuan)流(liu)子(zi)工(gong)作(zuo)在(zai)最(zui)佳(jia)分(fen)離(li)工(gong)況(kuang)下(xia),旋(xuan)流(liu)子(zi)的(de)入(ru)口(kou)壓(ya)力(li)應(ying)維(wei)持(chi)在(zai)某(mou)一(yi)定(ding)值(zhi),通(tong)過(guo)控(kong)製(zhi)石(shi)膏(gao)旋(xuan)流(liu)站(zhan)至(zhi)吸(xi)收(shou)塔(ta)再(zai)循(xun)環(huan)門(men)的(de)開(kai)度(du)來(lai)達(da)到(dao)該(gai)目(mu)的(de),加(jia)入(ru)負(fu)荷(he)信(xin)號(hao)作(zuo)為(wei)前(qian)饋(kui)。由(you)於(yu)該(gai)門(men)的(de)開(kai)度(du)會(hui)影(ying)響(xiang)到(dao)吸(xi)收(shou)塔(ta)的(de)液(ye)位(wei),為(wei)避(bi)免(mian)幹(gan)擾(rao)吸(xi)收(shou)塔(ta)液(ye)位(wei),此(ci)時(shi)石(shi)灰(hui)石(shi)漿(jiang)液(ye)供(gong)給(gei)閥(fa)也(ye)應(ying)同(tong)向(xiang)變(bian)化(hua)。控(kong)製(zhi)回(hui)路(lu)如(ru)圖(tu)4所示。 石膏排出係統 煙氣脫硫工程中設置了整套的石膏脫水係統,設置了1套石膏旋流站、2台真空皮帶過濾機和1套廢水旋流站係統。石膏旋流站的溢流全部回濾液水箱,石膏旋流站的底流、真空皮帶過濾機、廢水旋流站係統按預期方式運行。 石膏係統由SGC石膏排出泵、DCM石膏旋流站、SGC真空皮帶過濾機、SGC廢水旋流站組成。 石(shi)膏(gao)漿(jiang)液(ye)排(pai)出(chu)泵(beng)將(jiang)石(shi)膏(gao)漿(jiang)液(ye)從(cong)吸(xi)收(shou)塔(ta)反(fan)應(ying)池(chi)送(song)到(dao)煙(yan)氣(qi)脫(tuo)硫(liu)工(gong)程(cheng)共(gong)用(yong)的(de)石(shi)膏(gao)旋(xuan)流(liu)站(zhan)進(jin)行(xing)濃(nong)縮(suo),另(ling)一(yi)方(fang)麵(mian)吸(xi)收(shou)塔(ta)反(fan)應(ying)池(chi)可(ke)在(zai)事(shi)故(gu)時(shi)由(you)石(shi)膏(gao)排(pai)出(chu)泵(beng)拋(pao)棄(qi)或(huo)排(pai)往(wang)事(shi)故(gu)漿(jiang)池(chi),檢(jian)修(xiu)吸(xi)收(shou)塔(ta)。石(shi)膏(gao)排(pai)出(chu)泵(beng)出(chu)口(kou)設(she)密(mi)度(du)及(ji)PH測量。吸收塔的液位和漿液密度通過吸收塔排出泵來控製,當吸收塔內漿液密度達到設定值時,石膏漿液排出到石膏旋流站;當吸收塔內漿液密度未達到設定值時,石膏漿液通過石膏返回管返至吸收塔。 xishoutazhongchiyecaoneijiangyehunhewudenongduyingbaochimouyishuiping,shigutixuanfuwubaochizaizuijiashuiping,fangzhijiegoubingshijingtichengpian,yibiannenggoushixianzuidatuoshuilv。tongguotiaojiexishoutabushuifakaidulaibaochixishoutajiangyedemidu。weijiakuaixitongxiangyingsudu,jiaruguolufuhezuoweiqiankuixinhao。 控製回路如圖5所示。
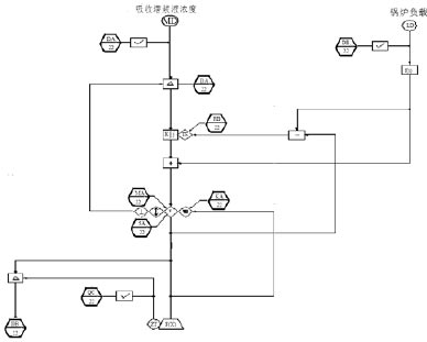
 圖5:吸收塔漿液濃度控製圖 工藝水及濾液水係統 工藝水及濾水係統包括PC工藝水係統,PC濾液水係統。所有均由操作者設定為自動方式。工藝水泵能產生必要的壓力用於除霧器衝洗、各種類型漿液管道的衝洗及設備的冷卻用水、GGH高壓水泵的供水。煙氣脫硫工程設置了工藝水箱,並預留了1台工藝水泵的接口。設3台工藝水泵,2用1備,1座吸收塔對應1台工藝水泵。 除霧器衝洗水管路中的自動反衝洗濾水器去除工藝水中的雜質,並自動排汙。除霧器衝洗水調節閥控製除霧器衝洗水進口壓力。 結束語 在工程實際應用過程中,依照DCS的特點采用典型的方法來實現對電廠燃煤機組煙氣脫硫工程中的控製,可以保證不出現誤操作事故,還增加了相當部分的判據條件和I/O測點,這種方式的優點是較方便地對DCS進行檢查,同時也增大了控製的可靠性。 |