FX-11AµÄÖ÷ÒªÌØµã
Ä£ÄâµçѹÊä³ö
×°±¸1¡«5VµÄÄ£ÄâµçѹÊä³ö
¶àÖÖÓÃ;
Óë¸÷ÖÖ¹âÏ˺ͳ¬Ð¡ÐÍÊý×Ö°å¿ØÖÆÆ÷¡¢CA2ϵÁÐ×éºÏ£¬FX-11AÓжàÖÖÓÃ;£¬ÀýÈçͨ¹ý²»Í¬¼ì²â½øÐÐ¸ß¶ÈÆÀ¹À£¬Ë®Æ½¼ì²âµÈ¡£
±¥ºÍָʾµÆÊä³ö´ï5Vʱ£¬±¥ºÍָʾµÆ»áÁÁÆð¡£Òò´Ë¼´Ê¹²»ÓòâÊÔ×°Ö㬴«¸ÐÆ÷ÁéÃô¶ÈÒ²ºÜÈÝÒ×µ÷½Ú¡£¶øÇÒ×°±¸ÁËÒ»¸öÈë¹âָʾµÆ£¬µ±Èë¹â(Êä³öµçѹ)´ïµ½Ò»¶¨ÊýÁ¿£¬Èë¹âָʾµÆ±ã»áÁÁÆð¡£
 |
·À¸ÉÈŹ¦ÄÜÁ½Ì×¹âÏË¿ÉÃæ¶ÔÃæÁ¬½ÓÔÚÒ»Æð¡£ |
ϸ³¤³ß´çºñ¶È½öΪ10mm£¬¿É°²×°ÔÚÏÁյĿռäÄÚ¡£ |
 |
 |
ÓÃ;
¶ÔÒÆ¶¯ÎïÌå½øÐÐ¸ß¶ÈÆÀ¹ÀÎïÌå¿É¸ù¾Ý¸ß¶ÈÀ´½øÐйéÀàÕûÀí¡£ |
¼ì²âˮƽ²îÒìͨ¹ý²»Í¬¼ì²â£¬¼´Ê¹ÎïÌåµÄ·´ÉäÓб仯£¬Ò²ÎÞÐèÖØÐµ÷½ÚÁéÃô¶È¡£ |
¼ì²â»ìºÏ²úÆ·²»Í¬ÑÕÉ«(·´Éä)»ìºÏµÄ²úÆ·¿ÉÒÔ´ÓÒ»°ã²úÆ·ÖÐÕûÀí³öÀ´¡£ |
 |
 |
 |
¼ì²â°ë͸Ã÷½ºÆ¬µÄÊýÁ¿¿ÉÒÔÓÃÀ´¼ì²âÖØµþÔÚÒ»ÆðµÄ°ë͸Ã÷½ºÆ¬µÄÊýÁ¿¡£ |
¼ì²âÒºÌåµÄ»ì×ǶÈÔÚÄ£ÄâµÄ״̬Ï£¬¿É¼ì²â×°Ôڸɾ»ÈÝÆ÷ÖÐÒºÌåµÄ»ì×Ƕȡ£ |
²âÁ¿Ô²»·µÄÄÚ¾¶Ô²»·¿ÉÒÔ¸ù¾ÝËüÃǵÄÄÚ¾¶À´·ÖÀà¡£ |
 |
 |
 |
¶©¹ºÖ¸ÄÏ
·Å´óÆ÷
|
ÐΡ¡×´ |
ÐÍ¡¡ºÅ |
µçÔ´µçѹ |
Ä£ÄâÊä³ö |
¸½¼þ ¡¤MS-DIN-2(·Å´óÆ÷°²×°Ö§¼Ü) |
 |
FX-11A |
12¡«24V DC¡À10% |
Ä£ÄâÊä³ö ¡¤Êä³öµçѹ£º1¡«5 |
 |
¹âÏË[͸¹ýÐÍ(ÿÌ×Ò»¶Ô)]
|
ÖÖ¡¡Àà |
¹âÏËÍ·ÐÎ×´(mm) |
¼ì²â¾àÀë(×¢1) |
ÌØ¡¡Õ÷ |
¹âÀ³¤¶È ×ÔÓɲÃÇÐ |
ÐÍ¡¡ºÅ |
|
͸¹ýÐÍ |
³¤¼ì ²â¾à Àë |
 |
160mm |
ͬһֱ¾¶Á½´Î¼ì²â¾àÀë |
2m |
FT-B8 |
 |
125mm |
¦Õ 2.5mmС¹âÏËÍ·³¤¼ì²â¾àÀë |
2m |
FT-SFM2L |
|
±ê ×¼ |
 |
85mm |
×ÔÓɲÃÇÐÐÍ |
2m |
FT-FM2 |
 |
FT-FM2S ´ø90mmÌ×Ͳ |
FT-FM2S4 ´ø40mmÌ×Ͳ |
 |
FT-SFM2 |
 |
85mm |
СÐͼì²âÍ·£¬µ«Óë±ê×¼¹âÏ˾ßÓÐͬÑù¼ì²â¾àÀë |
2m |
FT-T80 |
 |
23mm |
ÊÊÓÃÓÚ½ôÃܸ´ÔÓÉ豸µÄ¼ì²â ×ÔÓɲÃÇÐÐÍ |
2m |
FT-NFM2 |
 |
FT-NFM2S ´ø90mmÌ×Ͳ |
FT-NFM2S4 ´ø40mmÌ×Ͳ |
 |
FT-SNFM2 |
|
СÍäÇú |
³¤¼ì²â¾àÀë |
 |
100mm |
´Ë¹âÏË¿ÉÏñÆÕͨµçÏßÒ»Ñù³ÐÊܾçÁÒÍäÇú¡£Õâ¾Í±ÜÃâÁËÓÉÓÚR1mmÒÔÉÏÈÝÐíÍäÇú°ë¾¶´øÀ´µÄÔÚ°²×°ÉϵĿռäÀË·Ñ¡£ |
2m |
FT-WS8L |
|
±ê×¼ |
 |
35mm |
FT-W8 |
 |
FT-WS8 |
|
Сֱ¾¶ |
 |
8mm |
FT-W4 |
 |
FT-WS4 |
|
ÌØÊâÓÃ; |
¿í¹âÖá |
 |
100mm |
¿í¹âÖáÄܼì²âµ½¾àÀëÄÚµÄÈÎÒ»ÎïÌå¡£ |
2m |
FT-A8 |
|
ÕóÁÐ |
 |
65mm |
¿í¹âÖáÄܼì²âµ½¾àÀëÄÚµÄÈÎÒ»ÎïÌå¡£ |
2m |
FT-AFM2 |
 |
FT-AFM2E |
×¢£º¼ì²â¾àÀëÒÔ±¥ºÍָʾµÆÁÁÆðΪ½çÏÞ¡£
¹âÏË[·´ÉäÐÍ]
|
ÖÖ¡¡Àà |
¹âÏËÍ·ÐÎ×´(mm) |
¼ì²â¾àÀë(×¢1) |
ÌØ¡¡Õ÷ |
¹âÀ³¤¶È ×ÔÓɲÃÇÐ |
ÐÍ¡¡ºÅ |
|
|
³¤¼ì²â ¾àÀë |
 |
31mm |
³¤¼ì²â¾àÀë |
2m |
FD-B8 |
|
±ê ×¼ |
 |
22mm |
×ÔÓɲÃÇÐÐÍ |
2m |
FD-FM2 |
 |
2m |
FD-FM2S´ø90mmÌ×Ͳ |
| FD-FM2S4´ø40mmÌ×Ͳ |
 |
22mm |
СÐͼì²âÍ·£¬µ«Óë±ê×¼Ð͹âÏ˾ßÓÐͬÑù¼ì²â¾àÀë |
2m |
FD-T80 |
 |
7mm |
2m |
FD-T40 |
 |
22mm |
2m |
FD-S80 |
 |
7mm |
ÊÊÓÃÓÚ½ôÃܸ´ÔÓÉ豸µÄ¼ì²â ×ÔÓɲÃÇÐÐÍ |
2m |
FD-NFM2 |
 |
FD-NFM2S´ø90mmÌ×Ͳ |
 |
FD-NFM2S4´ø40mmÌ×Ͳ |
| FD-SNFM2 |
|
СÍäÇú |
±ê×¼ |
 |
8mm |
´Ë¹âÏË¿ÉÏñÆÕͨµçÏßÒ»Ñù³ÐÊܾçÁÒÍäÇú¡£Õâ¾Í±ÜÃâÁËÓÉÓÚR1m mÒÔÉÏ (FD-WG4£¬FD-WSG4£ºR2mmÒÔÉÏ)ÈÝÐíÍäÇú°ë¾¶´øÀ´µÄÔÚ°²×°ÉϵĿռäÀË·Ñ¡£ |
2m |
FD-W8 |
 |
8mm |
2m |
FD-WT8 |
 |
2m |
FD-WS8 |
|
¸ß ¾« ¶È |
 |
3mm |
2m |
FD-WG4 |
 |
2m |
FD-WSG4 |
|
ÌØÊâÓÃ; |
Õó ÁÐ |
 |
13mm |
¿í¹âÖáÂú×ã¶àÖÖÐèÒª¡£ |
2m |
FD-AFM2 |
 |
2m |
FD-AFM2E |
|
¸ß ¾« ¶È |
 |
10mm |
¹²Öá¹âÏË´øÀ´µÄ¾«È·¶¨Î»¼ì²â |
2m |
FD-G4 |
 |
3mm |
Óë FX-MR3͸¾µÏàÁ¬¿ÉµÃµ½Ô¼¦Õ0.3mmµÄ¼«Ð¡µãÖ±¾¶¡£ |
500mm |
FD-EG1 |
×¢£º
1) ¼ì²â¾àÀëÒÔ±¥ºÍָʾµÆÁÁÆðΪ½çÏÞ¡£²¢ÇÒ£¬·´ÉäÐ͹âÏËÖ»ÄÜÒÔ°×É«ÎÞ¹âÔóÖ½[50¡Á50mm(FD-B8£º100¡Á100mm]Ϊ¼ì²âÎïÌå¡£
2)Çë×¢Òâ×ÔÓɲÃÇÐÐ͹âÏ˵ļì²â¾àÀë×î´ó¿É¼õÉÙ20%¡£
¸½¼þ
| FX-CT2(¹âÏ˲ÃÇÐÆ÷) |
 |
FX-AT10(¦Õ1mm¹âÏ˸½¼þ) FX-AT13(¦Õ1.3mm¹âÏ˸½¼þ) |
 |
Åä¼þ(ÁíÊÛ)
|
Æ·¡¡Ãû |
ÐÍ¡¡ºÅ |
˵¡¡Ã÷ |
|
ÓÃÓÚ͸¹ýÐ͹âÏË |
À©ÕŠ͸¾µ |
FX-LE1 |
¼ì²â¾àÀëÔö¼Ó6±¶ÒÔÉÏ¡£ ¡¤ ¼ì²â¾àÀë (Á½±ß´øÍ¸¾µ)(×¢1)£º 900mm(FT-B8), 750mm(FT-FM2, FT-T80), 350mm(FT-W8) |
|
|
³¬À©ÕÅ͸¾µ |
FX-LE2 |
ÓÉÓÚʹÓÃÁË´ó¿Ú¾¶Í¸¾µ£¬¼«´óµÄÔö¼Ó¼ì²â¾àÀë¡£ ¡¤ ¼ì²â¾àÀë (Á½±ß´øÍ¸¾µ)(×¢1)£º 3,000mm(FT-B8), 2,500mm(FT-FM2), 3,000mm(FT-W8) |
|
|
²àÊÓ½ç͸¾µ |
FX-SV1 |
¹âÖáÍäÇú90¡ã¡£ ¡¤ ¼ì²â¾àÀë (Á½±ß´øÍ¸¾µ)(×¢1)£º 220mm(FT-B8), 200mm(FT-FM2, FT-T80), 25mm(FT-W8) |
|
|
ÓÃÓÚ·´ÉäÐ͹âÏË |
ÕëµãÐÍ͸¾µ |
FX-MR1 |
¦Õ0.5mmµÄÕëµã¡£ ¡¤ ÊÊÓùâÏË£º FD-WG4, FD-G4¡¤¾à½¹µã¾àÀ룺 6¡À1mm |
|
|
±ä½¹Í¸¾µ |
FX-MR2 |
ͨ¹ýµ÷Õû¹âÏ˵ÄÐýÈëÉî¶È¿ÉµÃµ½¦Õ 0.7¡«¦Õ2mmÖ®¼äµÄ¹âµã¡£ ¡¤ ÊÊÓùâÏË£º FD-WG4, FD-G4 ¡¤ ¾à½¹µã¾àÀ룺Լ 18.5¡«43mm(ÐýÈëÉî¶È£º7¡«14mm) ¡¤ ¹âµãÖ±¾¶£º ¦Õ0.7¡«¦Õ 2mm(ÐýÈëÉî¶È£º7¡«14mm) |
|
|
¼«Ï¸¹âµã͸¾µ |
FX-MR3 |
¦Õ0.3mmµÄ΢С¹âµã¡£ ¡¤ ÊÊÓùâÏË£º FD-WG4, FD-EG1, FD-G4 ¡¤ ¾à½¹µã¾àÀ룺 7.5¡À0.5mm¡¤¹âµãÖ±¾¶£º ¦Õ0.3mm(FD-EG1), ¦Õ0.5mm(FD-WG4, FD-G4) |
|
|
Êý×Ö°å¿ØÖÆÆ÷ |
CA2-T2 |
NPN¿ªÂ·¼¯µç¼«¾§Ìå¹Ü |
СÐÍ¿ØÖưå¿ÉÒÔÉ趨Á½¸ö¶ÀÁ¢µÄ»ù×¼Öµ¡£ ¡¤ µçÔ´µçѹ£º24V DC¡À10%¡¤ÊäÈëÊý£º1¸ö(´«¸ÐÆ÷ÊäÈë) ¡¤ ÊäÈ뷶Χ£º1¡«5V DC ¡¤ Ö÷Òª¹¦ÄÜ£º»ù×¼ÖµÉ趨¹¦ÄÜ¡¢Áãµ÷½Ú¹¦ÄÜ¡¢¿Ì¶ÈÉ趨¹¦ÄÜ¡¢Ó¦²îÉ趨¹¦ÄÜ¡¢Æô¶¯/´ý»ú¹¦ÄÜ¡¢×Ô¶¯²ÎÕÕ¹¦ÄÜ¡¢µçÔ´ONÑÓ³Ù¹¦Äܵȵȡ£ |
|
|
±£»¤¹Ü (ÓÃÓÚ͸¹ýÐ͹âÏË) |
FTP-500 (0.5m) |
ÓÃÓÚ M4ÂÝÎÆ |
ÊÊ Óà ¹â ÏË |
FT-B8 FT-FM2 FT-FM2S FT-FM2S4 |
Ó÷À¸¯Ê´²»Ðâ¸ÖÖÆ³ÉµÄ±£»¤¹Ü±£»¤ÄÚ²¿¹âÀ²»ÊÜÍⲿѹÁ¦¡£ |
¡¤FTP-¡õ ¡¤FDP-¡õ  |
| FTP-1000 (1m) |
| FTP-1500 (1.5m) |
| FTP-N500 (0.5m) |
ÓÃÓÚ M3ÂÝÎÆ |
FT-T80 FT-NFM2 FT-NFM2S FT-NFM2S4 FD-T40 |
| FTP-N1000 (1m) |
| FTP-N1500 (1.5m) |
|
±£»¤¹Ü (ÓÃÓÚ·´ÉäÐ͹âÏË) |
FDP-500 (0.5m) |
ÓÃÓÚ M6ÂÝÎÆ |
FD-B8 FD-FM2 FD-FM2S FD-FM2S4 |
| FDP-1000 (1m) |
| FDP-1500 (1.5m) |
| FDP-N500 (0.5m) |
ÓÃÓÚ M4ÂÝÎÆ |
FD-T80 FD-NFM2 FD-NFM2S FD-NFM2S4 |
| FDP-N1000 (1m) |
| FDP-N1500 (1.5m) |
|
¹âÏËÍäÇúÆ÷ |
FB-1 |
¹âÏËÍäÇúÆ÷½«¹âÏËÍ·µÄÌ×Ͳ²¿·ÖÍäÇúµ½ºÏÊʵİ뾶¡£ |
|
|
ͨÓô«¸ÐÆ÷°²×°¼Ü(×¢2) |
MS-AJ1-F |
ˮƽ°²×°ÐÍ |
¹âÏ˵ݲװ֧¼Ü×é¼þ (ÓÃÓÚM3£¬M4»òM6ÂÝÎÆµÄ¹âÏËÍ·) |
|
| MS-AJ2-F |
´¹Ö±°²×°ÐÍ |
|
×¢£º
1)¼ì²â¾àÀëÒÔ±¥ºÍָʾµÆÁÁΪ½çÏÞ¡£
2)ͨÓô«¸ÐÆ÷°²×°Ö§¼ÜÇë²ÎÔÄ¡¶ÌØÊâÓÃ;¡¢ÍâΧÉ豸ƪ²úƷĿ¼¡·¡£
¹æ¸ñ
¹âÏË
|
ÖÖ¡¡Àà |
±ê×¼¡¢Ð¡¹âÏËÍ·¡¢Ð¡Ö±¾¶¡¢Ð¡ÍäÇú¡¢´øÍ¸¾µ³¤¼ì²â¾àÀë¡¢¿í¹âÖá¡¢ÕóÁС¢¸ß¾«¶È |
|
ÔÊÐíÍäÇú°ë¾¶ |
R25mmÒÔÉÏ[СÍäÇúÐÍ£ºR1mmÒÔÉÏ(FD-WG4, FD-WSG4£ºR2mmÒÔÉÏ)] |
|
ÖÜΧÎÂ¶È |
£40¡«£«70¡ãC(СÍäÇú£º£40¡«£«60¡ãC£¬FD-EG1£º£20¡«£«60¡ãC)(×¢Òâ²»¿É½á¶¡¢½á±ù)´æ´¢£º£40¡«£«70¡ãC(СÍäÇú£º£40¡«£«60¡ãC£¬FD-EG1£º£20¡«£«60¡ãC) |
|
ÖÜΧʪ¶È |
35¡«85%RH£¬´æ´¢£º35¡«85%RH |
|
²ÄÖÊ |
ÏËо£º±ûÏ©±» ¸²£º¾ÛÒÒÏ©¹â ÏËÍ·£º»ÆÍ (¶ÆÄø)(±ê×¼Ð͵ÄÂÝÎÆ²¿·Ö¡¢Ð¡Ö±¾¶Ð͵ÄÂÝÎÆ²¿·Ö¡¢Ð¡ÍäÇúÂÝÎÆÐÍ¡¢¸ß¾«¶È¡¢ÕóÁÐ)²»Ðâ¸Ö(SUS) FT-SFM2£¬Ð¡¼ì²âÍ·ÐÍ£¬FT-SNFM2£¬FD-SNFM2£¬Ð¡ÍäÇú·ÇÂÝÎÆÐÍ£¬FT-SFM2L£¬¸½Ì×Ͳ¹âÏ˵ÄÌ×Ͳ²¿·Ö¾Û̼Ëáõ¥(FT-A8£¬FT-WS8LµÄ͸¾µ)£¬¾ÛÏ©Ìþ(FT-A8µÄ͸¾µ) |
|
¸½¼þ |
ËùÓйâÏË£º1Ì×¹âÏ˸½¼þ ×ÔÓɲÃÇÐÐ͹âÏË£º1¸öFX-CT2(¹âÏ˲ÃÇÐÆ÷) ÂÝÎÆ¼ì²âÍ·¹âÏË£º2¸öÂÝĸ(͸¹ýÐÍ£º4¸ö)ºÍ1¸ö³ÝËøµæÈ¦(͸¹ýÐÍ£º2¸ö) FT-A8£º2¸ö0.5¡Á12mm·âÌõÐÍÏÁ·ì͸¹âÕÖºÍ2¸ö1¡Á12mm·âÌõÐÍÏÁ·ì͸¹âÕÖ |
·Å´óÆ÷
|
ÐÍ¡¡ºÅ
|
FX-11A |
|
µçÔ´µçѹ |
12¡«24V DC¡À10% Âö¶¯P-P10%ÒÔÏ |
|
ÏûºÄµçÁ÷ |
35mAÒÔÏÂ |
|
Ä£ÄâÊä³ö |
Ä£Äâµçѹ ¡¤ Êä³öµçѹ£º1¡«5V(ÓëÈë¹âÁ¿³É±ÈÀý) ¡¤ Êä³öµçÁ÷£º5mAÒÔÏ ¡¤ Êä³öµç×裺47¦¸ ¡¤ Ä͸ººÉ£º2k¦¸ÒÔÉÏ ¡¤ ζÈÌØÐÔ£º0.3%F.S./¡ãCÒÔÏ |
|
·´Ó¦Ê±¼ä |
¿ÉÔÚ1msÒÔÏ»ò10msÒÔÏÂÖ®¼äת»» |
|
Èë¹âָʾµÆ |
ºìÉ«LED(Ä£ÄâÊä³öµçѹ´ïµ½Ò»¶¨ÊýÁ¿Ê±£¬ÁÁÆð) |
|
±¥ºÍָʾµÆ |
ÂÌÉ«LED(µ±Ä£ÄâÊä³öµçѹ´ïµ½5V£¬ÁÁÆð) |
|
ÁéÃô¶Èµ÷½ÚÆ÷ |
´øÖ¸Ê¾µÆµÄ8»Ø×ªµ÷½ÚÆ÷ |
|
·À¸ÉÈŹ¦ÄÜ |
×°±¸ |
| »·¾³ÐÔÄÜ |
ÖÜΧÎÂ¶È |
£10¡«£«55¡ãC(×¢Òâ²»¿É½á¶¡¢½á±ù)£¬´æ´¢£º£20¡«£«70¡ãC |
| ÖÜΧʪ¶È |
35¡«85%RH£¬´æ´¢£º35¡«85%RH |
| ÖÜΧÕÕÃ÷¶È |
°×³ãµÆ£ºÊܹâÃæÕÕÃ÷¶È1,000Rx |
| Ä͵çѹ |
AC1,000V 1·ÖÖÓ£¬ËùÓеçÔ´Á¬½Ó¶Ë×ÓÓëÍâ¿ÇÖ®¼ä(×¢1) |
| ¾øÔµµç×è |
ËùÓеçÔ´Á¬½Ó¶Ë×ÓÓëÍâ¿ÇÖ®¼ä20M¦¸ÒÔÉÏ£¬»ùÓÚDC250VµÄ¸ß×è±í(×¢1) |
| ÄÍÕñ¶¯ |
ƵÂÊ£º10¡«150Hz£¬Ë«Õñ·ù£º0.75mm£¬X£¬YºÍZ¸÷·½Ïò2Сʱ |
| Äͳå»÷ |
¼ÓËÙ¶È£º100m/s2(Ô¼10G)£¬X£¬YºÍZ¸÷·½Ïò5´Î |
| Ͷ¹â¶þ¼«Ìå |
ºìÉ«LED(µ÷ÖÆÊ½) |
| ²ÄÖÊ |
Íâ¿Ç£ºÄÍABS£¬Íâ±í£º¾Û̼Ëáõ¥£¬¹âÏ˹̶¨¸Ë£ºPES |
| µçÀ |
0.2mm2 4оÏðÆ¤µçÀ£¬³¤2m |
| µçÀÂÑÓ³¤ |
0.3mm2ÒÔÉϵĵçÀÂÈ«³¤¿ÉÑÓ³¤ÖÁ100m(×¢2) |
| ÖØÁ¿ |
Ô¼60g |
| ¸½¼þ |
MS-DIN-2(·Å´óÆ÷°²×°Ö§¼Ü)£º1Ì×£¬µ÷ÕûÂÝË¿µ¶£º1¸ö |
×¢£º
1)ÉϱíÖÐÄ͵çѹºÍ¾øÔµµç×è½öÊÊÓÃÓÚ·Å´óÆ÷¡£
2)×¢Òâµ±µçÀÂÑÓ³¤Ê±£¬Êä³öµçѹ½«½µµÍ¡£
I/Oµç·ͼºÍÏß·ͼ
I/Oµç·ͼ
 |
×¢£º Ä£ÄâµçѹÊä³ö²»×°±¸¶Ì·±£»¤µç·¡£ÇëÎðÖ±½Ó½«ÆäÓëµçÔ´»òÈÝÁ¿¸ººÉÖ±½Ó Á¬½Ó¡£
·ûºÅ ... D1 : ·´ÏòµçÔ´¼«ÐÔ±£»¤¶þ¼«¹Ü D2, D3 : µçÓ¿ÎüÊÕ¶þ¼«¹Ü |
Ïß·ͼ
¼ì²âÌØÐÔͼ(µäÐÍ)
É趨¾àÀëºÍÊä³öµçѹ֮¼äµÄÏ໥¹ØÏµ
| FT-B8 ͸¹ýÐÍ |
FT-FM2/ FT-FM2S/ FT-FM2S4/FT-SFM2 /FT-T80 ͸¹ýÐÍ |
FT-NFM2/ FT-NFM2S/FT-NFM2S4/ FT-SNFM2 ͸¹ýÐÍ |
|
|
|
|
| FT-W8/FT-WS8 ͸¹ýÐÍ |
FT-W4/FT-WS4 ͸¹ýÐÍ |
FT-WS8L͸¹ýÐÍ |
|
|
|
|
| FT-SFM2L ͸¹ýÐÍ |
FT-A8 ͸¹ýÐÍ |
FT-AFM2/FT-AFM2E͸¹ýÐÍ |
|
|
|
|
| FD-B8 ·´ÉäÐÍ |
FD-FM2 /FD-FM2S/FD-FM2S4/FD-T80 /FD-S80 ·´ÉäÐÍ |
FD-NFM2/FD-NFM2S /FD-T40/FD-NFM2S4/FD-SNFM2·´ÉäÐÍ |
|
|
|
|
É趨¾àÀëºÍÊä³öµçѹ֮¼äµÄÏ໥¹ØÏµ
| FD-W8/ FD-WT8/FD-WS8·´ÉäÐÍ |
FD-WG4/FD-WSG4·´ÉäÐÍ |
FD-G4·´ÉäÐÍ |
|
|
|
|
| FD-EG1·´ÉäÐÍ |
FD-AFM2/FD-AFM2E·´ÉäÐÍ |
|
|
|
|
|
µ±Ê¹Ó÷âÌõÐÍÏÁ·ì͸¹âÕÖʱ£¬É趨¾àÀëºÍÊä³öµçѹ֮¼äµÄÏ໥¹ØÏµ
|
FT-A8 ͸¹ýÐÍ |
|
Ò»²àÓÐÏÁ·ì͸¹âÕÖ(0.5¡Á12mm) |
Á½²àÓÐÏÁ·ì͸¹âÕÖ(0.5¡Á12mm) |
Ò»²àÓÐÏÁ·ì͸¹âÕÖ(1¡Á12mm) |
|
|
|
|
|
Á½²àÓÐÏÁ·ì͸¹âÕÖ(1¡Á12mm) |
|
|
|
|
|
|
ʹÓÃÖ¸ÄÏ(·Å´óÆ÷)
¸Ã²úƷΪÎïÌå¼ì²â´«¸ÐÆ÷£¬²»¾ßÓб£»¤ÉúÃü¡¢²Æ²úµÄ¹¦ÄÜ£¬Îª·Àֹʹʡ¢È·±£°²È«£¬Çë½÷É÷ʹÓá£
°²×°
|
|
|
¢Ù ½«·Å´óÆ÷ºó²¿°²×°ÔÚ¸½´øµÄ·Å´óÆ÷°²×°Ö§¼Ü(MS-DIN-2)ÉÏ»ò×°ÔÚ 35mm¿íµÄDINµ¼¹ìÉÏ¡£ ¢Ú °´Ï·ŴóÆ÷ǰ²¿£¬½«Æä°²×°ÔÚ·Å´ó Æ÷°²×°Ö§¼Ü(MS-DIN-2)ÉÏ»òDINµ¼¹ìÉÏ¡£ |
 |
¢Ù½«·Å´óÆ÷ÏòÇ°ÍÆ¡£ ¢Ú ÌáÆð·Å´óÆ÷ǰ¶Ë½«Æä²ðÏ¡£ |
 |
|
|
|
¢Ù ·ÅϹâÏ˹̶¨¸Ë¡£ ¢Ú ÂýÂý½«¹âÀÂ²å½øÈë¿Ú£¬Ö±µ½Í£Ö¹¡£(×¢1) ¢Û ½«¹âÏ˹̶¨¸Ë¹Ì¶¨ÖÁÆðʼλÖᣠ|
 |
×¢£º 1)Èç¹û¹âÀÂδ²åµ½Í£Ö¹²¿Î»£¬¼ì²â¾àÀë»áËõ¶Ì¡£ 2)Á¬½Ó¹²Öá·´ÉäÐ͹âÏËʱ£¬ÈçFD-G4»òFD-FM2£¬½«ÖÐÐĹâÏ˵çÀÂ(µ¥Ð¾)²å½øÍ¶¹âÈë¿Ú£¬Íⲿ¹âÏ˵çÀÂ(¶àо)²å½øÊܹâÈë¿Ú¡£Èç¹ûÏà·´²åÈ룬¼ì²â¾«È·¶È»á½µµÍ¡£
 |
·À¸ÉÈŹ¦ÄÜ
| ÒòΪFX-11AÖÐÒѰ²×°ÁË·À¸ÉÈŹ¦ÄÜ£¬Á½Ì×¹âÏË¿ÉÌù½ü°²×°¡£½ÓÏߺͷÀ¸ÉÈÅת»»¿ª¹ØÉ趨Ðè°´ÈçÓÒ²Ù×÷£º |

|
|
½«·À¸ÉÈŵçÏßÓëÁ½¸öFX-11A·Å´óÆ÷¸÷×ÔµÄ0VµçÏßÁ¬½áÔÚÒ»Æð¡£ |
½«Ò»¸ö·Å´óÆ÷·À¸ÉÈÅת»»¿ª¹ØÉ趨ÔÚ¡°MAIN¡±´¦£¬ÁíÒ»¸öÉ趨ÔÚ¡°SUB¡±´¦¡£ |
 |
¡ù²»Ê¹Ó÷À¸ÉÈŹ¦ÄÜʱ ¡¤ È·±£ÒѾ°Ñ·À¸ÉÈÅת»»¿ª¹ØÉ趨ÔÚ¡°MAIN¡±´¦£¬ÈçÉ趨ÔÚ¡°SUB¡±´¦£¬´«¸ÐÆ÷½«²»Æð×÷Óᣠ¡¤ ·À¸ÉÈŵçÏßÐè¾øÔµ¡£ |
·´Ó¦Ê±¼äÑ¡Ôñ
(1)FX-11AµÄ·´Ó¦Ê±¼ä¿ÉÔÚ¡°1ms¡±»ò¡°10ms¡±Ö®¼äÑ¡Ôñ£¬ Èç¼ì²âÓ¦Óò¢²»Ðè¿ìËÙ·´Ó¦£¬½¨Òé¿ÉÑ¡Ôñ¡°10ms¡±£¬Ëü¿ÉÒÔ²»ÊÜÍâ½çÔëÒô¼°ÖÜΧ¹âÏßÓ°Ï죬±£Ö¤¼ì²âµÄ¿É¿¿ÐÔ¡£ ÈçÑ¡ÔñÁË¡°1ms¡±£¬×¢Òâµç´ÅÔëÒôÒÔ¼°ÖÜΧ¹âÏß¡£ (2)FX-11AµÄ·´Ó¦Ê±¼äÊÇÊä³öµçѹ´Ó1V(·ÇÈë¹âʱµçѹ)ÉýÖÁµ½ [90%{Èë¹âʱµçѹ£1V(·ÇÈë¹âʱµçѹ)}£«1V(·ÇÈë¹âʱµçѹ)]ËùÐèʱ¼ä»òÊä³öµçѹ´ÓÈë¹âʱµçѹ½µµ½[10%{Èë¹âʱµçѹ£1V(·ÇÈë¹âʱµçѹ)}£«1V(·ÇÈë¹âʱµçѹ)]ËùÐèʱ¼ä¡£FX-11AµÄ·´Ó¦Ê±¼äÊǺ㶨µÄ£¬²»ÊÜÊä³öµçѹÕñ·ùµÄÓ°Ïì¡£ |
 |
²¿¼þ˵Ã÷
ÁéÃô¶Èµ÷½Ú
|
²½Öè |
²Ù¡¡×÷ |
ÁéÃô¶È²Ù×÷µ÷½ÚÆ÷ |
|
(1) |
°ÑÁéÃô¶Èµ÷½ÚÆ÷ÍêÈ«ÄæÊ±ÕëÐýת¡£(×îСÁéÃô¶È) |
|
|
(2) |
µ÷½Ú¹âÏËͷλÖÃÒÔ¼°¹âÏËÍ·ÓëÎïÌå¼äµÄλÖ㬾¡¿ÉÄÜ¶àµØ½ÓÊÜÈëÉä¹âÏß¡£  |
¡ª¡ª¡ª¡ª¡ª¡ª¡ª¡ª |
|
(3) |
˳ʱÕëÐýתÁéÃô¶Èµ÷½ÚÆ÷Ö±µ½±¥ºÍָʾµÆÁÁÆð¡£Ò»µ©µÆÁÁÆð£¬ÔÙÄæÊ±ÕëÐýת£¬Ö±µ½±¥ºÍָʾµÆÏ¨Ãð¡£ÕâÊÇÔÚ±¥ºÍǰµÄ×î´óÁéÃô¶Èµã¡£ |
|
ÆäËû
¡¤ µçÔ´½ÓͨºóµÄ¶Ìʱ¼ä (50ms)ÄÚ£¬ÇëÎðʹÓá£
¡¤ Ä£ÄâÊä³ö²»×°±¸¶Ì·±£»¤µç·£¬ÇëÎð½«ÆäÓëµçÔ´»òÈÝÁ¿¸ººÉÖ±½ÓÁ¬½Ó¡£
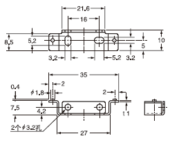
³ß´ç(µ¥Î»£ºmm)
FX-11A ·Å´óÆ÷(ʹÓø½´øµÄ·Å´óÆ÷°²×°Ö§¼Ü×°³ß´ç)
 |
×¢£º×óͼΪÎÞÕÖ״̬¡£ |
MS-DIN-2 ·Å´óÆ÷°²×°Ö§¼Ü(FX-11A¸½¼þ)
 |
²ÄÖÊ£ºÀäÔþ̼¸Ö(SPCC) (µ¥Ãæ¶Æ¸õ) |