½öÓëÉøÂ©»òÒºÌå¼ì²â¹âÏ˹²Í¬Ê¹ÓÃFX-301-FÌØ±ðÉè¼ÆÓëÉøÂ©¹âÏË(FD-F705)»òÒºÌå¼ì²â¹âÏË(FT-F902)¹²Í¬Ê¹Óá£Æä×î¼Ñ״̬É趨ÈÝÒס£ |
¸ö±ð/¼¯Ìå½Ìµ¼Ä£Ê½²Ù×÷ÈÝÒ×ͨ¹ý²»Í¬¼ì²â£¬¼´Ê¹ÎïÌåµÄ·´ÉäÓб仯£¬Ò²ÎÞÐèÖØÐµ÷½ÚÁéÃô¶È¡£ |
 |
 |
×°±¸ÉÁ¹â¹¦Äܵ±Á¬½ÓÉøÂ©¹âÏË(F7ģʽ)ʱ£¬Èç¹û¼ì²âµ½ÉøÂ©£¬Í¶¹âÆ÷¼´¿ªÊ¼ÉÁ¹â£¬Ê¹ÄãÒ»ÑÛ¼´¿É±æÈÏ¡£ |
³¤Ê¹ÓÃÊÙÃüºÍÎȶ¨µÄ¹¤×÷É趨ȷ±£ÆäÐÔÄܿɿ¿FX-301(P)-F×°±¸ÁËÎÒÃÇпª·¢µÄ¡°4ÔªËØÍ¶¹â¶þ¼«Ì塱£¬Ïû³ýÁËÈçLEDµÈµÄÐÔÄܽµµÍÎÊÌâ¡£´Ëпî¶þ¼«ÌåʹÈë¹âˮƽÎȶ¨£¬ÇÒ²»ÓÃÌØ±ðά»¤¡£ |
ÎÞÖ÷»ú¡¢·Ö»úÖ®·Ö£¬±ãÓÚά»¤Ö÷»ú¡¢·Ö»úʹÓÃͬһ·Å´óÆ÷Ö÷Ìå¡£´ËÌØµãʹºáÏòÁ¬½Ó¹¹Ôì°²×°ÈÝÒס£Ö»ÓÐÕýȷʹÓÃ3оĸµçÀº͵¥Ð¾×ÓµçÀ²ÅÄÜ·Ö±æ³öÖ÷¡¢·Ö»ú¹¦ÄÜ¡£ ´ËÍ⣬ÓÉÓÚÖ÷¡¢·Ö»úʹÓÃͬһÖ÷Ì壬¼ò»¯ÁËά»¤¼°¿â´æ¹ÜÀí¡£ |
Ê¡ÅäÏß¡¢Ê¡Ê©¹¤Éè¼Æ£¬×î¶à¿ÉºáÏòÁ¬½Ó16̨·Å´óÆ÷×î¶à¿ÉºáÏòÁ¬½Ó16̨·Å´óÆ÷¡£×ÓµçÀÂÖ»ÓÐÒ»ÌõÊä³öÏߣ¬´ó´ó½ÚÊ¡Á˽ÓÏߺͿռ䡣¶øÇÒ£¬ÌØÊâµÄ»¬¶¯Á¬½ÓÆ÷±»Ìṩ¸øËùÓеÄĸ¡¢×ÓµçÀ¡£Ö»Òª½âËø²¢¾¶Ö±ºó°Î£¬ÎÞÐ轫·Å´óÆ÷Ö÷ÌåÒÆÖÁ²àÃæ¾Í¿É²ðÏ´ËÁ¬½ÓÆ÷¡£²ÉÓÃÕâÖÖÁ¬½ÓÆ÷ϵͳºó£¬Ö»ÐèºÜСµÄ¿Õ¼ä¾ÍÄܽøÐÐά»¤¡£ |
 |
 |
MODE NAVI²Ù×÷ÈÝÒ×MODE NAVIʹÓÃ6¸öָʾµÆÏÔʾ·Å´óÆ÷µÄ»ù±¾²Ù×÷¡£ Ò»ÑÛ¼´¿É±æÈϳöµ±Ç°µÄ²Ù×÷ģʽ¡£¼´Ê¹ÊdzõѧÕßÒ²¿É¼òµ¥²Ù×÷·Å´óÆ÷¡£ |
²Ù×÷¼òµ¥ÇÒÒ×ʹÓø߼¶¹¦ÄÜ¿ÉʹÓôóÐÍMODE°´Å¥Ñ¡Ôñ¸÷ÖÖģʽ¡£Ïêϸ¹¦ÄܺÍÉ趨¿Éͨ¹ý´óÐÍÍ»³ö¿ª¹Ø½øÐÐÑ¡Ôñ¡£Í¨¹ý¹Û²ìMODEָʾµÆµÄÏÔʾ¿ÉÈ·ÈÏËùÑ¡ÔñµÄÿ¸öģʽ¡£¿É¼òµ¥±æ±ð²¢´ÓÊý×ÖÏÔʾÖÐÑ¡Ôñÿ¸öģʽÖеĸ߼¶¹¦ÄÜ¡£ |
 |
|
½öʹÓÃ2¸ö¿ª¹ØµÄ¼òµ¥²Ù×÷ |
| ²Ù×÷½öÐè2¸ö¿ª¹Ø¡ª¡ª´óÐÍÍ»³ö¿ª¹ØºÍMODE°´Å¥¡£°´Ï´óÐÍMODE°´Å¥É趨¡°Ä£Ê½Ñ¡Ôñ¡±ºÍ¡°Ä£Ê½È¡Ïû¡±¹¦ÄÜ¡£´óÐÍÍ»³ö¿ª¹ØÓÃÓÚÑ¡Ôñÿ¸öģʽÖеÄÏêϸ¹¦ÄÜ£¬²¢ÔÚģʽѡ¶¨ºó¸Ä±äÊýÖµ¡£ |
 |
¶©¹ºÖ¸ÄÏ
·Å´óÆ÷ (·Å´óÆ÷²»¸½´øµ¥´¥µçÀ¡£ÇëÁíÐж©¹º¡£)
| ÖÖ¡¡Àà |
ÐΡ¡×´ |
ÐÍ¡¡ºÅ |
Ͷ¹â¶þ¼«Ìå |
Êä ³ö |
| NPNÊä³öÐÍ |
 |
FX-301-F |
ºìÉ«LED |
NPN¿ªÂ·¼¯µç¼«¾§Ìå¹Ü |
| PNPÊä³öÐÍ |
FX-301P-F |
PNP¿ªÂ·¼¯µç¼«¾§Ìå¹Ü |
µ¥´¥µçÀ (·Å´óÆ÷²»¸½´øµ¥´¥µçÀ¡£ÇëÁíÐж©¹º¡£)
| ÖÖ¡¡Àà |
ÐÍ¡¡ºÅ |
˵¡¡Ã÷ |
| ĸµçÀ (3о) |
CN-73-C1 |
³¤£º1m |
0.15mm2 3оÏðÆ¤µçÀ£¬Ò»¶Ë´øÁ¬½ÓÆ÷µçÀÂÍâ¾¶£º¦Õ 3.0mm |
ĸµçÀ ¡¤CN-73-C¡õ
 |
| CN-73-C2 |
³¤£º2m |
| CN-73-C5 |
³¤£º5m |
| ×ÓµçÀ (1о) |
CN-71-C1 |
³¤£º1m |
0.15mm2 µ¥Ð¾ÏðÆ¤µçÀ£¬Ò»¶Ë´øÁ¬½ÓÆ÷µçÀÂÍâ¾¶£º¦Õ 3.0mm |
×ÓµçÀ ¡¤CN-71-C¡õ
 |
| CN-71-C2 |
³¤£º2m |
| CN-71-C5 |
³¤£º5m |
βÅÌ (·Å´óÆ÷²»¸½´øµ¥´¥µçÀ¡£µ±·Å´óÆ÷´®ÁªÁ¬½ÓʱÇëÁíÐж©¹º¡£)
| ÐÎ×´ |
ÐͺŠ|
˵Ã÷ |
 |
MS-DIN-E |
µ±´®ÁªÁ¬½Ó¶à¸ö·Å´óÆ÷£¬»òÔÚDINµ¼¹ìÉÏÒÆ¶¯·Å´óÆ÷ʱ£¬ÕâЩβÅÌÈ·±£ËùÓеķŴóÆ÷°²È«°²×°£¬³ä·ÖÁ¬½Ó¡£ (ÿÌ×2¸ö) |
Åä¼þ(ÁíÊÛ)
| Æ·Ãû |
ÐͺŠ|
˵Ã÷ |
·Å´óÆ÷°²×°Ö§¼Ü ¡¤MS-DIN-2 |
¹âÏË´«¸ÐÆ÷·Å´óÆ÷±£»¤·âÌõ ¡¤FX-MB1 |
| ·Å´óÆ÷°²×°Ö§¼Ü |
MS-DIN-2 |
·Å´óÆ÷Óð²×°Ö§¼Ü |
| ¹âÏË´«¸ÐÆ÷·Å´óÆ÷±£»¤·âÌõ |
FX-MB1 |
2¸ö½»Á÷´°ÃÜ·âµæºÍ1¸öÁ¬½ÓÆ÷·âÌõ10Ì× ½»Á÷´°ÃÜ·âµæ£º ·ÀÖ¹´ÓÁíÒ»¸ö·Å´óÆ÷ÉÏ´«ÊäÐźÅÔì³ÉµÄ¹ÊÕÏ£¬¼°Æä¶ÔÁíÒ»¸ö·Å´óÆ÷µÄÓ°Ïì¡£ Á¬½ÓÆ÷·âÌõ£º ´øÓе¥´¥µçÀÂÕ룬ÒÔ·ÀÈκνðÊôµÄ´¥Åö¡£ |
 |
 |
¹æ¸ñ
| ÖÖ¡¡Àà |
NPNÊä³öÐÍ |
PNPÊä³öÐÍ |
| ÐÍ¡¡ºÅ |
FX-301-F |
FX-301P-F |
| ÊÊÓùâÏË |
FD-F705£¬FT-F902 |
| µçÔ´µçѹ |
12¡«24V DC¡À10%¡¡Âö¶¯P-P10%ÒÔÏ |
| ÏûºÄµçÁ÷ |
ͨ³£¹¤×÷ʱ£º960mWÒÔÏÂ(µçÔ´µçѹ24Vʱ£¬ÏûºÄµçÁ÷40mAÒÔÏÂ) ECOģʽʱ£º600mWÒÔÏÂ(µçÔ´µçѹ24Vʱ£¬ÏûºÄµçÁ÷ 25mAÒÔÏÂ) |
| Êä³ö |
NPN¿ªÂ·¼¯µç¼«¾§Ìå¹Ü ¡¤ ×î´óÁ÷ÈëµçÁ÷£º 100mA (5̨ÒÔÉÏ·Å´óÆ÷´®ÁªÊ±Îª50mA) ¡¤Íâ¼Óµçѹ£º30V DCÒÔÏÂ(Êä³öºÍ0VÖ®¼ä) ¡¤Ê£Óàµçѹ£º 1.5VÒÔÏÂ[Á÷ÈëµçÁ÷Ϊ100mAʱ(5̨ ÒÔÉÏ·Å´óÆ÷´®ÁªÊ±Îª50mA)] |
PN P¿ªÂ·¼¯µç¼«¾§Ìå¹Ü ¡¤×î´óÔ´µçÁ÷£º 100mA (5̨ÒÔÉÏ·Å´óÆ÷´®ÁªÊ±Îª50mA) ¡¤Íâ¼Óµçѹ£º30V DCÒÔÏÂ(Êä³öºÍ0VÖ®¼ä) ¡¤Ê£Óàµçѹ£º 1.5VÒÔÏÂ[Ô´µçÁ÷Ϊ100mAʱ(5̨ÒÔÉÏ ·Å´óÆ÷´®ÁªÊ±Îª50mA)] |
| Êä³ö¹¤×÷ |
ÉøÂ©É趨(F7ģʽ)£º¼ì²âµ½ÉøÂ©Ê±OFF£¬ÒºÌåÉ趨(F9ģʽ)£ºÊ¹ÓÃÍ»³ö¿ª¹ØÔÚÓÐÎÞÒºÌåÖ®¼äÑ¡ÔñÐźÅOFF״̬ |
| ¶Ì·±£»¤ |
×°¡¡±¸ |
| ·´Ó¦Ê±¼ä |
250¦ÌsÒÔÏÂ(×¢1) |
| ÁéÃô¶ÈÉ趨 |
¸ö±ð½Ìµ¼/¼¯Ìå½Ìµ¼ |
| ¹¤×÷״ָ̬ʾµÆ |
³ÈÉ«LED(Êä³öONʱÁÁÆð) |
| ģʽָʾµÆ |
ÂÌÉ«LED [ÔÚÒºÌåÉ趨(F9ģʽ)ÆÚ¼äÁÁÆð] |
| MODEָʾµÆ |
RUN£ºÂÌÉ«LED£¬TEACH¡¤ALL¡¤ADJ¡¤DISP¡¤OUT£º»ÆÉ«LED |
| Êý×ÖÏÔʾ |
4λºìÉ«LEDÏÔʾ |
| ΢СÁéÃô¶Èµ÷½Ú¹¦ÄÜ |
×°¡¡±¸ |
| ¶¨Ê±¹¦ÄÜ |
ÑÓ³Ù¶¨Ê±¹¦ÄÜ[½öÓÃÓÚÒºÌåÉ趨(F9ģʽ)](¶¨Ê±¹¦ÄÜÑ¡ÔñΪ£º10ms£¬100ms£¬1,000ms£¬ºÍÎÞ) |
»· ¾³ ÐÔ ÄÜ |
ÖÜΧÎÂ¶È |
0¡«£«50¡ãC(8¡«16̨´®ÁªÁ¬½Óʱ£º0¡«£«45¡ãC)(×¢Òâ²»¿É½á¶)£¬´æ´¢£º£20¡«£«70¡ãC |
| ÖÜΧʪ¶È |
35¡«85%RH£¬´æ´¢£º35¡«85%RH |
| ÖÜΧÕÕÃ÷¶È |
°×³ãµÆ£ºÊܹâÃæÕÕÃ÷¶È 3,000Rx |
| Ä͵çѹ |
AC1,000V 1·ÖÖÓ£¬ËùÓеçÔ´Á¬½Ó¶Ë×ÓÓëÍâ¿ÇÖ®¼ä(×¢2) |
| ¾øÔµµç×è |
ËùÓеçÔ´Á¬½Ó¶Ë×ÓÓëÍâ¿ÇÖ®¼ä£¬20M¦¸ÒÔÉÏ£¬»ùÓÚDC250VµÄ¸ß×è±í(×¢2) |
| ÄÍÕñ¶¯ |
ƵÂÊ£º10¡«150Hz£¬Ë«Õñ·ù£º0.75mm£¬X,YºÍZ¸÷·½Ïò2Сʱ |
| Äͳå»÷ |
¼ÓËÙ¶È£º98m/s2(Ô¼10G)X,YºÍZ¸÷·½Ïò5´Î |
| Ͷ¹â¶þ¼«Ìå |
ºìÉ«LED(µ÷ÖÆÊ½) |
| ²ÄÖÊ |
Íâ¿Ç£ºÄÍÈÈABS£¬ÍâÕÖ£º¾Û̼Ëáõ¥£¬¿ª¹Ø£º±ûÏ© |
| Á¬½Ó·½Ê½ |
Á¬½ÓÆ÷(×¢3) |
| µçÀÂÑÓ³¤ |
0.3mm2ÒÔÉϵĵçÀÂÈ«³¤¿ÉÑÓ³¤ÖÁ100m |
| ÖØÁ¿ |
Ô¼20g |
×¢£º
1) ÔÚÉøÂ©É趨(F7ģʽ)ÆÚ¼ä¼ì²âµ½ÉøÂ©(Êä³öOFF)ʱ£¬ÓÉÓÚ´«¸ÐÆ÷µÄͶ¹âÉÁ¹â£¬Òò´ËÖ»Óн«ÐźÅת»ØONµÄ·´Ó¦¹¦ÄÜÑÓʱ(Ô¼1Ãë)¡£
2) ÉϱíÖеÄÄ͵çѹºÍ¾øÔµµç×è½öÊÊÓÃÓÚ·Å´óÆ÷¡£
3) ²»¸½´ø·Å´óÆ÷Á¬½ÓµçÀ¡£ÇëʹÓÃÏÂÊöÁíÊÛµ¥´¥µçÀ¡£
ĸµçÀÂ(3о)£ºCN-73-C1(µçÀ³¤1m), CN-73-C2(µçÀ³¤2m), CN-73-C5(µçÀ³¤5m)
×ÓµçÀÂ(µ¥Ð¾)£ºCN-71-C1(µçÀ³¤1m), CN-71-C2(µçÀ³¤2m), CN-71-C5(µçÀ³¤5m)
I/Oµç·ͼºÍÏß·ͼ
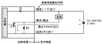
FX-301-F (NPNÊä³öÐÍ)
|
|
|
 ×¢£º 1) µ¥´¥µçÀµÄ×ÓµçÀ²»×°±¸+V£¨ºÖÉ«£©ºÍOV£¨À¶É«£©¡£ 2) ´®ÁªÁ¬½Ó5̨ÒÔÉϵķŴóÆ÷ʱ£¬×î´ó50mA 3) ÇëÎð´®Áª·Å´óÆ÷£¨AND£©
·ûºÅ ¡ D £º ·´ÏòµçÔ´¼«ÐÔ±£»¤¶þ¼«¹Ü ZD £º µçÓ¿ÎüÊÕÆëÄɶþ¼«¹Ü Tr £º NPNÊä³ö¾§Ìå¹Ü
|
 ×¢£ºµ¥´¥µçÀµÄ×ÓµçÀ²»×°±¸ºÖÉ«ºÍÀ¶É«ÒýÏß¡£
 |
FX-301P-F (PNPÊä³öÐÍ)
|
|
|
 ×¢£º 1) µ¥´¥µçÀµÄ×ÓµçÀ²»×°±¸+V£¨ºÖÉ«£©ºÍOV£¨À¶É«£©¡£ 2) ´®ÁªÁ¬½Ó5̨ÒÔÉϵķŴóÆ÷ʱ£¬×î´ó50mA 3) ÇëÎð´®Áª·Å´óÆ÷£¨AND£©
·ûºÅ ¡ D £º ·´ÏòµçÔ´¼«ÐÔ±£»¤¶þ¼«¹Ü ZD £º µçÓ¿ÎüÊÕÆëÄɶþ¼«¹Ü Tr £º PNPÊä³ö¾§Ìå¹Ü
|
 ×¢£ºµ¥´¥µçÀµÄ×ÓµçÀ²»×°±¸ºÖÉ«ºÍÀ¶É«ÒýÏß¡£
 |
ʹÓÃÖ¸ÄÏ
¸Ã²úƷΪÎïÌå¼ì²â´«¸ÐÆ÷£¬²»¾ßÓб£»¤ÉúÃü¡¢²Æ²úµÄ¹¦ÄÜ£¬Îª·Àֹʹʣ¬È·±£°²È«£¬Çë½÷É÷ʹÓá£
°²×°
|
|
|
¢Ù ½«·Å´óÆ÷ºó²¿°²×°ÔÚ35mm¿íµÄDINµ¼¹ìÉÏ¡£ ¢Ú °´Ï·ŴóÆ÷ǰ²¿£¬ ½«Æä°²×°ÔÚ35mm¿íµÄDINµ¼¹ìÉÏ¡£ |
 |
¢Ù ½«·Å´óÆ÷ºó²¿°²×°ÔÚ35mm¿íµÄDINµ¼¹ìÉÏ¡£ ¢Ú °´Ï·ŴóÆ÷ǰ²¿£¬ ½«Æä°²×°ÔÚ35mm¿íµÄDINµ¼¹ìÉÏ¡£ |
 |
| |
|
×¢£º Çë×¢ÒâÈç¹ûûÓÐÏòÇ°ÍÆ·Å´óÆ÷¾ÍÏòÉÏÌáÆðǰ¶ËµÄ»°£¬°²×°²¿·ÖµÄ¹Ò¹³¿ÉÄÜË𻵡£ |
|
|
| ¡¤ È·ÈϹâÏ˸½¼þ(FX-AT4)°²×°µ½¹âÏËÉÏ¡£°²×°·½·¨Çë²ÎÔĹâÏ˸½¼þʹÓÃ˵Ã÷¡£ |
¢Ù ·ÅϹâÏ˹̶¨¸Ë¡£ ¢Ú ÂýÂý½«¹âÀÂ²å½øÈë¿ÚÖ±µ½Í£Ö¹¡£(×¢) ¢Û ½«¹âÏ˹̶¨¸ËÍÆ»ØÖÁ³õʼλÖã¬Ö±µ½ËüÍ£Ö¹¡£ ×¢£ºÈç¹û¹âÀÂδ²åµ½µ×²¿£¬¼ì²â»á²»Îȶ¨¡£ |
 |
|
Á¬½Ó
¡¤ È·ÈÏÔÚµçÔ´¹Ø±ÕÇé¿öÏÂÁ¬½Ó»ò¶Ï¿ªµ¥´¥µçÀ¡£
|
|
|
¢Ù ÎÕסµ¥´¥µçÀµÄÁ¬½ÓÆ÷£¬Ê¹ÆäÍ»³ö²¿·ÖÓë·Å´óÆ÷µÄÁ¬½ÓÆ÷¶¥²¿µÄ°¼²Û³Öƽ¡£ ¢Ú ½«Á¬½ÓÆ÷²åÈ룬ֱµ½Ìýµ½¿¨àªÒ»Éù¡£ |
 |
¢Ù °´Ïµ¥´¥µçÀÂÁ¬½ÓÆ÷¶¥²¿µÄÍ»³ö²¿·Ö£¬À³öÁ¬½ÓÆ÷¡£
×¢£º Çë×¢ÒâÈç¹û²»°´ÏÂÍ»³ö²¿·Ö¾ÍÀ³öÁ¬½ÓÆ÷£¬Í»³ö²¿·Ö¿ÉÄܱ»Ë𻵡£ÇëÎðʹÓÃÍ»³ö²¿·ÖÒÑË𻵵ĵ¥´¥µçÀ¡£´ËÍ⣬²»ÒªÎÕ×ŵçÀÂÀ¶¯£¬Õâ¿ÉÄܻᵼÖµçÀÂÕÛ¶Ï¡£ |
 |
´®Áª·Å´óÆ÷
¡¤ÇëÈ·±£ÔÚµçÔ´¹Ø±ÕµÄ״̬Ï´®Áª»ò²ðж·Å´óÆ÷¡£
¡¤ È·±£¼ì²éÔÊÐíµÄÖÜΧζȣ¬ËüÊÇÒÀ¾Ý´®ÁªÁ¬½Ó·Å´óÆ÷µÄÊýÁ¿¶ø¶¨µÄ¡£
¡¤ Èç¹û´®ÁªÁ¬½Ó2̨ÒÔÉϵķŴóÆ÷£¬È·±£½«ËüÃǰ²×°ÔÚDINµ¼¹ìÉÏ¡£
¡¤ ´®ÁªÁ¬½Óʱ£¬½«·Å´óÆ÷Ìù½ü°²×°ÔÚÒ»Æð£¬²¢½«ËûÃǰ²×°ÔÚÁ½¶ËÁíÊÛβÅÌ(MS-DIN-E)Ö®¼ä¡£
¡¤ µ±·Å´óÆ÷ÒÀ¾Ý°²×°·½Ê½ÔÚDINµ¼¹ìÉÏÒÆ¶¯Ê±£¬½«ËûÃǰ²×°ÔÚÁ½¶ËÁíÊÛβÅÌ(MS-DIN-E)Ö®¼ä¡£
¡¤ ×î¶à¿ÉÔö¼Ó15̨·Å´óÆ÷(×ܼƴ®Áª16̨·Å´óÆ÷)¡£
¡¤ µ±´®Áª2̨ÒÔÉÏ·Å´óÆ÷ʱ£¬´ÓµÚ2̨·Å´óÆ÷ÆðʹÓÃ×ÓµçÀÂ(CN-71-C¡õ)×÷Ϊµ¥´¥µçÀ¡£
¡¤ Èç¹û¼¯Ìå½Ìµ¼ÊÇ·Å´óÆ÷ÔÚÉøÂ©É趨(F7ģʽ)ºÍÒºÌåÉ趨(F9ģʽ)Ï´®Áª°²×°Ê±½øÐеģ¬ÄÇôģʽÉ趨¾Í»áÒò´Ë¶ø¸Ä±ä£¬Çë×¢Ò⼯Ìå½Ìµ¼²»Ó¦ÔÚ²»Í¬Ä£Ê½É趨µÄ·Å´óÆ÷´®ÁªµÄÇé¿öϽøÐС£
¡¤ ÓÉÓÚ±¾·Å´óÆ÷µÄ½»Á÷¹¦ÄÜÓë¹âÏË´«¸ÐÆ÷FX-301/311/305ϵÁв»Í¬£¬Èç¹ûÕâЩÐͺŵĴ«¸ÐÆ÷´®Áª°²×°£¬ÇëÎðʹÓý»Á÷¹¦ÄÜ¡£
¡¤ Èç¹û´®Áª£¬ÇëÔÚµçÔ´´ò¿ªºó10·ÖÖÓÒÔÉÏÔÙʹÓý̵¼¹¦ÄÜ¡£
|
|
|
¢Ù ½«·Å´óÆ÷Öð¸ö°²×°ÔÚ35mm¿íµÄDINµ¼¹ìÉÏ¡£ (ÏêÇéÇë²ÎÔÄ¡°°²×°¡±) ¢Ú »¬¶¯×Óµ¥Ôªµ½Ö÷µ¥Ôª¸½½ü£¬Á¬½Óµ¥´¥µçÀ¡£ ¢Û ÔÚÁ½¶Ë°²×°ÁíÊÛβÅÌ(MS-DIN-E)ÒÔÖ§³ÖËüÃÇÆ½ÃæÖ®¼äµÄ·Å´óÆ÷¡£ ¢Ü ½ô¹ÌÂÝË¿¹Ì¶¨Î²ÅÌ(MS-DIN-E)¡£ |

 |
¢Ù ËÉ¿ªÎ²ÅÌ(MS-DIN-E)µÄÂÝË¿¡£ ¢Ú È¡ÏÂβÅÌ(MS-DIN-E)¡£ ¢Û »¬¶¯×Óµ¥Ôª²¢Öð¸öȡϡ£ (ÏêÇéÇë²ÎÔÄ¡°°²×°¡±) |

 |
²¿¼þ˵Ã÷
 |
¢Ù ¹¤×÷״ָ̬ʾµÆ(³ÈÉ«) ... Êä³öONʱÁÁÆð ¢Ú ģʽָʾµÆ(ÂÌÉ«) ... ÒºÌåÉ趨(F9ģʽ)ʱÁÁÆð ¢Û MODEָʾµÆ ... |
|
RUN(ÂÌÉ«) £ºÍ¨³£¼ì²â¹¤×÷ʱÁÁÆð¡£ TEACH(»ÆÉ«)£ºÑ¡Ôñ¸ö±ð½Ìµ¼Ä£Ê½Ê±ÁÁÆð¡£ ALL(»ÆÉ«) £ºÑ¡Ôñ¼¯Ìå½Ìµ¼Ä£Ê½Ê±ÁÁÆð¡£ ADJ(»ÆÉ«) £º µ±Ñ¡Ôñ»ù׼ֵ΢µ÷ģʽ»òÁéÃô¶Èת»»¹¦Äܱ»¼¤»îʱÁÁÆð¡£ DISP(»ÆÉ«) £º µ±Ñ¡ÔñÊý×ÖÏÔʾÉ趨ģʽ»ò¶¨Ê±Æ÷¹¦Äܱ»¼¤»îʱÁÁÆð¡£ OUT(»ÆÉ«) £º Ñ¡ÔñÇ¿ÖÆÊä³öģʽ»òNO/NCת»»¹¦Äܱ»¼¤»îʱÁÁÆð¡£ |
¢Ü Í»³ö¿ª¹Ø ... ÔÚ¡°£«¡±»ò¡°£¡±·½ÏòÉÏÒÆ¶¯¿ª¹Ø£¬ÒÔÄܹ۲ìҪѡÔñµÄ¸÷ÖÖ²»Í¬ÏîÄ¿£¬²¢ÔÚÈ·ÈÏÁËÑ¡ÔñÉ趨ºó°´Ï¿ª¹Ø¡£ ¢Ý MODE°´Å¥ ... ´Ë°´Å¥ÓÃÓÚÑ¡Ôñ¹¤×÷ģʽ£¬ÒÔ¼°ÔÚÅäÖùý³ÌÖÐÈ¡ÏûÉ趨¡£ |
É趨ÏîÄ¿
RUNģʽ
¡¤ µ±MODEָʾµÆ¡¤RUN(ÂÌÉ«)ÁÁÆðʱ£¬¿É¼ì²éÏÔʾÉ趨»òÁéÃô¶ÈÑ¡ÔñÉ趨¡£ÁéÃô¶ÈÑ¡ÔñÉ趨ÏêÇéÇë²ÎÔÄ¡°ÁéÃô¶ÈÑ¡Ôñ¹¦ÄÜ¡±¡£
¡¤ °´ÏÂÍ»³ö¿ª¹Ø2ÃëÒÔÉÏʱ£¬ÏÔʾ×÷Èçϸı䡣
¡¤ Èç¹ûÍ»³ö¿ª¹ØÒÆÖÁ¡°£«¡±»ò¡°£¡±¶Ë£¬¿ÉÈ·Èϵ±Ç°ÁéÃô¶È¡£2Ãëºó£¬ÏÔʾ»Ö¸´Îª¡°Êý×ÖÏÔʾ¡±»ò¡°°Ù·Ö±ÈÏÔʾ¡±¡£
¸ö±ð½Ìµ¼Ä£Ê½
¡¤ ³ö³§Ê±µÄÁéÃô¶ÈÑ¡Ôñ¹¦ÄÜÉ趨Ϊ×Ô¶¯ÁéÃô¶ÈÉ趨(
)¡£Èç¹û½øÐÐÁËÁéÃô¶ÈÑ¡ÔñÉ趨£¬Ó¦ÔÚÆäºóÈ·ÈÏ¡°½Ìµ¼¡±Ö´ÐС£
ÁéÃô¶ÈÑ¡ÔñÉ趨ÏêÇéÇë²ÎÔÄ¡°ÁéÃô¶ÈÑ¡Ôñ¹¦ÄÜ¡±¡£ ¡¤ µ±MODEָʾµÆ¡¤TEACH(»ÆÉ«)ÁÁÆðʱ£¬¿ÉÔÚµ¥¸ö²¿¼þÉÏÉ趨»ù×¼Öµ¡£
| ²½Öè |
˵Ã÷ |
ÏÔʾ |
| ¢Ù |
²åÈëÉøÂ©¹âÏË(FD-F705)»òÒºÌå¼ì²â¹âÏË(FT-F902)¡£ °´MODE°´Å¥µãÁÁMODEָʾµÆ¡¤TEACH(»ÆÉ«)¡£ |
 | |
 |
| ¢Ú |
ת»»Í»³ö¿ª¹ØÖÁ¡°£«¡±»ò¡°£¡±¶Ë£¬ÒÔÉè¶¨ÉøÂ©(F7)ģʽ( )»òÒºÌå(F9)ģʽ ( )¡£ Èç¹ûÉ趨ΪҺÌå( F 9 )ģʽ ( )ģʽָʾµÆ(ÂÌÉ«)ÁÁÆð¡£ |
 | |

 |
| ¢Û |
ÔÚ°²×°ÓÐÉøÂ©¹âÏË(FD-F705)ʱµÄÎÞÉøÂ©×´Ì¬»òÓÐÒºÌå¼ì²â¹âÏË(FT-F902)ʱµÄÎÞÒºÌå״̬ϰ´ÏÂÍ»³ö¿ª¹Ø¡£È»ºóÏÔʾÆÁÉϵġ° ¡±´Ó×ó±ßÒÆÖÁÓұߡ£ |
 | |
 |
| ¢Ü |
½ÓÊ̵ܽ¼Ê±£¬»ù×¼ÖµÉ趨½á¹ûÏÔʾ³öÀ´¡£ ¡¤ Èç¹ûÉ趨Îȶ¨Ê±£¬ÏÔʾÆÁÉϵġ° ¡±ÉÁ˸Èý´Î¡£ ¡¤ Èç¹ûÉ趨²»Îȶ¨Ê±£¬ÏÔʾÆÁÉϵġ° ¡±ÉÁ˸¡£(×¢1) |

 |
| ¢Ý |
Èç¹û½Ìµ¼½á¹ûΪ¡° ¡±£¬´«¸ÐÆ÷×Ô¶¯·µ»ØÎªRUNģʽ£¬²¢ÇÒÈë¹âÁ¿ÏÔʾÔÚÏÔʾÆÁÉÏ¡£MODEָʾµÆ¡¤RUN(ÂÌÉ«)ÁÁÆð¡£É趨Íê³É¡£ |
 |
×¢£º
1) ÏêÇéÇë²ÎÔÄ¡°´íÎóÏÔʾ¡±¡£
2) ³ö³§Ê±µÄ³õʼÉ趨ΪҺÌå(F9)ģʽ( )¡£
3) ÇëÎðÔÚÁéÃô¶ÈÉ趨ºóÒÆ¶¯»òÍäÇú¹âÀ¡£¼ì²â¿ÉÄÜ»á±äµÃ²»Îȶ¨¡£
¼¯Ìå½Ìµ¼Ä£Ê½
¡¤ MODEָʾµÆ¡¤ALL(»ÆÉ«)ÁÁÆðʱ£¬¿É¼¯ÌåÉ趨´®Áª°²×°µÄ·Å´óÆ÷µÄ»ù×¼Öµ¡£
| ²½Öè |
˵Ã÷ |
ÏÔʾ |
| ¢Ù |
²åÈëÉøÂ©¹âÏË(FD-F705)»òÒºÌå¼ì²â¹âÏË(FT-F902)¡£ °´MODE°´Å¥µãÁÁMODEָʾµÆ¡¤ALL(»ÆÉ«)¡£ |
 | |
 |
| ¢Ú |
ת»»Í»³ö¿ª¹ØÖÁ¡°£«¡±»ò¡°£¡±¶Ë£¬ÒÔÉè¶¨ÉøÂ©(F7)ģʽ( )»òÒºÌå(F9)ģʽ ( )¡£ Èç¹ûÉ趨ΪҺÌå( F 9 )ģʽ ( )ģʽָʾµÆ(ÂÌÉ«)ÁÁÆð¡£ |
 | |

 |
| ¢Û |
ÔÚ°²×°ÓÐÉøÂ©¹âÏË(FD-F705) ʱµÄÎÞÉøÂ©×´Ì¬»òÓÐÒºÌå¼ì ²â¹âÏË(FT-F902)ʱµÄÎÞÒºÌå ״̬ϰ´ÏÂÍ»³ö¿ª¹Ø¡£ È»ºóÏÔʾÆÁÉϵġ° ¡±´Ó×óÉϽÇÒÆÖÁÓÒÉϽǣ¬ÔÙ´ÓÓÒ Ï½ÇÒÆÖÁ×óϽÇ(2´Î)¡£ |
 | |
 |
| ¢Ü |
½ÓÊ̵ܽ¼Ê±£¬»ù×¼ÖµÉ趨½á¹ûÏÔʾ³öÀ´¡£ ¡¤ Èç¹ûÉ趨Îȶ¨Ê±£¬ÏÔʾÆÁÉϵġ° ¡±ÉÁ˸3´Î¡£ ¡¤ Èç¹ûÉ趨²»Îȶ¨Ê±£¬ÏÔʾÆÁÉϵġ° ¡±ÉÁ˸¡£(×¢1) |

 |
| ¢Ý |
Èç¹û½Ìµ¼½á¹ûΪ¡° ¡±£¬´«¸ÐÆ÷×Ô¶¯·µ»ØÎªRUNģʽ£¬²¢ÇÒÈë¹âÁ¿ÏÔʾÔÚÏÔʾÆÁÉÏ¡£MODEָʾµÆ¡¤RUN(ÂÌÉ«)ÁÁÆð¡£É趨Íê³É¡£ |
 |
×¢£º
1) ÏêÇéÇë²ÎÔÄ¡°´íÎóÏÔʾ¡±¡£
2) ÔÚ¼¯Ìå½Ìµ¼ÖУ¬½ö´«ËÍÒ»¸ö½Ìµ¼¹¤×÷Ö¸ÁÆä»ù׼ֵûÓб»¸´ÖÆ¡£¸÷¸ö·Å´óÆ÷ÉϵĽ̵¼»ù×¼ÖµÉ趨¡£
3) µ±¼¯Ìå½Ìµ¼½øÐÐʱ£¬É趨״̬±»¸´ÖÆ¡£Èç¹ûÒªÉ趨¸ö±ðÉ趨״̬£¬ÇëÔÚ¼¯Ìå½Ìµ¼ºóµ¥¶ÀÉ趨¡£
4) ÇëÎðÔÚÁéÃô¶ÈÉ趨ºóÒÆ¶¯»òÍäÇú¹âÀ¡£¼ì²â¿ÉÄÜ»á±äµÃ²»Îȶ¨¡£
| ¡ð£º¸´ÖÆ ¡Á£ºÎ´¸´ÖÆ |
|
| ģʽ |
Êý×ÖÏÔʾ °Ù·Ö±ÈÏÔʾ |
ģʽÉ趨 |
Êý×Ö ÏÔʾÉ趨 |
ÁéÃô¶È Ñ¡Ôñ¹¦ÄÜ |
¶¨½ø¹¦ÄÜ |
NO/NC Ñ¡Ôñ¹¦ÄÜ |
ÉøÂ©(F7) ģʽ
|
¡ð |
¡ð |
¡ð |
¡ð |
¡Á |
¡Á |
ÒºÌå(F9) ģʽ |
¡ð |
¡ð |
¡ð |
¡ð |
¡ð |
¡ð | |
5) ¼¯Ìå½Ìµ¼½öÔÚ·Å´óÆ÷²Ù×÷Ãæ°åËùʾµÄ¼ýÍ··½ÏòÉÏ´«ÊäÐÅÏ¢¡£¼¯Ìå½Ìµ¼Ò²¿É´Ó´®Áª°²×°µÄ·Å´óÆ÷µÄÖм俪ʼ¡£ÇëÔÚ¼¯Ìå½Ìµ¼½øÐÐǰ¼ì²é´«Êä·½Ïò¡£

6) ÓÉÓÚģʽÉ趨ҲҪ´«Ê䣬Òò´ËÇëÎðÔÚÉøÂ©(F7)ģʽ(

)ºÍÒºÌå(F9)ģʽ(

)·Å´óÆ÷»ìºÏ´®ÁªÁ¬½ÓʱִÐм¯Ìå½Ìµ¼¡£
7) ÇëÎðÔÚÁéÃô¶ÈÉ趨ºóÒÆ¶¯»òÍäÇú¹âÀ¡£·ñÔò¼ì²â¿ÉÄÜ»á±äµÃ²»Îȶ¨¡£
»ù׼ֵ΢µ÷ģʽ
¡¤ MODEָʾµÆ¡¤AD J(»ÆÉ«)ÁÁÆðʱ£¬É趨µÄ»ù×¼Öµ¿É½øÐÐ΢µ÷¡£
| ²½Öè |
˵Ã÷ |
ÏÔʾ |
| ¢Ù |
| °´MODE°´Å¥µãÁÁMODEָʾµÆ¡¤ADJ(»ÆÉ«)¡£ |
 | |
 |
| ¢Ú |
| ת»»Í»³ö¿ª¹ØÖÁ¡°£«¡±¶ËÒÔÔö¼Ó»ù×¼Öµ¡£×ª»»Í»³ö¿ª¹ØÖÁ¡°£¡±¶ËÒÔ½µµÍ»ù×¼Öµ¡£ |
 | |
 |
| ¢Û |
| µ±°´ÏÂÍ»³ö¿ª¹ØÊ±£¬¸Ä±äµÄ»ù×¼ÖµÉÁ˸3´Î²¢È·ÈÏ¡£ |
 | |
 |
| ¢Ü |
µ±MODE°´Å¥°´ÏÂ3´Î»ò2ÃëÒÔÉÏʱ£¬´«¸ÐÆ÷·µ»ØÖÁRUNģʽ£¬²¢ÔÚÏÔʾÆÁÉÏÏÔʾÈë¹âÁ¿¡£MODEָʾµÆ¡¤RUN(ÂÌÉ«)ÁÁÆð¡£É趨Íê³É¡£ |
 |
×¢£º ¿Éµ÷ÇøÓòÈçÏÂËùʾ¡£ÈçÒªÔڿɵ÷ÇøÓòÍâµ÷½Ú»ù×¼Öµ£¬ÇëÏÈÔÚÇøÓòÄÚÈ·ÈÏ£¬È»ºóÔٴε÷½Ú¡£
Êý×ÖÏÔʾÉ趨ģʽ
¡¤ MODEָʾµÆ¡¤DISP(»ÆÉ«)ÁÁÆðʱ£¬Êý×ÖÏÔʾ¿Éת»»ÖÁÁÁÆðģʽ¡¢ecoģʽ»òµ¹Êýģʽ¡£
| ²½Öè |
˵Ã÷ |
ÏÔʾ |
| ¢Ù |
| °´M O D E °´Å¥µãÁÁMODEָʾµÆ¡¤DISP(»ÆÉ«)¡£ |
 | |
 |
| ¢Ú |
µ±Í»³ö¿ª¹ØÒÆÖÁ¡°+¡±»ò¡°-¡±¶Ëʱ£¬Êý×ÖÏÔʾģʽ¸Ä±ä¡£
 |
£ºÕâÊÇÊý×ÖÏÔʾÖеÄÁÁÆðģʽ¡£Êý×ÖÏÔʾʼÖÕÁÁÆð¡£
|
 |
£º ÕâÊÇecoģʽ¡£È·ÈϺó£¬Èç¹û°´°´Å¥²Ù×÷ûÓнøÐÐ8 ÃëÒÔÉÏ£¬¡° ¡±ÉÁ˸£¬½Ó×ÅÊý ×ÖÏÔʾ¹Ø±Õ¡£µ±ÔÚÏÔʾ¹Ø±ÕºóÔÚÖ´Ðм¯Ìå½Ìµ¼Ê±»ò½øÐа´°´Å¥²Ù×÷ʱ£¬Êý×ÖÏÔʾÁÁÆð¡£ |
 |
£º ÕâÊÇÊý×ÖÏÔʾµÄµ¹Êýģʽ¡£ÔÚͨ³£ÏÔʾ״̬Ï£¬ÏÔʾ±äΪµ¹ÊýÏÔʾ£¬ÔÚµ¹Êý״̬Ï£¬ÏÔʾ±äΪͨ³£ÏÔʾ¡£ | |

 | |


 |
| ¢Û |
| µ±°´ÏÂÍ»³ö¿ª¹ØÊ±£¬¸Ä±äµÄ»ù×¼ÖµÉÁ˸3´Î²¢È·ÈÏ¡£ |
 | |
 |
| ¢Ü |
µ±MODE°´Å¥°´ÏÂ2´Î»ò1ÃëÒÔÉÏʱ£¬´«¸ÐÆ÷·µ»ØÖÁRUNģʽ£¬²¢ÔÚÏÔʾÆÁÉÏÏÔʾÈë¹âÁ¿¡£ MODEָʾµÆ¡¤RUN(ÂÌÉ«)ÁÁÆð¡£É趨Íê³É¡£ |
 |
×¢£º³ö³§Ê±µÄ³õʼÉ趨ΪÁÁÆðģʽ(

)¡£
Ç¿ÖÆÊä³öģʽ
¡¤ MODEָʾµÆ¡¤OUT(»ÆÉ«)ÁÁÆðʱ£¬²»¹ÜÈë¹âÁ¿£¬Êä³ö¶¼¿ÉÇ¿ÖÆ¸Ä±äÖÁON»òOFF¡£
| ²½Öè |
˵Ã÷ |
ÏÔʾ |
| ¢Ù |
| °´MODE°´Å¥µãÁÁMODEָʾµÆ¡¤OUT(»ÆÉ«)¡£ (ÏÔʾµ±Ç°Êä³ö״̬) |
 | |
 |
| ¢Ú |
µ±Í»³ö¿ª¹ØÒÆÖÁ¡° £« ¡± »ò¡°£¡±¶Ëʱ£¬Êä³öÇ¿ÖÆ¸Ä±äÖÁON»òOFF¡£ µ±·Å´óÆ÷µÄͶ¹â¶þ¼«ÌåÉÁ˸ºó£¬¾Í¿É¼ì²éÁ¬½ÓÓÚ·Å´óÆ÷ÉϵĹâÏË¡£ µ±Êä³öÇ¿ÖÆ¸Ä±äÖÁONʱ£¬¹¤×÷״ָ̬ʾµÆ(³ÈÉ«)ÁÁÆð¡£ |

 | |
 |
| ¢Û |
| °´MODE°´Å¥½«´«¸ÐÆ÷·µ»ØÖÁ²½Öè¢Ù¡£ |
 | |
 |
| ¢Ü |
°´MODE°´Å¥Ê±£¬ ´«¸ÐÆ÷·µ»ØÖÁRUNģʽ£¬²¢ÔÚÏÔʾÆÁÉÏÏÔʾÈë¹âÁ¿¡£MODEָʾµÆ¡¤RUN(ÂÌÉ«)ÁÁÆð¡£É趨Íê³É¡£ |
 |
ÁéÃô¶ÈÑ¡Ôñ¹¦ÄÜ
¡¤ Èç¹ûÍ»³ö¿ª¹Ø°´ÏÂ3ÃëÒÔÉÏ£¬µ±MODEָʾµÆ¡¤ADJ(»ÆÉ«)ÁÁÆðʱ£¬ÁéÃô¶È¿É¹Ì¶¨ÔÚµÍÁéÃô¶È»ò¸ßÁéÃô¶È£¬»òÉ趨Ϊ×Ô¶¯ÁéÃô¶È¡£
| ²½Öè |
˵Ã÷ |
ÏÔʾ |
| ¢Ù |
| °´MODE°´Å¥µãÁÁMODEָʾµÆ¡¤ADJ(»ÆÉ«)¡£ |
 | |
 |
| ¢Ú |
°´ÏÂÍ»³ö¿ª¹Ø3ÃëÒÔÉÏ¡£(´«¸ÐÆ÷½øÈëÁéÃô¶ÈÉ趨״̬) MODEָʾµÆ ¡¤RUN(ÂÌÉ«)ÉÁ˸¡£ |
 | |
 |
| ¢Û |
µ±Í»³ö¿ª¹ØÒÆÖÁ¡° £« ¡± »ò¡°£¡±¶Ëʱ£¬ÏÔʾÆÁºÍMODEָʾµÆ¡¤RUN(ÂÌÉ«)ÉÁ˸£¬´Ëʱ¿ÉÒÔÑ¡ÔñÁéÃô¶È¡£
 |
£º¶¯ÁéÃô¶ÈÉ趨ѡÔñ×Ô¶¯ÁéÃô¶Èºó£¬Í¨¹ýÖ´Ðн̵¼£¬ÁéÃô¶ÈÉ趨Ϊ×î¼Ñ¡£
|
 |
£º µÍÁéÃô¶ÈÉ趨 |
 |
£º ¸ßÁéÃô¶ÈÉ趨 | |
 | |


 |
| ¢Ü |
| µ±°´ÏÂÍ»³ö¿ª¹ØÊ±£¬É趨ÏÔʾÉÁ˸3´Î²¢È·ÈÏ¡£ |
 | |
 |
| ¢Ý |
MODEָʾµÆ¡¤TEACH(ÂÌÉ«)ÁÁÆð²¢ÏÔʾΪ¡° ¡±»ò¡° ¡±¡£Ñ¡ÔñÁéÃô¶Èºó£¬Ö´Ðн̵¼¡£½Ìµ¼µÄÉ趨·½·¨²ÎÔÄ¡°¸ö±ð½Ìµ¼Ä£Ê½¡±¡£ |

 |
×¢£º³ö³§Ê±µÄ³õʼÉ趨Ϊ×Ô¶¯ÁéÃô¶ÈÉ趨(

)¡£
¶¨Ê±¹¦ÄÜ[½öÒºÌå(F9)ģʽ]
¡¤ µ±É趨ΪҺÌå( F 9 ) ģʽ(

) ÇÒMODEָʾµÆ¡¤ DISP(»ÆÉ«)ÁÁÆðʱ£¬°´ÏÂÍ»³ö¿ª¹Ø3ÃëÒÔÉϼ´¿ÉÉ趨¶¨Ê±¹¦ÄÜ¡£Èç¹ûÊÇÉøÂ©(F7)ģʽ(

)ʱ£¬ÏÔʾ²¢²»×ª»»ÖÁ¶¨Ê±¹¦ÄÜ¡£ÉøÂ©(F7)ģʽ¡¤ÒºÌå(F9)ģʽµÄÑ¡Ôñ·½·¨Çë²ÎÔÄ¡°¸ö±ð½Ìµ¼Ä£Ê½¡±»ò¡°¼¯Ìå½Ìµ¼Ä£Ê½¡±¡£
¡¤ ¸Ã²úÆ·×°±¸Á˿ɽµµÍÈçÆøÅݵȵÄÓ°ÏìµÄÑÓ³Ù¶¨Ê±¹¦ÄÜ¡£
ʱ¼ä±í
×¢£º³ö³§Ê±µÄ³õʼÉ趨ΪÎÞ¶¨Ê±Æ÷(

)״̬¡£
NO/NCÑ¡Ôñ¹¦ÄÜ[½öÒºÌå(F9)ģʽ]
¡¤ µ±É趨ΪҺÌå(F9)ģʽ(

)ÇÒMODEָʾµÆ¡¤OUT(»ÆÉ«)ÁÁÆðʱ£¬°´ÏÂÍ»³ö¿ª¹Ø3ÃëÒÔÉϼ´¿É½øÐÐNO/NCÑ¡Ôñ¡£Èç¹ûÊÇÉøÂ©(F7)ģʽ(

)£¬ÏÔʾ²»×ª»»ÖÁNO/NCÑ¡Ôñ¹¦ÄÜ¡£ÉøÂ©(F7)ģʽ¡¤ÒºÌå(F9)ģʽµÄÑ¡Ôñ·½·¨Çë²ÎÔÄ¡°¸ö±ð½Ìµ¼Ä£Ê½¡±»ò¡°¼¯Ìå½Ìµ¼Ä£Ê½¡±¡£
×¢£º³ö³§Ê±µÄ³õʼÉ趨Ϊ³£±Õ(

)¡£
´íÎóÏÔʾ
¡¤µ±ÏÔʾÓдíÎóʱ£¬²ÉÈ¡ÒÔϲ¹¾È´ëÊ©¡£
| ´íÎóÏÔʾ |
ÔÒò |
²¹¾È´ëÊ© |
 |
ÓÉÓÚ¶Ì·²úÉúµÄ¹ýÁ¿µçÁ÷¡£ |
¹Ø±ÕµçÔ´²¢¼ì²é¸ººÉ¡£ |
 |
½Ìµ¼Òì³£¡£ |
¼ì²é¹âÏ˵ݲװ״̬£¬»ò¹âÏËÊÇ·ñÒѽ⿪£¬È»ºóÔٴνøÐн̵¼¡£°´MODE°´Å¥È¡Ïû¡° ¡±¡£È¡ÏûÖ®ºó£¬ÔÚ³öÏÖ´íÎóǰ£¬´«¸ÐÆ÷ÔÚÉ趨ֵ״̬Ϲ¤×÷¡£¿ÉÊÇ£¬Èç¹ûÁéÃô¶ÈÑ¡Ôñ¹¦ÄÜÉ趨Ϊ×Ô¶¯ÁéÃô¶ÈÉ趨( )£¬´«¸ÐÆ÷ÁéÃô¶ÈΪ×î¼Ñ¡£ |
 |
½»Á÷Òì³£¡£ |
¼ì²é´®Áª°²×°µÄ·Å´óÆ÷ÊÇ·ñ¶Ï¿ª¡£È·ÈÏÒÔºóÔٴνøÐн̵¼¡£ |
½ÓÏß
¡¤ ÇëÈ·ÈÏÔÚµçÔ´¹Ø±Õ״̬ϽøÐнÓÏß¡£
¡¤ÇëÈ·ÈϵçÔ´µçѹÔڶ·¶Î§Äڱ仯¡£
¡¤ Çë×¢ÒâÈç¹ûʹÓõĵçѹ³¬³ö¶î¶¨·¶Î§£¬»òÖ±½ÓÁ¬½ÓACµçÔ´£¬´«¸ÐÆ÷¿ÉÄÜÉÕ»µ»òË𻵡£
¡¤ Èç¹ûÔڸô«¸ÐÆ÷¸½½üʹÓòúÉúÔëÒôµÄÉ豸(¿ª¹Øµ÷½ÚÆ÷¡¢×ª»»·¢¶¯»úµÈ)£¬Ç뽫É豸»ú¼Ü½ÓµØ¶Ë×Ó(F.G.)½ÓµØ¡£
¡¤ Èç¹ûµçÔ´ÊÇÓÉÉÌÓÿª¹Øµ÷½ÚÆ÷Ìṩ£¬ÇëÈ·±£µçÔ´»ú¼Ü½ÓµØ¶Ë×Ó(F.G.)½ÓµØ¡£
¡¤ ÇëÈ·ÈÏDCµçԴʹÓÃÒ»¸ôÀë±äѹÆ÷¡£Èç¹ûʹÓÃ×Ôñî±äѹÆ÷(µ¥ÏßȦ±äѹÆ÷)£¬¿ÉÄÜË𻵱¾²úÆ·»òµçÔ´¡£
¡¤ Èç¹ûʹÓõçÔ´ÖвúÉúµçÓ¿£¬ÇëÓëµçÔ´Á¬½ÓÒ»¸öµçÓ¿ÎüÊÕÆ÷ÒÔÎüÊÕµçÓ¿¡£
¡¤ Çë×¢Òâ¶Ì·»ò¸ººÉµÄ´íÎó½ÓÏß¿ÉÄÜÉÕ»µ»òË𻵴«¸ÐÆ÷¡£
¡¤ ÇëÎ𽫵çÏßÓë¸ßѹÏß»òµçÔ´ÏßÒ»Æð»òÔÚͬһ¹ÜÏßÄÚÔËÐÐÏß·£¬Õâ¿ÉÄÜ»áÓÉÓÚ¸ÐÓ¦¶øÒýÆð¹ÊÕÏ¡£
¡¤ ÇëÈ·±£Ê¹ÓÃÁíÊ۵ĵ¥´¥µçÀÂÁ¬½Ó·Å´óÆ÷¡£0.3mm
2ÒÔÉϵçÀ¿ÉÑÓ³¤ÖÁ100m¡£µ«Îª¼õÉÙÔëÒô£¬Ê¹½ÓÏß¾¡¿ÉÄ̡ܶ£
ÆäËû
¡¤µçÔ´½ÓͨºóµÄ¶Ìʱ¼ä(Ô¼0.5Ãë)ÄÚ£¬ÇëÎðʹÓá£
¡¤ ÇëÎ𽫴«¸ÐÆ÷Ö±½Ó±©Â¶ÓÚ¿ìËÙÆô¶¯µÆ»ò¸ßƵÕÕÃ÷É豸µÄÓ«¹âÏ£¬Õâ»áÓ°Ïì¼ì²âÐÔÄÜ¡£
¡¤ ±ÜÃâ»Ò³¾£¬ÎÛ¹¸ºÍË®ÕôÆø¡£
¡¤ µ±¹âÏËÍ·ÉÏÓлҳ¾»òÎÛ¹¸µÈʱÆäÁéÃô¶È»á½µµÍ¡£Îª±£³ÖÎȶ¨¼ì²â£¬³ýÈ¥¹âÏËÍ·ÉϵĻҳ¾»òÎÛ¹¸µÈ£¬²¢¶¨ÆÚ½øÐÐÁéÃô¶È½Ìµ¼¡£
¡¤ ´Ë´«¸ÐÆ÷½öÊÊÓÚÔÚÊÒÄÚʹÓá£
¡¤ ÇëÎ𽫴«¸ÐÆ÷ÓëË®¡¢ÓÍ¡¢ÓÍÖ¬»òÓлúÈÜÒº£¬ÈçÏ¡ÊͼÁµÈÖ±½Ó½Ó´¥¡£
¡¤ ´Ë´«¸ÐÆ÷²»¿ÉÔÚÓÐÒ×ȼÒ×±¬ÆøÌåµÄ»·¾³ÏÂʹÓá£
¡¤ ²»¿É²ðж»ò¸Ä×°´«¸ÐÆ÷¡£
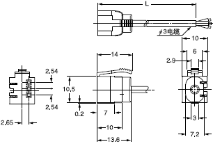
³ß´ç(µ¥Î»£ºmm)
FX-301-F FX-301P-F ·Å´óÆ÷
CN-73-C1 CN-73-C2 CN-73-C5 ĸµçÀ£¨ÁíÊÛ£©
 |
| ÐͺŠ|
³¤¶È(mm) |
| CN-73-C1 |
1,000 |
| CN-73-C2 |
2,000 |
| CN-73-C5 |
3,000 | |
CN-71-C1 CN-71-C2 CN-71-C5 ×ÓµçÀ£¨ÁíÊÛ£©
 |
| ÐͺŠ|
³¤¶È(mm) |
| CN-71-C1 |
1,000 |
| CN-71-C2 |
2,000 |
| CN-71-C5 |
3,000 | |
MS-DIN-2 ·Å´óÆ÷°²×°Ö§¼Ü£¨ÁíÊÛ£© |
MS-DIN-E βÅÌ£¨ÁíÊÛ£© |
 |
 |