Êý×Ö¼¤¹â´«¸ÐÆ÷
LSϵÁÐ
ÌØµã£º¸ß¾«¶È¼¤¹â¼ì²â£¬¸üÌù½ü¼ì²âÎïÌ壬ʹÓøü·½±ã£¡
¶ÔÓ¦¸÷ÖÖ²»Í¬µÄÓÃ;£¬±¸ÓÐ6ÖÖÀàÐ͵魯â¼ì²âÍ·¡£
ÓÃ;ʵÀý
¼ì²âÐÎ×´¸´ÔӵŤ¼þ¿ÉÔÚÏßÐÔ×´µÄ¼ì²âÇøÓòÖУ¬¸ü¼ÓÎȶ¨µØ¼ì²âÐÎ×´¸´ÔӵŤ¼þ¡£ |
¼ì²â¾í²ÄµÄÓàÁ¿ÓÉÓÚÊǹâµãÖ±¾¶Ô¼¦Õ1mm(¼ì²â¾àÀë1m)µÄ¹²Öá»Ø¹é·´ÉäÐÍ£¬Òò´Ë¿É¶Ô¾í²ÄµÄÓàÁ¿½øÐи߾«¶ÈµÄ¼ì²â¡£ |
¼ì²âµç×ÓÁ㲿¼þµÄ½ÅÏúÓÉÓڿɸù¾Ý¹¤¼þµ÷Õû¹âµãÐÎ×´£¬Òò´Ë´Ó½ÏÔ¶µÄµØµã¼ì²âСÐ͹¤¼þʱ£¬Òà¿ÉÇáÒ׵ؽøÐÐÉ趨¡£ |
 |
 |
 |
×¢ÒâÊÂÏ ±¾²úƷĿ¼ÖÐËùÊöÓÃ;½ö¹©²Î¿¼¡£Òò²»Í¬µÄ°²×°Ìõ¼þºÍÖܱ߻·¾³£¬ÓÐʱÎÞ·¨ÊµÏÖÎȶ¨µÄ¼ì²â£¬ÇëÎñ±ØÍ¨¹ýʵ¼Ê²úÆ·½øÐÐÈ·ÈϺ󷽿ÉʹÓá£
ÌØµã
ÐÐÒµ±ê×¼°²×°¼ä¾à
 |
¼ì²âÍ·µÄ°²×°¼ä¾àΪ25.4mm£¬ºÍͨÓùâÊø´«¸ÐÆ÷CX-400ϵÁоßÓÐÏàͬµÄÐÐÒµ±ê×¼¡£ ¸ü»»Í¨ÓùâÊø´«¸ÐÆ÷Ϊ¼¤¹â´«¸ÐÆ÷ʱ£¬Òà¿ÉÔ·â²»¶¯µØÊ¹Óð²×°Ö§¼Ü¡£ |
¼òµ¥Ò×ÐеĹâµãµ÷Õû
| ³¤¼ì²â¾àÀë¹âµã·´ÉäÐÍ / ³¤¼ì²â¾àÀëÏßÐÔ·´ÉäÐÍ |
 |
ÔÚ¼ì²âÍ·µÄ±³Ãæ°²×°Óйâµãµ÷½ÚÆ÷£¬Òò´Ë¿ÉÔÚ¹Û²ì¹âµãµÄͬʱ½øÐмòµ¥µ÷Õû¡£ÁíÍ⣬ÓÉÓÚÐèҪʹÓÃÂÝË¿µ¶½øÐе÷Õû£¬Òò´Ë¿É±ÜÃâάÐÞʱµÄÊÖ¶¯Îó²Ù×÷¡£ |
Å䱸FDA/IEC/JIS¶¥¼¶²úƷϵÁÐ |
±¸ÓйâÖá΢µ÷Ö§¼Ü |
| LS-H91(F)-A¡¢LS-H21(F)-A |
MS-CX-11 |
| ¶¥¼¶²úÆ·¡¢¹âµã¿ÉÊÓ¡£ ¿ÉºÜÇáÒ׵ضÔ×¼¹âÖá¡£ |
¼´Ê¹ÊÇÔÚ°²×°´«¸ÐÆ÷ºó£¬Òà¿ÉÔÚÉÏÏ¡¢×óÓÒ·½Ïò½øÐи÷4¡ãµÄ΢µ÷¡£ ¿ÉʵÏÖË«Ïò(×ÝÏò¡¢ºáÏò)°²×°¡£ |
 |
  |
É趨¼òµ¥¡¤Ë«ÖØÏÔʾ
Ë«Ãæ·Ö±ð´îÔØ´óÐÍ4λÊý×ÖÏÔʾ¡£Äܹ»ÔÚÈ·Èϵ±Ç°Èë¹âÁ¿(ºìÉ«ÏÔʾ)µÄͬʱ£¬·½±ãµØÉ趨×î¼ÑãÐÖµ(ÂÌÉ«ÏÔʾ)¡£
ʹÓÃ2¸ö¿ª¹Ø£¬²Ù×÷¼òµ¥ |
Ê¡ÅäÏß¡¤Ê¡¿Õ¼ä |
¹¤×÷¿ª¹Ø½öÓдóÐÍģʽ°´Å¥ºÍ´óÐÍÍ»³ö¿ª¹Ø2¸ö¡£
 |
²ÉÓõ¥´¥Ê½µçÀ¿ɽÚÊ¡ÅäÏß¡£ (Á¬½ÓÆ÷ÐÍ) Äܹ»¼õÉÙת½Ó¶Ë×Ó×ùµÄ½ÓµãÊýÁ¿ºÍ¹¤Ê±£¬ÓÐÖúÓÚ½ÚÊ¡¿Õ¼ä¡£ ÁíÍ⣬¿ÉÓëÊý×Ö¹âÏË´«¸ÐÆ÷FX-300ϵÁкáÏòÁ¬½Ó¡£ |

×¢ÒâÊÂÏͨÐÅ·½Ê½Òò·Å´óÆ÷µÄ²»Í¬¶ø²»Í¬£¬Á¬½Ó¸÷·Å´óÆ÷£¬ÇëÈ·Èϸ÷¸÷·Å´óÆ÷µÄʹÓÃ˵Ã÷ÊéºóÔÙ½øÐÐʹÓᣠ|
ÇÐʵ¼ì²â΢²î(M.G.S.¹¦ÄÜ)
½øÐнü¾àÀë¼ì²â£¬»òÕß¼ì²â͸Ã÷Ì塢΢СÎïÌåʱ£¬Äܹ»µ÷½Ú´«¸ÐÆ÷µÄÊܹâÁéÃô¶È£¬´Ó3µµÖÐÑ¡³ö×î¼ÑµÄÉ趨¡£¶øÇÒ£¬¼´Ê¹ÊܹâÁéÃô¶È·¢ÉúÁ˸ı䣬´«¸ÐÆ÷µÄ·´Ó¦Ê±¼äÒ²²»»á·¢Éú¸Ä±ä¡£
¿É½øÐжàÖÖ¼ì²âµÄ4ÖÖÐÂģʽ
|
|
|
|
|
 |
 |
 |
 |
| ͨ¹ýµ÷ÕûÓ¦²î(Öͺó)£¬Äܹ»¿Ë·þ¹¤¼þ°¼Í¹ÃæµÄÓ°Ï죬´Ó¶ø½øÐÐÎȶ¨µÄ¼ì²â¡£ |
É趨2¸öãÐÖµ£¬ÒÔ±æ±ð¹æ¶¨·¶Î§ÒÔÍâµÄ¹¤¼þ¡£ |
×éºÏ2·Êä³öģʽ£¬¿É½øÐжàÖÖ¿ØÖÆ¡£ ×îÊʺÏÍäÇú¼ì²â¡£ |
ÓÉÓÚ½ö½ö¼ì²â¹âÁ¿µÄ¼±¾ç±ä»¯£¬Òò´ËÄܹ»ÇÐʵ¼ì²â²£Á§µÈÎïÌåµÄ±ßÔµ²¿·Ö¡£×îÊʺϹ¤¼þµÄ¶¨Î»¡£ |
MODE NAVI¶¨Öƹ¦ÄÜ
´Ó·´Ó¦Ê±¼ä¡¢M.G.S.¹¦ÄÜ¡¢Êý¾Ý¿âÔØÈ롢Ͷ¹âÍ£Ö¹¹¦ÄÜÒÔ¼°D-CODEÖУ¬Ñ¡Ôñ¾³£Ê¹ÓõŦÄÜ£¬²¢´æ´¢ÔÚCUSTOMģʽÖУ¬´Ó¶ø¿É½øÐмòµ¥µÄÉ趨¸ü¸Ä¡£
Å䱸Ͷ¹âÍ£Ö¹¹¦ÄÜ |
¿É´ÓÍⲿÊäÈëµÄµçÀÂÐÍ |
µ±¹âµã½øÈë»Ïñ´¦ÀíÆ÷µÄÕÕÉ䷶ΧÄÚʱ£¬¿Éͨ¹ýͶ¹âÍ£Ö¹Êä ÈëÍ£Ö¹¼¤¹âͶ¹â¡£ |
µçÀÂÐÍLS-401-C2Å䱸ÍⲿÊäÈëµçÀÂ(5о)¡£½¨ÒéÄúÔÚͨ¹ýÀ´×Ô×°ÖÃÍⲿµÄÊäÈë½øÐн̵¼¡¢Í£Ö¹¼¤¹âͶ¹â»ò½«¼¤¹â´«¸ÐÆ÷×÷Ϊµ¥¼þ²úƷʹÓÃʱѡÔñ¸ÃÐÍ¡£ |
 |
 |
×î¶à¿É½ôÃܰ²×°4̨ |
É趨״̬һĿÁËÈ»(D-CODE) |
| ͨ¹ý×Ô¶¯·À¸ÉÈŹ¦ÄÜ£¬×î¶à¿É·ÀÖ¹4̨´«¸ÐÆ÷µÄ¸ÉÉæ¡£ |
·Å´óÆ÷µÄÉ趨״̬ÒÔ8λÏÔʾ¡£±ãÓÚÔ¶³ÌµÄ×÷ҵָʾºÍ¼à¿Ø¡£ |
 |
 |
¶©¹ºÖ¸ÄÏ
¼ì²âÍ·
| ÖÖÀà |
ÐÎ×´ |
ÐͺŠ|
ÊÊÓùæ¸ñ |
¼ì²â¾àÀë |
| ¹²Öá»Ø¹é·´ÉäÐÍ |
¼¶ ±ð 2 |
 |
LS-H92 |
GB / IEC / JIS |
 |
| LS-H92F(×¢1) |
FDA / IEC / JIS |
| LS-H91 |
GB / IEC / JIS |
 |
| LS-H91F(×¢1) |
FDA / IEC / JIS |
¼¶ ±ð 1 |
LS-H91-A |
GB / IEC / JIS |
 |
| LS-H91F-A(×¢1) |
FDA / IEC / JIS |
À© É¢ ·´ Éä ÐÍ |
³¤¼ì²â¾àÀë¹âµã·´ÉäÐÍ |
¼¶ ±ð 2 |
 |
LS-H21 |
GB / IEC / JIS |
 |
| LS-H21F(×¢1) |
FDA / IEC / JIS |
¼¶ ±ð 1 |
LS-H21-A |
GB / IEC / JIS |
 |
| LS-H21F-A(×¢1) |
FDA / IEC / JIS |
| ³¤¼ì²â¾àÀëÏßÐÔ·´ÉäÐÍ |
¼¶ ±ð 2 |
 |
LS-H22(×¢3) |
GB / IEC / JIS |
 |
| LS-H22F(×¢1)(×¢3) |
FDA / IEC / JIS |
×¢£ºÓÉÓÚÐè¸ù¾Ý²»Í¬µÄ°²×°·½·¨Ñ¡Ôñ²»Í¬µÄ°²×°Ö§¼Ü£¬Òò´Ë±¾¼ì²âÍ·²»¸½´ø°²×°Ö§¼Ü¡£ÇëÁíÐж©¹º¼ì²âÍ·°²×°Ö§¼Ü¡£×¢£º
1) ÒÀ¾ÝµÚ50ºÅ¼¤¹âͨ¸æ(2001.7.26)£¬ÒÔFDA±ê׼Ϊ׼¡£
2) ¼ì²â¾àÀëΪÏà¶ÔÓÚ·´Éä¾µRF-330£ÛLS-H92(F)ΪRF-230£ÝµÄÊýÖµ¡£ÁíÍ⣬¼ì²â¾àÀë±íʾ·´Éä¾µ¿ÉÉ趨µÄ·¶Î§¡£Òà¿ÉÔÚ0.1m£ÛLS-H92(F)Ϊ0.2m£ÝÒÔϵľàÀë¼ì²âÎïÌå¡£µ±¿¿½ü¼ì²âÍ·µÄµØ·½´æÔÚ°×Ö½¡¢¾µÃæÌåʱ£¬¿ÉÄܳöÏÖͶ¹âµÄ·´ÉäÈë¹âµÄÏÖÏ󣬾´Çë×¢Òâ¡£´Ëʱ£¬ÇëÀûÓ÷ŴóÆ÷±¾ÌåµÄM.G.S.¹¦Äܱä¸ü·´Ó¦Ê±¼äºÍÊܹâÁéÃô¶ÈºóÔÙʹÓá£
3) LS-H22(F)Êdz¤¼ì²â¾àÀë¹âµã·´ÉäÐÍLS-H21(F)ºÍÏßÐÔ·´ÉäÓÃ͸¾µ¸½¼þLS-MR1µÄ³ÉÌ×Ðͺš£Êµ¼ÊµÄ²úÆ·ÐͺÅΪLS-H21(F)¡£
±¸ÓÐ5mµçÀ³¤¶ÈÐÍ(±ê×¼ÐÍΪ2m)¡£ÇëÔÚÐͺÅĩβ¼Ó×¢¡°-C5¡±ºóÔÙÐж©¹º¡£
¡¤LS-H91-C5 ¡¤LS-H91-A-C5 ¡¤LS-H21-C5 ¡¤LS-H22-C5
LS-H91(F)¡¢LS-H91(F)-AÒÔ¼°LS-H92(F)Öб¸Óв»¸½´ø·´Éä¾µ(RF-330»òRF-230)µÄÐͺš£ÇëÔÚÐͺÅĩβ¼Ó×¢¡°-Y¡±ºóÔÙÐж©¹º¡£
¡¤LS-H92-Y ¡¤LS-H92F-Y ¡¤LS-H91-Y ¡¤LS-H91F-Y ¡¤LS-H91-A-Y ¡¤LS-H91F-A-Y
·Å´óÆ÷
| ÖÖÀà |
ÐÎ×´ |
ÐͺŠ|
Êä³ö |
Á¬½Ó·½Ê½ |
| Á¬½ÓÀàÐÍ |
 |
LS-401 |
NPN¿ªÂ·¼¯µç¼« ¾§Ìå¹Ü2Êä³ö |
ʹÓÃÁíÊ۵ĵ¥´¥µçÀ |
| LS-401P |
PNP¿ªÂ·¼¯µç¼« ¾§Ìå¹Ü2Êä³ö |
| µçÀÂÐÍ |
 |
LS-401-C2 |
NPN¿ªÂ·¼¯µç¼« ¾§Ìå¹Ü2Êä³ö |
¸½´ø2mÏðÆ¤µçÀ µçÀÂÍâ¾¶£º3.7mm |
| LS-401P-C2 |
PNP¿ªÂ·¼¯µç¼« ¾§Ìå¹Ü2Êä³ö |
µ¥´¥µçÀÂ(Á¬½ÓÆ÷ÐÍ·Å´óÆ÷²»¸½´øµ¥´¥µçÀ¡£ÇëÁíÐж©¹º¡£)
| ÖÖÀà |
ÐÎ×´ |
ÐͺŠ|
˵Ã÷ |
| ĸµçÀÂ(4о) |
 |
CN-74-C1 |
³¤£º1m |
0.15mm2 4оÏðÆ¤µçÀ£¬Ò»¶Ë´øÁ¬½ÓÆ÷µçÀÂÍâ¾¶£º 3mm |
| CN-74-C2 |
³¤£º2m |
| CN-74-C5 |
³¤£º5m |
| ×ÓµçÀÂ(2о) |
 |
CN-74-C1 |
³¤£º1m |
0.15mm2 2оÏðÆ¤µçÀ£¬Ò»¶Ë´øÁ¬½ÓÆ÷µçÀÂÍâ¾¶£º 3mm |
| CN-74-C2 |
³¤£º2m |
| CN-74-C3 |
³¤£º5m |
βÅÌ(·Å´óÆ÷²»¸½´øÎ²ÅÌ¡£ÐèÒªÁ¬½Óʱ£¬ÇëÁíÐж©¹ºÎ²ÅÌ¡£)
| ÖÖÀà |
ÐͺŠ|
˵Ã÷ |
 |
MS-DIN-E |
µ±´®ÁªÁ¬½Ó¶à¸ö·Å´óÆ÷£¬»òÔÚDINµ¼¹ìÉÏÒÆ¶¯·Å´óÆ÷ʱ£¬ÕâЩβÅÌÈ·±£ËùÓзŴóÆ÷°²È«°²×°²¢³ä·ÖÁ¬½Ó¡£ (ÿÌ×2¸ö) |
¸½¼þ
| RF-330(·´Éä¾µ) |
CN-EP1(·Å´óÆ÷Á¬½ÓÆ÷)ÿÌ×5¸ö |
LS-MR1(ÓÃÓÚÏßÐÔ·´ÉäµÄ͸¾µ¸½¼þ) |
RF-230(·´Éä¾µ) |
 |
 ×¢£º¸ù¾Ý±ê×¼ÔÚ¼ì²âÍ·Éϰ²×°1¸ö½ÓÍ·¡£ |
 |
 ×¢£ºLS-H92(F)רÓᣠ|
Åä¼þ(ÁíÊÛ)
| ÖÖÀà |
ÐͺŠ|
˵Ã÷ |
¼ì²âÍ· °²×°Ö§¼Ü |
MS-CX-1 |
Á¢Ê½°²×°Ö§¼Ü |
| MS-CX-2 |
ºáÏò°²×°Ö§¼Ü Èô²»Êܸ߶ÈÓ°Ï죬¿ÉÕýÃæ°²×°¡£ |
| MS-CX-3 |
µ¹×°Ê½°²×°Ö§¼Ü |
| MS-CX-4 |
±£»¤ÐÔ°²×°Ö§¼Ü ±£»¤´«¸ÐÆ÷ÃâÊÜÒò³åײ¶øÒýÆðµÄ¹âÖáÆ«²îµÄÓ°Ïì¡£ |
| ¹âÖá΢µ÷Ö§¼Ü |
MS-CX-11 |
ÕâÊÇÔÚ°²×°Á˼ì²âÍ·Ö®ºó£¬¿É¶Ô¹âÖá½øÐÐ΢µ÷µÄ°²×°Ö§¼Ü¡£ µ÷Õû½Ç¶È£ºÉÏÏ¡¢×óÓÒ¸÷4¡ã °²×°·½Ïò£º×ÝÏò¡¢ºáÏò¾ù¿É |
ͨÓô«¸ÐÆ÷°²×°¼Ü (×¢1) |
MS-AJ1 |
ˮƽ°²×°ÐÍ |
»ù±¾×°Åä |
| MS-AJ2 |
´¹Ö±°²×°ÐÍ |
| MS-AJ1-A |
ˮƽ°²×°ÐÍ |
²à±Û×°Åä |
| MS-AJ2-A |
´¹Ö±°²×°ÐÍ |
| ·Å´óÆ÷°²×°Ö§¼Ü |
MS-DIN-2 |
·Å´óÆ÷רÓð²×°Ö§¼Ü |
| ·´Éä¾µ°²×°Ö§¼Ü |
MS-RF23 |
ÕâÊÇÓÃÓÚRF-230µÄ°²×°Ö§¼Ü¡£ |
| ·Å´óÆ÷±£»¤·âÌõ |
FX-MB1 |
2¸ö½»Á÷´°ÃÜ·âµæºÍ1¸öÁ¬½ÓÆ÷·âÌõ£º10Ì× ½»Á÷´°ÃÜ·âµæ£º ·ÀÖ¹´ÓÁíÒ»¸ö·Å´óÆ÷ÉÏ´«ÊäÐźÅÔì³ÉµÄ¹ÊÕÏ£¬¼°Æä¶ÔÁíÒ»¸ö·Å´óÆ÷µÄÓ°Ïì¡£ Á¬½ÓÆ÷·âÌõ£º´øÓе¥´¥µçÀÂÕ룬ÒÔ·ÀÈκνðÊôµÄ´¥Åö¡£ |
| ·´Éä¾µ |
RF-310 |
ÓÃÓÚ¹²Öá»Ø¹é·´ÉäÐÍ¡£ ÊÇСÐ͹æ¸ñµÄ·´Éä¾µ¡£ |
| ·´Éä´ø |
RF-33 |
ÓÃÓÚ¹²Öá»Ø¹é·´ÉäÐÍ¡£ ¹æ¸ñ£º25.2¡Á27.8¡Át0.4mm |
¼ì²â¾àÀë(U-LGģʽ) ¡¤LS-H91(F)£º 0.1¡«7m ¡¤LS-H91(F)-A£º 0.1¡«5m |
| RF-31 |
ÓÃÓÚ¹²Öá»Ø¹é·´ÉäÐÍ¡£ ¹æ¸ñ£º9.2¡Á9.2¡Át0.4mm |
Êý¾Ý¿âͨµÀÇл»×°Öà (×¢2) |
FX-CH |
NPNÊäÈëÐÍ |
|
| FX-CH-P |
PNPÊäÈëÐÍ |
¿Éͨ¹ýÍⲿÐźţ¬Ò»¾ÙÇл»×î¶à16̨¼¤¹â´«¸ÐÆ÷µÄÊý¾Ý¿âͨµÀ¡£ |
¼ì²âÍ·°²×°Ö§¼Ü
| MS-CX-1 |
MS-CX-2 |
MS-CX-3 |
MS-CX-4 |
¸½´ø2¸ö´øµæÈ¦µÄM3ÂÝË¿ (³¤12mm)¡£
 |
¸½´ø2¸ö´øµæÈ¦µÄM3ÂÝË¿ (³¤12mm)¡£
 |
¸½´ø2¸ö´øµæÈ¦µÄM3ÂÝË¿ (³¤12mm)¡£
 |
¸½´ø2¸ö´øµæÈ¦µÄM3ÂÝË¿ (³¤12mm)¡£
 |
¹âÖá΢µ÷Ö§¼Ü |
·Å´óÆ÷°²×°Ö§¼Ü |
·Å´óÆ÷±£»¤·âÌõ |
·´Éä¾µ |
| MS-CX-11 |
MS-DIN-2 |
FX-MB1 |
RF-310 |
 |
 |
 |
 |
·´Éä´ø |
·´Éä¾µ°²×°Ö§¼Ü |
Êý¾Ý¿âͨµÀÇл»×°Öà |
|
| RF-33 |
MS-RF23 |
FX-CH(-P) |
|
 |
 |
 |
|
ͨÓô«¸ÐÆ÷°²×°¼Ü
| MS-AJ1 |
MS-AJ1-A |
MS-AJ2 |
MS-AJ2-A |
 |
 ͨ¹ýÄܹ»½øÐÐˮƽ·½Ïòµ÷ÕûµÄÇú±Û£¬¿É´ÓÉú²úÏßÉÏ·½½øÐмì²â¡£ |
 |
 ͨ¹ýÄܹ»½øÐÐˮƽ·½Ïòµ÷ÕûµÄÇú±Û£¬¿É´ÓÉú²úÏßÉÏ·½½øÐмì²â¡£ |
¼¼ÊõÐÅÏ¢
¼ì²âÍ·
| ÖÖ Àà |
¹²Öá»Ø¹é·´ÉäÐÍ |
À©É¢·´ÉäÐÍ |
| ¼¶±ð2 |
¼¶±ð1 |
³¤¼ì²â¾àÀë¹âµã·´ÉäÐÍ |
³¤¼ì²â¾àÀëÏßÐÔ·´ÉäÐÍ |
| ¼¶±ð2 |
¼¶±ð1 |
| ÐͺŠ|
GB/IEC/JIS ÊÊÓÃÀàÐÍ |
LS-H92 |
LS-H91 |
LS-H91-A |
LS-H21 |
LS-H21-A |
LS-H22(×¢3) |
FDA/IEC/JIS ÊÊÓÃÀàÐÍ(×¢2) |
LS-H92F |
LS-H91F |
LS-H91F-A |
LS-H21F |
LS-H21F-A |
LS-H22F(×¢3) |
| ÊÊÓ÷ŴóÆ÷ |
LS-401£¨P£©¡¢ LS-401£¨P£©-C2 |
| ¼ì²â¾àÀë |
U£LG |
0.2¡«30m(×¢4) |
0.1¡«7m(×¢4) |
0.1¡«5m(×¢4) |
30¡«1,000mm |
30¡«500mm |
30¡«1,000mm |
| STD |
0.2¡«20m(×¢4) |
0.1¡«5m(×¢4) |
0.1¡«3m(×¢4) |
30¡«500mm |
30¡«250mm |
30¡«500mm |
| FAST |
0.2¡«10m(×¢4) |
0.1¡«3m(×¢4) |
0.1¡«1m(×¢4) |
30¡«300mm |
30¡«150mm |
30¡«300mm |
| H£SP |
| ¹¤×÷״ָ̬ʾµÆ |
³ÈÉ«LED(·Å´óÆ÷Êä³öONʱÁÁÆð) |
| ¼¤¹âͶ¹âָʾµÆ |
ÂÌÉ«LED(¼¤¹âͶ¹âʱÁÁÆð) |
| ¹âµãµ÷½ÚÆ÷ |
¡ª¡ª¡ª¡ª |
Å䱸¶àȦµ÷½ÚÆ÷ |
| »·¾³ÐÔÄÜ |
ÖÜΧÎÂ¶È |
£10¡«+55¡ãC(×¢Òâ²»¿É½á¶¡¢½á±ù)£¬´æ´¢£º£20¡«+70¡ãC |
| ÖÜΧʪ¶È |
35¡«85%RH¡¢´æ´¢£º35¡«85%RH |
| ÖÜΧÕÕÃ÷¶È |
°×³ãµÆ£ºÊܹâÃæÕÕÃ÷¶È3,000RxÒÔÏ |
| Ä͵çѹ |
AC1,000V 1·ÖÖÓ¡¡ËùÓеçÔ´Á¬½Ó¶Ë×ÓÓëÍâ¿ÇÖ®¼ä |
| ¾øÔµµç×è |
20M¦¸ÒÔÉÏ£¬»ùÓÚDC250VµÄ¸ß×è±í¡¡ËùÓÐÁ¬½Ó¶Ë×ÓÓëÍâ¿ÇÖ®¼ä |
| ÄÍÕñ¶¯ |
ƵÂÊ£º10¡«500Hz Ë«Õñ·ù1.5mm(MAX.10G)£¬X¡¢YºÍZ·½Ïò¸÷2Сʱ |
| Äͳå»÷ |
¼ÓËÙ¶È£º100m/s2(Ô¼10G)£¬X¡¢YºÍZ·½Ïò¸÷3´Î |
| Ͷ¹âÔª¼þ |
GB/IEC/JIS ÊÊÓÃÀàÐÍ |
ºìÉ«°ëµ¼Ì弤¹â 2¼¶(JIS/IEC/GB) {×î´óÊä³ö£º3mW Ͷ¹â²¨·å²¨³¤£º655nm} |
ºìÉ«°ëµ¼Ì弤¹â ¶¥¼¶1 £¨GB/IEC/JIS£© {×î´óÊä³ö£º1mW Ͷ¹â²¨·å²¨³¤£º655nm} |
ºìÉ«°ëµ¼Ì弤¹â 2¼¶(GB/IEC/JIS) {×î´óÊä³ö£º3mW Ͷ¹â²¨·å²¨³¤£º655nm} |
ºìÉ«°ëµ¼Ì弤¹â ¶¥¼¶1£¨GB/IEC/JIS£© {×î´óÊä³ö£º1mW Ͷ¹â²¨·å²¨³¤£º655nm} |
ºìÉ«°ëµ¼Ì弤¹â 2¼¶£¨GB/IEC/JIS£© {×î´óÊä³ö£º3mW Ͷ¹â²¨·å²¨³¤£º655nm} |
FDA/IEC/JIS ÊÊÓÃÀàÐÍ(×¢2) |
ºìÉ«°ëµ¼Ì弤¹â 2¼¶£¨FDA/IEC/JIS£© {×î´óÊä³ö£º3mW Ͷ¹â²¨·å²¨³¤£º655nm} |
ºìÉ«°ëµ¼Ì弤¹â ¶¥¼¶1 (FDA/IEC/JIS) {×î´óÊä³ö£º1mW Ͷ¹â²¨·å²¨³¤£º655nm} |
ºìÉ«°ëµ¼Ì弤¹â 2¼¶(FDA/IEC/JIS) {×î´óÊä³ö£º3mW Ͷ¹â²¨·å²¨³¤£º655nm} |
ºìÉ«°ëµ¼Ì弤¹â ¶¥¼¶1(FDA/IEC/JIS) {×î´óÊä³ö£º1mW Ͷ¹â²¨·å²¨³¤£º655nm} |
ºìÉ«°ëµ¼Ì弤¹â 2¼¶(FDA/IEC/JIS)£© {×î´óÊä³ö£º3mW Ͷ¹â²¨·å²¨³¤£º655nm} |
| ²ÄÖÊ |
Íâ¿Ç£ºPBT(°²×°²¿:PEI)¡¢Í¸¾µÕÖ£º±ûÏ© |
| µçÀ |
¸½´ø0.1mm2µ¥Ð¾Æ½ÐÐË«Ï߯Á±ÎµçÀ£¬³¤2m(´ø·Å´óÆ÷Á¬½ÓÆ÷)(×¢5) |
| ÖØÁ¿ |
±¾ÌåÖØÁ¿£ºÔ¼30g °ü×°ÖØÁ¿£ºÔ¼40g |
±¾ÌåÖØÁ¿£ºÔ¼30g¡¢ °ü×°ÖØÁ¿£ºÔ¼45g |
±¾ÌåÖØÁ¿£ºÔ¼30g¡¢°ü×°ÖØÁ¿£ºÔ¼40g |
±¾ÌåÖØÁ¿£ºÔ¼35g °ü×°ÖØÁ¿£ºÔ¼45g |
| ¸½¼þ |
RF-230(·´Éä¾µ) £º1¸ö ¾¯¸æ±êÇ©£º1Ì׸ù¾Ý±ê×¼ÒªÇó£¬Í¬Ê±Ë渽ººÓï¡¢Ó¢ÓïºÍÈÕÓï¸÷Ò»ÕÅ |
RF-330(·´Éä¾µ)£º1¸ö¾¯¸æ±êÇ©£º1Ì׸ù¾Ý±ê×¼ÒªÇó£¬Í¬Ê±Ë渽ººÓï¡¢Ó¢ÓïºÍÈÕÓï¸÷Ò»ÕÅ |
RF-330(·´Éä¾µ)£º1¸ö ˵Ã÷±êÇ©£º1Ì× ( ¸ù¾Ý±ê×¼ÒªÇó£¬Í¬Ê±Ë渽ººÓïºÍÈÕÓï¸÷Ò»ÕÅ) |
¾¯¸æ±êÇ©£º1Ì× ( ¸ù¾Ý±ê×¼ÒªÇó£¬ Í¬Ê±Ëæ¸½ººÓï¡¢Ó¢ ÓïºÍÈÕÓï¸÷Ò»ÕÅ) |
˵Ã÷±êÇ©£º1Ì× (¸ù¾Ý±ê×¼ÒªÇó£¬Í¬Ê±Ë渽ººÓïºÍÈÕÓï¸÷Ò»ÕÅ) |
LS-MR1(ÏßÐÔ·´ÉäÓÃ͸¾µ¸½¼þ)£º1¸ö¾¯¸æ±êÇ©£º1Ì× ( ¸ù¾Ý±ê×¼ÒªÇó£¬Í¬Ê±Ë渽ººÓï¡¢Ó¢ÓïºÍÈÕÓï¸÷Ò»ÕÅ) |
×¢£º
1) ÎÞÖ¸¶¨²âÁ¿Ìõ¼þÊÇÖ¸ÖÜΧζȣ½£«23¡ãCʱµÄÌõ¼þ¡£
2) ÒÀ¾ÝµÚ50ºÅ¼¤¹âͨ¸æ(2001.7.26)£¬ÒÔFDA±ê׼Ϊ׼¡£
3) LS-H22(F)Êdz¤¼ì²â¾àÀë¹âµã·´ÉäÐÍLS-H21(F)ºÍÏßÐÔ·´ÉäÓÃ͸¾µ¸½¼þLS-MR1µÄ³ÉÌ×Ðͺš£Êµ¼ÊµÄ²úÆ·ÐͺÅΪLS-H21(F)¡£
4) ¼ì²â¾àÀëΪÏà¶ÔÓÚ·´Éä¾µRF-330£ÛLS-H92(F)ΪRF-230£ÝµÄÊýÖµ¡£ÁíÍ⣬¼ì²â¾àÀë±íʾ·´Éä¾µ¿ÉÉ趨µÄ·¶Î§¡£Ò²ÓпÉÄÜÔÚ0.1m£ÛLS-H92(F)Ϊ0.2m£ÝÒÔϵľàÀë¼ì²âÎïÌå¡£
¾àÀë¼ì²âÍ·½Ï½üµÄµØ·½´æÔÚ°×Ö½¡¢¾µÃæÌåʱ£¬¿ÉÄܳöÏÖͶ¹âµÄ·´ÉäÈë¹âµÄÏÖÏ󣬾´Çë×¢Òâ¡£´Ëʱ£¬ÇëÀûÓ÷ŴóÆ÷±¾ÌåµÄM.G.S.¹¦Äܱä¸ü·´Ó¦Ê±¼äºÍÊܹâÁéÃô¶ÈºóÔÙʹÓá£
5) µçÀ²»¿ÉÑÓ³¤¡£
·Å´óÆ÷
| ÖÖÀà |
Á¬½ÓÆ÷ÐÍ |
µçÀÂÐÍ |
|
ÐÍ ºÅ |
NPNÊä³ö |
LS-401 |
LS-401-C2 |
| PNPÊä³ö |
LS-401P |
LS-401P-C2 |
| µçÔ´µçѹ |
12¡«24V DC¡À10%¡¡Âö¶¯P-P10%ÒÔÏ |
| ÏûºÄµçÁ¦ |
ͨ³£¹¤×÷ʱ£º950mWÒÔÏÂ(µçÔ´µçѹ24Vʱ£¬ÏûºÄµçÁ÷40mAÒÔÏÂ) ECOģʽ£º780mWÒÔÏÂ(µçÔ´µçѹ24Vʱ£¬ÏûºÄµçÁ÷33mAÒÔÏÂ) |
Êä³ö (Êä³ö1£¬Êä³ö2) |
¡´NPNÊä³öÐÍ¡µ NPN¿ªÂ·¼¯µç¼«¾§Ìå¹Ü ¡¤×î´óÁ÷ÈëµçÁ÷£º100mA(×¢2) ¡¤Íâ¼Óµçѹ£º30V DCÒÔÏÂ(Êä³öºÍ0VÖ®¼ä) ¡¤Ê£Óàµçѹ£º1.5VÒÔÏÂ[Á÷ÈëµçÁ÷Ϊ100mA(×¢2)ʱ] |
¡´PNPÊä³öÐÍ¡µ PNP¿ªÂ·¼¯µç¼«¾§Ìå¹Ü ¡¤×î´óÔ´µçÁ÷£º100mA(×¢2) ¡¤Íâ¼Óµçѹ£º30V DCÒÔÏÂ(Êä³öºÍ£«VÖ®¼ä) ¡¤Ê£Óàµçѹ£º1.5VÒÔÏÂ[Ô´µçÁ÷Ϊ100mA(×¢2)ʱ] | |
| Êä³ö¹¤×÷ |
¿ÉÓÃÍ»³ö¿ª¹ØÑ¡ÔñÈë¹âʱON/·ÇÈë¹âʱON |
| ¶Ì·±£»¤ |
×°±¸ |
| ·´Ó¦Ê±¼ä |
80¦ÌsÒÔÏÂ(H-SP)£¬150¦ÌsÒÔÏÂ(FAST)£¬500¦ÌsÒÔÏÂ(STD)£¬4msÒÔÏÂ(U-LG) ¿ÉÓÃÍ»³ö¿ª¹ØÑ¡Ôñ |
ÍⲿÊäÈë {Ͷ¹âÍ£Ö¹ È«×Ô¶¯½Ìµ¼ ÏÞ¶¨½Ìµ¼} |
¡ª |
¡´NPNÊä³öÐÍ¡µ NPNÎÞ½ÓµãÊäÈë ¡¤ÐźÅÌõ¼þ£ºHigh...£«5V¡«£«V»ò¿ªÂ· Low...0¡«£«2V(Ô´µçÁ÷0.5mAÒÔÏÂ) ¡¤ÊäÈë×迹£ºÔ¼10k¦¸ ¡´PNPÊä³öÐÍ¡µ PNPÎÞ½ÓµãÊäÈë ¡¤ÐźÅÌõ¼þ£ºHigh...£«4V¡«£«V(Á÷ÈëµçÁ÷3mAÒÔÏÂ) Low...0¡«£«0.6V£¬»ò¿ªÂ· ¡¤ÊäÈë×迹£ºÔ¼10k¦¸ |
| ¹¤×÷״ָ̬ʾµÆ |
³ÈÉ«LED(Êä³ö1£¬2¡¤ONʱÁÁÆð) |
| ¼¤¹âͶ¹âָʾµÆ |
ÂÌÉ«LED(¼¤¹âͶ¹âʱÁÁÆð) |
| SelectָʾµÆ |
»ÆÉ«LED(Ñ¡ÔñÊä³ö1£¬2ʱÁÁÆð) |
| MODEָʾµÆ |
RUN£ºÂÌÉ«LED¡¢TEACH¡¤L/D¡¤TIMER¡¤CUST¡¤PRO£º»ÆÉ«LED |
| Êý×ÖÏÔʾ |
4λ(ÂÌÉ«)£«4λ(ºìÉ«)LEDÏÔʾ |
| ÁéÃô¶ÈÉ趨·½·¨ |
| |
ͨ³£Ä£Ê½£º2µã½Ìµ¼£¯ÏÞ¶¨½Ìµ¼£¯È«×Ô¶¯½Ìµ¼£¯ÊÖ¶¯µ÷½Ú ´°Ê½±È½Ïģʽ£º½Ìµ¼(1µã£¬2µã£¬3µã)£¯ÊÖ¶¯µ÷½Ú Ó¦²îģʽ£º½Ìµ¼(1µã£¬2µã£¬3µã)£¯ÊÖ¶¯µ÷½Ú ΢·Öģʽ£º5²½É趨 | |
| ÁéÃô¶È΢µ÷É趨¹¦ÄÜ |
×°±¸ |
| ¶¨Ê±¹¦ÄÜ |
×°±¸¿É±äONÑÓ³Ù¶¨Ê±¹¦ÄÜ£¯OFFÑÓ³Ù¶¨Ê±¹¦ÄÜ£¯µ¥´¥¶¨Ê±¹¦ÄÜ ÓÐЧ£¯ÎÞЧת»»·½Ê½(¶¨Ê±Ê±¼ä£ºÔ¼1ms¡«9,999ms) |
| ×Ô¶¯·À¸ÉÈŹ¦ÄÜ |
×°±¸ [×î¶à¿É´®ÁªÁ¬½Ó4̨·Å´óÆ÷(µ«H-SPģʽÎÞЧ)] |
»· ¾³ ÐÔ ÄÜ |
ÖÜΧÎÂ¶È |
£10¡«£«55¡ãC(4¡«7¸öÌù½ü°²×°Ê±£º£10¡«£«50¡ãC¡¢8¡«16¸öÌù½ü°²×°Ê±£º£10¡«£«45¡ãC)(×¢Òâ²»¿É½á¶¡¢½á±ù)£¬´æ´¢£º£20¡«£«70¡ãC |
| ÖÜΧʪ¶È |
35¡«85%RH¡¢´æ´¢£º35¡«85%RH |
| Ä͵çѹ |
AC1,000V 1·ÖÖÓ£¬ËùÓеçÔ´Á¬½Ó¶Ë×ÓÓëÍâ¿ÇÖ®¼ä |
| ¾øÔµµç×è |
ËùÓеçÔ´Á¬½Ó¶Ë×ÓÓëÍâ¿ÇÖ®¼ä£¬20M¦¸ÒÔÉÏ£¬»ùÓÚDC250VµÄ¸ß×è±í |
| ÄÍÕñ¶¯ |
ƵÂÊ£º10¡«150Hz£¬Ë«Õñ·ù£º0.75mm£¬X,YºÍZ¸÷·½Ïò2Сʱ |
| Äͳå»÷ |
¼ÓËÙ¶È£º98m/s2(Ô¼10G)£¬X,YºÍZ¸÷·½Ïò5´Î |
| ²ÄÖÊ |
·Å´óÆ÷Íâ¿Ç£ºÄÍÈÈABS£¬¿ÇÕÖ£º¾Û̼Ëáõ¥£¬°´Å¥¿ª¹Ø£º±ûÏ©£¬Í»³ö¿ª¹Ø£ºABS |
| µçÀ |
¡ª¡ª £¨×¢3£© |
0.15mm2 5оÏðÆ¤µçÀ£¬³¤2m |
| µçÀÂÑÓ³¤ |
0.3mm2ÒÔÉϵĵçÀÂÈ«³¤¿ÉÑÓ³¤ÖÁ100m |
| ÖØÁ¿ |
Ô¼15g |
Ô¼65g |
×¢£º
1) ÎÞÖ¸¶¨²âÁ¿Ìõ¼þÊÇÖ¸ÖÜΧζȣ½£«23¡ãCʱµÄÌõ¼þ¡£
2) ´®ÁªÁ¬½Ó5¸öÒÔÉÏ8¸öÒÔÏ·ŴóÆ÷ʱΪ50mA£¬´®ÁªÁ¬½Ó9¸öÒÔÉÏ16¸öÒÔÏ·ŴóÆ÷ʱΪ25mA¡£
3) ²»¸½´ø·Å´óÆ÷Á¬½ÓµçÀ¡£Çë°´ÏÂÊöʹÓÃÁíÊÛµ¥´¥µçÀ¡£
ĸµçÀÂ(4о)£ºCN-74-C1(µçÀ³¤1m)¡¢CN-74-C2(µçÀ³¤2m)¡¢CN-74-C5(µçÀ³¤5m)
×ÓµçÀÂ(2о)£ºCN-72-C1(µçÀ³¤1m)¡¢CN-72-C2(µçÀ³¤2m)¡¢CN-72-C5(µçÀ³¤5m)
I/Oµç·ͼºÍÏß·ͼ
LS-401(-C2) NPNÊä³öÐÍ
 |
×¢£º1) µ¥´¥µçÀµÄ×ÓµçÀ²»×°±¸£«V(ºÖÉ«)ºÍ0V(À¶É«)¡£µçÔ´´ÓĸµçÀµÄÁ¬½ÓÆ÷²¿¹©Ó¦¡£ ×¢£º2) Á¬½ÓÆ÷ÐͲ»×°±¸ÍⲿÊäÈë¡£ ×¢£º3) ´®ÁªÁ¬½Ó5¸öÒÔÉÏ8¸öÒÔÏ·ŴóÆ÷ʱ£¬×î´ó50mA£¬´®ÁªÁ¬½Ó9¸öÒÔÉÏ16¸öÒÔÏ·ŴóÆ÷ʱ£¬×î´ó25mA¡£ |
|


|
|
 |
×¢£º1) µ¥´¥µçÀµÄ×ÓµçÀ²»×°±¸ºÖÉ«ÒýÏߺÍÀ¶É«ÒýÏß¡£µçÔ´´ÓĸµçÀµÄÁ¬½ÓÆ÷²¿¹©Ó¦¡£ ×¢£º2) ·ÛºìÉ«ÒýÏß²»×°±¸µ¥´¥µçÀ¡£ |
 |
| ¶Ë×ÓNo. |
Á¬½ÓµçÀ |
| 1 |
µ¼ÌåоÏߣººÖÉ« |
µçÀÂÑÕÉ«£º»ÒÉ« |
| 2 |
ÆÁ±ÎµçÏß |
| 3 |
µ¼ÌåоÏߣº»ÆÉ« |
µçÀÂÑÕÉ«£ººÚÉ« |
| 4 |
ÆÁ±ÎµçÏß | |
LS-401(-C2) PNPÊä³öÐÍ
 |
×¢£º1) µ¥´¥µçÀµÄ×ÓµçÀ²»×°±¸£«V(ºÖÉ«)ºÍ0V(À¶É«)¡£µçÔ´´ÓĸµçÀµÄÁ¬½ÓÆ÷²¿¹©Ó¦¡£ ×¢£º2) Á¬½ÓÆ÷ÐͲ»×°±¸ÍⲿÊäÈë¡£ ×¢£º3) ´®ÁªÁ¬½Ó5¸öÒÔÉÏ8¸öÒÔÏ·ŴóÆ÷ʱ£¬×î´ó50mA£¬´®ÁªÁ¬½Ó9¸öÒÔÉÏ16¸öÒÔÏ·ŴóÆ÷ʱ£¬×î´ó25mA¡£ |
|


|
|
 |
×¢£º1) µ¥´¥µçÀµÄ×ÓµçÀ²»×°±¸ºÖÉ«ÒýÏߺÍÀ¶É«ÒýÏß¡£µçÔ´´ÓĸµçÀµÄÁ¬½ÓÆ÷²¿¹©Ó¦¡£ ×¢£º2) ·ÛºìÉ«ÒýÏß²»×°±¸µ¥´¥µçÀ¡£ |
 |
| ¶Ë×ÓNo. |
Á¬½ÓµçÀ |
| 1 |
µ¼ÌåоÏߣººÖÉ« |
µçÀÂÑÕÉ«£º»ÒÉ« |
| 2 |
ÆÁ±ÎµçÏß |
| 3 |
µ¼ÌåоÏߣº»ÆÉ« |
µçÀÂÑÕÉ«£ººÚÉ« |
| 4 |
ÆÁ±ÎµçÏß | |
ʹÓÃÖ¸ÄÏ
¡¤ ÇëÎ𽫱¾²úÆ·×÷Ϊ±£ÕÏÈËÉí°²È«µÄ¼ì²â×°ÖÃʹÓá£
¡¤ Óû½øÐÐÒÔ±£ÕÏÈËÉí°²È«ÎªÄ¿µÄµÄ¼ì²â£¬ÇëʹÓ÷ûºÏOSHA¡¢ANSIÒÔ¼°IECµÈ¸÷¹úÓйØÈËÉí°²È«±£Õϵķ¨Âɺͱê×¼µÄ²úÆ·¡£
¼¤¹âµÄÏà¹Ø×¢ÒâÊÂÏî
¡¤ ±¾²úƷΪGB/IEC/FDA/JIS±ê×¼µÄ2¼¶(LS-H¡õ-AΪ¶¥¼¶)¼¤¹â²úÆ·¡£¸Ã²úÆ·´æÔÚÒ»¶¨Î£ÏÕ£¬ÇëÎðÖ±ÊÓ¼¤¹â»òͨ¹ý͸¾µµÈ¹Û²ì¹âѧϵ ͳ½øÐй۲졣 ¡¤ ±¾²úÆ·Õ³ÌùÓÐÒÔÏÂÄÚÈݵıêÇ©¡£ÇëÒÀ¾Ý±êÇ© ÄÚÈÝÍ×ÉÆ´¦Àí¡£ |
GB/IEC/JIS 2¼¶ÐÍ |
FDA¶¥¼¶ÐÍ |
 |
 |
| ±¾²úÆ·Õ³ÌùÓзûºÏ¸÷±ê×¼µÄººÓï¡¢Ó¢ÓïºÍÈÕÓᆵ¸æ±êÇ©»ò³ÉÌ×Ëæ¸½¡£ |
±¾²úÆ·Õ³ÌùÓзûºÏ¸÷±ê×¼µÄººÓï¡¢Ó¢ÓïºÍÈÕÓï˵Ã÷±êÇ©»ò³ÉÌ×Ëæ¸½¡£ |
¼¤¹â²úÆ·µÄ°²È«±ê×¼
¡¤ ¼¤¹âµÄÄÜÁ¿ÃܶȽϸߣ¬¿ÉÄÜ»á¶ÔÑÛ¾¦¡¢Æ¤·ôµÈÔì³ÉÉ˺¦¡£Òò´Ë£¬ÔÚIECºÍJISµÈ±ê×¼ÖУ¬¶Ô°²È«ÐÔ½øÐÐÁË·Ö¼¶£¬¹æ¶¨ÁËÏàÓ¦µÄ¹ÜÀí·½·¨µÈ¡£LS-H¡õ(F)Ϊ2¼¶¡¢LS-H¡õ(F)-AΪ¶¥¼¶¼¤¹â²úÆ·¡£
×ñÕÕIEC 60825-1-2001 (JIS C 6802-2005)½øÐзּ¶
| ¼¶±ð |
¸ÅÒª |
| ¶¥¼¶ |
ÕâÊÇÔڿɽøÐкÏÀíÔ¤²âµÄÔËÐÐÌõ¼þÏÂÈ·±£°²È«µÄ¼¤¹â¡£ |
| ¶¥¼¶M |
ÕâÊÇÔڿɽøÐкÏÀíÔ¤²âµÄÔËÐÐÌõ¼þÏÂÈ·±£Äܹ»°²È«Í¶ÉäµÄ¼¤¹â£¬Æä²¨³¤·¶Î§Îª302.5nm¡«4,000nm¡£ ÔÚ¹âÊø·¶Î§ÄÚʹÓùâѧÒÇÆ÷£¬Õâ¶ÔʹÓÃÈËÔ±À´ËµÊDZȽÏΣÏյġ£ |
| 2¼¶ |
ÕâÊǿɽèÖúÕ£Ñ۵ȱíʾÑá¶ñµÄ·´Ó¦£¬ÒÔ±£»¤ÑÛ¾¦µÄ¼¤¹â¡£ËüÄܹ»Í¶Éä³ö¿ÉÊÓ¹âÊø£¬²¨³¤·¶Î§Îª400nm¡«700nm¡£ |
| 2¼¶M |
ÕâÊǿɽèÖúÕ£Ñ۵ȱíʾÑá¶ñµÄ·´Ó¦£¬ÒÔ±£»¤ÑÛ¾¦µÄ¼¤¹â¡£ËüÄܹ»Í¶Éä³ö¿ÉÊÓ¹âÊø£¬²¨³¤·¶Î§Îª400nm¡«700nm¡£ÔÚ¹âÊø·¶Î§ÄÚʹÓùâѧÒÇÆ÷£¬Õâ¶ÔʹÓÃÈËÔ±À´ËµÊDZȽÏΣÏյġ£ |
| 3¼¶R |
ÕâÊÇÔÚ302.5nm¡«106nmµÄ²¨³¤·¶Î§ÄÚͶÉäµÄ¼¤¹â¡£Ö±½ÓÔÚ¹âÊø·¶Î§ÄÚ¹Û²ì´æÔÚDZ·üÐÔµÄΣÏÕ¡£ |
| 3¼¶B |
ÕâÊÇÖ±½ÓÔÚ¹âÊø·¶Î§ÄÚ¹Û²ì»á·¢ÉúΣÏյļ¤¹â¡£Ò»°ã²ÉÓÃÀ©É¢·´ÉäµÄ¹Û²ì·½Ê½£¬ÕâÑù±È½Ï°²È«¡£ |
| 4¼¶ |
ÕâÊÇ»áÒýÆðÀ©É¢·´ÉäµÄ¼¤¹â£¬±È½ÏΣÏÕ¡£²»½ö»áʹƤ·ôÊÜË𣬻¹¿ÉÄܵ¼Ö»ðÔÖ¡£ |
¹ØÓÚ¼¤¹â°²È«´ëÊ©
¡¤ ΪÁ˰²È«Ê¹Óü¤¹â²úÆ·£¬ÎÒÃÇ×ñÕÕIEC 60825-1-2001(JIS C6802-2005)£¬¶Ô¡°¼¤¹â²úÆ·°²È«±ê×¼¡±×ö³öÁËÃ÷È·µÄ¹æ¶¨¡£Ê¹ÓÃǰ£¬ÇëÏÈÈ·ÈϾßÌåÄÚÈÝ¡£
¡ù¼¤¹â²úÆ·µÄ°²È«±ê×¼ ÒÀ¾Ý¸½±íD.3
| ¼¶±ð |
¶¥¼¶ |
¶¥¼¶M |
2¼¶ |
2¼¶M |
3¼¶R |
3¼¶B |
4¼¶ |
¼¤¹â°²È« ¹ÜÀíÈËÔ± |
Ëä²»ÐèÒª£¬µ«½¨ÒéÄúÔÚÐèÖ±½Ó¹Û²ì¼¤¹â¹âÊøµÄÓÃ;ʱ½øÐÐÅäÖᣠ|
¿ÉÊÓ»¯Í¶Éäʱ²»ÐèÒª¡£·Ç¿ÉÊÓ»¯Í¶ÉäʱÐèÒª¡£ |
ÐèÒª |
| Ò£¿ØÁªËø |
²»ÐèÒª |
Á¬½ÓÓÚ·¿¼äµç·»òÃŵç·ÉÏ¡£ |
| Ô¿³×¿ØÖÆ |
²»ÐèÒª |
²»Ê¹ÓÃʱ£¬ÇëÊÂÏȰÎÏÂÔ¿³×¡£ |
¹âÊøË¥¼õ Æ÷ |
²»ÐèÒª |
ʹÓÃʱ£¬Çë±ÜÃâÎÞÒâÖеÄÕÕÉä¡£ |
ͶÉä±êʶ ×°Öà |
²»ÐèÒª |
ÏÔʾ¼¤¹âÒÔ·Ç¿ÉÊÓ»¯²¨³¤ÔËÐС£ |
ÏÔʾ¼¤¹âÔËÐС£ |
| ¾¯¸æ±êʶ |
²»ÐèÒª |
°´ÕÕ¾¯¸æ±êʶµÄÔ¤·À¶Ô²ß |
¹âÊøµÄ¹â ³Ì |
²»ÐèÒª |
¶¥¼¶M(×¢1)Óë3¼¶B Ïàͬ |
²»ÐèÒª |
2¼¶M(×¢2)Óë3¼¶BÏàͬ |
ÀûÓÃÓÐЧ³¤¶ÈµÄ¶Ë²¿£¬½«¹âÊø×÷ΪÖÕ¶Ë¡£ |
| ¾µÃæ·´Éä |
ÎÞËùÐèÊÂÏî |
¶¥¼¶M(×¢1)Óë3¼¶BÏàͬ |
ÎÞËùÐèÊÂÏî |
2¼¶M(×¢2)Óë3¼¶RÏàͬ |
Çë±ÜÃâÂþÎÞÄ¿µÄµÄ·´Éä¡£ |
ÑÛ¾¦µÄ±£ »¤ |
ÎÞËùÐèÊÂÏî |
ÎÞ·¨Ö´Ðм¼ÊõºÍ¹ÜÀí·½ÃæµÄ²½Ö裬ÇÒ³¬¹ýMPEʱÐèÒª¡£ |
| ·À»¤Ò |
ÎÞËùÐèÊÂÏî |
ÓÐʱÐèÒª |
ÐèÒªÌØ±ðָʾ |
| Åàѵ |
ÎÞËùÐèÊÂÏî |
¶¥¼¶M(×¢1)Óë3¼¶RÏàͬ |
ÎÞËùÐèÊÂÏî |
2¼¶M(×¢2)Óë3¼¶BÏàͬ |
±ØÐë¶ÔËùÓвÙ×÷ÈËÔ±ºÍ±£ÑøÈËÔ±½øÐÐÅàѵ |
×¢£º
1) ÊÇÎÞ·¨Âú×ã±í10ÖÐÌõ¼þ1(²ÎÔıê×¼ÕýÎÄ)µÄ¶¥¼¶, , , M¼¤¹â²úÆ·¡£ÎÞ·¨Âú×ã±í10ÖÐÌõ¼þ2(²ÎÔıê×¼ÕýÎÄ)µÄ¶¥¼¶M¼¤¹â²úÆ·Ôò²»ÐèÒª¡£
2) ÊÇÎÞ·¨Âú×ã±í10ÖÐÌõ¼þ1(²ÎÔıê×¼ÕýÎÄ)µÄ2¼¶M¼¤¹â²úÆ·¡£ÎÞ·¨Âú×ã±í10ÖÐÌõ¼þ2(²ÎÔıê×¼ÕýÎÄ)µÄ2¼¶M¼¤¹â²úÆ·Ôò²»ÐèÒª¡£
±¸×¢£º ¸Ã±íËùÁÐÄÚÈÝΪËùÐèÊÂÏîµÄ¸ÅÒª£¬ÎªÄúÌṩ±ãÀû¡£ÓйØÍêÕûµÄËùÐèÊÂÏÇë²ÎÔıê×¼ÕýÎÄ¡£
¸÷²¿·ÖµÄÃû³Æ(·Å´óÆ÷)
¹ØÓÚ¹âµãµ÷½ÚÆ÷£Û½öLS-H21¡õ¡¢LS-H22¡õ£Ý
| ¹âµãµ÷½ÚÆ÷ |
ÄÚ ÈÝ |
 |
ÇëÔÚÓû¼ì²âµÄ¾àÀ뷶ΧÄÚͨ¹ý×óÓÒÐýת¹âµãµ÷½ÚÆ÷£¬À´µ÷½Ú¹âµãÐÎ×´¡£ ²»¹ý£¬ÈçÐýתʱÓÃÁ¦¹ý¶È£¬»áµ¼Öµ÷½ÚÆ÷Ë𻵣¬¾´Çë×¢Òâ¡£ |
°²×°
<·Å´óÆ÷µÄ°²×°·½·¨> ¢Ù ½«·Å´óÆ÷ºó²¿Ç¶Èë35mm¿íµÄDINµ¼¹ìÉÏ¡£ ¢Ú ÔÚ35mm¿íµÄDINµ¼¹ìÉÏѹס·Å´óÆ÷ºó²¿µÄͬʱ£¬½«·Å´óÆ÷ǰ²¿Ç¶Èë35mm¿íµÄDINµ¼¹ìÉÏ¡£ |
 |
<·Å´óÆ÷µÄ²ðж·½·¨> ¢Ù ÊÖÄ÷ŴóÆ÷£¬½«ÆäÏòÇ°ÍÆ¡£ ¢Ú ÌáÆð·Å´óÆ÷ǰ¶Ë£¬¼´¿É²ðж¡£ ×¢£º Èç¹ûûÓÐÏòÇ°ÍÆ·Å´óÆ÷¾ÍÌáÆðǰ¶ËµÄ»°£¬°²×°²¿·Öºó¶ËµÄ¹Ò¹³¿ÉÄÜ»áÕÛËð¡£¾´Çë×¢Òâ¡£ |
 |
<¼ì²âÍ·µÄ°²×°> ¢Ù ½«¼ì²âÍ·Á¬½ÓÆ÷²¿´Ó²åÈë¿Ú²åÈ룬ֱµ½Ìýµ½¡°¿¨àª¡±Ò»Éù¡£ ¢Ú ÔÙÔÚÁ¬½ÓÆ÷ÉÏ×°ÉÏÍâÕÖ¡£ |
 |
¡¤½ô¹ÌŤ¾ØÓ¦Îª0.5N¡¤mÒÔÏ¡£

|
´Óˮƽ·½Ïò»ò´¹Ö±·½Ïò°²×°¼ì²âͷʱ£¬ÇëÈçÏÂͼ¢ÙËùʾ£¬Í¬Ñù°´Ë®Æ½·½Ïò»ò´¹Ö±·½Ïò°²×°·´Éä¾µ¡£Èç¹û´Óˮƽ·½Ïò»ò´¹Ö±·½Ïò°²×°¼ì²âÍ·£¬¶ø½«·´Éä¾µÇãб°²×°(ÈçÏÂͼ¢ÚËùʾ)£¬»áʹ·´ÉäÁ¿½µµÍ£¬´Ó¶øµ¼Ö¼ì²â²»Îȶ¨¡£
|
ÕýÈ·µÄ°²×°·½·¨(ͼ¢Ù) ´Óˮƽ·½Ïò»ò´¹Ö±·½Ïò°²×°¼ì²âÍ·£¬·´Éä¾µÒ²ÏàÓ¦°´Ë®Æ½·½ Ïò»ò´¹Ö±·½Ïò°²×°Ê± |
 |
´íÎóµÄ°²×°·½·¨(ͼ¢Ú) ´Óˮƽ·½Ïò»ò´¹Ö±·½Ïò°²×°¼ì²âÍ·£¬½«·´Éä¾µÇãб°²×°Ê± |
 |
ÓÃÓÚÏßÐÔ·´ÉäµÄ͸¾µ¸½¼þ(LS-MR1)
¡¤ °²×°ÔÚ³¤¼ì²â¾àÀëÏßÐÔ·´ÉäÐÍLS-H22¡õÉϵÄÏßÐÔ·´ÉäÓÃ͸¾µ¸½¼þLS-MR1¿É²ðж¡£Èç¹û½«LS-MR1²ðÏÂʹÓ㬿ɾßÓÐÓ볤¼ì²â¾àÀë¹âµã·´ÉäÐÍLS-H21¡õͬµÈµÄÐÔÄÜ¡£ÁíÍ⣬»¹¿É½«ÁíÊÛµÄLS-MR1°²×°ÔÚLS-H21¡õÉÏ£¬´Ó¶ø¿ÉʹÆä¾ßÓÐÓëLS-H22¡õͬµÈµÄÐÔÄÜ¡£
¡¤ ÇëÎðʹ»Ò³¾¡¢ÎÛ¹¸¡¢Ë®¡¢ÓͺÍÓÍÖ¬µÈÕ³¸½ÓÚ͸¾µ²¿¡£
¡¤ ÇëÎðÔÚLS-MR1ÉÏ·´ÏòÊ©¼Ó¹ý¶ÈÍâÁ¦£¬Õâ¿ÉÄÜ»áʹÆäË𻵡£
¢Ù ½«ÂÝË¿µ¶²åÈë¼ì²âÍ·Éϲ¿µÄ¹Ì¶¨°¼²ÛÖС£
¢Ú ÔÚ¢ÙµÄ״̬ÏÂʹÂÝË¿µ¶Çãб£¬²ðÏÂLS-MR1¡£
¢Ù LS-MR1µÄ¹Ì¶¨Óùҹ³Éϲ¿Óëϲ¿´óС¸÷Ò졣ȷÈϺ󣬽«LS-MR1ÉÏϲ¿µÄ¹Ì¶¨Óùҹ³²åÈë¼ì²âÍ·µÄÉÏϹ̶¨°¼²ÛÖС£ ¢Ú °²×°ºó£¬ÇëÈ·ÈÏLS-MR1ÇÐʵ¹Ì¶¨ÔÚ¼ì²âÍ·ÉÏ¡£ |
 |
ÅäÏß
¡¤ ÇëÎñ±ØÔÚÇжϵçÔ´µÄ״̬ϽøÐÐÅäÏß×÷ÒµºÍÁ¬½Ó×÷Òµ¡£
¡¤ÇëÈ·ÈϵçÔ´µÄ±ä¶¯£¬ÒÔÃâµçÔ´ÊäÈ볬¹ý¶î¶¨·¶Î§¡£
¡¤ Íâ¼Ó³¬¹ý¶î¶¨·¶Î§µÄµçѹ»òÖ±½ÓÁ¬½ÓÔÚ½»Á÷µçÔ´ÉÏ£¬¿ÉÄܵ¼ÖÂË𻵻òÉÕ»Ùʹʣ¬¾´Çë×¢Òâ¡£
¡¤ ¸ºÔضÌ·»òÅäÏß´íÎó¿ÉÄܵ¼ÖÂË𻵻òÉÕ»Ùʹʣ¬¾´Çë×¢Òâ¡£
¡¤ Çë±ÜÃâÓë¸ßѹÏߺͶ¯Á¦Ïß²¢ÐÐÅäÏߣ¬»òʹÓÃͬһÅäÏ߹ܡ£·ñÔò»áÒòµç´Å¸ÐÓ¦¶øµ¼ÖÂÎó¶¯×÷¡£
¡¤ ÇëÎñ±ØÔÚÖ±Á÷µçÔ´ÖÐʹÓøôÀë±äѹÆ÷¡£Èç¹ûʹÓÃ×Ôñî±äѹÆ÷£¬¿ÉÄÜ»áË𻵱¾Ìå»òµçÔ´¡£
¡¤ ÇëÎñ±ØÔÚÁ¬½ÓÆ÷ÐÍLS-401(P)ÖÐʹÓÃÁíÐгöÊ۵ĵ¥´¥Ê½µçÀ¡£ÁíÍ⣬ÑÓ³¤µçÀÂʱ£¬¿Éͨ¹ý½ØÃæ»ýΪ0.3mm2ÒÔÉϵĵçÀ½«È«³¤ÑÓ³¤ÖÁ100m¡£²»¹ý£¬Îª±ÜÃâ¸ÉÈÅ£¬Ç뾡Á¿Ëõ¶ÌÅäÏß¡£
ÆäËü
¡¤ ʹÓÃʱÇë±Ü¿ªµçÔ´½ÓͨʱµÄ¹ý¶É״̬(0.5s)¡£
¡¤ ÓëÆäËüģʽÏà±È£¬U-LGģʽ¾ß±¸½Ï¸ßµÄÁéÃô¶È£¬Òò´ËÈÝÒ×Êܵ½Íⲿ¸ÉÈŵÄÓ°Ïì¡£ÇëÔÚÈ·ÈÏʹÓû·¾³ºóÔÙʹÓá£
¡¤ÇëÎðÔÚÊÒÍâʹÓá£
¡¤ÇëÎðÔÚÕôÆû¡¢»Ò³¾µÈ½Ï¶àµÄ³¡ËùʹÓá£
¡¤ ÇëÎðʹ²úÆ·ºÍÏ¡ÊͼÁµÈÓлúÈܼÁ»òË®¡¢ÓÍÒÔ¼°ÓÍÖ¬Ö±½Ó½Ó´¥¡£
¡¤²»ÄÜÔÚ¾ßÓпÉȼÐÔ¡¢±¬Õ¨ÐÔµÄÆøÌå»·¾³ÖÐʹÓá£
¡¤ÇÐÎð¶Ô²úÆ·½øÐзֽâάÐÞ»ò¸ÄÔì¡£
·Å´óÆ÷

°´ÏÂMODE°´Å¥²¢°´Í¼ËùʾÇл»Ä£Ê½¡£
¡¤¸÷ÏîÄ¿µÄÉ趨£¬ÇëÔÚÉ趨ΪÊä³ö1»ò2Ö®ºó½øÐС£NAVIģʽʱÇë°´MODE°´Å¥Á½ÃëÒÔÉÏ¡£É趨ΪÊä³ö1ʱSelect1ָʾµÆ(»ÆÉ«)ÁÁÆð£¬É趨ΪÊä³ö2ʱelect2ָʾµÆ(»ÆÉ«)ÁÁÆð¡£ ¡¤Êä³ö1ºÍÊä³ö2¸ö±ðËùÄÜÉ趨µÄÄÚÈݽöΪÈçÏÂËù¼ÇÏîÄ¿¡£Ï¼ÇÏîÄ¿ÒÔÍâΪ¹²Í¬µÄÄÚÈÝ¡£(µ«ÊÇ£¬ÓÃÖ±½Ó´úÂë½øÐеÄÉ趨½ö¿ÉÒÔÉ趨Êä³ö¹¤×÷ÖеÄÊä³ö1/2×éºÏ¡£Êä³ö¹¤×÷ÒÔÍâ½öÊä³ö1ΪÓÐЧ¡£) 1»ù×¼Öµ¡¡2Êä³ö¹¤×÷ 3¶¨Ê±¹¤×÷ºÍ¶¨Ê±Ê±¼ä¡¡4¼ì²âģʽ |
 |
¡¤ MODEָʾµÆ¡¤RUN(ÂÌÉ«)ÁÁÆðʱ¿ÉÒÔ΢µ÷»ù×¼Öµ¡£ ¡¤ Í»³ö¿ª¹Øµ¹Ïò¡°+¡±»ò¡°-¡±²àʱ£¬»ù×¼ÖµÉÏϵ÷Õû¡£
 É趨Ϊ´°Ê½±È½Ïģʽ»òÕßÓ¦²îģʽʱ£¬Èç¹ûÍ»³ö¿ª¹Øµ¹Ïò¡°£«¡±»ò¡°£¡±²à£¬RUNģʽÉ趨µÄÊä³ö1¡°¡¡ »òÕß¡° ¡±ÏÔʾºó»ù×¼ÖµÉÏϵ÷Õû¡£ É趨ΪÊä³ö1¡° ¡±µÄ״̬Ï£¬Í»³ö¿ª¹Øµ¹Ïò¡°£«¡±²àʱ£¬ÈçÏÂÏÔʾ¡£
 |
MODEָʾµÆ¡¤RUN(ÂÌÉ«)ÁÁÆðʱ£¬Í¬Ê±³ÖÐø°´Í»³ö¿ª¹ØºÍMODE°´Å¥3ÃëÒÔÉÏ£¬°´Å¥²Ù×÷Ëø¶¨¡£ÔٴγÖÐø°´×¡3ÃëÒÔÉÏ£¬Ëø¶¨½â³ý¡£
¡¤ MODEָʾµÆ¡¤TEACH(»ÆÉ«)µÆÁÁʱ£¬¿ÉÒÔ½øÐлù×¼ÖµµÄÉ趨¡£
ͨ³£Ä£Ê½
<2µã½Ìµ¼> ¡¤Îª¶ÔÓÐÎÞÎïÌå״̬Õâ2µã½øÐн̵¼£¬²¢É趨»ù×¼ÖµµÄ·½·¨¡£Í¨³£ÓÃÕâÖÖ·½·¨É趨¡£ |
<ÏÞ¶¨½Ìµ¼> ¡¤ Ϊֻ¶ÔÎÞÎïÌå״̬(Èë¹âÁ¿Îȶ¨µÄ״̬)½øÐн̵¼£¬²¢¼ì²âÓб³¾°ÎïÌ弰΢СÎïÌåµÄ»ù×¼ÖµÉ趨·½·¨¡£ |
 |
¢Ù°´ÏÂMODE°´Å¥Ò»´Î£¬Îª¡°TEACHģʽ¡±¡£ ÓÐÎïÌå״̬ϰ´Í»³ö¿ª¹Ø¡£ ¢ÚÎÞÎïÌå״̬°´ÏÂÍ»³ö¿ª¹Ø¡£ MODEָʾµÆ¡¤TEACH(ÂÌÉ«)ÉÁ˸¡£ ¢Û²½Öè¢ÙºÍ¢ÚµÄÖмä¿ÉÒÔÉ趨»ù×¼Öµ¡£ ¿ÉÒÔ½øÐÐÎȶ¨¼ì²âʱ£ººìÉ«Êý×ÖÏÔʾ²¿¡° ¡±ÁÁÆð¡£ ²»¿ÉÒÔ½øÐÐÎȶ¨¼ì²âʱ£ººìÉ«Êý×ÖÏÔʾ²¿¡° ¡°ÁÁÆð¡£ |
 |
¢Ù°´ÏÂMODE°´Å¥Ò»´Î£¬Îª¡°TEACHģʽ¡±¡£ ÎÞÎïÌå״̬°´ÏÂÍ»³ö¿ª¹Ø¡£ ¢ÚMODEָʾµÆ¡¤TEACH(ÂÌÉ«)ÉÁ˸¡£ ¢Û½«Í»³ö¿ª¹Øµ¹Ïò¡°£«¡±»ò¡°-¡±²à¡£ Èôµ¹Ïò¡°£«¡±²à£¬×ª»»ÖÁÏà¶Ô²½Öè1Ô¼¸ß15%µÄ»ù×¼Öµ(µÍÁéÃô¶È)²à¡£(×¢) Èôµ¹Ïò¡°-¡±²à£¬×ª»»ÖÁÏà¶Ô²½Öè1Ô¼µÍ15%µÄ»ù×¼Öµ(¸ßÁéÃô¶È)²à¡£(×¢) ×¢£º×ª»»Á¿µÄÔ¼15%Ϊ³õʼֵ¡£×ª»»Á¿ÔÚPRO1ģʽ¿ÉÒÔÔ¼5¡«200%(1%µ¥Î»)½øÐÐÇл»¡£ ¢Ü¿ÉÒÔ½øÐÐÎȶ¨¼ì²âʱ£ººìÉ«Êý×ÖÏÔʾ²¿¡° ¡±ÁÁÆð¡£ ²»¿ÉÒÔ½øÐÐÎȶ¨¼ì²âʱ£ººìÉ«Êý×ÖÏÔʾ²¿¡° ¡±ÁÁÆð¡£ |
<È«×Ô¶¯½Ìµ¼> ¡¤ÔÚ²»Í£Ö¹Éú²úÏß¼ÌÐøÒÆ¶¯ÎïÌåµÄ״̬ÏÂÉ趨»ù׼ֵʱ£¬ÓÃÈ«×Ô¶¯½Ìµ¼½øÐÐÉ趨¡£ |
 |
¢Ù°´ÏÂMODE°´Å¥Ò»´Î£¬Îª¡°TEACHģʽ¡±¡£ÔÚÎïÌåÔËÐÐ״̬ϳ¤Ê±¼ä°´×¡Í»³ö¿ª¹Ø¡£ ¢ÚÂÌÉ«Êý×ÖÏÔʾ²¿ÏÔʾΪ¡° ¡±£¬ÓÐÎïÌåͨ¹ýʱ¾ÍËÉ¿ªÍ»³ö¿ª¹Ø¡£ MODEָʾµÆ¡¤TEACH(ÂÌÉ«)ÉÁ˸¡£ ¢Û¿ÉÒÔ½øÐÐÎȶ¨¼ì²âʱ£ººìÉ«Êý×ÖÏÔʾ²¿¡° ¡±ÁÁÆð¡£ ²»¿ÉÒÔ½øÐÐÎȶ¨¼ì²âʱ£ººìÉ«Êý×ÖÏÔʾ²¿¡° ¡±ÁÁÆð¡£ |
´°Ê½±È½Ïģʽ¡¢Ó¦²îģʽ¡¤´°Ê½±È½ÏģʽΪ´Ó¸÷ÖÖ´óСÐÎ̬¸÷ÒìµÄÎïÌåÖмì²â³öÖмäµÄÎïÌåʱʹÓá£
¡¤Ó¦²îģʽΪµ÷ÕûÓ¦²î£¬¼´Ê¹°¼Í¹²»Æ½µÄÎïÌåÒ²ÄÜÏû³ý°¼Í¹²¿µÄÓ°Ï죬´Ó¶øÎȶ¨µÄ½øÐмì²â¡£
¡¤ÓÉPRO6ģʽԤÏȽøÐÐÑ¡Ôñ¡£ÏêÇéÇë²ÎÔÄ¡°PROģʽ¡¤PRO6ģʽÉ趨¡±¡£
<1µã½Ìµ¼> ¡¤ÎªÈÎÒâÉ趨ת»»Öµ£¬²¢¸ù¾Ý1µã½Ìµ¼É趨»ù×¼Öµ·¶Î§µÄ·½·¨¡£ |
´°Ê½±È½Ïģʽ
![´°Ê½±È½Ïģʽ]](/Editor/UploadFiles/products02/20081223144613216.gif) Ó¦²îģʽ
 |
 |
¢Ù°´ÏÂMODE°´Å¥Ò»´Î£¬Îª¡°TEACHģʽ¡±¡£´Ëʱ£¬ÂÌÉ«Êý×ÖÏÔʾ²¿Îª¡° ¡±¡£ ÔÚÓÐÎïÌåµÄ״̬ϰ´ÏÂÍ»³ö¿ª¹Ø¡£ |
¢Ú´ÓÂÌÉ«Êý×ÖÏÔʾ²¿µÄÈë¹âÁ¿ÒýÈëת»»Öµ(100digit»ò15%)µÄ»ù×¼Öµ(1_SL)ºÍ´ÓÈë¹âÁ¿¼ÓÉÏת»»Öµ (100digit»ò15%)µÄ»ù×¼Öµ(2_SL)½»ÌæÉÁ˸¡£(×¢1) (×¢2) ¿ÉÒÔ½øÐÐÎȶ¨¼ì²âʱ£ººìÉ«Êý×ÖÏÔʾ²¿¡° ¡±ÁÁÆð¡£ ²»¿ÉÒÔ½øÐÐÎȶ¨¼ì²âʱ£ººìÉ«Êý×ÖÏÔʾ²¿¡° ¡±ÁÁÆð¡£ |
×¢£º1) ת»»ÖµµÄ100digit»òÕß15%Ϊ³õʼֵ¡£×ª»»Öµ¿ÉÓÃPRO6ģʽ½øÐÐÉ趨¡£ ×¢£º2)É趨ºóµÄÖµ³¬¹ý×î´ó(×îС)ʱ£¬¹Ì¶¨Îª×î´ó(×îС)ÁéÃô |
<2µã½Ìµ¼> ¡¤Îª½øÐÐ2µã(P-1¡¢P-2)µÄ½Ìµ¼£¬²¢É趨»ù×¼Öµ·¶Î§µÄ·½·¨¡£ |
´°Ê½±È½Ïģʽ
 Ó¦²îģʽ
 |
 |
¢Ù°´ÏÂMODE°´Å¥Ò»´Î£¬Îª¡°TEACHģʽ¡±¡£´Ëʱ£¬ÂÌÉ«Êý×ÖÏÔʾ²¿Îª¡° ¡±¡£ ÔÚÓÐÎïÌåµÄ״̬ϰ´ÏÂÍ»³ö¿ª¹Ø¡£ |
¢ÚÂÌÉ«Êý×ÖÏÔʾ²¿ÉÁ˸Ϊ¡° ¡±¡£ µÚ¶þ´Î£¬ÔÚÓÐÎïÌåµÄ״̬ϰ´ÏÂÍ»³ö¿ª¹Ø¡£ |
¢ÛÂÌÉ«Êý×ÖÏÔʾ²¿µÚ1µãµÄÖµ(1_SL)ºÍµÚ2µãµÄÖµ(2_SL)½»ÌæÉÁ˸¡£(×¢) ¿ÉÒÔ½øÐÐÎȶ¨¼ì²âʱ£ººìÉ«Êý×ÖÏÔʾ²¿¡° ¡±ÁÁÆð¡£ ²»¿ÉÒÔ½øÐÐÎȶ¨¼ì²âʱ£ººìÉ«Êý×ÖÏÔʾ²¿¡° ¡±ÁÁÆð¡£ |
| ×¢£ºÉ趨ºóµÄÖµ³¬¹ý×î´ó(×îС)ʱ£¬¹Ì¶¨Îª×î´ó(×îС)ÁéÃô¶È¡£ |
| |
|
|
<3µã½Ìµ¼> ¡¤Îª½øÐÐ3µã(P-1¡¢P-2¡¢P-3)µÄ½Ìµ¼£¬ÈçÏÂͼËùʾÔÚ¡°A¡±Óë¡°B¡±ÖмäÉ趨»ù×¼Öµ(1_SL)ºÍÔÚ¡°B¡±Óë¡°C¡±ÖмäÉ趨»ù×¼Öµ(2_SL)£¬²¢É趨»ù×¼Öµ·¶Î§µÄ·½·¨¡£ ¡¤P-1¡¢P-2¡¢P-3½Ìµ¼ºó£¬×Ô×îСֵ¿ªÊ¼°´¡°A¡±¡°B¡±¡°C¡±ÒÀ´Î×Ô¶¯²¢Áб任¡£ |
 |
 |
¢Ù°´ÏÂMODE°´Å¥Ò»´Î£¬Îª¡°TEACHģʽ¡±¡£´Ëʱ£¬ÂÌÉ«Êý×ÖÏÔʾ²¿Îª¡° ¡±¡£ ÔÚÓÐÎïÌåµÄ״̬ϰ´ÏÂÍ»³ö¿ª¹Ø¡£ |
¢ÚÂÌÉ«Êý×ÖÏÔʾ²¿ÉÁ˸Ϊ¡° ¡±¡£ µÚ¶þ´Î£¬ÔÚÓÐÎïÌåµÄ״̬ϰ´ÏÂÍ»³ö¿ª¹Ø¡£ |
¢ÛÂÌÉ«Êý×ÖÏÔʾ²¿ÉÁ˸Ϊ¡° ¡±¡£ µÚÈý´Î£¬ÔÚÓÐÎïÌåµÄ״̬ϰ´ÏÂÍ»³ö¿ª¹Ø¡£ |
¢ÜÂÌÉ«Êý×ÖÏÔʾ²¿Îª¡°A¡±Óë¡°B¡±ÖмäµÄ»ù×¼Öµ(1_SL)ºÍ¡°B¡±Óë¡°C¡±ÖмäµÄ»ù×¼Öµ(2_SL)½»ÌæÉÁ˸¡£(×¢) ¿ÉÒÔ½øÐÐÎȶ¨¼ì²âʱ£ººìÉ«Êý×ÖÏÔʾ²¿¡° ¡±ÁÁÆð¡£ ²»¿ÉÒÔ½øÐÐÎȶ¨¼ì²âʱ£ººìÉ«Êý×ÖÏÔʾ²¿¡° ¡±ÁÁÆð¡£ |
| ×¢£ºÉ趨ºóµÄÖµ³¬¹ý×î´ó(×îС)ʱ£¬¹Ì¶¨Îª×î´ó(×îС)ÁéÃô¶È¡£ |
΢·Ö¼ì²âģʽ
¡¤½ö¼ì²â¹âÁ¿µÄ¼±¾ç±ä»¯µÄģʽ¡£ ¡¤ÓÃPRO6ģʽԤÏÈÑ¡Ôñ¡£ÏêÇéÇë²ÎÔÄ¡°PROģʽ¡¤PRO6ģʽÉ趨¡±¡£ ¡¤ÓÃPRO6ģʽÉ趨΢·Öģʽʱ£¬Îª×î´óÁéÃô¶È(×îС»ù×¼Öµ)¡£ »ù×¼Öµ¿ÉÓûù׼ֵ΢µ÷ģʽ½øÐÐÉ趨¡£ ÏêÇéÇë²ÎÔÄ¡°»ù׼ֵ΢µ÷ģʽ¡±¡£ |
¡´Î¢·ÖģʽʱµÄ·ù¶Èµ÷Õû¡µ
 |
¡¤MODEָʾµÆ¡¤PRO(»ÆÉ«)ÁÁʱ£¬
¿ÉÒÔ½øÐÐPROģʽµÄÉ趨¡£
| PRO1ģʽÉ趨 |
PRO2ģʽÉ趨 |
 |
 |
| PRO3ģʽÉ趨 |
¹ØÓÚ¹âͨÐÅ ¡¤Í¨¹ý¹âͨÐÅ×ÛºÏʹÓÃÊý¾Ý¿âÔØÈë/±£´æ¹¦Äܺ͸´Öƹ¦ÄÜʱ£¬Ö»ÄÜ´Ó²Ù×÷ÖеķŴóÆ÷(Ö÷»ú)ÏòÓÒ²àÁ¬½ÓµÄ·Å´óÆ÷(×Ó»ú)½øÐÐÔØÈë/±£´æºÍ¸´ÖÆ¡£µ«ÊÇ£¬Èô×Ó»úµÄ·Å´óÆ÷ÔÚÉ趨ÖÐ(ÏÔʾ²¿ÉÁ˸)»ò´¦ÓÚPROģʽÉ趨״̬ÒÔ¼°Í¨ÐÅÉ趨ÓÚδÐí¿Éʱ£¬ÔØÈë/±£´æÒÔ¼°¸´ÖƲ»ÄܽøÐС£²¢ÇÒ£¬¹âͨÐŽøÐÐʱ¼ì²â²Ù×÷Í£Ö¹¡£ |
 |
 |
| PRO4ģʽÉ趨 |
PRO5ģʽÉ趨 |
 |
 |
| PRO6ģʽÉ趨 |
|
| ¡ñÊä³ö1ʱ |
¡ñÊä³ö2ʱ |
 |
 |

ÂÌÉ«Êý×ÖÏÔʾ²¿

ºìÉ«Êý×ÖÏÔʾ²¿
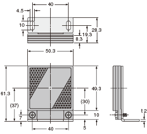
³ß´ç(µ¥Î»£ºmm)
LS-H91(-A) LS-H91F(-A) ¼ì²âÍ· |
LS-H92 LS-H92F ¼ì²âÍ· |
 |
 |
LS-H21(-A) LS-H21F(-A) ¼ì²âÍ· |
LS-H22 LS-H22F ¼ì²âÍ· |
 |
 |
LS-401 LS-401P ·Å´óÆ÷ |
LS-401-C2 LS-401P-C2 ·Å´óÆ÷ |
 |
 |
CN-74-C1 CN-74-C2 CN-74-C5 ĸµçÀÂ(ÁíÊÛ) |
CN-72-C1 CN-72-C2 CN-72-C5 ×ÓµçÀÂ(ÁíÊÛ) |
 |
 |
MS-DIN-E βÅÌ(ÁíÊÛ) |
RF-230 ·´Éä¾µ£ÛLS-H92(F)Éϸ½´ø£Ý |
 |
 |
RF-330 ·´Éä¾µ(LS-H91Éϸ½´ø) |
RF-310 ·´Éä¾µ(ÁíÊÛ) |
 |
 |
RF-33 RF-31 ·´Éä´ø(ÁíÊÛ) |
 |
|
MS-DIN-2 ·Å´óÆ÷°²×°Ö§¼Ü(ÁíÊÛ) |
MS-CX-1 ¼ì²âÍ·°²×°Ö§¼Ü(ÁíÊÛ) |
 |
 |
MS-CX-2 ¼ì²âÍ·°²×°Ö§¼Ü(ÁíÊÛ) |
MS-CX-3 ¼ì²âÍ·°²×°Ö§¼Ü(ÁíÊÛ) |
 |
 |
MS-CX-4 ¼ì²âÍ·°²×°Ö§¼Ü(ÁíÊÛ) |
 |
MS-CX-11 ¹âÖá΢µ÷°²×°Ö§¼Ü(ÁíÊÛ) |
 |
MS-RF23 RF-230Ó÷´Éä¾µ°²×°Ö§¼Ü(ÁíÊÛ) |
 |
°²×°Í¼
 |
MS-AJ1 ͨÓô«¸ÐÆ÷°²×°¼Ü(ÁíÊÛ) |
×¢£º ¸Ã³ß´çÊÇÖ¸»î¶¯²¿Î»µÄ¿Éµ÷·¶Î§¡£ |
MS-AJ2 ͨÓô«¸ÐÆ÷°²×°¼Ü(ÁíÊÛ) |
×¢£º ¸Ã³ß´çÊÇÖ¸»î¶¯²¿Î»µÄ¿Éµ÷·¶Î§¡£ |
MS-AJ1-A ͨÓô«¸ÐÆ÷°²×°¼Ü(ÁíÊÛ) |
 ×¢£º1) ¸Ã³ß´çÊÇÖ¸»î¶¯²¿Î»µÄ¿Éµ÷·¶Î§¡£ 2) Óйش«¸ÐÆ÷°²×°Ö§¼ÜµÄ³ß´ç£¬Çë²ÎÔÄMS-AJ1/AJ2(»ù±¾×é¼þ)¡£ |
MS-AJ2-A ͨÓô«¸ÐÆ÷°²×°¼Ü(ÁíÊÛ) |
 ×¢£º 1) ¸Ã³ß´çÊÇÖ¸»î¶¯²¿Î»µÄ¿Éµ÷·¶Î§¡£ 2) Óйش«¸ÐÆ÷°²×°Ö§¼ÜµÄ³ß´ç£¬Çë²ÎÔÄMS-AJ1/AJ2(»ù±¾×é¼þ)¡£ |