СÐ͹âµç´«¸ÐÆ÷
CX-400ϵÁÐ
ÌØµã£º¹ú¼Ê±ê×¼¹âµç´«¸ÐÆ÷£¬ÖÖÀàÆëÈ«£¡

²úÆ·ÌØµã
×ܼÆ116ÖÖÐͺţ¬·á¸»ÓÖÆëÈ«CX-400ϵÁо߱¸ÓÅÒìµÄ»ù±¾ÐÔÄܺÍÀíÏëµÄÐԼ۱ȣ¬ÔÙ¼ÓÉϲúÆ·¹æ¸ñ·á¸»£¬ÄúÒ»¶¨ÄÜÕÒµ½ËùÐèµÄ´«¸ÐÆ÷¡£
| ²úÆ·ÀàÐÍ |
¼ì²â¾àÀë |
| ͸¹ýÐÍ(³¤¾àÀë¼ì²â) |
15m |
| ͸¹ýÐÍ |
10m |
| »Ø¹é·´ÉäÐÍ(³¤¾àÀë¼ì²â) |
5m |
| »Ø¹é·´ÉäÐÍ(´øÆ«¼«Â˹âÆ÷) |
3m |
| »Ø¹é·´ÉäÐÍ(͸Ã÷ÎïÌå¼ì²âÓÃ) |
0.1¡«2m |
| »Ø¹é·´ÉäÐÍ(͸Ã÷ÎïÌå¼ì²âÓÃ) |
50¡«500mm |
| À©É¢·´ÉäÐÍ(800mmÐÍ) |
800mm |
| À©É¢·´ÉäÐÍ(300mmÐÍ) |
300mm |
| À©É¢·´ÉäÐÍ(100mmÐÍ) |
100mm |
| À©É¢·´ÉäÐÍ(ÕÊÓ½Ç) |
70¡«200mm |
| ¾àÀëÉ趨·´ÉäÐÍ |
20¡«300mm |
| ¾àÀëÉ趨·´ÉäÐÍ |
15¡«100mm |
| ¾àÀëÉ趨·´ÉäÐÍ |
2¡«50mm |
| ¾àÀëÉ趨·´ÉäÐÍ(С¹âµã) |
2¡«50mm |
| Êä³ö·½Ê½ |
NPN¡¢PNP |
| Á¬½Ó·½Ê½(×¢1) |
µçÀÂÐÍ¡¢M8Á¬½ÓÆ÷ÐÍ¡¢M12ÖмÌÁ¬½ÓÆ÷ÐÍ |
| µçÀÂÐÍ µçÀ³¤¶È(×¢2) |
0.5m¡¢2m¡¢5m | ×¢£º1) ¾àÀëÉ趨·´ÉäÐͽöÏÞµçÀÂÐͺÍM8Á¬½ÓÆ÷ÐÍ¡£ ×¢£º2) ¾àÀëÉ趨·´ÉäÐͽöÏÞµçÀ³¤¶È2mÐÍ(±ê×¼)¡£
|
¿¹ÓÍ¡¢ÀäÈ´ÒºµÄÄÜÁ¦Ç¿ CX-41¡õ/42¡õ/49¡õ͸¹ýÐÍ¡¢»Ø¹é·´ÉäÐÍ(CX-48¡õ³ýÍâ)¼°À©É¢·´ÉäÐ͵Ä͸¾µ²ÄÖʲÉÓÿ¹ÀäÈ´ÒºÄÜÁ¦Ç¿µÄ±ûÏ©¡£¼´Ê¹°²×°ÔÚÓÍÎí·ÉÉ¢µÄ½ðÊô¼Ó¹¤»úеµÄÖܱߣ¬Òà¿É·ÅÐÄʹÓᣲ¢¾ß±¸IP67µÄ·À»¤µÈ¼¶(IEC)¡£
| ÊÔÑéÓÍ |
JIS±ê×¼ |
²úÆ·Ãû³Æ |
| Èó»¬ÓÍ |
¡ª |
VELOCITY OIL No.3 |
| ·ÇË®ÈÜÐÔÇÐÏ÷Òº |
2ÐÍ5ºÅ |
DUFFNEY CUT AS-30D |
| 2ÐÍ11ºÅ |
YUSHIRON OIL No.2ac(×¢1) |
| Ë®ÈÜÐÔÇÐÏ÷Òº |
W1ÐÍ1ºÅ |
YUSHIRON LUBIC HWC68(×¢1) |
| W2ÐÍ1ºÅ |
YUSHIROKEN S50N(×¢1) | 1,000Сʱ/½þ×Õ(Ë®Éî0m)/¾øÔµµç×è20M¦¸/250V ×¢£º1) YUSHIRONºÍYUSHIROKENÊÇYUSHIRO»¯Ñ§¹¤ÒµÖêʽ»áÉçµÄ×¢²áÉÌ ±ê¡£
|
¿¹¾Æ¾«µÄÄÜÁ¦Ç¿ CX-44¡õ/48¡õ |
| ÕýÃæ¸ÇÕÖ¡¢ÏÔʾ¸ÇÕֵIJÄÖʲÉÓÿ¹¾Æ¾«ÄÜÁ¦Ç¿µÄ¾Û̼Ëáõ¥¡£¼´Ê¹°²×°ÔÚÆÃÈ÷¾Æ¾«ÇåÏ´ÒºµÄʳƷ¼Ó¹¤»úеµÄÖܱߣ¬Òà¿É·ÅÐÄʹÓᣲ¢¾ß±¸IP67µÄ·À»¤µÈ¼¶(IEC)¡£ |
 ×¢£º°²×°Ê±£¬Çë±ÜÃâʹÇåÏ´ÒºÕ´µ½¸½´øÓÚCX-48¡õÖеķ´Éä¾µÉÏ¡£ |
ÓÃ;
¼ì²âËÍ´ø»ú¹¹µÄ¸¡±ê |
ÔÚ»Ò³¾¡¢·Û³¾½Ï¶àµÄ³¡Ëù¼ì²âÎïÌå |
È·ÈÏÔÚ´«ËÍ´øÉϵÄͨ¹ýÇé¿ö |
 |
 |
 |
¼ì²â²£Á§Æ¿ |
¼ì²âСÐÍҩƬ |
¼ì²â±¡Ðͱý¸É |
 |
 |
 |
»ù±¾ÐÔÄÜ
ºìÍâ¹âÊøÖ®Ç¿¹âÊø CX-412 |
ÒÔ2£¥ÒÔϵÄÓ¦²î¿É¼ì²âСµ½0.4mmµÄ¸ßµÍ²î CX-441/443 |
ʵÏÖ¼ì²â¾àÀëΪ15mµÄ³¤¾àÀë¼ì²â¡£Ç¿¾¢µÄ´©Í¸Á¦£¬Òà¿ÉÓÃÓÚ°ü×°ÎïÄÚ²¿µÄ¼ì²âµÈ¡£
 |
Ïà¶ÔÓÚÔÓÐÐͺţ¬ÏȽøµÄ¹âѧϵͳ½«¼ì²âÐÔÄÜÌá¸ßÔ¼2.5±¶¡£¼´±ãÊÇСµ½0.4mmµÄ¸ßµÍ²îÒà¿É׼ȷµØ¼ì²â³ö¡£
 |
²»Ò×ÊÜÑÕÉ«µÄÓ°Ïì CX-441/443 |
»Ø¹é·´ÉäÐÍ(´øÆ«¼«Â˹âÆ÷) CX-491 |
ÎÞÂÛÊǰ×É«¹¤¼þ£¬»¹ÊǺÚÉ«¹¤¼þ£¬¾ù¿É°´ÕÕ¼¸ºõÏàͬµÄ¾àÀë ½øÐмì²â¡£¼´Ê¹Á÷Ë®ÏßÉÏ´æÔÚ²»Í¬ÑÕÉ«µÄ¹¤¼þ£¬ÐèÒªÇл»¹¤ Ðòʱ£¬Ò²ÎÞÐèʹÓõ÷½ÚÆ÷µ÷½Ú¡£
 É趨¾àÀëΪ50mmµÄ°×É«ÎÞ¹âÔóÖ½ÕźÍÁÁ¶ÈΪ5µÄÎÞ¹âÔóÖ½ÕÅ(»ÒÉ«)Ö®¼äµÄ ¼ì²â¾àÀë²îµÍÓÚ1%¡£ |
ÄÚÖÃÆ«¼«Â˹âÆ÷£¬¾ÍÁ¬¾µÃæÌåÒà¿ÉÎȶ¨¼ì²â¡£
 |
͸Ã÷ÎïÌå¼ì²âרÓÃÐÍÎÊÊÀ CX-48¡õ |
²ÉÓöÀÌØµÄ¹âѧϵͳºÍרÃżì²â͸Ã÷ÎïÌåµÄµç·¡£ÓëÒÔÍù²úÆ·Ïà±È£¬¿ÉÎȶ¨µØ¼ì²â¸ü±¡µÄ͸Ã÷ÎïÌå¡£
 |
CX-48¡õ¿É¼ì²âµÄ¸÷Àà͸Ã÷ÎïÌå(µäÐÍʾÀý)
| ¼ì²âÎïÌå |
¼ì²âÎïÌåµÄ´óС |
| °åʽ²£Á§ |
¡õ50mm |
t£½0.7mm |
| Ô²ÖùÐβ£Á§ |
¦Õ 50mm R£½50mm |
t£½1.3mm |
| ±ûÏ©°å |
¡õ50mm |
t£½1.0mm |
| ±½ÒÒÏ©(ËÜÁÏÈíºÐ) |
¡õ50mm |
t£½0.9mm |
| ʳƷ°ü×°´ü |
¡õ50mm |
t£½10¦Ìm |
| Ñ̺б¡Ä¤ |
¡õ50mm |
t£½20¦Ìm |
| ËÜÁÏ´ü |
¡õ50mm |
t£½30¦Ìm |
| PETÆ¿(500mR) |
¡õ¦Õ 66mm | ·´Éä¾µÉ趨¾àÀë CX-481£º300¡«500mm¡¢CX-482£º1¡«2m £Û·´Éä¾µRF-230¡¤´¦ÓÚ×î¼Ñ״̬(×¢1)£Ý ¼ì²âÎïÌåµÄͨ¹ýλÖÃλÓÚ´«¸ÐÆ÷ºÍ·´Éä¾µµÄÖмäʱ¡£ R £ºÔ²ÖùÐβ£Á§µÄ³¤¶È t £º¼ì²âÎïÌåµÄºñ¶È ×¢£º1) Ëùν×î¼Ñ״̬£¬ÊÇÖ¸ÔÚÎÞ¼ì²âÎïÌåµÄ״̬Ï£¬Îȶ¨Ö¸Ê¾µÆÇ¡ºÃµãÁÁʱÉ趨ÁéÃô¶ÈµÄ״̬¡£ |
´Â´ÂÓÐÓàµÄ¼ì²â¾àÀë(5m) |
Ê¡µç |
| ʹÓñãÓÚ¶Ô×¼¹âÖáµÄºìÉ«¹âÊøÐͲúÆ·£¬¿É½øÐ㤶ÈΪ5mµÄ³¤¾àÀë¼ì²â¡£Òà¿ÉÂú×ãºáÏò¿í¶È½Ï¿íµÄ×Ô¶¯¾íÁ±ÃŵÄÐèÇó¡£ |
 |
ÓëÒÔÍù²úÆ·Ïà±È£¬CX-400ϵÁÐ×î¶à¿É½µµÍÔ¼55%µÄÏûºÄµçÁ÷¡£ÒàÓÐÖúÓÚ»·±£¡£ |
 |
»·¾³ÐÔÄÜ
Äͳ¾¡¢ÄÍÔà CX-412 |
¿¹¸ÉÈÅ |
| ²ÉÓúìÍâ¹âÊø×÷Ϊ¹âÔ´¡£ ÓëºìÉ«¹âÊøÐͲúÆ·Ïà±È£¬¸ü¼ÓÄͳ¾¡¢ÄÍÔà¡£ |
 |
´ó·ùÌá¸ß¿¹»÷±äƵ¹âÊøµÈµÄ¸ÉÈŹâÊø¡¢¸ßѹ±äƵÂí´ïµÈ²úÉúµÄ¸ßƵ¸ÉÈÅ¡¢µçÆø¸ÉÈŵÄÄÜÁ¦¡£ |
 |
ÊÊÓ¦ÑϺ®µØ´øµÄÄÜÁ¦Ò²ºÜÇ¿¼´Ê¹ÊÇÔÚ£25¡ãCµÄÑϺ®µØ´ø£¬Òà¿É·¢»Ó³öÎȶ¨µÄÐÔÄÜ¡£ |
°²×°
²ÉÓøßÁÁ¶È¹âµã¹â£¬±ãÓÚ¶Ô×¼¹âÖá CX-423 |
²ÉÓøßÁÁ¶È¹âµã¹â£¬±ãÓÚ¶Ô×¼¹âÖá CX-44¡õ |
²ÉÓÿÉÊÓÐÔÁ¼ºÃµÄ¸ßÁÁ¶ÈºìÉ«LED¹âµã¹â£¬Ê¹µÃ¼ì²âλÖÃһĿÁËÈ»¡£´ËÍ⣬µ±É趨¾àÀëΪ100mmʱ¿É²ÉÓÃÔ¼¦Õ 2mmµÄ³¬Ð¡¹âµã£»µ±É趨¾àÀëΪ200mmʱ¿É²ÉÓÃÔ¼¦Õ 5mmµÄС¹âµã¡£»¹Äܼì²âϸС µÄ¹¤¼þ¡£ |
 |
´ó·ùÌá¸ß¿¹»÷±äƵ¹âÊøµÈµÄ¸ÉÈŹâÊø¡¢¸ßѹ±äƵÂí´ïµÈ²úÉúµÄ¸ßƵ¸ÉÈÅ¡¢µçÆø¸ÉÈŵÄÄÜÁ¦¡£ |
 |
|
²Ù×÷ÐÔ
¼õÉÙ¹âµãµ÷½ÚÆ÷µÄµ÷½Ú¹¤Ê± CX-42¡õ |
Òà¿ÉÊÊÓÃÓÚ΢ÃîµÄ¼ì²âCX-44¡õ |
¸ù¾Ý¼ì²â¾àÀëµÄ²»Í¬£¬±¸ÓзḻÆëÈ«µÄÆ·ÖÖ¡£Òò´Ë£¬¿ÉºÜ·½±ãµØ¶Ô¹âµã½øÐÐ×î¼Ñµ÷Õû¡£
 |
×°±¸5תÐ͹âµãµ÷½ÚÆ÷¡£¿É¶Ô¾àÀë½øÐо«È·µÄÉ趨£¬·Ç³£¼ò±ã¡£
 |
Æ·Öַḻ
½Úʡʩ¹¤ |
¿É¸ù¾ÝÓÃ;½øÐÐÑ¡ÔñµÄ2ÖÖ¹âµãÖ±¾¶ CX-441/443 |
±¸ÓÐM8Á¬½ÓÆ÷ÐͺÍM12ÖмÌÁ¬½ÓÆ÷ÐÍ¡£ÓÐÖúÓÚ¼õÉÙ°²×°¡¢Î¬»¤¹¤Ê±¡£´ËÍ⣬µçÀÂÐ͵ĵçÀ³¤¶È±¸ÓÐ0.5m¡¢2mºÍ5mÐÍ¡£²»»á³öÏÖ¶àÓàµÄ·ÏÆúÎï¡£
 |
ÔÚ¼ì²â¾àÀëΪ50mmµÄ´«¸ÐÆ÷²úÆ·Öб¸ÓÐ×îÊÊÓÃÓÚ¼ì²âϸС¹¤¼þµÄС¹âµã(Ô¼¦Õ 2mmÐÍ)ÒÔ¼°Òà¿ÉÊÊÓÃÓڿ׽϶à»òÈÝÒײüÕñµÄ¹¤¼þµÄ´ó¹âµã(Ô¼¦Õ 6.5mmÐÍ)¡£
 |
¹¦ÄÜ
ÀûÓÃBGS/FGS¹¦ÄÜÒà¿ÉÇáËÉʵÏÖ¾«È·µÄÉ趨£¡ CX-44¡õ
|
|
|
| ÎÞ±³¾°Ê± |
Óб³¾°Ê± |
¹¤¼þÓë±³¾°ÎïÌå·ÖÀëʱ
 |
±³¾°ÎïÌå½ôÌù¹¤¼þʱ ¹¤¼þÉÏÓйâÔó»ò°¼Í¹²»Æ½Ê±
 |
| ¹ØÓÚBGS(±³¾°ÒÖÖÆ)¹¦ÄÜ |
¹ØÓÚFGS(ǰ¾°ÒÖÖÆ)¹¦ÄÜ |
½öÔÚÊܹâÔª¼þ(¶Ô·ÖÔª¼þ)A´¦Èë¹âʱÅжÏΪÓй¤¼þ¡£ ÓÃÓÚ¹¤¼þºÍ±³¾°ÎïÌå·ÖÀëʱ¡£ ¼ì²âÔÀíºÍÒÔÍùµÄ¾àÀëÉ趨·´ÉäÐÍÏàͬ¡£ |
²»ÔÚÊܹâÔª¼þ(¶Ô·ÖÔª¼þ)B´¦Èë¹âʱÅжÏΪÓй¤¼þ¡£ Òò´Ë£¬Òà¿É¼ì²â´ø¹âÔóµÄ¹¤¼þ¡£ÔÚ±³¾°ÎïÌå½ôÌù¹¤¼þ»ò¼ì²âÎïÌå´ø¹âÔóʱʹÓøù¦Äܽ«·Ç³£·½±ã¡£ |
 |
 |
ÆäËü
¿¹¸ÉÈÅ |
½ÚÊ¡×ÊÔ´ |
ÀûÓ÷À¸ÉÈŹ¦ÄÜ×î¶à¿É½ôÌù°²×°2̨´«¸ÐÆ÷¡£
 |
SUNX¿¼Âǵ½»·±£¶ø²ÉÓüòÒ×ʽ°ü×°£¬¼õÉÙÀ¬»øµÄ²úÉú¡£´ËÍ⣬ÓÉÓÚ°ü×°´üµÄ²ÄÁÏΪ¾ÛÒÒÏ©£¬Òò´Ë¼´Ê¹½«Æä·ÙÉÕÒ²²»»á²úÉúÓк¦ÆøÌå¡£
|
¶©¹ºÖ¸ÄÏ
| ÖÖÀà |
ÐÎ×´ |
¼ì²â¾àÀë |
ÐͺÅ(×¢1) |
Ͷ¹âÔª¼þ |
| NPNÊä |
PNPÊä³ö |
| ͸¹ýÐÍ |
¡ª¡ª¡ª¡ª |
 |
10m |
CX-411 |
CX-411-P |
ºìÉ«LED |
| ³¤¾àÀë |
15m |
CX-412 |
CX-412-P |
ºìÍâLED |
| »Ø¹é·´ÉäÐÍ |
´øÆ«¼« Â˹âÆ÷ |
 |
3m(×¢2) |
CX-491 |
CX-491-P |
ºìÉ«LED |
| ³¤¾àÀë |
5m(×¢2) |
CX-493 |
CX-493-P |
| ͸Ã÷ÎïÌå¼ì²âÓà |
50¡«500mm(×¢2) |
CX-481 |
CX-481-P |
ºìÍâLED |
| 0.1¡«2m(×¢2) |
CX-482 |
CX-482-P |
| À©É¢·´ÉäÐÍ |
¡ª¡ª¡ª¡ª |
 |
100mm |
CX-424 |
CX-424-P |
ºìÍâLED |
| 300mm |
CX-421 |
CX-421-P |
| 800mm |
CX-422 |
CX-422-P |
| ÕÊÓ½ÇÐÍ |
 |
70¡«200mm |
CX-423 |
CX-423-P |
ºìÉ«LED |
| ¾àÀëÉ趨·´ÉäÐÍ |
С¹âµãÐÍ |
 |
2¡«50mm |
CX-441 |
CX-441-P |
ºìÉ«LED |
| ¡ª¡ª¡ª¡ª |
CX-443 |
CX-443-P |
| 15¡«100mm |
CX-444 |
CX-444-P |
| 20¡«300mm |
CX-442 |
CX-442-P |
×¢£º´«¸ÐÆ÷Ö÷Ìåδ¸½´ø°²×°Ö§¼Ü£¬ÒÔ±ã¿É°´ÕÕ°²×°·½·¨½øÐÐÑ¡Ôñ¡£ÇëÑ¡¹ºÁíÐгöÊ۵Ĵ«¸ÐÆ÷°²×°Ö§¼Ü¡£
×¢£º1) ¼ÇÔØÓÚ͸¹ýÐͲúÆ·ÃúÅÆµÄÐͺÅÖдæÔÚ·ûºÅ¡°E¡±µÄ»úÐÍÖ¸µÄÊÇͶ¹âÆ÷¡¢ ´æÔÚ·ûºÅ¡°D¡±µÄ»úÐÍÖ¸µÄÊÇÊܹâÆ÷¡£ (Àý)CX-411µÄͶ¹âÆ÷£ºCX-411E¡¢CX-411µÄÊܹâÆ÷£ºCX-411D ×¢£º2) »Ø¹é·´ÉäÐ͵ļì²â¾àÀëÊÇÖ¸Ïà¶ÔÓÚ·´Éä¾µRF-230µÄÖµ¡£´ËÍ⣬¼ì²â¾àÀë±íʾ¿É¼ì²âÎïÌåµÄ·¶Î§¡£ ϱíÖеļì²â¾àÀëAÒò¼ì²âÎïÌåµÄÐÎ×´µÈ²»Í¬£¬¿ÉÄÜ·¢Éú±ä»¯¡£ÇëÎñ±ØÊ¹ÓÃʵ¼ÊµÄ¼ì²âÎïÌå½øÐж¯×÷È·ÈÏ¡£ |
 |
| |
CX-491¡õ |
CX-493¡õ |
CX-481¡õ |
CX-482¡õ |
| A |
0¡«3m |
0¡«5m |
50¡«500mm |
0.1¡«2m |
| B |
0.1¡«3m |
0.1¡«5m |
100¡«500mm |
0.8¡«2m | |
0.5m/5mµçÀ³¤¶ÈÐÍ
±¸ÓÐ0.5mºÍ5mµçÀ³¤¶ÈÐÍ(±ê׼Ϊ2m)¡£
ÈôÊÇ0.5mµçÀ³¤¶ÈÐÍ£¬ÔòÇëÔÚÐͺÅĩβ¼Ó×¢¡°-C05¡±ºóÔÙÐж©¹º¡£ÈôÊÇ5mµçÀ³¤¶ÈÐÍ£¬ÔòÇëÔÚÐͺÅĩβ¼Ó×¢¡°-C5¡±ºóÔÙÐж©¹º¡£(µ«CX-44¡õ²»Å䱸µçÀ¡£)
(Àý)CX-411-PµÄ0.5mµçÀ³¤¶ÈÐÍΪ¡°CX-411-P-C05¡± CX-411-PµÄ5mµçÀ³¤¶ÈÐÍΪ¡°CX-411-P-C5¡±
M8Á¬½ÓÆ÷ÐÍ¡¢M12ÖмÌÁ¬½ÓÆ÷ÐÍ
±¸ÓÐM8Á¬½ÓÆ÷ÐͺÍM12ÖмÌÁ¬½ÓÆ÷ÐÍ¡£
ÈôÊÇM8Á¬½ÓÆ÷ÐÍ£¬ÔòÇëÔÚÐͺÅĩβ¼Ó×¢¡°-Z¡±ºóÔÙÐж©¹º¡£ÈôÊÇM12ÖмÌÁ¬½ÓÆ÷ÐÍ£¬ÔòÇëÔÚÐͺÅĩβ¼Ó×¢¡°-J¡±ºóÔÙÐж©¹º¡£(µ«CX-44¡õ²»Å䱸M12ÖмÌÁ¬½ÓÆ÷ÐÍ¡£)
(Àý)CX-411-PµÄM8Á¬½ÓÆ÷ÐÍΪ¡°CX-411-P-Z¡± CX-411-PµÄM12ÖмÌÁ¬½ÓÆ÷ÐÍΪ¡°CX-411-P-J¡±
¡¤Æ¥ÅäµçÀÂ(͸¹ýÐÍÐèÒª2¸ùµçÀ¡£)
| ÖÖÀà |
ÐͺŠ|
µçÀ³¤¶È |
˵Ã÷ |
| ÓÃÓÚM8²åÈëʽÁ¬½ÓÆ÷ÐÍ |
Ö±ÏßÐÍ |
CN-24A-C2 |
2m |
¿ÉÓÃÓÚËùÓÐÐͺŠ|
| CN-24A-C2 / CN-24A-C5 |
CN-24AL-C2 / CN-24AL-C5 |
 |
 |
| CN-22-C2, CN-22-C5 / CN-24-C2, CN-24-C5 |
 | |
CN-24A-C5
|
5m |
| ÍäÍ·×´ÐÍ |
CN-24AL-C2 |
2m |
| CN-24AL-C5 |
5m |
| ÓÃÓÚM12ÖмÌÁ¬½ÓÆ÷ÐÍ |
2о |
CN-22-C2 |
2m |
ÓÃÓÚ͸¹ýÐÍͶ¹âÆ÷(2о) |
| CN-22-C5 |
5m |
| 4о |
CN-24-C2 |
2m |
¿ÉÓÃÓÚËùÓÐÐͺŠ(CX-44¡õ³ýÍâ) |
CN-24-C5
|
5m |
¸½¼þ
RF-230(·´Éä¾µ)
Åä¼þ(ÁíÊÛ)
| Æ· Ãû |
ÐÍ ºÅ |
ÏÁ·ì³ß´ç |
¼ì²â¾àÀë |
×îС¼ì²âÎïÌå |
| ÏÁ·ì͸¹âÕÖ |
´«¸ÐÆ÷ |
µ¥²à°²×°Ê± |
Ë«²à°²×°Ê± |
µ¥²à°²×°Ê± |
Ë«²à°²×°Ê± |
Ô²ÐÎÏÁ·ì͸¹âÕÖ (½öÓÃÓÚ͸¹ýÐÍ´«¸ÐÆ÷) |
OS-CX-05 |
CX-411¡õ |
¦Õ0.5mm |
400mm |
20mm |
¦Õ12mm |
¦Õ0.5mm |
| CX-412¡õ |
600mm |
30mm |
| OS-CX-1 |
CX-411¡õ |
¦Õ1mm |
900mm |
100mm |
¦Õ12mm |
¦Õ1mm |
| CX-412¡õ |
1.35m |
150mm |
¦Õ1.5mm |
| OS-CX-2 |
CX-411¡õ |
¦Õ2mm |
2m |
400mm |
¦Õ12mm |
¦Õ2mm |
| CX-412¡õ |
3m |
600mm |
¦Õ3mm |
| ·½ÐÎÏÁ·ì͸¹âÕÖ(½öÓÃÓÚ͸¹ýÐÍ´«¸ÐÆ÷) |
OS-CX-05¡Á6 |
CX-411¡õ |
0.5¡Á6mm |
2m |
400mm |
¦Õ12mm |
0.5¡Á6mm |
| CX-412¡õ |
3m |
600mm |
| OS-CX-1¡Á6 |
CX-411¡õ |
1¡Á6mm |
3m |
1m |
¦Õ12mm |
1¡Á6mm |
| CX-412¡õ |
4.5m |
1.5m |
| OS-CX-2¡Á6 |
CX-411¡õ |
2¡Á6mm |
5m |
2m |
¦Õ12mm |
2¡Á6mm |
| CX-412¡õ |
7.5m |
3m |
| Æ·Ãû |
ÐͺŠ|
¼ì²â¾àÀë |
×îС¼ì²âÎïÌå |
×¢£º 1) Ϊ˫²à°²×°Ê±µÄÖµ¡£ 2) Ç뽫CX-491¡õ/493¡õºÍ·´Éä¾µÖ®¼äµÄ¾àÀëÉ趨Ϊ0.1mÒÔÉÏ¡£CX-48¡õÔò²ÎÔÄÏÂ±í¡£¼ì²â¾àÀëAÒò¼ì²âÎïÌåµÄÐÎ×´µÈ²»Í¬£¬¿ÉÄÜ·¢Éú±ä»¯¡£ÇëÎñ±ØÊ¹ÓÃʵ¼ÊµÄ¼ì²âÎïÌå½øÐж¯×÷È·ÈÏ¡£
| ÐͺŠ|
A |
B |
| ´«¸ÐÆ÷ |
·´Éä¾µ |
| CX-481¡õ |
RF-220 |
50¡«300mm |
100¡«300mm |
| CX-482¡õ |
RF-220 |
0.1¡«1.3m |
0.5¡«1.3m |
| RF-210 |
0.1¡«0.6m |
0.3¡«0.6m | |
·À¸ÉÈÅÂ˹âÆ÷ ( CX-411¡õרÓÃ) |
PF-CX4-V(×ÝÏò) |
5m(×¢1) |
¦Õ12mm(×¢1) |
| PF-CX4-H(ºáÏò) |
5m(×¢1) |
¦Õ12mm(×¢1) |
·´Éä¾µ (»Ø¹é·´ÉäÐÍרÓÃ) |
RF-210 |
CX-491¡õ |
1m(×¢2) |
30mm |
| CX-493¡õ |
1.5m(×¢2) |
| CX-481¡õ |
¡ª¡ª |
| CX-482¡õ |
0.1¡«0.6m(×¢2) |
| RF-220 |
CX-491¡õ |
1.5m(×¢2) |
35mm |
| CX-493¡õ |
3m(×¢2) |
| CX-481¡õ |
50¡«300mm(×¢2) |
| CX-482¡õ |
0.1¡«1.3m(×¢2) |
| Ô²ÐÎÏÁ·ì͸¹âÕÖ |
·½ÐÎÏÁ·ì͸¹âÕÖ |
·À¸ÉÈÅÂ˹âÆ÷ |
·´Éä¾µ |
µ¥´¥Á¬½Ó°²×°ÔÚ´«¸ÐÆ÷ǰ²¿¡£ ¡¤ OS-CX-¡õ
 |
µ¥´¥Á¬½Ó°²×°ÔÚ´«¸ÐÆ÷ǰ²¿¡£ ¡¤ OS-CX-¡õ¡Á6
 |
2̨CX-411¡õ¿ÉÌù½ü°²×°ÔÚÒ»Æð¡£ ¡¤ PF-CX4-V ¡¤ PF-CX4-H
 |
¡¤ RF-210
 ¡¤ RF-220
 |
| Æ· Ãû |
ÐÍ ºÅ |
˵ Ã÷ |
| ·´Éä¾µ°²×°Ö§¼Ü |
MS-RF21-1 |
RF-210Óñ£»¤ÐÔ°²×°Ö§¼Ü ±£»¤·´Éä¾µÃâÊÜË𻵲¢±£³Ö¶ÔÆë״̬¡£ |
| MS-RF22 |
ÊÊÓÃÓÚRF-220 |
| MS-RF23 |
ÊÊÓÃÓÚRF-230 |
| ·´¹â´ø |
RF-11 |
¡¤¼ì²â¾àÀë(×¢4)£º 0.5m [CX-411¡õ] 0.8m [CX-493¡õ] |
¡¤ÖÜΧζȣº£25¡«£«50¡ãC ¡¤ÖÜΧʪ¶È£º35¡«85%RH ×¢£º 1) ·´¹â´ø²»ÄÜÊܵ½ÖØÑ¹£¬ÈçÊÜѹ¹ý´óÐÔÄÜ»áϽµ¡£ 2) ÇëÎðÇжϷ´¹â´ø£¬·ñÔò»á½µµÍ¼ì²âÐÔÄÜ¡£ ¡¤ÖÜΧζȣº£25¡«£«55¡ãC ¡¤ÖÜΧʪ¶È£º35¡«85%RH |
| RF-12 |
¡¤¼ì²â¾àÀë(×¢4)£º 0.7m [CX-411¡õ] 1.2m [CX-493¡õ] |
| RF-13 |
¡¤¼ì²â¾àÀë(×¢4)£º 0.5m [CX-491¡õ] 0.8m [CX-493¡õ] |
´«¸ÐÆ÷ °²×°Ö§¼Ü (×¢1) |
MS-CX2-1 |
Á¢Ê½°²×°Ö§¼ÜÒ²¿ÉÓÃÓÚ°²×°RF-210¡£ |
͸¹ýÐÍ´«¸ÐÆ÷ ÐèÒª2Ì×°²×°Ö§¼Ü¡£ |
| MS-CX2-2 |
ºáÏò°²×°Ö§¼ÜÒ²¿ÉÓÃÓÚ°²×°RF-210¡£ |
| MS-CX2-4 |
±£»¤ÐÔ°²×°Ö§¼Ü |
| MS-CX2-5 |
ÏÂÏòʽ°²×°Ö§¼Ü |
| MS-CX-3 |
µ¹×°Ê½°²×°Ö§¼Ü |
ͨÓô«¸ÐÆ÷ °²×°¼Ü (×¢2) |
MS-AJ1 |
ˮƽ°²×°ÐÍ |
»ù±¾×°Åä |
| MS-AJ2 |
´¹Ö±°²×°ÐÍ |
| MS-AJ1-A |
ˮƽ°²×°ÐÍ |
²à±Û×°Åä |
| MS-AJ2-A |
´¹Ö±°²×°ÐÍ |
| MS-AJ1-M |
ˮƽ°²×°ÐÍ |
·´Éä¾µ×°Åä |
| MS-AJ2-M |
´¹Ö±°²×°ÐÍ |
´«¸ÐÆ÷¼ì²éÆ÷ (×¢3) |
CHX-SC2 |
ÓÐÀûÓÚ͸¹ýÐÍ´«¸ÐÆ÷µÄ¹âÖá¶ÔÆë£¬×î¼ÑÊܹâλÖÃͨ¹ýָʾµÆºÍÉùÒôÐźÅָʾ¡£ |
×¢£º1) ²åÈëʽÁ¬½ÓÆ÷ÐÍ´«¸ÐÆ÷ÓÉÓÚÁ¬½ÓÆ÷µÄÍ»³ö²¿·Ö²»ÄÜʹÓÃijЩ´«¸ÐÆ÷°²×°Ö§¼Ü¡£
×¢£º2) ÓйØÍ¨Óô«¸ÐÆ÷°²×°¼Ü£¬ÏêÇéÇë²ÎÔÄ¡¶ÌØÊâÓÃ;¡¢ÍâΧÉ豸ƪ²úƷĿ¼¡·¡£
×¢£º3) Óйش«¸ÐÆ÷¼ì²éÆ÷CHX-SC2£¬ÏêÇéÇë²ÎÔÄ¡¶ÌØÊâÓÃ;¡¢ÍâΧÉ豸ƪ²úƷĿ¼¡·¡£
×¢£º4) ´«¸ÐÆ÷ºÍ·´¹â¾µÖ®¼äµÄ¾àÀëÉèÖÃΪ0.1m(CX-482¡õ1Ϊ0.4m)ÒÔÉÏ¡£
| ͨÓô«¸ÐÆ÷°²×°¼Ü |
| ¡¤MS-AJ1 |
MS-AJ1-A |
MS-AJ1-M |
¡¤MS-AJ2 |
 |
 |
 |
 |
| MS-AJ2-A |
MS-AJ2-M |
|
 |
 |
| ·´Éä¾µ°²×°Ö§¼Ü |
| MS-RF23 |
MS-RF22 |
MS-RF21-1 |
|
 ¸½´ø2¸ö´øµæÈ¦M4ÂÝË¿(³¤10mm)¡£ |
 ¸½´ø2¸ö´øµæÈ¦M3ÂÝË¿(³¤8mm)¡£ |
 ¸½´ø2¸ö´øµæÈ¦M3ÂÝË¿(³¤12mm)¡£ |
| ·´¹â´ø |
| RF-11 |
RF-12 |
RF-13 |
|
 |
 |
 |
| ´«¸ÐÆ÷°²×°Ö§¼Ü |
| MS-CX2-1 |
MS-CX2-2 |
MS-CX2-4 |
MS-CX2-5 |
 ¸½´ø2¸ö´øµæÈ¦M3ÂÝË¿(³¤12mm)¡£ |
 ¸½´ø2¸ö´øµæÈ¦M3ÂÝË¿(³¤12mm)¡£ |
 ¸½´ø2¸ö´øµæÈ¦M3ÂÝË¿(³¤14mm)¡£ |
 ¸½´ø2¸ö´øµæÈ¦M3ÂÝË¿(³¤12mm)¡£ |
| ´«¸ÐÆ÷°²×°Ö§¼Ü |
´«¸ÐÆ÷¼ì²éÆ÷ |
|
| MS-CX-3 |
CHX-SC2 |
 ¸½´ø2¸ö´øµæÈ¦M3ÂÝË¿(³¤12mm)¡£ |
 |
¼¼ÊõÐÅÏ¢
| ÖÖ¡¡Àà |
͸¹ýÐÍ |
»Ø¹é·´ÉäÐÍ |
À©É¢·´ÉäÐÍ |
| |
³¤¼ì²â ¾àÀë |
´øÆ«¼«Â˹âÆ÷ |
³¤¼ì²â¾àÀë |
͸Ã÷Ìå¼ì²âÓà |
100mmÐÍ |
300mmÐÍ |
800mmÐÍ |
ÕÊÓ½ÇÐÍ |
| NPNÊä³öÐÍ |
CX-411 |
CX-412 |
CX-491 |
CX-493 |
CX-481 |
CX-482 |
CX-424 |
CX-421 |
CX-422 |
CX-423 |
| PNPÊä³öÐÍ |
CX-411-P |
CX-412-P |
CX-491-P |
CX-493-P |
CX-481-P |
CX-482-P |
CX-424-P |
CX-421-P |
CX-422-P |
CX-423-P |
| ¼ì²â¾àÀë |
10m |
15m |
3m(×¢1) |
5m(×¢1) |
50¡«500mm (×¢2) |
0.1¡«2m (×¢2) |
100mm(×¢2) |
300mm(×¢2) |
800mm(×¢2) |
70¡«200mm(×¢2) |
| ¼ì²âÎïÌå |
¦Õ12mmÒÔÉϲ»Í¸Ã÷Ìå(×¢3) |
¦Õ 50mm ÒÔÉϲ»Í¸Ã÷Ìå,°ë͸Ã÷»ò¹âÔóÎïÌå(×¢1) |
¦Õ 50mm ÒÔÉϲ»Í¸Ã÷Ìå, °ë͸Ã÷Ìå(×¢1) |
¦Õ 50mmÒÔÉÏ͸Ã÷Ì壬²»Í¸Ã÷Ì壬 °ë͸Ã÷Ìå(×¢2)(×¢5) |
²»Í¸Ã÷£¬°ë͸Ã÷»ò͸Ã÷Ìå |
²»Í¸Ã÷£¬°ë͸Ã÷»ò͸Ã÷Ì壨×îС¼ì²âÎïÌ壺¦Õ 0.5mm ÍÏߣ© |
| Ó¦²î |
¡ª¡ª¡ª¡ª |
¹¤×÷¾àÀëµÄ15%ÒÔÏ |
| ÖØ¸´¾«¶È(Óë¼ì²âÖá´¹Ö±) |
0.5mmÒÔÏÂ |
1mmÒÔÏÂ |
0.5mmÒÔÏÂ |
| µçÔ´µçѹ |
12¡«24V DC¡À10%¡¡Âö¶¯P-P 10%ÒÔÏ |
| ÏûºÄµçÁ÷ |
Ͷ¹âÆ÷£º 20mAÒÔÏ ÊܹâÆ÷£º 20mAÒÔÏ |
Ͷ¹âÆ÷£º 25mAÒÔÏ ÊܹâÆ÷£º 20mAÒÔÏ |
20mAÒÔÏÂ |
25mAÒÔÏÂ |
20mAÒÔÏÂ |
| Êä³ö |
NPN¿ªÂ·¼¯µç¼«¾§Ìå¹Ü ¡¤×î´óÁ÷ÈëµçÁ÷£º100mA ¡¤Íâ¼Óµçѹ£º 30V DC ÒÔÏÂ(Êä³öºÍ0VÖ®¼ä) ¡¤Ê£Óàµçѹ£º 1VÒÔÏÂ(Á÷ÈëµçÁ÷Ϊ100mAʱ) 0.4VÒÔÏÂ(Á÷ÈëµçÁ÷Ϊ16mAʱ) |
PNP¿ªÂ·¼¯µç¼«¾§Ìå¹Ü ¡¤×î´óÔ´µçÁ÷£º100mA ¡¤Íâ¼Óµçѹ£º 30V DCÒÔÏÂ(Êä³öºÍ£«VÖ®¼ä) ¡¤Ê£Óàµçѹ£º 1VÒÔÏÂ(Ô´µçÁ÷Ϊ100mAʱ) 0.4VÒÔÏÂ(Ô´µçÁ÷Ϊ16mAʱ) | |
| Êä³ö¹¤×÷ |
Êä³ö¹¤×÷¿ÉÔÚÈë¹âʱON»ò·ÇÈë¹âʱONÖ®¼äÇл» |
| ¶Ì·±£»¤ |
×°±¸ |
| ·´Ó¦Ê±¼ä |
1msÒÔÏÂ |
| ¹¤×÷״ָ̬ʾµÆ |
³ÈÉ«LED(Êä³öONʱÁÁÆð)(°²×°ÓÚ͸¹ýÐÍ´«¸ÐÆ÷µÄÊܹâÆ÷²à) |
| Îȶ¨Ö¸Ê¾µÆ |
ÂÌÉ«LED(Îȶ¨Èë¹â»òÎȶ¨·ÇÈë¹âʱÁÁÆð)(°²×°ÓÚ͸¹ýÐÍ´«¸ÐÆ÷µÄÊܹâÆ÷²à) |
| µçԴָʾµÆ |
ÂÌÉ«LED (µçÔ´ONʱÁÁÆð) (°²×°ÓÚͶ¹âÆ÷²à) |
¡ª¡ª¡ª¡ª |
| ÁéÃô¶Èµ÷½ÚÆ÷ |
³ÖÐø¿É±äµ÷½ÚÆ÷(°²×°ÓÚ͸¹ýÐÍ´«¸ÐÆ÷µÄÊܹâÆ÷²à) |
| ×Ô¶¯·À¸ÉÈŹ¦ÄÜ |
ÓÐÁË·ÀÖ¹¸ÉÈÅÂ˹âÆ÷(ÁíÊÛ)£¬2Ì×´«¸ÐÆ÷¿ÉÌù½ü°²×°ÔÚÒ»Æð( ¼ì²â¾àÀ룺5m) |
¡ª¡ª |
×°±¸(2Ì×´«¸ÐÆ÷¿ÉÌù½ü°²×°ÔÚÒ»Æð) |
»· ¾³ ÐÔ ÄÜ |
±£»¤¹¹Ôì |
IP67(IEC) |
| ÖÜΧÎÂ¶È |
£25¡«£«55¡ãC(×¢Òâ²»¿É½á¶¡¢½á±ù)£¬´æ´¢£º£30¡«£«70¡ãC |
| ÖÜΧʪ¶È |
35¡«85% RH£¬´æ´¢£º35¡«85% RH |
| ÖÜΧÕÕÃ÷¶È |
°×³ãµÆ£ºÊܹâÃæÕÕÃ÷¶È3,000 x |
| Ä͵çѹ |
AC1,000V 1·ÖÖÓ£¬ËùÓеçÔ´Á¬½Ó¶Ë×ÓÓëÍâ¿ÇÖ®¼ä |
| ¾øÔµµç×è |
ËùÓеçÔ´Á¬½Ó¶Ë×ÓÓëÍâ¿ÇÖ®¼ä£¬20M¦¸ÒÔÉÏ£¬»ùÓÚDC250VµÄ¸ß×è±í |
| ÄÍÕñ¶¯ |
ƵÂÊ10¡«500Hz£¬Ë«Õñ·ù1.5mm(×î´ó10G)£¬X,YºÍZ¸÷·½Ïò2Сʱ |
| Äͳå»÷ |
¼ÓËÙ¶È500m/s2(Ô¼50G)£¬X,YºÍZ¸÷·½Ïò3´Î |
| Ͷ¹â¶þ¼«Ìå |
ºìÉ«LED (µ÷ÖÆÊ½) |
ºìÍâÏßLED(µ÷ÖÆÊ½) |
ºìÉ«LED(µ÷ÖÆÊ½) |
ºìÍâÏßLED(µ÷ÖÆÊ½) |
ºìÉ«LED (µ÷ÖÆÊ½) |
| Ͷ¹â²¨·å²¨³¤ |
680¦Ìm |
870¦Ìm |
680¦Ìm |
650¦Ìm |
870¦Ìm |
870¦Ìm |
860¦Ìm |
860¦Ìm |
860¦Ìm |
645¦Ìm |
| ²ÄÖÊ |
Íâ¿Ç£ºPBT£¬Í¸¾µ£º±ûÏ©£¬Ö¸Ê¾µÆÕÖ£º±ûÏ© |
| µçÀ |
0.2mm2 3о(͸¹ýÐÍͶ¹âÆ÷£º2о)µÄÏðÆ¤µçÀ£¬³¤2m
|
| µçÀÂÑÓ³¤ |
0.3mm2ÒÔÉϵĵçÀÂ(͸¹ýÐÍ£ºÍ¶¹âÆ÷ºÍÊܹâÆ÷)È«³¤¿ÉÑÓ³¤ÖÁ100m |
| ÖØÁ¿ |
Ô¼50g(͸¹ýÐÍͶ¹âÆ÷£ºÔ¼45g) |
| ¸½¼þ |
¡ª¡ª¡ª¡ª |
RF-230(·´Éä¾µ)£º1 |
¡ª¡ª¡ª¡ª |
×¢£º
1) »Ø¹é·´ÉäÐÍ´«¸ÐÆ÷µÄ¼ì²â¾àÀëÓë¼ì²âÎïÌåÊǶԷ´Éä¾µRF-230µÄÖµ¡£´ËÍ⣬´«¸ÐÆ÷ºÍ·´Éä¾µÖ®¼äµÄ¾àÀëÉèÖÃΪ0.1mÒÔÉÏ¡£
2) À©É¢·´ÉäÐͺÍÕÊÓ½ÇÀ©É¢·´ÉäÐÍ´«¸ÐÆ÷µÄ¼ì²â¾àÀëÊÇÒÔ°×É«ÎÞ¹âÔóÖ½(200¡Á200mm)Ϊ¼ì²âÎïÌåµÄ¡£
3) Èç¹û°²×°ÁËÏÁ·ì͸¹âÕÖ(ÁíÊÛ)£¬¿É¼ì²â¦Õ 0.5mmµÄÎïÌå(ʹÓÃÔ²ÐÎÏÁ·ì͸¹âÕÖ)¡£
 |
| |
CX-491¡õ |
CX-493¡õ |
CX-481¡õ |
CX-482¡õ |
| A |
0¡«3m |
0¡«5m |
50¡«500mm |
0.1¡«2m |
| B |
0.1¡«3m |
0.1¡«5m |
100¡«500mm |
0.8¡«2m | |
Åä¼þ(ÁíÊÛ)
| ÖÖ¡¡Àà |
¾àÀëÉ趨·´ÉäÐÍ |
| С¹âµãÐÍ |
|
| ÐÍ ºÅ |
NPNÊä³öÐÍ |
CX-441 |
CX-443 |
CX-444 |
CX-442 |
| PNPÊä³öÐÍ |
CX-441-P |
CX-443-P |
CX-444-P |
CX-442-P |
| ¿Éµ÷½Ú¾àÀë(×¢1) |
20¡«50mm |
20¡«100mm |
40¡«300mm |
| ¼ì²â¾àÀë(ÔÚ×î´óµ÷½Ú´¦Óа×É«ÎÞ¹âÔóÖ½) |
2¡«50mm
|
15¡«100mm |
20¡«300mm |
| Ó¦²î |
¹¤×÷¾àÀëµÄ2%ÒÔÏ |
¹¤×÷¾àÀëµÄ5%ÒÔÏ |
| ÖØ¸´¾«¶È |
ÑØ¼ì²âÖ᣺1mmÒÔÏ£¬Óë¼ì²âÖá´¹Ö±£º0.2mmÒÔÏÂ(´ø°×É«ÎÞ¹âÔóÖ½) |
| µçÔ´µçѹ |
12¡«24V DC¡À10% Âö¶¯P-P10%ÒÔÏ |
| ÏûºÄµçÁ÷ |
25mAÒÔÏÂ |
| Êä³ö |
NPN¿ªÂ·¼¯µç¼«¾§Ìå¹Ü ¡¤×î´óÁ÷ÈëµçÁ÷£º100mA ¡¤Íâ¼Óµçѹ£º 30V DCÒÔÏÂ(Êä³öºÍ0VÖ®¼ä) ¡¤Ê£Óàµçѹ£º 1VÒÔÏÂ(Á÷ÈëµçÁ÷Ϊ100mAʱ) 0.4VÒÔÏÂ(Á÷ÈëµçÁ÷Ϊ16mAʱ) |
PNP¿ªÂ·¼¯µç¼«¾§Ìå¹Ü ¡¤×î´óÔ´µçÁ÷£º100mA ¡¤Íâ¼Óµçѹ£º 30V DCÒÔÏÂ(Êä³öºÍ£«VÖ®¼ä) ¡¤Ê£Óàµçѹ£º 1VÒÔÏÂ(Ô´µçÁ÷Ϊ100mAʱ) 0.4VÒÔÏÂ(Ô´µçÁ÷Ϊ16mAʱ) | |
| Êä³ö¹¤×÷ |
¿ÉÔÚ¼ì²âONºÍ¼ì²âOFFÖ®¼äת»» |
| ¶Ì·±£»¤ |
×° ±¸ |
| ·´Ó¦Ê±¼ä |
1msÒÔÏÂ |
| ¹¤×÷״ָ̬ʾµÆ |
×° ±¸ |
| Îȶ¨Ö¸Ê¾µÆ |
ÂÌÉ«LED(Îȶ¨¹¤×÷״̬ʱÁÁÆð)(×¢2) |
¾àÀëµ÷½ÚÆ÷
|
5»Ø×ª»úеµ÷½ÚÆ÷ |
¼ì²âģʽ
|
´øÓмì²âģʽѡÔñÊäÈëÏß·µÄBGS/FGS¿Éת»»¹¦ÄÜ
|
| ×Ô¶¯·À¸ÉÈŹ¦ÄÜ(×¢3) |
×° ±¸
|
»· ¾³ ÐÔ ÄÜ |
±£»¤¹¹Ôì |
IP67(IEC) |
| ÖÜΧÎÂ¶È |
£25¡«£«55¡ãC(×¢Òâ²»¿É½á¶¡¢½á±ù)£¬´æ´¢:£30¡«£«70¡ãC |
| ÖÜΧʪ¶È |
35¡«85%RH£¬´æ´¢£º35¡«85%RH |
| ÖÜΧÕÕÃ÷¶È |
°×³ã¹â£ºÊܹâÃæÕÕÃ÷¶È3,000 x |
| Ä͵çѹ |
AC1,000V 1·ÖÖÓ£¬ËùÓеçÔ´Á¬½Ó¶Ë×ÓÓëÍâ¿ÇÖ®¼ä |
| ¾øÔµµç×è |
ËùÓеçÔ´Á¬½Ó¶Ë×ÓÓëÍâ¿ÇÖ®¼ä£¬20M ÒÔÉÏ£¬»ùÓÚDC 250VµÄ¸ß×è±í |
| ÄÍÕñ¶¯ |
ƵÂÊ10¡«500Hz£¬Ë«Õñ·ù3mm£¬X,YºÍZ¸÷·½Ïò2Сʱ |
| Äͳå»÷ |
¼ÓËÙ¶È500m/s2(Ô¼50G)£¬X,YºÍZ¸÷·½Ïò3´Î |
| Ͷ¹â¶þ¼«Ìå |
ºìÉ«LED(µ÷ÖÆÊ½) |
| ¹âµãÖ±¾¶ |
Ô¼¦Õ 2mm(ÔÚ50mm¼ì²â¾àÀë´¦) |
Ô¼¦Õ 6.5mm(ÔÚ50mm¼ì²â¾àÀë´¦) |
Ô¼¦Õ 9mm(ÔÚ100mm¼ì²â¾àÀë´¦) |
Ô¼¦Õ 15mm(ÔÚ300mm¼ì²â¾àÀë´¦) |
| ²ÄÖÊ |
Íâ¿Ç£ºPBT£¬Ç°¸Ç£º¾Û̼Ëáõ¥£¬ÏÔʾ¸Ç£º¾Û̼Ëáõ¥ |
| µçÀ |
0.2mm2 4оµÄÏðÆ¤µçÀ£¬³¤2m |
| µçÀÂÑÓ³¤ |
0.3mm2ÒÔÉϵĵçÀÂÈ«³¤¿ÉÑÓ³¤ÖÁ100m |
| ÖØÁ¿ |
Ô¼55g |
×¢:
1) ¿Éµ÷½Ú·¶Î§Ö¸µÄÊÇÓ÷¶Î§µ÷½ÚÆ÷½øÐÐÉ趨µÄ×î´ó¼ì²â¾àÀë¡£´«¸ÐÆ÷¿É¼ì²â2mm[CX-442(-P)£º20mm]ÒÔÍâµÄÎïÌå¡£
2) Óйع¤×÷״ָ̬ʾµÆµÄÏêÇé²Î¼û¡°Ê¹ÓÃÖ¸ÄÏ¡±µÄ¡°Îȶ¨Ö¸Ê¾µÆ¡±(PDF P.46)¡£
3) ×¢Òâ¼ì²â»áÒò°²×°Ìõ¼þºÍ±»¼ì²âÎïÌå¶ø²»Îȶ¨¡£±¾²úÆ·°²×°ºÃºó£¬Ó¦ÓÃʵ¼Ê¼ì²âÎïÌå½øÐмì²é¹¤×÷¡£
 |
| |
CX-441¡õ/443¡õ |
CX-444¡õ |
CX-442¡õ |
| A |
2¡«50mm |
15¡«100mm |
20¡«300mm |
| B |
20¡«50mm |
20¡«100mm |
40¡«300mm | |
I/Oµç·ͼºÍÏß·ͼ
NPNÊä³öÐÍ
|
|
|
 |
 |
×¢£º 1) ͸¹ýÐ͵ÄͶ¹âÆ÷²»×°±¸Êä³ö¡£ 2) ½öCX-44¡õ¾àÀëÉ趨·´ÉäÐÍ×°±¸¼ì²âģʽѡÔñÊäÈ롣ʹÓÃCX-44¡õʱ£¬ÇëÈ·±£¼ì²âģʽѡÔñÊäÈëÏß(·ÛºìÉ«/2)ÒÑÁ¬½Ó¡£ 3) ½«Á¬½ÓµçÀ½ÓÖÁCX-44¡õµÄÁ¬½ÓÆ÷ÐÍʱ£¬µ¼ÏßÑÕɫΪ¡°°×É«¡±¡£ |
×¢£º 1) ͸¹ýÐ͵ÄͶ¹âÆ÷²»×°±¸ºÚÉ«ÒýÏß¡£ 2) ½öCX-44¡õ¾àÀëÉ趨·´ÉäÐÍ×°±¸·ÛºìÉ«ÒýÏß¡£Ê¹ÓÃCX-44¡õʱ£¬ÇëÈ·±£·ÛºìÉ«ÒýÏßÒÑÁ¬½Ó¡£ 3) ½«Á¬½ÓµçÀ½ÓÖÁCX-44¡õµÄÁ¬½ÓÆ÷ÐÍʱ£¬µ¼ÏßÑÕɫΪ¡°°×É«¡±¡£ |
| ¡ù1 |
¡¤¼ì²âģʽѡÔñÊäÈë BGS¹¦ÄÜ£ºÁ¬½Óµ½0V FGS¹¦ÄÜ£ºÁ¬½Óµ½£«V |
| ·ûºÅ... |
D£º·´ÏòµçÔ´¼«ÐÔ±£»¤¶þ¼«¹Ü ZD£ºµçÓ¿ÎüÊÕÆëÄɶþ¼«¹Ü Tr£ºNPNÊä³ö¾§Ìå¹Ü | |
| ¡ù1 |
¼ì²âģʽѡÔñÊäÈë BGS¹¦ÄÜ£ºÁ¬½Óµ½0V FGS¹¦ÄÜ£ºÁ¬½Óµ½£«V | Á¬½ÓÆ÷ÕëλÖÃ
| M8²åÈëʽÁ¬½ÓÆ÷ÐÍ |
M12ÖмÌÁ¬½ÓÆ÷ÐÍ |
 |
 | ×¢£º1)͸¹ýÐ͵ÄͶ¹âÆ÷²»×°±¸Êä³ö¡£ 2)½öCX-44¡õ¾àÀëÉ趨·´ÉäÐÍ×°±¸¼ì²âģʽѡÔñÊäÈ롣ʹÓÃCX-44¡õʱ£¬ÇëÈ·±£¼ì²âģʽѡÔñÊäÈëÏß(·ÛºìÉ«/2)ÒÑÁ¬½Ó¡£
|
PNPÊä³öÐÍ
|
|
|
 |
 |
×¢£º 1) ͸¹ýÐ͵ÄͶ¹âÆ÷²»×°±¸Êä³ö¡£ 2) ½öCX-44¡õ-P¾àÀëÉ趨·´ÉäÐÍ×°±¸¼ì²âģʽѡÔñÊäÈ롣ʹÓÃCX-44¡õ-Pʱ£¬ÇëÈ·±£¼ì²âģʽѡÔñÊäÈëÏß(·ÛºìÉ«/2)ÒÑÁ¬½Ó¡£ 3) ½«Á¬½ÓµçÀ½ÓÖÁCX-44¡õµÄÁ¬½ÓÆ÷ÐÍʱ£¬µ¼ÏßÑÕɫΪ¡°°×É«¡±¡£ |
×¢£º 1) ͸¹ýÐ͵ÄͶ¹âÆ÷²»×°±¸ºÚÉ«ÒýÏß¡£ 2) ½öCX-44¡õ-P¾àÀëÉ趨·´ÉäÐÍ×°±¸·ÛºìÉ«ÒýÏß¡£Ê¹ÓÃCX-44¡õ-Pʱ£¬ÇëÈ·±£·ÛºìÉ«ÒýÏßÒÑÁ¬½Ó¡£ 3) ½«Á¬½ÓµçÀ½ÓÖÁCX-44¡õµÄÁ¬½ÓÆ÷ÐÍʱ£¬µ¼ÏßÑÕɫΪ¡°°×É«¡±¡£ |
| ¡ù1 |
¡¤¼ì²âģʽѡÔñÊäÈë BGS¹¦ÄÜ£ºÁ¬½Óµ½0V FGS¹¦ÄÜ£ºÁ¬½Óµ½£«V |
| ·ûºÅ... |
D£º·´ÏòµçÔ´¼«ÐÔ±£»¤¶þ¼«¹Ü ZD£ºµçÓ¿ÎüÊÕÆëÄɶþ¼«¹Ü Tr£º PNPÊä³ö¾§Ìå¹Ü | |
| ¡ù1 |
¡¤¼ì²âģʽѡÔñÊäÈë BGS¹¦ÄÜ£ºÁ¬½Óµ½0V FGS¹¦ÄÜ£ºÁ¬½Óµ½£«V | Á¬½ÓÆ÷ÕëλÖÃ
| M8²åÈëʽÁ¬½ÓÆ÷ÐÍ |
M12ÖмÌÁ¬½ÓÆ÷ÐÍ |
 |
 | ×¢£º 1)͸¹ýÐ͵ÄͶ¹âÆ÷²»×°±¸Êä³ö¡£ 2)½öCX-44¡õ-P¾àÀëÉ趨·´ÉäÐÍ×°±¸¼ì²âģʽѡÔñÊäÈ롣ʹÓÃCX-44¡õ-Pʱ£¬ÇëÈ·±£¼ì²âģʽѡÔñÊäÈëÏß(·ÛºìÉ«/2)ÒÑÁ¬½Ó¡£ |
¼ì²âÌØÐÔͼ(µäÐÍ)
PNPÊä³öÐÍ Í¸¹ýÐÍ
CX-412¡õ ͸¹ýÐÍ
CX-491¡õ »Ø¹é·´ÉäÐÍ
CX-493¡õ »Ø¹é·´ÉäÐÍ
CX-481¡õ »Ø¹é·´ÉäÐÍ
CX-482 ¡õ »Ø¹é·´ÉäÐÍ
CX-424¡õ À©É¢·´ÉäÐÍ
|
|
|
Èç×óͼËùʾ£¬¼ì²âÎïÌå³ß´çСÓÚ±ê×¼³ß´ç(°×É«ÎÞ¹âÔóÖ½200¡Á200mm)ʱ£¬¼ì²â¾àÀëËõС¡£ (Ϊ»æÖÆ×óͼ£¬Ê¹ÓõĴ«¸ÐÆ÷ÁéÃô¶ÈÉ趨ÔÚ100mm¾àÀëʱ£¬Äܼì²âÒ»ÕÅ200¡Á200mm°×É«ÎÞ¹âÔóÖ½¡£) |
 |
 |
CX-421¡õ À©É¢·´ÉäÐÍ
|
|
|
Èç×óͼËùʾ£¬¼ì²âÎïÌå³ß´çСÓÚ±ê×¼³ß´ç(°×É«ÎÞ¹âÔóÖ½200¡Á200mm)ʱ£¬¼ì²â¾àÀëËõС¡£ (Ϊ»æÖÆ×óͼ£¬Ê¹ÓõĴ«¸ÐÆ÷ÁéÃô¶ÈÉ趨ÔÚ300mm¾àÀëʱ£¬Äܼì²âÒ»ÕÅ200¡Á200mm°×É«ÎÞ¹âÔóÖ½¡£) |
 |
 |
CX-422¡õ À©É¢·´ÉäÐÍ
|
|
|
Èç×óͼËùʾ£¬¼ì²âÎïÌå³ß´çСÓÚ±ê×¼³ß´ç(°×É«ÎÞ¹âÔóÖ½200¡Á200mm)ʱ£¬¼ì²â¾àÀëËõС¡£ (Ϊ»æÖÆ×óͼ£¬Ê¹ÓõĴ«¸ÐÆ÷ÁéÃô¶ÈÉ趨ÔÚ800mm¾àÀëʱ£¬Äܼì²âÒ»ÕÅ200¡Á200mm°×É«ÎÞ¹âÔóÖ½¡£) |
 |
 |
CX-423¡õ À©É¢·´ÉäÐÍ
|
|
|
Èç×óͼËùʾ£¬¼ì²âÎïÌå³ß´çСÓÚ±ê×¼³ß´ç(°×É«ÎÞ¹âÔóÖ½200¡Á200mm)ʱ£¬¼ì²â¾àÀëËõС¡£ (Ϊ»æÖÆ×óͼ£¬Ê¹ÓõĴ«¸ÐÆ÷ÁéÃô¶ÈÉ趨ÔÚ800mm¾àÀëʱ£¬Äܼì²âÒ»ÕÅ200¡Á200mm°×É«ÎÞ¹âÔóÖ½¡£) |
 |
 |
|
|
ÔÚ×óͼÖУ¬¼ì²âÇøÓòÓÉбÏß±íʾ¡£È»¶ø£¬ÓÉÓÚ²úÆ·´æÔÚϸ΢²î±ð£¬ÁéÃô¶ÈÉ趨±ØÐëÓÐ×ã¹»µÄÓàÁ¿¡£ (×óͼËùʾµÄÁÁ¶È¿ÉÄÜÓëʵÎïÇé¿öÓÐϸ΢²î±ð) |
|
 |
 |
CX-443¡õ ¾àÀëÉ趨·´ÉäÐÍ
|
|
|
| É趨¾àÀë25mm |
É趨¾àÀë50mm |
 |
 |
 |
|
|
|
|
 |
 |
ÕâЩÖùÐÎͼ±íʾ¸÷¸öÎïÌåµÄ¼ì²â¾àÀëÊǵ±¾àÀëµ÷½ÚÆ÷ÔÚʹÓð×É«ÎÞ¹âÔóÖ½ÕÊʱÉ趨ÓÚ50mmºÍ25mmʱËù²âµÃµÄ¡£ | |
 |
ÕâЩÖùÐÎͼ±íʾ¸÷¸öÑÕÉ«µÄ¼ì²â¾àÀëÊǵ±¾àÀëµ÷½ÚÆ÷ÔÚʹÓð×ɫʱÉ趨Óë50mmºÍ25mmʱËù²âµÃµÄ¡£¼ì²â¾àÀëͬʱ»áÓÉÓÚ²ÄÖʵIJ»Í¬¶ø±ä»¯ | |
CX-441¡õ ¾àÀëÉ趨·´ÉäÐÍ
|
|
|
| É趨¾àÀë25mm |
É趨¾àÀë50mm |
 |
 |
 |
|
|
|
|
 |
 |
ÕâЩÖùÐÎͼ±íʾ¸÷¸öÎïÌåµÄ¼ì²â¾àÀëÊǵ±¾àÀëµ÷½ÚÆ÷ÔÚʹÓð×É«ÎÞ¹âÔóÖ½ÕÊʱÉ趨ÓÚ50mmºÍ25mmʱËù²âµÃµÄ¡£ | |
 |
ÕâЩÖùÐÎͼ±íʾ¸÷¸öÑÕÉ«µÄ¼ì²â¾àÀëÊǵ±¾àÀëµ÷½ÚÆ÷ÔÚʹÓð×ɫʱÉ趨Óë50mmºÍ25mmʱËù²âµÃµÄ¡£¼ì²â¾àÀëͬʱ»áÓÉÓÚ²ÄÖʵIJ»Í¬¶ø±ä»¯ | |
CX-444¡õ ¾àÀëÉ趨·´ÉäÐÍ
|
|
| É趨¾àÀë25mm |
É趨¾àÀë50mm |
É趨¾àÀë100mm |
 |
 |
 |
|
|
|
|
 |
 |
ÕâЩÖùÐÎͼ±íʾ¸÷¸öÑÕÉ«µÄ¼ì²â¾àÀëÊǵ±¾àÀëµ÷½ÚÆ÷ÔÚʹÓð×ɫʱÉ趨ÓÚ100mmºÍ50mmʱËù²âµÃµÄ¡£¼ì²â¾àÀëͬʱ»áÓÉÓÚ²ÄÖʵIJ»Í¬¶ø±ä»¯¡£ | |
 |
 |
ÕâЩÖùÐÎͼ±íʾ¸÷¸öÎïÌåµÄ¼ì²â¾àÀëÊǵ±¾àÀëµ÷½ÚÆ÷ÔÚʹÓð×É«ÎÞ¹âÔóÖ½ÕÅʱÉ趨ÓÚ100mmºÍ50mmʱËù²âµÃµÄ¡£ | |
CX-442¡õ ¾àÀëÉ趨·´ÉäÐÍ
|
|
| É趨¾àÀë100mm |
É趨¾àÀë200mm |
É趨¾àÀë300mm |
 |
 |
 |
|
|
|
|
 |
 |
ÕâЩÖùÐÎͼ±íʾ¸÷¸öÑÕÉ«µÄ¼ì²â¾àÀëÊǵ±¾àÀëµ÷½ÚÆ÷ÔÚʹÓð×ɫʱÉ趨ÓÚ300mm¡¢200mmºÍ100mmʱËù²âµÃµÄ¡£¼ì²â¾àÀëͬʱ»áÓÉÓÚ²ÄÖʵIJ»Í¬¶ø±ä»¯¡£ | |
 |
 |
ÕâЩÖùÐÎͼ±íʾ¸÷¸öÎïÌåµÄ¼ì²â¾àÀëÊǵ±¾àÀëµ÷½ÚÆ÷ÔÚʹÓð×É«ÎÞ¹âÔóÖ½ÕÅʱÉ趨ÓÚ300mm¡¢200mmºÍ100mmʱËù²âµÃµÄ¡£ | |
ʹÓÃÖ¸ÄÏ
ÏàͬÏîÄ¿
¸Ã²úƷΪÎïÌå¼ì²â´«¸ÐÆ÷£¬²»¾ßÓб£»¤ÉúÃü¡¢²Æ²úµÄ¹¦ÄÜ£¬Îª·Àֹʹʡ¢È·±£°²È«£¬Çë½÷É÷ʹÓá£
¡¤½ô¹ÌŤ¾ØÓ¦Îª0.5N¡¤mÒÔÏ¡£
¡¤ÇëÈ·ÈÏÔÚµçÔ´¹Ø±Õ״̬ϽøÐнÓÏß¡£
¡¤Çë×¢Òâ´íÎó½ÓÏß»áË𻵴«¸ÐÆ÷¡£
¡¤ÇëÈ·ÈϵçÔ´µçѹÔڶ·¶Î§Äڱ仯¡£
¡¤Èç¹ûµçÔ´ÊÇÓÉÉÌÓÿª¹Øµ÷½ÚÆ÷Ìṩ£¬ÇëÈ·±£µçÔ´»ú¼Ü½ÓµØ¶Ë(F.G.)½ÓµØ¡£
¡¤Èç¹ûÔڸòúÆ·¸½½üʹÓòúÉúÔëÒôµÄÉ豸(¿ª¹Øµ÷½ÚÆ÷¡¢×ª»»·¢¶¯»úµÈ)£¬Ç뽫É豸»ú¼Ü½ÓµØ¶Ë×Ó(F.G.)½ÓµØ¡£
¡¤ÇëÎ𽫵çÏßÓë¸ßѹÏß»òµçÔ´ÏßÒ»Æð»òÔÚͬһ¹ÜÏßÄÚÔËÐÐÏß·£¬Õâ¿ÉÄÜ»áÓÉÓÚ¸ÐÓ¦¶øÒýÆð¹ÊÕÏ¡£
¡¤0.3mm
2ÒÔÉϵçÀ¿ÉÑÓ³¤ÖÁ100m(͸¹ýÐÍ£ºÍ¶¹âÆ÷ºÍÊܹâÆ÷¸÷1¸ù)¡£µ«Îª¼õÉÙÔëÒô£¬Ê¹½ÓÏß¾¡¿ÉÄ̡ܶ£
¡¤Çë²»ÒªÖ±½ÓÓÃÁ¦ÍäÇú»òÀÉì´«¸ÐÆ÷µçÀ½Ӻϴ¦¡£
¡¤µçÔ´½ÓͨºóµÄ¶Ìʱ¼ä(50ms)ÄÚ£¬ÇëÎðʹÓá£
¡¤ÇëÎ𽫴«¸ÐÆ÷Ö±½Ó±©Â¶ÓÚ¿ìËÙÆô¶¯µÆ»ò¸ßƵÕÕÃ÷É豸µÄÓ«¹âÏ£¬Õâ»áÓ°Ïì¼ì²âÐÔÄÜ¡£
¡¤±¾´«¸ÐÆ÷½öÊÊÓÚÊÒÄÚʹÓá£
¡¤ÇëÎðÔÚÓйý¶ÈË®ÕôÆû£¬»Ò³¾µÈ£¬»ò¿ÉÄÜÓëË®¼°¸¯Ê´ÐÔÆøÌåÖ±½Ó½Ó´¥µÄµØ·½Ê¹Óñ¾´«¸ÐÆ÷¡£
¡¤ÇëÎ𽫴«¸ÐÆ÷ÓëË®¡¢ÓÍ¡¢ÓÍÖ¬»òÓлúÈÜÒº£¬ÈçÏ¡ÊͼÁµÈÖ±½Ó½Ó´¥¡£
¡¤±¾²úÆ·²»¿ÉÔÚÓÐÒ×ȼÒ×±¬ÆøÌåµÄ»·¾³ÏÂʹÓá£
¡¤²»¿É²ðж»ò¸Ä×°´«¸ÐÆ÷¡£
CX-41¡õ CX-42¡õ CX-49¡õ CX-48¡õ
|
|
|
 ×¢£º1) ͸¹ýÐÍ´«¸ÐÆ÷Ͷ¹âÆ÷ÉÏδװ±¸¡£ 2)ÓÃ×÷͸¹ýÐÍ´«¸ÐÆ÷Ͷ¹âÆ÷ÉϵĵçԴָʾµÆ(ÂÌÉ«LED)(µçÔ´ONʱÁÁÆð)¡£ |
| ¹¤×÷ģʽ¿ª¹Ø |
˵ Ã÷ |
 |
µ±¹¤×÷ģʽ¿ª¹Ø(ÔÚ͸¹ýÐÍ´«¸ÐÆ÷ÊܹâÆ÷ÉÏ)°´Ë³Ê±Õë·½Ïò³ä·ÖÐýתʱ(L²à)Ôò½øÈëÈë¹âʱONģʽÉÏ¡£ |
 |
µ±¹¤×÷ģʽ¿ª¹Ø(ÔÚ͸¹ýÐÍ´«¸ÐÆ÷ÊܹâÆ÷ÉÏ)°´ÄæÊ±Õë·½Ïò³ä·ÖÐýתʱ(D²à)Ôò½øÈë·ÇÈë¹âʱONģʽ¡£ | |
| ͸¹ýÐÍ´«¸ÐÆ÷ |
¢Ù °Ñ¹¤×÷ģʽ¿ª¹ØÉèΪÈë¹âʱONģʽ(L²à)¡£ ¢Ú °ÑͶ¹âÆ÷ºÍÊܹâÆ÷ÖÃÓÚͬһˮƽÏßÉÏ£¬°ÑͶ¹âÆ÷ÑØÉÏÏÂ×óÓÒ·½ÏòÒÆ¶¯¹Û²ì¹¤×÷״ָ̬ʾµÆ(³ÈÉ«)À´Åж¨ÊܹâÇé¿öµÄ·¶Î§£¬È»ºó°ÑͶ¹âÆ÷É趨ÔÚÕâ¸ö·¶Î§µÄÖм䡣 ¢Û ÀàËÆµØÉÏÏÂ×óÓҽǶÈÒÆ¶¯µ÷½ÚͶ¹âÆ÷¡£ ¢Ü µ÷½ÚÊܹâÆ÷µÄ½Ç¶È¡£ ¢Ý ¼ì²éÎȶ¨Ö¸Ê¾µÆ(ÂÌÉ«)ÊÇ·ñÁÁÆð¡£ ¢Þ °´ÕÕÐèÒª£¬Óù¤×÷ģʽ¿ª¹ØÑ¡ÔñÈë¹âʱON»ò·ÇÈë¹âʱON¹¤×÷ģʽ¡£ |
 |
| »Ø¹é·´ÉäÐÍ´«¸ÐÆ÷ |
|
¢Ù °Ñ¹¤×÷ģʽ¿ª¹ØÉèΪÈë¹âʱONģʽ(L²à)¡£ ¢Ú °Ñ´«¸ÐÆ÷ºÍ·´Éä¾µÖÃÓÚͬһˮƽÏßÉÏ£¬°Ñ·´Éä¾µÑØÉÏÏÂ×óÓÒ·½ÏòÒÆ¶¯¹Û²ì¹¤×÷״ָ̬ʾµÆ(³ÈÉ«)À´Åж¨ÊܹâÇé¿öµÄ·¶Î§£¬È»ºó°Ñ·´Éä¾µÉ趨ÔÚÕâ¸ö·¶Î§µÄÖм䡣 ¢Û ÀàËÆµØÉÏÏÂ×óÓҽǶÈÒÆ¶¯µ÷½Ú·´Éä¾µ¡£ ¢Ü µ÷½Ú´«¸ÐÆ÷µÄ½Ç¶È¡£ ¢Ý ¼ì²éÎȶ¨Ö¸Ê¾µÆ(ÂÌÉ«)ÊÇ·ñÁÁÆð¡£ ¢Þ °´ÕÕÐèÒª£¬Óù¤×÷ģʽ¿ª¹ØÑ¡ÔñÈë¹âʱON»ò·ÇÈë¹âʱON¹¤×÷ģʽ¡£ |
 |
CX-41¡õ CX-42¡õ CX-49¡õ CX-48¡õ
| ¹¤×÷ģʽ¿ª¹Ø |
˵ Ã÷ |
 |
½«ÁéÃô¶Èµ÷½ÚÆ÷ÍêÈ«ÄæÊ±ÕëÐýתÖÁ×îСÁéÃô¶ÈλÖÃ(MIN)¡£ |
 |
ÔÚÈë¹â״̬Ï£¬»ºÂý˳ʱÕëÐýתÁéÃô¶Èµ÷½ÚÆ÷£¬ÕÒµ½´«¸ÐÆ÷½øÈëÈë¹â²Ù×÷״̬µÄAµã¡£ |
 |
ÔÚ·ÇÈë¹â״̬Ï£¬¼ÌÐø°´Ë³Ê±ÕëÐýתÁéÃô¶Èµ÷½ÚÆ÷Ö±µ½´«¸ÐÆ÷½øÈëÈë¹â¹¤×÷״̬£¬È»ºóת»ØÖÁ´«¸ÐÆ÷»Øµ½·ÇÈë¹â¹¤×÷״̬µÄBµã¡£ £¨Èç¹ûÁéÃô¶Èµ÷½ÚÆ÷Íêȫ˳ʱÕëÐýת£¬´«¸ÐÆ÷ÈÔδ½øÈëÈë¹â¹¤×÷״̬£¬´ËʱλÖü´ÎªBµã¡££© |
 |
AºÍBµãÖмäλÖÃΪ×î¼Ñ¼ì²âλÖᣠ| ×¢£ºÊ¹Óá°-¡±Ð͵÷½ÚÂÝË¿µ¶(ÇëÁíÐÐÅäÖÃ)ÂýÂýÐýתµ÷½ÚÆ÷¡£ÓÃÁ¦¹ý´ó½«Ë𻵵÷½ÚÆ÷¡£ |
| ¹¤×÷ģʽ¿ª¹Ø |
Èë¹â״̬ |
·ÇÈë¹â״̬ |
| ͸¹ýÐÍ |
 |
 |
| »Ø¹é·´ÉäÐÍ |
 |
 |
| À©É¢·´ÉäÐÍ |
 |
 | |
Êä³öºÍָʾµÆÖ®¼äµÄ¹ØÏµ
| Èë¹âʱON |
¼ì²â״̬ |
·ÇÈë¹âʱON |
Îȶ¨Ö¸Ê¾µÆ (ÂÌÉ«LED) |
¹¤×÷״ָ̬ʾµÆ (³ÈÉ«LED) |
Êä³ö |
Êä³ö |
¹¤×÷״ָ̬ʾµÆ (³ÈÉ«LED) |
Îȶ¨Ö¸Ê¾µÆ (ÂÌÉ«LED) |
| ¡ð |
¡ð |
ON |
Îȶ¨Èë¹â |
OFF |
¡ñ |
¡ð |
| ¡ñ |
²»Îȶ¨Èë¹â |
¡ñ |
| ¡ñ |
OFF |
²»Îȶ¨·ÇÈë¹â |
ON |
¡ð |
| ¡ð |
Îȶ¨·ÇÈë¹â |
¡ð |
¡ð: ÁÁÆð ¡ñ : ϨÃð
¡¤¼ì²â´ø¹âÔóµÄÎïÌåʱ£¬Çë×¢ÒâÒÔÏ·½Ãæ¡£ 1¼Ó´óͼÖÐËùʾµÄ¾àÀëL¡£ 2°²×°Ê±£¬Çëʹ´«¸ÐÆ÷Óë¼ì²âÎïÌå³É10¡«30¡ã½Ç¡£ |
 |
¡¤»Ø¹é·´ÉäÐÍ´«¸ÐÆ÷(´øÆ«¼«Â˹âÆ÷)µÄÔÀíÊÇ͸¹ý͸Ã÷±¡Ä¤¼ì²â¾µÃæÌåºÍÉÁ¹âÎïÌå¡£µ«ÕâÑùÒ»À´£¬»áÒò͸Ã÷±¡Ä¤Ôì³ÉÆ«Õñ¹â£¬¿ÉÄܵ¼ÖÂÎÞ·¨½øÐÐÎȶ¨µÄ¼ì²â¡£ ´Ëʱ£¬Çë²ÉÈ¡ÒÔÏ´ëÊ©¡£
¼ì²âÎïÌåʾÀý¡¤ÓÃ͸Ã÷°ü×°´ü°ü×°µÄ¹ÞÍ·
¡¤¾¹ý²ãºÏ¼Ó¹¤µÄÂÁƬ
¡¤½ð¡¢ÒøÉ«(¾µÃæ)±êÇ©»ò°ü×°Ö½
´ëÊ©¡¤°²×°Ê±Ó¦È·±£´«¸ÐÆ÷ºÍ¼ì²âÎïÌå³ÉÒ»¶¨½Ç¶È¡£
¡¤½µµÍÁéÃô¶È¡£
¡¤Ê¹´«¸ÐÆ÷Ô¶Àë¼ì²âÎïÌå¡£
¡¤½«Í¸Ã÷¼ì²âÎïÌåµÄ¼ì²âλÖÃÉèÔÚ´«¸ÐÆ÷ºÍ·´Éä¾µµÄÖм䣬¼´¿ÉʵÏÖ×îÎȶ¨µÄ¼ì²â¡£ ½«¼ì²âλÖÃÉèÔÚ´«¸ÐÆ÷»ò·´Éä¾µµÄ¸½½ü£¬¿ÉÄܵ¼Ö¼ì²â²»Îȶ¨¡£´Ëʱ£¬Ç뽫¼ì²âλÖÃÉèÔÚ´«¸ÐÆ÷ºÍ·´Éä¾µµÄÖм䡣 |
 |
¡¤µ±¼ì²âÎïÌåΪ°¼Í¹²»Æ½µÄËÜÁÏÈÝÆ÷»ò²£Á§Æ¿Ê±£¬¸ù¾Ý¼ì²âλÖü°·½ÏòµÄ²»Í¬£¬ÔÚÊܹâÁ¿ÉÏ»á´æÔÚÒ»¶¨µÄ²î±ð¡£Çëͨ¹ýÐýת¼ì²âÎïÌåµÈÊֶΣ¬ÔÚÈ·ÈÏÎȶ¨¼ì²â״̬µÄͬʱ£¬µ÷½ÚÁéÃô¶È¡£
¡¤¼ì²â¹Ü״͸Ã÷¼ì²âÎïÌåʱ£¬Ç뽫͸Ã÷¼ì²âÎïÌåµÄ¼ì²â·½ÏòÉèΪAÏò¡£Èô°´ÕÕBÏò½øÐмì²â£¬Ôò¿ÉÄܵ¼Ö¼ì²â²»Îȶ¨¡£

CX-41¡õ
¡¤ ͨ¹ý°²×°ÏÁ·ì͸¹âÕÖ(ÁíÊÛ¼þ)(OS-CX-¡õ)£¬Äܹ»¼ì²âСÐÍÎïÌå¡£µ«ÕâÑùµÄ»°£¬¼ì²â¾àÀ뽫»áËõ¶Ì¡£
°²×°·½·¨ ¢Ù Ê×ÏȽ«¹Ì¶¨¹Ò¹³²åÈë¹Ì¶¨°¼²ÛÖС£ ¢Ú ½«ÏÁ·ì͸¹âÕÖÏòÖ÷ÌåÉϰ´£¬È»ºó½«¹Ì¶¨¿Û»·²åÈë¹Ì¶¨°¼²ÛÖС£ |
 |
²ðж·½·¨ ¢Ù ½«ÂÝË¿µ¶²åÈë²ðж¿Û»·´¦¡£ ¢Ú ÀÆð²ðж¿Û»·Ê±ÏòǰÀ³ö¡£ |
¡¤ ͨ¹ý°²×°·À¸ÉÈÅÂ˹âÆ÷(ÁíÊÛ¼þ)(PF-CX4-¡õ)£¬¿É½«2̨CX-411¡õ´«¸ÐÆ÷Ìù½ü°²×°ÔÚÒ»Æð¡£µ«ÕâÑùµÄ»°£¬¼ì²â¾àÀ뽫»áËõ¶Ì¡£ ¡¤ °²×°·½·¨Í¬ÏÁ·ì͸¹âÕÖ¡£ ¡¤ ÓÉÓÚÓÐ2ÖÖ·À¸ÉÈÅÂ˹âÆ÷£¬Òò´ËÇë°´ÏÂͼËùʾ½«ËüÃÇ·Ö±ð°²×°ÓÚ¸÷×ÔµÄͶ¹âÆ÷¡¢ÊܹâÆ÷ÉÏ¡£Èç¹û½öͶ¹âÆ÷»òÊܹâÆ÷°²×°ÁË·À¸ÉÈÅÂ˹âÆ÷£¬»òÕß2̨´«¸ÐÆ÷°²×°ÁËͬһÖÖÀàµÄ·À¸ÉÈÅÂ˹âÆ÷£¬Ôò·À¸ÉÈŹ¦ÄÜÎÞЧ¡£ |
 |
CX-44¡õ
Çë×¢Òâ±ØÐë¸ù¾ÝÎïÌåÔ˶¯µÄ·½Ïò°²×°´«¸ÐÆ÷¡£
 |
²»ÒªÊ¹´«¸ÐÆ÷ÔÚÕâ¸ö·½Ïò½øÐмì²â£¬¿ÉÄܻᵼÖ¹¤×÷²»Îȶ¨¡£
¡¤µ±¼ì²âÒ»¸ö¹âÔóÎïÌå(ÂÁ»òÍÆ¬µÈ)»òÓйâÔó±íÃæ»ò¶Æ²ãµÄÎïÌåʱ£¬Çë×¢ÒâÓÉÓڽǶȱ仯ºÍÎïÌå±íÃæñÞÖåµÈ»á³öÏÖÎÞ·¨¼ì²âµ½ÎïÌåµÄÇé¿ö¡£ ¡¤µ±´«¸ÐÆ÷ÏÂÓйâÔóÎïÌåʱ£¬Ê¹Óô«¸ÐÆ÷ʱÇëÉÔ΢ÏòÉÏÇãбÒÔ±ÜÃâ´íÎó¹¤×÷¡£ |
 |
¡¤ÓÉÓÚ±³¾°´¦ÓйâÔóÎïÌ壬ÓÉÓÚ±³¾°ÎïÌåµÄ½Ç¶È±ä»¯»áÒýÆð´íÎó¹¤×÷¡£ÔÚÕâÖÖÇé¿öÏ£¬Çãб°²×°´«¸ÐÆ÷ÇÒÓÃʵ¼Ê¼ì²âÎïÌåÈ·ÈÏ¡£ ¡¤×¢ÒâÔÚ´«¸ÐÆ÷Õýǰ·½Óмì²âÃ¤Çø¡£ |
¹¤×÷ģʽ ¿ª¹Ø |
˵Ã÷ |
 |
µ±¹¤×÷ģʽ¿ª¹Ø°´Ë³Ê±Õë·½Ïò³ä·ÖÐýתʱ(L²à)½øÈë¼ì²âONģʽ¡£ |
 |
µ±¹¤×÷ģʽ¿ª¹Ø°´ÄæÊ±Õë·½Ïò³ä·ÖÐýתʱ(D²à)½øÈë¼ì²âOFFģʽ¡£ | ×¢£ºÊ¹Óá°£¡±ÐÍÂÝË¿µ¶(ÇëÁíÐÐ×¼±¸)ÂýÂýÐýתµ÷½ÚÆ÷¡£¹ý¶ÈÓÃÁ¦»á¶Ôµ÷½ÚÆ÷Ôì³ÉË𻵡£ |
Ñ¡ÔñBGS»òFGS¹¦ÄÜ£¬Êä³ö¹¤×÷»á²úÉúÈçϱ仯¡£
 |
| BGS |
¼ì²âON (L-ON) |
 |
ON OFF |
¼ì²âOFF (D-ON) |
 |
ON OFF |
| FGS |
¼ì²âON (L-ON) |
 |
ON OFF |
¼ì²âOFF (D-ON) |
 |
ON OFF | |
¡¤ÒòΪCX-440ϵÁÐʹÓÃÒ»ÖÖ2¶Î¹âµç¶þ¼«¹Ü×÷ΪÆä½ÓÊÕÔª¼þ£¬²¢ÇÒ¸ù¾Ý¼ì²âÎïÌåËù·´ÉäµÄÏà¹ØÈë¹â½Ç¶È²îÒì½øÐмì²â£¬ËùÒÔÊä³öºÍ¹¤×÷״ָ̬ʾµÆ(³ÈÉ«)½«¸ù¾ÝÎïÌåµÄ¾àÀ빤×÷¡£ÁíÍ⣬Îȶ¨Ö¸Ê¾µÆ(ÂÌÉ«)ÏÔʾÉ趨¾àÀëµÄÓàÁ¿¡£
±¾²úÆ·×°±¸ÁËBGS/FGS¹¦ÄÜ¡£¿É¸ù¾Ý±³¾°ºÍ¼ì²âÎïÌåµÄλÖÃÑ¡ÔñBGS»òFGS¹¦ÄÜ¡£
BGS¹¦ÄÜ µ±¼ì²âÎïÌåÔ¶Àë±³¾°Ê±£¬Ê¹Óøù¦ÄÜ¡£
 |
FGS¹¦ÄÜ ÔÚ¼ì²âÎïÌåÓë±³¾°½Ó´¥»ò¼ì²âÎïÌåÊǹâÔóÎïÌåµÈÇé¿öÏ£¬Ê¹Óøù¦ÄÜ¡£
 |
¡¤ ʹÓñ¾²úƷʱ£¬ÇëÈ·¶¨µ÷½Ú¾àÀë¡£
¡¤ ÓÉÓÚ±¾²úÆ·µÄ¾àÀëµ÷½ÚÆ÷ÊÇ5»Ø×ªµ÷½ÚÆ÷£¬µ±µãAºÍµãB°´Ï±í˵Ã÷µ÷½Úʱ£¬µãAºÍµãBÖ®¼ä¿ÉÄܲ»Ö¹1¸ö»Ø×ª¡£Òò´ËÇмǣ¬ÐýתÁ½¸öµãÕÒµ½×î¼ÑλÖá£
¡¤ ÇëÈ·ÈÏÔÚ¾àÀëµ÷½Ú֮ǰ½øÐмì²âģʽѡÔñÊäÈë(·ÛºìÉ«/2)½ÓÏß¡£Èç¹ûÔÚ¾àÀëµ÷½ÚÖ®ºó½ÓÏߣ¬¼ì²âÁìÓò»á·¢Éú±ä»¯¡£
¡¤ Óá°£¡±ÐÍÂÝË¿µ¶(ÇëÁíÐÐ×¼±¸)Öð²½Çá΢µØÐýת¾àÀëµ÷½ÚÆ÷¡£ÎªÁ˱£»¤µ÷½ÚÆ÷£¬Èç¹û³ä·ÖÐýת£¬¾àÀëµ÷½ÚÆ÷»á¿Õת¡£Èç¹ûµ÷½Ú¾àÀëʱµ÷½ÚÆ÷¿Õת£¬ÇëÖØÐ½øÐе÷½Ú¡£
ʹÓÃBGS¹¦ÄÜʱ
| ²½Öè |
˵Ã÷ |
¾àÀëµ÷½ÚÆ÷ |
| ¢Ù |
°´ÄæÊ±Õë·½Ïò½«¾àÀëµ÷½ÚÆ÷³ä·ÖÐýתµ½×îС¼ì²â¾àÀëλÖá£(Ô¼40mm£¬CX-441¡õΪԼ20mm)¡£ |
 |
| ¢Ú |
¸ù¾ÝÒªÇó¾àÀë·ÅÖüì²âÎïÌ壬°´Ë³Ê±Õë·½ÏòÖð²½Ðýת¾àÀëµ÷½ÚÆ÷£¬ÕÒµ½´«¸ÐÆ÷½øÈë¼ì²â״̬µÄµãA¡£ |
 |
| ¢Û |
ÒÆ¿ª¼ì²âÎïÌ壬°´Ë³Ê±Õë·½Ïò½øÒ»²½Ðýתµ÷½ÚÆ÷Ö±µ½´«¸ÐÆ÷ÔٴνøÈë¼ì²â״̬¡£Ò»µ©½øÈ룬ÏòºóÐýת¾àÀëµ÷½ÚÆ÷Ö±µ½´«¸ÐÆ÷»Øµ½·Ç¼ì²â״̬¡£¸ÃλÖÃΪµãB¡£Èç¹û°´Ë³Ê±Õë·½Ïò³ä·ÖÐýתµ÷½ÚÆ÷£¬µ«´«¸ÐÆ÷ÈÔδ½øÈë¼ì²â״̬£¬µ÷½ÚÆ÷³ä·ÖÐýתµ½µÄλÖñ»ÊÓΪµãB¡£ (ÓÉÓÚ±¾´«¸ÐÆ÷×°±¸ÁË5»Ø×ªµÄµ÷½ÚÆ÷£¬µãAºÍµãBÖ®¼ä¿ÉÄܲ»Ö¹1¸ö»Ø×ª¡£) |
 |
| ¢Ü |
Îȶ¨¼ì²âÎïÌåµÄ×î¼ÑλÖü´µãAºÍµãBµÄÖе㡣 |
 |
ʹÓÃFGS¹¦ÄÜʱ
| ²½Öè |
˵Ã÷ |
¾àÀëµ÷½ÚÆ÷ |
| ¢Ù |
°´Ë³Ê±Õë·½Ïò½«¾àÀëµ÷½ÚÆ÷³ä·ÖÐýתµ½×î´ó¼ì²â¾àÀëλÖá£(Ô¼300mm£¬CX-441¡õΪԼ50mm)¡£ |
 |
| ¢Ú |
ÔÚ´«¸ÐÆ÷¼ì²â±³¾°µÄ״̬Ï£¬°´ÄæÊ±Õë·½ÏòÖð²½Ðýת¾àÀëµ÷½ÚÆ÷£¬ÕÒµ½´«¸ÐÆ÷½øÈë·Ç¼ì²â״̬µÄµãA¡£ |
 |
| ¢Û |
¸ù¾ÝÒªÇó¾àÀë·ÅÖüì²âÎïÌ壬°´ÄæÊ±Õë·½Ïò½øÒ»²½Ðýתµ÷½ÚÆ÷Ö±µ½´«¸ÐÆ÷ÔٴνøÈë·Ç¼ì²â»·¾³¡£Ò»µ©½øÈ룬ÏòºóÐýת¾àÀëµ÷½ÚÆ÷Ö±µ½´«¸ÐÆ÷»Øµ½¼ì²â״̬¡£¸ÃλÖÃΪµãB¡£Èç¹û°´ÄæÊ±Õë·½Ïò³ä·ÖÐýתµ÷½ÚÆ÷£¬´«¸ÐÆ÷ÈÔδ½øÈë·Ç¼ì²â»·¾³£¬µ÷½ÚÆ÷³ä·ÖÐýתµ½µÄλÖñ»ÊÓΪµã (ÓÉÓÚ±¾´«¸ÐÆ÷×°±¸ÁË5»Ø×ªµÄµ÷½ÚÆ÷£¬µãAºÍµãBÖ®¼ä¿ÉÄܲ»Ö¹1¸ö»Ø×ª¡£) |
 |
| ¢Ü |
Îȶ¨¼ì²âÎïÌåµÄ×î¼ÑλÖü´µãAºÍµãBµÄÖе㡣 |
 |
¡¤ ¾àÀëµ÷½ÚÆ÷ÊÇ»úе²Ù×÷µÄ¡£±ÜÃâˤÂä»òÆäËûÕ𶯡£
³ß´ç(µ¥Î»£ºmm)
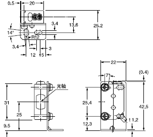
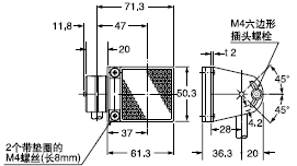
CX-41¡õ´«¸ÐÆ÷ |
CX-41¡õ-Z ´«¸ÐÆ÷ |
 |
 |
CX-41¡õ-J ´«¸ÐÆ÷ |
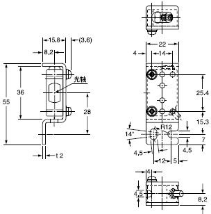
CX-49¡õ CX-48¡õ CX-42¡õ ´«¸ÐÆ÷ |
 |
 |
CX-49¡õ-Z CX-48¡õ-Z CX-42¡õ-Z ´«¸ÐÆ÷ |
CX-49¡õ-J CX-48¡õ-J CX-42¡õ-J ´«¸ÐÆ÷ |
 |
 |
CX-44 ´«¸ÐÆ÷ |
CX-44-Z ´«¸ÐÆ÷ |
 |
 |
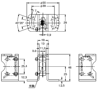
RF-230 ·´Éä¾µ(»Ø¹é·´ÉäÐÍ´«¸ÐÆ÷µÄ¸½¼þ) |
RF-220 ·´Éä¾µ(ÁíÊÛ) |
 |
 |
RF-210 ·´Éä¾µ(ÁíÊÛ) |
RF-11 ·´¹â´ø(ÁíÊÛ) |
 |
 |
RF-12 ·´¹â´ø(ÁíÊÛ) |
RF-13 ·´¹â´ø(ÁíÊÛ) |
 |
 |
MS-CX2-1 ´«¸ÐÆ÷°²×°Ö§¼Ü(ÁíÊÛ) |
 |
×°Åä³ß´ç CX-41¡õÊܹâÆ÷µÄ°²×°Í¼
 |
MS-CX2-2 ´«¸ÐÆ÷°²×°Ö§¼Ü(ÁíÊÛ) |
 |
×°Åä³ß´ç CX-41¡õÊܹâÆ÷µÄ°²×°Í¼
 |
MS-CX2-4 ´«¸ÐÆ÷°²×°Ö§¼Ü(ÁíÊÛ) |
 |
×°Åä³ß´ç CX-41¡õÊܹâÆ÷µÄ°²×°Í¼
 |
MS-CX2-5 ´«¸ÐÆ÷°²×°Ö§¼Ü(ÁíÊÛ) |
 |
×°Åä³ß´ç CX-41¡õÊܹâÆ÷µÄ°²×°Í¼
 |
MS-CX-3 ´«¸ÐÆ÷°²×°Ö§¼Ü(ÁíÊÛ) |
 |
×°Åä³ß´ç CX-41¡õÊܹâÆ÷µÄ°²×°Í¼
 |
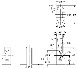
MS-RF21-1 ÓÃÓÚRF-210µÄ·´Éä¾µ°²×°Ö§¼Ü(ÁíÊÛ) |
 |
×°Åä³ß´ç CX-41¡õÊܹâÆ÷µÄ°²×°Í¼
 |
MS-RF22 ÓÃÓÚRF-220µÄ·´Éä¾µ°²×°Ö§¼Ü(ÁíÊÛ) |
 |
×°Åä³ß´ç CX-41¡õÊܹâÆ÷µÄ°²×°Í¼
 |
MS-RF23 ÓÃÓÚRF-230µÄ·´Éä¾µ°²×°Ö§¼Ü(ÁíÊÛ) |
 |
×°Åä³ß´ç CX-41¡õÊܹâÆ÷µÄ°²×°Í¼
 |
MS-AJ1 ͨÓô«¸ÐÆ÷°²×°¼Ü(ÁíÊÛ) |
MS-AJ2 ͨÓô«¸ÐÆ÷°²×°¼Ü(ÁíÊÛ) |
 ×¢£ºÖ§¼ÜÉϵijߴç±íÃ÷¿ÉÒÆ¶¯²¿¼þµÄµ÷½Ú·¶Î§¡£ |
 ×¢£ºÖ§¼ÜÉϵijߴç±íÃ÷¿ÉÒÆ¶¯²¿¼þµÄµ÷½Ú·¶Î§¡£ |
| CX-400ϵÁÐ×°Åä³ß´ç (½öΪ°²×°²¿·Ö) |
RF-210×°Åä³ß´ç(·´Éä¾µ) (½öΪ°²×°²¿·Ö) |
 |
 |
MS-AJ1-A ͨÓô«¸ÐÆ÷°²×°¼Ü(ÁíÊÛ) |
MS-AJ2-A ͨÓô«¸ÐÆ÷°²×°¼Ü(ÁíÊÛ) |
 ×¢£º 1) Ö§¼ÜÉϵijߴç±íÃ÷¿ÉÒÆ¶¯²¿¼þµÄµ÷½Ú·¶Î§¡£ 2) Çë²ÎÔÄMS-AJ1/AJ2´«¸ÐÆ÷°²×°Ö§¼Ü£¬´«¸ÐÆ÷»ò·´Éä¾µµÄ×°Åä³ß´ç¡£ |
 ×¢£º 1) Ö§¼ÜÉϵijߴç±íÃ÷¿ÉÒÆ¶¯²¿¼þµÄµ÷½Ú·¶Î§¡£ 2) Çë²ÎÔÄMS-AJ1/AJ2´«¸ÐÆ÷°²×°Ö§¼Ü£¬´«¸ÐÆ÷»ò·´Éä¾µµÄ×°Åä³ß´ç¡£ |
MS-AJ1-M ͨÓô«¸ÐÆ÷°²×°¼Ü(ÁíÊÛ) |
MS-AJ2-M ͨÓô«¸ÐÆ÷°²×°¼Ü(ÁíÊÛ) |
 ×¢£ºÖ§¼ÜÉϵijߴç±íÃ÷¿ÉÒÆ¶¯²¿¼þµÄµ÷½Ú·¶Î§¡£ |
 ×¢£ºÖ§¼ÜÉϵijߴç±íÃ÷¿ÉÒÆ¶¯²¿¼þµÄµ÷½Ú·¶Î§¡£ |
| RF-220(·´Éä¾µ)×°Åä³ß´ç (½öΪ°²×°²¿·Ö) |
RF-230(·´Éä¾µ)×°Åä³ß´ç (½öΪ°²×°²¿·Ö) |
 |
 |