ÏÞ¶¨·´ÉäÐ͹âµç´«¸ÐÆ÷
EX-40ϵÁÐ
ÌØµã£º¿É¿¿¼ì²âÏÞ¶¨·¶Î§ÄÚµÄÎïÌå
¹æ¸ñ
| ÖÖÀà |
À©É¢ÐÍ |
¹âµãÐÍ |
| |
³¤¼ì²â¾àÀë |
|
´ø¶¨Ê±Æ÷ |
| ÐͺŠ|
EX-42 |
EX-44 |
EX-43 |
EX-43T |
| ¼ì²â¾àÀë |
5¡«38mm(ÖÐÐÄ£º20mm) °×É«ÎÞ¹âÔóÖ½(50¡Á50mm) |
10¡«70mm(ÖÐÐÄ£º40mm) °×É«ÎÞ¹âÔóÖ½(50¡Á50mm) |
20¡«35mm(ÖÐÐÄ£º30mm) °×É«ÎÞ¹âÔóÖ½(50¡Á50mm) |
| ×îС¼ì²âÎïÌå |
¦Õ 0.2mmÍÏß (É趨¾àÀ룺20mm) |
¦Õ 0.2mmÍÏß (É趨¾àÀ룺40mm) |
¦Õ 0.03mm½ðÏß(É趨¾àÀ룺30mm) |
| Ó¦²î |
¹¤×÷¾àÀëµÄ15%ÒÔÏ |
¹¤×÷¾àÀëµÄ10%ÒÔÏ |
ÖØ¸´¾«¶È (´¹Ö±ÓÚ¼ì²âÖá) |
0.1mmÒÔÏ (É趨¾àÀ룺20mm) |
0.2mmÒÔÏ (É趨¾àÀ룺40mm) |
0.05mmÒÔÏÂ(É趨¾àÀ룺30mm) |
| µçÔ´µçѹ |
12¡«24V DC¡À10%¡¡Âö¶¯P-P10%ÒÔÏ |
| ÏûºÄµçÁ÷ |
35mAÒÔÏÂ |
| Êä³ö |
NPN¿ªÂ·¼¯µç¼«¾§Ìå¹Ü ¡¤×î´óÁ÷ÈëµçÁ÷£º100mA ¡¤Íâ¼Óµçѹ£º30V DCÒÔÏÂ(Êä³öºÍ0VÖ®¼ä) ¡¤Ê£Óàµçѹ£º1.5VÒÔÏÂ(Á÷ÈëµçÁ÷Ϊ100mAʱ) 0.4VÒÔÏÂ(Á÷ÈëµçÁ÷Ϊ16mAʱ) | |
| Êä³ö¹¤×÷ |
Èë¹âʱON |
| ¶Ì·±£»¤ |
×°±¸ |
| ·´Ó¦Ê±¼ä |
0.5msÒÔÏÂ |
| ¹¤×÷״ָ̬ʾµÆ |
ºìÉ«LED(Êä³öΪONʱÁÁÆð) |
| Îȶ¨Ö¸Ê¾µÆ |
ÂÌÉ«LED(ÔÚÎȶ¨Èë¹â»òÎȶ¨·ÇÈë¹â״̬ÏÂÁÁÆð) |
| ÁéÃô¶Èµ÷½ÚÆ÷ |
£ |
³ÖÐø¿É±äµ÷½ÚÆ÷ |
£ |
| ¶¨Ê±¹¦ÄÜ |
£ |
¿É±äOFFÑÓ³Ù¶¨Ê±Æ÷ (Ô¼0.1¡«1Ãë)(×¢) |
»· ¾³ ÐÔ ÄÜ |
±£»¤¹¹Ôì |
IP67(IEC) |
| ÖÜΧÎÂ¶È |
£25¡«£«55¡ãC(×¢Òâ²»¿É½á¶¡¢½á±ù)£¬´æ´¢£º£30¡«£«70¡ãC |
| ÖÜΧʪ¶È |
35¡«85%RH£¬´æ´¢£º35¡«85%RH |
| ÖÜΧÕÕÃ÷¶È |
°×³ã¹â£ºÊܹâÃæÕÕÃ÷¶È 3,000 x |
| Ä͵çѹ |
AC1,000V 1·ÖÖÓ£¬ËùÓеçÔ´Á¬½Ó¶Ë×ÓÓëÍâ¿ÇÖ®¼ä |
| ¾øÔµµç×è |
ËùÓеçÔ´Á¬½Ó¶Ë×ÓÓëÍâ¿ÇÖ®¼ä£¬20M¦¸ÒÔÉÏ£¬»ùÓÚDC250VµÄ¸ß×è±í |
| ÄÍÕñ¶¯ |
ƵÂÊ£º10¡«500Hz£¬Ë«Õñ·ù£º3mm(×î´ó20G)£¬X,YºÍZ¸÷·½Ïò2Сʱ |
| Äͳå»÷ |
¼ÓËÙ¶È£º500m/s2 (Ô¼50G)£¬X,YºÍZ¸÷·½Ïò3´Î |
| Ͷ¹âÔª¼þ |
ºìÍâÏßLED(µ÷ÖÆÊ½) |
ºìÉ«LED(µ÷ÖÆÊ½) |
| Ͷ¹â²¨·å²¨³¤ |
880¦Ìm |
680¦Ìm |
| ²ÄÖÊ |
¾Û·¼õ¥ |
| µçÀ |
0.2mm2 3оÏðÆ¤µçÀ£¬³¤2m |
| µçÀÂÑÓ³¤ |
0.3mm2ÒÔÉϵĵçÀÂÈ«³¤¿ÉÑÓ³¤ÖÁ100m |
| ÖØÁ¿ |
Ô¼45g |
| ¸½¼þ |
|
µ÷ÕûÂÝË¿µ¶£º1¸ö |
×¢£º¶¨Ê±Æ÷×ÜÓÐЧ¡£
I/Oµç·ͼºÍÏß·ͼ
I/Oµç·ͼ |
Ïß·ͼ |
 |
 |
¼ì²âÌØÐÔͼ(µäÐÍ)
EX-42
|
|
|
|
 |
 |
Èç×óͼËùʾ£¬µ±¼ì²âÎïÌå³ß´çСÓÚ±ê×¼³ß´ç(°×É«ÎÞ¹âÔóÖ½50¡Á50mm)ʱ£¬¼ì²â¾àÀëËõ¶Ì¡£ (Ϊ»æÖÆ×óͼ£¬ ʹÓõĴ«¸ÐÆ÷ÁéÃô¶ÈÉ趨ÔÚ38mm¾àÀëʱ£¬Äܼì²âÒ»50¡Á50mm°×É«ÎÞ¹âÔóÖ½¡£) |
|
|
|
|

|
ÔÚ×óͼÖУ¬¼ì²âÇøÓòÓÉбÏß±íʾ£¬È»¶ø£¬ÓÉÓÚ²úÆ·´æÔÚϸ΢²î±ð£¬ÁéÃô¶ÈÉ趨±ØÐëÓÐ×ã¹»µÄÓàÁ¿¡£ (×ó±ßËùʾµÄÁÁ¶ÈÓëʵÎïÇé¿öÓÐϸ΢²îÒì¡£) |
 |
ͼÖÐÖùÐαíʾ²»Í¬²ÄÖʵļì²â¾àÀë¡£µ«ÊÇ£¬¸ù¾Ý²úÆ·²»Í¬¼ì²â¾àÀë»áÂÔÓб仯¡£ |
ÁíÍ⣬Èç¹û¼ì²âÎïÌåµÄ±³¾°´¦ÓÐÒ»·´ÉäÎï(Èç´«ËÍ´øµÈ)£¬Õ⽫ӰÏì¼ì²â¡£Òò´Ë£¬Ç뽫Ëü·ÅÔÚÈç×óͼËùʾµÄ¼ì²â¾àÀëµÄÁ½±¶ÒÔÉϵÄλÖá£
EX-44
|
|
|
|
 |
 |
Èç×óͼËùʾ£¬¼ì²âÎïÌå³ß´çСÓÚ±ê×¼³ß´ç(°×É«ÎÞ¹âÔóÖ½50¡Á50mm)ʱ£¬¼ì²â¾àÀëËõС¡£ (Ϊ»æÖÆ×óͼ£¬ ʹÓõĴ«¸ÐÆ÷ÁéÃô¶ÈÉ趨ÔÚ70mm¾àÀëʱ£¬Äܼì²âÒ»50¡Á50mm°×É«ÎÞ¹âÔóÖ½¡£) |
|
|
|
 |
ÔÚ×óͼÖУ¬¼ì²âÇøÓòÓÉбÏß±íʾ¡£È»¶ø£¬ÓÉÓÚ²úÆ·´æÔÚϸ΢²î±ð£¬ÁéÃô¶ÈÉ趨ÓÐ×ã¹»µÄÓàÁ¿¡£ (¸ÃͼÊÇÉ趨ÔÚ×î´óÁéÃô¶Èʱ×÷µÄ¡£) (×ó±ßËùʾµÄÁÁ¶ÈÓëʵÎïÇé¿öÓÐϸ΢²îÒì¡£) |
 |
ͼÖÐÖùÐαíʾ²»Í¬²ÄÖʵļì²â¾àÀë¡£µ«ÊÇ£¬¸ù¾Ý²úÆ·²»Í¬¼ì²â¾àÀë»áÂÔÓб仯¡£ |
ÁíÍ⣬Èç¹û¼ì²âÎïÌåµÄ±³¾°ÓÐÒ»·´ÉäÎï(Èç´«ËÍ´øµÈ)£¬Õ⽫»áÓ°Ïì¼ì²â¡£Òò´Ë£¬Ç뽫Ëü·ÅÔÚÈç×óͼËùʾ¼ì²â¾àÀëµÄÁ½±¶ÒÔÉϵÄλÖ㬻òµ÷½ÚÁéÃô¶Èµ÷½ÚÆ÷¡£
(¸ÃͼÊÇÉ趨ÔÚ×î´óÁéÃô¶Èʱ×÷µÄ¡£)
EX-43 EX-43T
|
|
|
 |
 |
ÔÚ×óͼÖУ¬¼ì²âÇøÓòÓÉбÏß±íʾ¡£È»¶ø£¬ÓÉÓÚ²úÆ·´æÔÚϸ΢²î±ð£¬ÁéÃô¶ÈÉ趨ÓÐ×ã¹»µÄÓàÁ¿¡£ (¸ÃͼÊÇÉ趨ÔÚ×î´óÁéÃô¶Èʱ×÷µÄ¡£µ«ÊÇ£¬EX-43TÐͲ»×°±¸ÓÐÁéÃô¶Èµ÷½ÚÆ÷¡£) (×ó±ßËùʾµÄÁÁ¶ÈÓëʵÎïÇé¿öÓÐϸ΢²îÒì¡£) |
|
|
 |
ͼÖÐÖùÐαíʾ²»Í¬²ÄÖʵļì²â¾àÀë¡£µ«ÊÇ£¬¸ù¾Ý²úÆ·²»Í¬¼ì²â¾àÀë»áÂÔÓб仯¡£ÁíÍ⣬Èç¹û¼ì²âÎïÌåµÄ±³¾°ÓÐÒ»·´ÉäÎï(Èç´«ËÍ´øµÈ)£¬Õ⽫»áÓ°Ïì¼ì²â¡£Òò´Ë£¬Ç뽫Ëü·ÅÔÚÈç×óͼËùʾ¼ì²â¾àÀëµÄÁ½±¶ÒÔÉϵÄλÖ㬻òµ÷½ÚÁéÃô¶Èµ÷½ÚÆ÷¡£ (¸ÃͼÊÇÉ趨ÔÚ×î´óÁéÃô¶Èʱ×÷µÄ¡£µ«ÊÇ£¬EX-43TÐͲ»×°±¸ÓÐÁéÃô¶Èµ÷½ÚÆ÷¡£) |
ʹÓÃÖ¸ÄÏ
¸Ã²úƷΪÎïÌå¼ì²â´«¸ÐÆ÷¡£²»¾ßÓб£»¤ÉúÃü¡¢²Æ²úµÄ¹¦ÄÜ£¬Îª·Àֹʹʡ¢È·±£°²È«£¬Çë½÷É÷ʹÓá£
°²×°
¡¤Ê¹ÓÃÁíÊ۵Ĵ«¸ÐÆ÷°²×°Ö§¼Ü£¬½ô¹ÌŤ¾ØÓ¦ÔÚ0.5N¡¤mÒÔÏ¡£
ÆäËû
¡¤ÔÚµçÔ´½ÓͨºóµÄ¶Ìʱ¼ä(50ms)ÄÚ£¬ÇëÎðʹÓá£
¶¨Ê±¹¦ÄÜ(½öÊÊÓÃÓÚEX-43T)
¡¤ ¿É±äµÄOFFÑÓ³Ù¶¨Ê±Æ÷¿ÉʹÑÓ³¤Êä³öÒ»¶Îʱ¼ä(Ô¼0.1¡«1Ãë)¡£µ±Á¬½ÓÉ豸·´Ó¦½ÏÂý»ò¼ì²âСÎïÌåÇÒÐźſí¶È½ÏСʱÓÐÓá£
(¶¨Ê±Æ÷×ÜÊÇÓÐЧµÄ¡£)
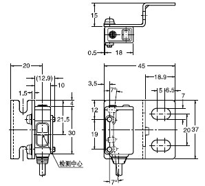
³ß´ç(µ¥Î»£ºmm)
EX-42 EX-44 EX-43 EX-43T´«¸ÐÆ÷

×¢£ºEX-42²»×°±¸ÓÐÁéÃô¶Èµ÷½ÚÆ÷¡£
ÔÚEX-43TÖÐÊǶ¨Ê±µ÷½ÚÆ÷¡£
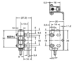
MS-EX40-1´«¸ÐÆ÷°²×°Ö§¼Ü(ÁíÊÛ)
MS-EX40-2 ´«¸ÐÆ÷°²×°Ö§¼Ü(ÁíÊÛ)
MS-AJ1 ͨÓô«¸ÐÆ÷°²×°¼Ü(ÁíÊÛ)
×¢£ºÖ§¼ÜÉϵijߴç±íÃ÷¿ÉÒÆ¶¯²¿¼þµÄµ÷½Ú·¶Î§¡£
MS-AJ2 ͨÓô«¸ÐÆ÷°²×°¼Ü(ÁíÊÛ)

×¢£ºÖ§¼ÜÉϵijߴç±íÃ÷¿ÉÒÆ¶¯²¿¼þµÄµ÷½Ú·¶Î§¡£
MS-AJ1 MS-AJ2ͨÓô«¸ÐÆ÷°²×°¼Ü(ÁíÊÛ)
MS-AJ1-A ͨÓô«¸ÐÆ÷°²×°¼Ü(ÁíÊÛ)
×¢£º1) Ö§¼ÜÉϵijߴç±íÃ÷¿ÉÒÆ¶¯²¿¼þµÄµ÷½Ú·¶Î§¡£
×¢£º2) Çë²ÎÔÄMS-AJ1/AJ2´«¸ÐÆ÷°²×°Ö§¼Ü»ò´«¸ÐÆ÷µÄ×°Åä³ß´ç¡£
MS-AJ2-A ͨÓô«¸ÐÆ÷°²×°¼Ü(ÁíÊÛ)

×¢£º1) Ö§¼ÜÉϵijߴç±íÃ÷¿ÉÒÆ¶¯²¿¼þµÄµ÷½Ú·¶Î§¡£
×¢£º2) Çë²ÎÔÄMS-AJ1/AJ2´«¸ÐÆ÷°²×°Ö§¼Ü»ò´«¸ÐÆ÷µÄ×°Åä³ß´ç¡£