|
|
|
²úÆ·Ãû³Æ£º
|
ÉñÊÓCYϵÁÐÔ²ÖùÐιâµç´«¸ÐÆ÷
|
|
ÐÍ ºÅ£º
|
CYϵÁÐ
|
|
¼Û ¸ñ£º
|
|
|
Æ· ÅÆ£º
|
|
|
|
|
Ô²ÖùÐιâµç´«¸ÐÆ÷
CYϵÁÐ
ÌØµã£ºÔ²ÖùÐÎM18ÂÝÎÆ¼òÒ×°²×°
²úÆ·ÌØµã£º
M18ÂÝÎÆ |
¸ü»»ÈÝÒ× |
´«¸ÐÆ÷µÄÍâ¿Ç¿ÌÓÐM18ÂÝÎÆ£¬°²×°·½±ã¡£
 |
±¸ÓдøÁ¬½ÓÆ÷µÄÖмÌÁ¬½ÓÆ÷ÐÍ´«¸ÐÆ÷(CY-¡õ-J)£¬¸ü»»ÈÝÒס£
 |
³¤¾àÀë¼ì²â |
²úÆ·ÖÖÀà·±¶à |
͸¹ýÐÍ
 »Ø¹é·´ÉäÐÍ
 À©É¢·´ÉäÐÍ
 |
µçÔ´µçѹ ¢Ù ACµçÔ´ÐÍ(24¡«240V AC) ¢Ú DCµçÔ´ÐÍ(10¡«30V DC) Êä³ö ¢Ù NPN¿ªÂ·¼¯µç¼«¾§Ìå¹Ü ¢Ú PNP¿ªÂ·¼¯µç¼«¾§Ìå¹Ü ¢Û ½»Á÷ÎÞ½Óµã(Õ¢Á÷)Êä³ö Á¬½Ó ¢Ù µçÀÂÐÍ ¢Ú ÖмÌÁ¬½ÓÆ÷ÐÍ ¹²±¸ÓÐ32¿îÐͺš£
|
ÄÍ»·¾³ÐÔÄÜ |
±ãÓÚÑ¡Ôñ |
Æä±£»¤¹¹Ôì´ïµ½IP67(IEC)£¬¿ÉÓÃÈí¹ÜÁܽ½¡£´ËÍ⣬Ëü»¹ÓкÜÇ¿µÄ¿¹ÕñÐÔ£¬ÒòΪËü×°ÂúÁËÊ÷Ö¬¡£Á¬½ÓÆ÷µÄ±£»¤¹¹ÔìÒ²´ïµ½ÁËIP67¡£
 ×¢£º µ«ÊÇ£¬Çë×¢ÒâÈç¹û´«¸ÐÆ÷ÔÚ¹¤×÷ʱ±©Â¶ÔÚË®ÖУ¬ËüÒ²Ðí»á¼ì²âË®µÎ±¾Éí¡£ |
²àÊӽ總¼þ(½öÊÊÓÃÓÚ͸¹ýÐÍ´«¸ÐÆ÷) ͨ¹ý²àÊӽ總¼þ£¬¹âÖá¿ÉÍäÇúÒ»¸öºÏÊʵĽǶȡ£
 ÏÁ·ì͸¹âÕÖ (½öÊÊÓÃÓÚ͸ÉäÐÍ´«¸ÐÆ÷) Ëü±ãÓÚ¼ì²âСÐÍÎïÌå»òÄÜÔö Ç¿¼ì²â¾«¶È¡£
 |
ÓÃ;
¼ì²âÓ²Ö½°åºÐ |
¼ì²âÓйâÔóÎïÌå |
¼ì²âÅ£Ä̺Р|
 |
 |
 |
¶©¹ºÖ¸ÄÏ
| ÖÖ¡¡Àà |
ÐΡ¡×´ |
¼ì²â¾àÀë |
ÐÍ ºÅ |
µçÔ´µçѹ |
Êä ³ö |
Êä³ö¹¤×÷ |
D C µç Ô´ ÐÍ |
͸¹ýÐÍ |
 |
12m |
CY-21 |
10¡«30V DC |
NPN¿ªÂ·¼¯µç¼«¾§Ìå¹Ü |
¿Éͨ¹ý¿ØÖÆÊäÈëÑ¡ÔñÈë¹âʱON»ò·ÇÈë¹âʱON |
| CY-21-PN |
PNP¿ªÂ·¼¯µç¼«¾§Ìå¹Ü |
»Ø ¹é ·´ Éä ÐÍ |
|
 |
3m(×¢) |
CY-27 |
NPN¿ªÂ·¼¯µç¼«¾§Ìå¹Ü |
| CY-27-PN |
PNP¿ªÂ·¼¯µç¼«¾§Ìå¹Ü
|
´øÆ«¼« Â˹âÆ÷ |
1.5m(×¢) |
CY-29 |
NPN¿ªÂ·¼¯µç¼«¾§Ìå¹Ü |
| CY-29-PN |
PNP¿ªÂ·¼¯µç¼«¾§Ìå¹Ü |
| À©É¢·´ÉäÐÍ |
 |
120mm |
CY-22 |
NPN¿ªÂ·¼¯µç¼«¾§Ìå¹Ü |
| CY-22-PN |
PNP¿ªÂ·¼¯µç¼«¾§Ìå¹Ü |
A C µç Ô´ ÐÍ |
͸¹ýÐÍ |
 |
12m |
CY-11A |
24¡«240V AC £«10 / £15% |
½»Á÷ÎÞ½Óµã(Õ¢Á÷)Êä³ö |
Èë¹âʱ-ON |
| CY-11B |
ÕÚ¹âʱ-ON |
»Ø ¹é ·´ Éä ÐÍ |
|
 |
3m(×¢) |
CY-17A |
Èë¹âʱ-ON |
| CY-17B |
ÕÚ¹âʱ-ON |
´øÆ«¼« Â˹âÆ÷ |
1.5m(×¢) |
CY-19A |
Èë¹âʱ-ON |
| CY-19B |
ÕÚ¹âʱ-ON |
| À©É¢·´ÉäÐÍ |
 |
120mm |
CY-12A |
Èë¹âʱ-ON |
| CY-12B |
·ÇÈë¹âʱ-ON | ×¢£º»Ø¹é·´ÉäÐÍ´«¸ÐÆ÷²»¸½´ø·´Éä¾µ¡£ÇëÁíÐÐÑ¡¹ººÏÊʵķ´Éä¾µºÍ·´¹â´ø¡£ ×¢£º»Ø¹é·´ÉäÐ͵ļì²â¾àÀëÊǶԷ´Éä¾µRF-230(ÁíÊÛ)µÄÖµ¡£
ÖмÌÁ¬½ÓÆ÷Ðͱ¸ÓÐÖмÌÁ¬½ÓÆ÷ÐÍ¡£
| ÖÖ¡¡Àà |
±ê×¼ÐÍ |
ÖмÌÁ¬½ÓÆ÷ÐÍ(×¢) |
DC µç Ô´ ÐÍ |
NPNÊä³öÐÍ |
͸¹ýÐÍ
|
CY-21 |
CY-21-J |
| »Ø¹é·´ÉäÐÍ |
CY-27 |
CY-27-J |
| ´øÆ«¼«Â˹âÆ÷ |
CY-29 |
CY-29-J |
| À©É¢·´ÉäÐÍ |
CY-22 |
CY-22-J |
P N P Êä ³ö ÐÍ |
͸¹ýÐÍ |
CY-21-PN |
CY-21-PN-J |
| »Ø¹é·´ÉäÐÍ |
CY-27-PN |
CY-27-PN-J |
| À©É¢·´ÉäÐÍ |
CY-29-PN |
CY-29-PN-J |
| ´øÆ«¼«Â˹âÆ÷ |
CY-22-PN |
CY-22-PN-J |
AC µç Ô´ ÐÍ |
Èë ¹â ʱ ON ÐÍ |
͸¹ýÐÍ |
CY-11A |
CY-11A-J |
| »Ø¹é·´ÉäÐÍ |
CY-17A |
CY-17A-J |
| À©É¢·´ÉäÐÍ |
CY-19A |
CY-19A-J |
| ´øÆ«¼«Â˹âÆ÷ |
CY-12A |
CY-12A-J |
·Ç Èë ¹â ʱ ON ÐÍ |
͸¹ýÐÍ |
CY-11B |
CY-11B-J |
| »Ø¹é·´ÉäÐÍ |
CY-17B |
CY-17B-J |
| À©É¢·´ÉäÐÍ |
CY-19B |
CY-19B-J |
| ´øÆ«¼«Â˹â |
CY-12B |
CY-12B-J | ×¢£ºÇëÁíÐж©¹ººÏÊÊµÄÆ¥ÅäµçÀ¡£
| ÖÖ Àà |
ÐÍ ºÅ |
˵ Ã÷ |
| ÓÃÓÚDCµçÔ´ÐÍ (×¢1) |
CN-22-C2 |
³¤¶È£º2m |
ÊÊÓÃÓÚ͸¹ýÐÍ´«¸ÐÆ÷µÄͶ¹âÆ÷ (2о)(×¢2) |
| CN-22-C5 |
³¤¶È£º5m |
| CN-24-C2 |
³¤¶È£º2m |
ÊÊÓÃÓÚ͸¹ýÐÍ´«¸ÐÆ÷µÄÊܹâÆ÷¡¢»Ø¹é·´ÉäÐÍ¡¢À©É¢·´ÉäÐÍ(4о)(×¢2) |
| CN-24-C5 |
³¤¶È£º5m |
| ÓÃÓÚACµçÔ´ÐÍ (×¢1) |
CN-32-C2 |
³¤¶È£º2m |
ÊÊÓÃÓÚ͸¹ýÐÍ´«¸ÐÆ÷µÄͶ¹âÆ÷(2о) |
| CN-32-C5 |
³¤¶È£º5m |
| CN-33-C2 |
³¤¶È£º2m |
ÊÊÓÃÓÚ͸¹ýÐÍ´«¸ÐÆ÷µÄÊܹâÆ÷¡¢»Ø¹é·´ÉäÐÍ¡¢À©É¢·´ÉäÐÍ(3о) |
| CN-33-C5 |
³¤¶È£º5m |  ×¢£º 1) DCµçÔ´ÐÍµÄÆ¥ÅäµçÀºÍACµçÔ´ÐÍµÄÆ¥ÅäµçÀµÄÁ¬½ÓÆ÷¹¹Ô첻ͬ£¬Òò´Ë²»¿ÉÒÔ»¥»»¡£ 2) ÇëʹÓÃ4оCN-24-C¡õµÄͶ¹âÍ£Ö¹ÊäÈë¡£
Åä¼þ(ÁíÊÛ)
| Æ·Ãû |
ÐͺŠ|
˵Ã÷ |
| ÏÁ·ì͸¹âÕÖ½öÓÃÓÚ͸¹ýÐÍ´«¸ÐÆ÷ |
OS-CYS |
ÏÁ·ì³ß´ç 11.6¡Á0.5mm ÏÁ·ì³ß´ç 11.6¡Á1.5mm ÏÁ·ì³ß´ç 11.6¡Á3mm |
| °²×°ÓÚͶ¹âÆ÷ÉÏ |
¡¤¼ì²â¾àÀ룺3m ¡¤×îС¼ì²âÎïÌ壺¦Õ8mm | |
| °²×°ÓÚÊܹâÆ÷ÉÏ |
¡¤¼ì²â¾àÀ룺2.5m ¡¤×îС¼ì²âÎïÌ壺¦Õ8mm | |
| Ë«²à°²×° |
¡¤¼ì²â¾àÀ룺0.8m ¡¤×îС¼ì²âÎïÌ壺¦Õ 10¡Á0.7mm | |
| |
| Ë«²à°²×° |
¡¤¼ì²â¾àÀ룺5m ¡¤×îС¼ì²âÎïÌ壺¦Õ8mm | |
| Ë«²à°²×° |
¡¤¼ì²â¾àÀ룺4.5m ¡¤×îС¼ì²âÎïÌ壺¦Õ8mm | |
| °²×°ÓÚÊܹâÆ÷ÉÏ |
¡¤¼ì²â¾àÀ룺2m ¡¤×îС¼ì²âÎïÌ壺¦Õ 10¡Á2mm | |
| |
| °²×°ÓÚÊܹâÆ÷ÉÏ |
¡¤¼ì²â¾àÀ룺7.5m ¡¤×îС¼ì²âÎïÌ壺¦Õ8mm | |
| °²×°ÓÚͶ¹âÆ÷ÉÏ |
¡¤¼ì²â¾àÀ룺7m ¡¤×îС¼ì²âÎïÌ壺¦Õ8mm | |
| °²×°ÓÚͶ¹âÆ÷ÉÏ |
¡¤¼ì²â¾àÀ룺4.5m ¡¤×îС¼ì²âÎïÌ壺¦Õ 10¡Á3mm | |
| ²àÊӽ總¼þ½öÓÃÓÚ͸¹ýÐÍ´«¸ÐÆ÷ |
CY-SV1 |
ͨ¹ý¸½¼þ¹âÖá¿ÉÍäÇúÒ»¸öºÏÊʵĽǶȡ£¡¤¼ì²â¾àÀë(Ë«²à°²×°)£º8m |
| ·´Éä¾µ½öÓÃÓڻع鷴ÉäÐÍ´«¸ÐÆ÷ |
RF-230 |
¡¤¼ì²â¾àÀ룺3m[CY-27¡õ,CY-17¡õ], 1.5m[CY-29¡õ,CY-19¡õ] |
| RF-220 |
¡¤¼ì²â¾àÀ룺2m[CY-27¡õ,CY-17¡õ], 1.2m[CY-29¡õ,CY-19¡õ] |
| RF-210 |
¡¤¼ì²â¾àÀ룺1m[CY-27¡õ,CY-17¡õ], 0.7m[CY-29¡õ,CY-19¡õ] |
| ·´Éä¾µ°²×°Ö§¼Ü |
MS-RF21-1 |
ÓÃÓÚRF-210µÄ±£»¤ÐÔ°²×°Ö§¼Ü·ÀÖ¹·´Éä¾µÊÜË𺦣¬±£³Ö¶ÔÆë¡£ |
| MS-RF22 |
ÓÃÓÚRF-220 |
| MS-RF23 |
ÓÃÓÚRF-230 |
| ·´¹â´ø½öÓÃÓڻع鷴ÉäÐÍ´«¸ÐÆ÷ |
RF-12 |
¡¤¼ì²â¾àÀ룺0.7m[CY-27¡õ,CY-17¡õ], 0.4m[CY-29¡õ,CY-19¡õ] |
| RF-11 |
¡¤¼ì²â¾àÀ룺0.5m[CY-27¡õ,CY-17¡õ] |
| ÏÁ·ì͸¹âÕÖ |
²àÊӽ總¼þ |
·´¹â´ø |
·´Éä¾µ |
| OS-CYS |
CY-SV1 |
RF-12 |
RF-11 |
RF-230 |
 |
 |
 |
 |
 |
| ·´Éä¾µ |
·´Éä¾µ°²×°Ö§¼Ü |
| RF-220 |
RF-210 |
MS-RF23 |
MS-RF22 |
MS-RF21-1 |
 |
 |
 |
 |
 | ¼¼ÊõÐÅÏ¢£º
¹æ¸ñ
DCµçÔ´ÐÍ
| ÖÖ¡¡Àà |
͸¹ýÐÍ |
»Ø¹é·´ÉäÐÍ |
À©É¢·´ÉäÐÍ |
| |
´øÆ«¼«Â˹âÆ÷ |
| ÐͺŠ|
NPNÊä³öÐÍ |
CY-21 |
CY-27 |
CY-29 |
CY-22 |
| PNPÊä³öÐÍ |
CY-21-PN |
CY-27-PN |
CY-29-PN |
CY-22-PN |
| ¼ì²â¾àÀë |
12m |
3m(×¢1) |
1.5m(×¢1) |
120mm(×¢2) |
| ¼ì²âÎïÌå |
¦Õ8mmÒÔÉϲ»Í¸Ã÷Ìå |
¦Õ 50mmÒÔÉϲ»Í¸Ã÷Ìå»ò°ë͸Ã÷Ìå(×¢1) |
¦Õ 50mmÒÔÉϲ»Í¸Ã÷Ìå¡¢°ë͸Ã÷Ìå»òÓйâÔóÎïÌå(×¢1) |
²»Í¸Ã÷Ìå¡¢°ë͸Ã÷Ìå»ò͸Ã÷Ìå |
| Ó¦²î |
¡ª¡ª¡ª¡ª |
¹¤×÷¾àÀëµÄ15%ÒÔÏ |
ÖØ¸´¾«¶È (´¹Ö±ÓÚ¼ì²âÖá) |
0.1mmÒÔÏÂ |
0.3mmÒÔÏÂ |
| µçÔ´µçѹ |
10¡«30V DC Âö¶¯P-P10%ÒÔÏ |
| ÏûºÄµçÁ÷ |
Ͷ¹âÆ÷£º20mAÒÔÏ ÊܹâÆ÷£º25mAÒÔÏ |
25mAÒÔÏÂ |
| Êä³ö |
NPN¿ªÂ·¼¯µç¼«¾§Ìå¹Ü ¡¤×î´óÁ÷ÈëµçÁ÷£º100mA ¡¤Íâ¼Óµçѹ£º30V DCÒÔÏÂ(Êä³öºÍ0VÖ®¼ä) ¡¤Ê£Óàµçѹ£º1.5VÒÔÏÂ(Á÷ÈëµçÁ÷Ϊ100mAʱ) |
PNP¿ªÂ·¼¯µç¼«¾§Ìå¹Ü ¡¤×î´óÔ´µçÁ÷£º100mA ¡¤Íâ¼Óµçѹ£º30V DCÒÔÏÂ(Êä³öºÍ£«VÖ®¼ä) ¡¤Ê£Óàµçѹ£º1.5VÒÔÏÂ(Ô´µçÁ÷Ϊ100mAʱ) | |
| Êä³ö¹¤×÷ |
¿Éͨ¹ý¿ØÖÆÊäÈëÑ¡ÔñÈë¹âʱON»ò·ÇÈë¹âʱON |
| ¶Ì·±£»¤ |
×°±¸ |
| ·´Ó¦Ê±¼ä |
2msÒÔÏÂ |
| Ͷ¹âÍ£Ö¹¹¦ÄÜ |
×°¡¡±¸ |
¡ª¡ª¡ª¡ª |
| ¹¤×÷״ָ̬ʾµÆ |
ºìÉ«LED(Êä³öΪONʱÁÁÆð) |
| Ͷ¹âָʾµÆ |
ºìÉ«LED(ÔÚ¹âÖáͶ¹âʱÁÁÆð) |
¡ª¡ª¡ª¡ª |
| »·¾³ÐÔÄÜ |
±£»¤¹¹Ôì |
IP67(IEC) |
| ÖÜΧÎÂ¶È |
£25¡«£«55¡ãC(×¢Òâ²»¿É½á¶¡¢½á±ù)£¬´æ´¢£º£30¡«£«70¡ãC |
| ÖÜΧʪ¶È |
35¡«85%RH£¬´æ´¢£º35¡«85%RH |
| ÖÜΧÕÕÃ÷¶È |
°×³ãµÆ£ºÊܹâÃæÕÕÃ÷¶È3,000 x |
| Ä͵çѹ |
AC1,000V 1·ÖÖÓ£¬ËùÓеçÔ´Á¬½Ó¶Ë×ÓÓëÍâ¿ÇÖ®¼ä |
| ¾øÔµµç×è |
ËùÓеçÔ´Á¬½Ó¶Ë×ÓÓëÍâ¿ÇÖ®¼ä£¬20M¦¸ÒÔÉÏ£¬»ùÓÚDC250VµÄ¸ß×è±í |
| ÄÍÕñ¶¯ |
ƵÂÊ£º10¡«500Hz£¬Ë«Õñ·ù£º1.5mm(×î´ó10G),X,YºÍZ¸÷·½Ïò2Сʱ |
| Äͳå»÷ |
¼ÓËÙ¶È£º500m/s2(Ô¼50G)£¬X,YºÍZ¸÷·½Ïò3´Î |
| Ͷ¹â¶þ¼«Ìå |
ºìÍâÏßLED(µ÷ÖÆÊ½) |
ºìÉ«LED(µ÷ÖÆÊ½) |
ºìÍâÏßLED(µ÷ÖÆÊ½) |
| Ͷ¹â²¨·å²¨³¤ |
950¦Ìm |
660¦Ìm |
950¦Ìm |
| ²ÄÖÊ |
Íâ¿Ç£ºPBT£¬Í¸¾µ£º¾Û̼Ëáõ¥ |
Íâ¿Ç£ºPBT£¬Ç°ÕÖ£º±ûÏ© |
| µçÀ |
0.34mm2 4о(͸¹ýÐÍͶ¹âÆ÷£º3о) ÏðÆ¤µçÀ£¬³¤2m |
| µçÀÂÑÓ³¤ |
0.34mm2ÒÔÉϵĵçÀÂÈ«³¤¿ÉÑÓ³¤ÖÁ100m(͸¹ýÐÍ£ºÍ¶¹âÆ÷ºÍÊܹâÆ÷¸÷1¸ù) |
| ÖØÁ¿ |
Ͷ¹âÆ÷£ºÔ¼90g ÊܹâÆ÷£ºÔ¼100g |
Ô¼100g |
| ¸½¼þ |
ÂÝĸ£º4¸ö |
ÂÝĸ£º2¸ö | ×¢£º»Ø¹é·´ÉäÐÍ´«¸ÐÆ÷²»¸½´ø·´Éä¾µ¡£ÇëÁíÐÐÑ¡¹ººÏÊʵķ´Éä¾µ»ò·´¹â´ø¡£ ×¢£º 1) »Ø¹é·´ÉäÐÍ´«¸ÐÆ÷µÄ¼ì²â¾àÀëÓë¼ì²âÎïÌåÊǶԷ´Éä¾µRF-230(ÁíÊÛ)µÄÖµ¡£ 2) À©É¢·´ÉäÐÍ´«¸ÐÆ÷µÄ¼ì²â¾àÀëÊÇÒÔ°×É«ÎÞ¹âÔóÖ½(200¡Á200mm)×÷Ϊ¼ì²âÎïÌåʱ²âµÃµÄ¡£
ACµçÔ´ÐÍ
| ÖÖ¡¡Àà |
͸¹ýÐÍ |
»Ø¹é·´ÉäÐÍ |
À©É¢·´ÉäÐÍ |
| |
´øÆ«¼«Â˹âÆ÷ |
| ÐͺŠ|
Èë¹âʱON |
CY-11A |
CY-17A |
CY-19A |
CY-12A |
| ·ÇÈë¹âʱON |
CY-11B |
CY-17B |
CY-19B |
CY-12B |
| ¼ì²â¾àÀë |
12m |
3m(×¢1) |
1.5m(×¢1) |
120mm(×¢2) |
| ¼ì²âÎïÌå |
¦Õ8mmÒÔÉϲ»Í¸Ã÷Ìå |
¦Õ 50mmÒÔÉϲ»Í¸Ã÷Ìå»ò°ë͸Ã÷Ìå(×¢1) |
¦Õ 50mmÒÔÉϲ»Í¸Ã÷Ìå¡¢°ë͸Ã÷Ìå»òÓйâÔóÎïÌå(×¢1) |
²»Í¸Ã÷Ìå¡¢°ë͸Ã÷Ìå»ò͸Ã÷Ìå |
| Ó¦²î |
¡ª¡ª¡ª¡ª |
¹¤×÷¾àÀëµÄ15%ÒÔÏ |
ÖØ¸´¾«¶È (´¹Ö±ÓÚ¼ì²âÖá) |
0.1mmÒÔÏÂ |
0.3mmÒÔÏÂ |
| µçÔ´µçѹ |
24¡«240V AC£«10% / £15% |
| ÏûºÄµçÁ÷ |
Ͷ¹âÆ÷£º1.5VAÒÔÏ ÊܹâÆ÷£º2.5VAÒÔÏ |
2.7VAÒÔÏÂ |
| Êä³ö |
| |
ACÎÞ½Óµã(Õ¢Á÷)Êä³ö ¡¤¸ººÉµçÁ÷£º5¡«200mA ¡¤Íâ¼Óµçѹ£º24¡«240V DC£«10 / £15% ¡¤Ê£Óàµçѹ£º4VÒÔÏÂ(¸ººÉµçÁ÷Ϊ200mAʱ) | |
| ·´Ó¦Ê±¼ä |
2msÒÔÏÂ |
| ¹¤×÷״ָ̬ʾµÆ |
ºìÉ«LED(Êä³öONʱÁÁÆð)£¬×°±¸ÔÚ͸¹ýÐÍ´«¸ÐÆ÷ÊܹâÆ÷ÉÏ |
| µçԴָʾµÆ |
ºìÉ«LED(µçÔ´ONʱÁÁÆð)£¬×°±¸ÓÚͶ¹âÆ÷ÉÏ |
¡ª¡ª¡ª¡ª |
| »·¾³ÐÔÄÜ |
±£»¤¹¹Ôì |
IP67(IEC) |
| ÖÜΧÎÂ¶È |
£25¡«£«55¡ãC(×¢Òâ²»¿É½á¶¡¢½á±ù)£¬´æ´¢£º£30¡«£«70¡ãC |
| ÖÜΧʪ¶È |
35¡«85%RH£¬´æ´¢£º35¡«85%RH |
| ÖÜΧÕÕÃ÷¶È |
°×³ãµÆ£ºÊܹâÃæÕÕÃ÷¶È3,000 x |
| Ä͵çѹ |
AC1,500V 1·ÖÖÓ£¬ËùÓеçÔ´Á¬½Ó¶Ë×ÓÓëÍâ¿ÇÖ®¼ä |
| ¾øÔµµç×è |
ËùÓеçÔ´Á¬½Ó¶Ë×ÓÓëÍâ¿ÇÖ®¼ä£¬20M¦¸ÒÔÉÏ£¬»ùÓÚDC500VµÄ¸ß×è±í |
| ÄÍÕñ¶¯ |
ƵÂÊ£º10¡«500Hz£¬Ë«Õñ·ù£º1.5mm(×î´ó10G)£¬X,YºÍZ¸÷·½Ïò2Сʱ |
| Äͳå»÷ |
¼ÓËÙ¶È£º500m/s2(Ô¼50G)£¬X,YºÍZ¸÷·½Ïò3´Î |
| Ͷ¹â¶þ¼«Ìå |
ºìÍâÏßLED(µ÷ÖÆÊ½) |
ºìÉ«LED(µ÷ÖÆÊ½) |
ºìÍâÏßLED(µ÷ÖÆÊ½) |
| Ͷ¹â²¨·å²¨³¤ |
950¦Ìm |
660¦Ìm |
950¦Ìm |
| ²ÄÖÊ |
Íâ¿Ç£ºPBT£¬Í¸¾µ£º¾Û̼Ëáõ¥ |
Íâ¿Ç£ºPBT£¬Ç°ÕÖ£º±ûÏ© |
| µçÀ |
0.34mm2 3о(͸¹ýÐÍͶ¹âÆ÷£º2о) ÏðÆ¤µçÀ£¬³¤2m |
| µçÀÂÑÓ³¤ |
0.34mm2ÒÔÉϵĵçÀÂÈ«³¤¿ÉÑÓ³¤ÖÁ100m(͸¹ýÐÍ£ºÍ¶¹âÆ÷ºÍÊܹâÆ÷¸÷1¸ù) |
| ÖØÁ¿ |
Ͷ¹âÆ÷£ºÔ¼90g ÊܹâÆ÷£ºÔ¼100g |
Ô¼100g |
| ¸½¼þ |
ÂÝĸ£º4¸ö |
ÂÝĸ£º2¸ö | ×¢£º»Ø¹é·´ÉäÐÍ´«¸ÐÆ÷²»¸½´ø·´Éä¾µ¡£ÇëÁíÐÐÑ¡¹ººÏÊʵķ´Éä¾µ»ò·´¹â´ø¡£ ×¢£º 1) »Ø¹é·´ÉäÐÍ´«¸ÐÆ÷µÄ¼ì²â¾àÀëºÍ¼ì²âÎïÌåÊǶԷ´Éä¾µRF-230(ÁíÊÛ)µÄÖµ¡£ 2) À©É¢·´ÉäÐÍ´«¸ÐÆ÷µÄ¼ì²â¾àÀëÊÇÒÔ°×É«ÎÞ¹âÔóÖ½(200¡Á200mm)Ϊ¼ì²âÎïÌåʱ²âµÃµÄ¡£
I/Oµç·ͼºÍÏß·ͼ
NPNÊä³öÐÍ
|
|
|
 ×¢£º 1) ͸¹ýÐÍ´«¸ÐÆ÷µÄͶ¹âÆ÷²»×°±¸Êä³öºÍ¿ØÖÆÊäÈë¡£µ±Æ¥ÅäµçÀÂÁ¬½Óµ½ÖмÌÁ¬½ÓÆ÷ÐÍʱ£¬¿ØÖÆÊäÈëµçÏßµÄÑÕÉ«Êǰ×É«¡£ 2) Ͷ¹âÍ£Ö¹ÊäÈë½ö×°±¸ÔÚ͸¹ýÐÍ´«¸ÐÆ÷µÄͶ¹âÆ÷ÉÏ¡£µ±Æ¥ÅäµçÀÂÁ¬½Óµ½ÖмÌÁ¬½ÓÆ÷ÐÍÉÏ£¬ËüµÄÑÕÉ«Êǰ×É«µÄ¡£·ûºÅ¡D : ·´ÏòµçÔ´¼«ÐÔ±£»¤¶þ¼«¹Ü
·ûºÅ¡D : ·´ÏòµçÔ´¼«ÐÔ±£»¤¶þ¼«¹Ü ·ûºÅ¡ZD : µçÓ¿ÎüÊÕÆëÄɶþ¼«¹Ü ·ûºÅ¡Tr : NPNÊä³ö¾§Ìå¹Ü |
 ¡ù1
 ×¢£ºÈç¹û´ò¿ªÊäÈëµçÀ£¬ÇëÈ·±£½«Æä¾øÔµ¡£ |
|
|
 |
|
PNPÊä³öÐÍ
|
|
|
 ×¢£º1) ͸¹ýÐÍ´«¸ÐÆ÷µÄͶ¹âÆ÷²»×°±¸Êä³öºÍ¿ØÖÆÊäÈë¡£µ±Æ¥ÅäµçÀÂÁ¬½Óµ½ÖмÌÁ¬½ÓÆ÷ÐÍʱ£¬¿ØÖÆÊäÈëµçÏßµÄÑÕÉ«Êǰ×É«¡£ ×¢£º2) Ͷ¹âÍ£Ö¹ÊäÈë½ö×°±¸ÔÚ͸¹ýÐÍ´«¸ÐÆ÷µÄͶ¹âÆ÷ÉÏ¡£µ±Æ¥ÅäµçÀÂÁ¬½Óµ½ÖмÌÁ¬½ÓÆ÷ÐÍÉÏ£¬ËüµÄÑÕÉ«Êǰ×É«µÄ¡£
·ûºÅ¡D : ·´ÏòµçÔ´¼«ÐÔ±£»¤¶þ¼«¹Ü ·ûºÅ¡ZD : µçÓ¿ÎüÊÕÆëÄɶþ¼«¹Ü ·ûºÅ¡Tr : PNPÊä³ö¾§Ìå¹Ü |
 ¡ù1
 ×¢£ºÈç¹û´ò¿ªÊäÈëµçÀ£¬ÇëÈ·±£½«Æä¾øÔµ¡£ |
|
|
 |
|
ACÎÞ½ÓµãÊä³öÐÍ
|
|
|
͸¹ýÐÍ´«¸ÐÆ÷µÄͶ¹âÆ÷͸
 ͸¹ýÐÍ´«¸ÐÆ÷µÄÊܹâÆ÷¡¢»Ø¹é·´ÉäÐͼ°À©É¢·´ÉäÐÍ´«¸ÐÆ÷
 |
͸¹ýÐÍ´«¸ÐÆ÷µÄͶ¹âÆ÷
 ͸¹ýÐÍ´«¸ÐÆ÷µÄÊܹâÆ÷¡¢»Ø¹é·´ÉäÐͼ°À©É¢·´ÉäÐÍ´«¸ÐÆ÷
 |
|
|
͸¹ýÐÍ´«¸ÐÆ÷µÄͶ¹âÆ÷
 ͸¹ýÐÍ´«¸ÐÆ÷µÄÊܹâÆ÷¡¢»Ø¹é·´ÉäÐͼ°À©É¢·´ÉäÐÍ´«¸ÐÆ÷
 |
¼ì²âÌØÐÔͼ(µäÐÍ)
ËùÓÐÐͺÅÉ趨¾àÀëºÍ¹ýÁ¿ÔöÒçÖ®¼äµÄÏ໥¹ØÏµ
CY-21¡õ CY-11¡õ ͸¹ýÐÍ
| ƽÐÐÒÆ¶¯ÌØÐÔ |
½Ç¶ÈÌØÐÔ |
 |
 |
CY-27¡õ CY-17¡õ »Ø¹é·´ÉäÐÍ
| ƽÐÐÒÆ¶¯ÌØÐÔ |
½Ç¶ÈÌØÐÔ |
 |
 |
CY-29¡õ CY-19¡õ »Ø¹é·´ÉäÐÍ
| ƽÐÐÒÆ¶¯ÌØÐÔ |
½Ç¶ÈÌØÐÔ |
 |
 |
CY-22¡õ CY-12¡õ À©É¢·´ÉäÐͼì²âÁìÓòÌØÐÔ
ʹÓÃÖ¸ÄÏ
¸Ã²úƷΪÎïÌå¼ì²â´«¸ÐÆ÷£¬²»¾ßÓб£»¤ÉúÃü¡¢²Æ²úµÄ¹¦ÄÜ£¬Îª·Àֹʹʡ¢È·±£°²È«£¬Çë½÷É÷ʹÓá£
°²×°¡¤ ½ô¹ÌŤ¾ØÓ¦ÔÚ2N¡¤mÒÔÏ¡£
´øÆ«¼«Â˹âÆ÷µÄ»Ø¹é·´ÉäÐÍ´«¸ÐÆ÷ (CY-29¡õºÍCY-19¡õ)Èç¹ûÒ»¸ö·¢¹âÎïÌåÓÃ͸Ã÷µÄ±¡Ä¤¸²¸Ç»ò°ü¹ü(ÈçÏÂËùÊö)£¬ ´øÆ«¼«Â˹âÆ÷µÄ»Ø¹é·´ÉäÐÍ´«¸ÐÆ÷½«²»Äܼì²âµ½¡£ÔÚÕâÖÖÇé¿öÏ£¬Çë°´ÒÔϲ½Öè²Ù×÷¡£
¡¤ÓÉÇåÎú±¡Ä¤°ü¹üµÄ¹ÞÍ· ¡¤ÓÃËÜÁϱ¡Ä¤¸²¸ÇµÄÂÁƬ ¡¤½ðÉ«»òÒøÉ«(ÓйâÔó)µÄ±êÇ©»ò°ü×°Ö½ |
¡¤ÔÚ°²×°Ê±£¬¸ù¾Ý¼ì²âÎïÌåÇãб´«¸ÐÆ÷¡£ ¡¤Ôö´ó´«¸ÐÆ÷ºÍ¼ì²âÎïÌåÖ®¼äµÄ¾àÀë¡£ |
»Ø¹é·´ÉäÐÍ´«¸ÐÆ÷(CY-27¡õºÍCY-17¡õ)¡¤ µ±¼ì²âÓйâÔó²ÄÁÏʱ£¬Çë×¢ÒâÒÔϼ¸µã ¢Ù ÈçÏÂͼËùʾ£¬Ê¹L×ã¹»³¤¡£ ¢Ú °²×°Ê±£¬Óë¼ì²âÎïÌå³É10¡«30¡ãµÄ½Ç¶È¡£
 ¡ù CY-29¡õºÍCY-19¡õ²»ÐèÒªÒÔÉϵ÷½Ú¡£
ÆäËû¡¤ µçÔ´½ÓͨºóµÄ¶Ìʱ¼ä(50ms)ÄÚ£¬ÇëÎðʹÓá£
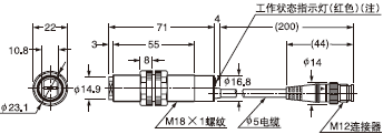
³ß´ç(µ¥Î»£ºmm)
CY-21¡õ CY-27¡õ CY-22¡õ ´«¸ÐÆ÷ |
CY-21¡õ-J CY-27¡õ-J CY-22¡õ-J ´«¸ÐÆ÷ |
 |
 |
CY-29¡õ ´«¸ÐÆ÷ |
CY-29¡õ-J ´«¸ÐÆ÷ |
 |
 |
CY-11¡õ CY-17¡õ CY-12¡õ ´«¸ÐÆ÷ |
CY-11¡õ-J CY-17¡õ-J CY-12¡õ-J ´«¸ÐÆ÷ |
 |
 |
CY-19¡õ ´«¸ÐÆ÷ |
CY-19¡õ-J ´«¸ÐÆ÷ |
 |
 |
RF-210 ·´Éä¾µ(ÁíÊÛ) |
RF-220 ·´Éä¾µ(ÁíÊÛ) |
 |
 |
RF-230 ·´Éä¾µ(ÁíÊÛ) |
RF-11 ·´¹â´ø(ÁíÊÛ) |
 |
 |
RF-12 ·´¹â´ø(ÁíÊÛ) |
 |
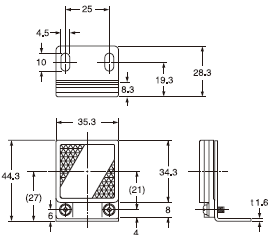
MS-RF21-1 [ÓÃÓÚRF-210µÄ·´Éä¾µ°²×°Ö§¼Ü(ÁíÊÛ)] |
![MS-RF21-1 [ÓÃÓÚRF-210µÄ·´Éä¾µ°²×°Ö§¼Ü(ÁíÊÛ)]](/Editor/UploadFiles/products02/2008122493353397.gif) |
×°Åä³ß´ç
 |
MS-RF22 [ÓÃÓÚRF-220µÄ·´Éä¾µ°²×°Ö§¼Ü(ÁíÊÛ)] |
![MS-RF22 [ÓÃÓÚRF-220µÄ·´Éä¾µ°²×°Ö§¼Ü(ÁíÊÛ)]](/Editor/UploadFiles/products02/2008122493353523.gif) |
×°Åä³ß´ç
 |
MS-RF23 [ÓÃÓÚRF-230µÄ·´Éä¾µ°²×°Ö§¼Ü(ÁíÊÛ)] |
![MS-RF23 [ÓÃÓÚRF-230µÄ·´Éä¾µ°²×°Ö§¼Ü(ÁíÊÛ)]](/Editor/UploadFiles/products02/2008122493354917.gif) |
×°Åä³ß´ç
 | , , style="WIDTH: auto" tle> ÆäËû¡¤ µçÔ´½ÓͨºóµÄ¶Ìʱ¼ä(50ms)ÄÚ£¬ÇëÎðʹÓá£
³ß´ç(µ¥Î»£ºmm)
CY-21¡õ CY-27¡õ CY-22¡õ ´«¸ÐÆ÷ |
CY-21¡õ-J CY-27¡õ-J CY-22¡õ-J ´«¸ÐÆ÷ |
 |
 |
CY-29¡õ ´«¸ÐÆ÷ |
CY-29¡õ-J ´«¸ÐÆ÷ |
 |
 |
CY-11¡õ CY-17¡õ CY-12¡õ ´«¸ÐÆ÷ |
CY-11¡õ-J CY-17¡õ-J CY-12¡õ-J ´«¸ÐÆ÷ |
 |
 |
CY-19¡õ ´«¸ÐÆ÷ |
CY-19¡õ-J ´«¸ÐÆ÷ |
 |
 |
RF-210 ·´Éä¾µ(ÁíÊÛ) |
RF-220 ·´Éä¾µ(ÁíÊÛ) |
 |
 |
RF-230 ·´Éä¾µ(ÁíÊÛ) |
RF-11 ·´¹â´ø(ÁíÊÛ) |
 |
 |
RF-12 ·´¹â´ø(ÁíÊÛ) |
 |
MS-RF21-1 [ÓÃÓÚRF-210µÄ·´Éä¾µ°²×°Ö§¼Ü(ÁíÊÛ)] |
![MS-RF21-1 [ÓÃÓÚRF-210µÄ·´Éä¾µ°²×°Ö§¼Ü(ÁíÊÛ)]](/Editor/UploadFiles/products02/2008122493353397.gif) |
×°Åä³ß´ç
 |
MS-RF22 [ÓÃÓÚRF-220µÄ·´Éä¾µ°²×°Ö§¼Ü(ÁíÊÛ)] |
![MS-RF22 [ÓÃÓÚRF-220µÄ·´Éä¾µ°²×°Ö§¼Ü(ÁíÊÛ)]](/Editor/UploadFiles/products02/2008122493353523.gif) |
×°Åä³ß´ç
 |
MS-RF23 [ÓÃÓÚRF-230µÄ·´Éä¾µ°²×°Ö§¼Ü(ÁíÊÛ)] |
![MS-RF23 [ÓÃÓÚRF-230µÄ·´Éä¾µ°²×°Ö§¼Ü(ÁíÊÛ)]](/Editor/UploadFiles/products02/2008122493354917.gif) |
×°Åä³ß´ç
 |
|
|
|