|
|
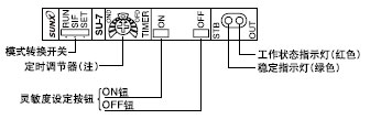
| ÏÞ¶¨ÁéÃô¶ÈµÄÉ趨 |
| ϸ΢¼ì²âµÄÉ趨ֻÓÐÔÚûÓмì²âÎïÌåʱ£¬°´Ò»Ï°´Å¤¡£ |
| ¼ì²â΢СÎïÌå |
²»¼ì²â±³¾°µÄÎȶ¨¼ì²â |
 |
 | |
| É趨²½Öè |
| ²½Öè |
²Ù×÷ |
| 1) |
ÔÚÎÞ¼ì²âÎïÌåºÍÎȶ¨ÊܹâÌõ¼þÏÂÉ趨´«¸ÐÆ÷¡£
| ͸¹ýÐÍ |
À©É¢·´ÉäÐÍ |
±êʶ´«¸ÐÆ÷ |
 | |
| 2) |
½«Ä£Ê½×ª»»¿ª¹ØÉ趨ÔÚ¡°SET¡±¡£ |
 |
| 3) |
°´Ï¡°ON¡±»ò¡°OFF¡±°´Å¥3ÃëÒÔÉÏ£¬»ù×¼Öµ»á±ÈûÓмì²âÎïÌåʱ½µµÍ»òÌá¸ß15%£¬ÈçÓÒͼËùʾ¡£(Çë×¢ÒâÊä³ö¹¤×÷²»ÄÜÏà·´¡£)ÀýÈ磬¼ì²â΢СÎïÌåʱӦ°´Ï¡°ON¡±°´Å¥¡£ |
 |
| 4) |
½«Ä£Ê½×ª»»¿ª¹ØÉ趨ÔÚ¡°RUN¡±¡£ |
 | |
|
|
| ÁéÃô¶Èת»» |
| Èç¹ûÔÚÎïÌå´æÔÚ»òÎïÌåȱÉÙ״̬ÏÂÈëÉä¹âÎȶ¨£¬°Ñ»ù׼ֵת»»ÖÁ´Ë״̬£¬¼´Ê¹ÈëÉä¹âÔÚÆäËû״̬ϲ»Îȶ¨£¬ÈԿɽøÐÐÎȶ¨¼ì²â¡£É趨ˮƽͬÏÞ¶¨ÁéÃô¶ÈµÄÉ趨¡£µ«ÊÇ£¬ÓÉÓÚ¹¤×÷ˮƽÊÇÔÚÒ»°ãÁéÃô¶ÈÉ趨ºóת»»µÄ£¬Êä³ö¹¤×÷ÊÇ¿ÉÑ¡µÄ¡£ |
| É趨²½Öè |
| ²½Öè |
²Ù×÷ |
| 1) |
°´ÒÔϱê×¼É趨²½ÖèÉ趨ÁéÃô¶È¡£ (ÈçÁéÃô¶ÈµÄÓàÁ¿ºÜСʱ£¬²»ÄܽøÐÐÁéÃô¶Èת»»¡£) |
| 2) |
½«Ä£Ê½×ª»»¿ª¹ØÉ趨ÔÚ¡°SIF¡±¡£ |
 |
| 3) |
°´ÏÂÔÚÎȶ¨Êܹâ״̬µÄÁéÃô¶ÈÉ趨°´Å¥¡£ÀýÈ磬¶ÔÓÚÀ©É¢·´ÉäÐÍ´«¸ÐÆ÷£¬Èç¹û´æÔÚ±³¾°ÎïÌ壬ֻÓÐÔÚ±³¾°ÎïÌå±»¼ì²âºó°´Ï°´Å¥¡£
 |
| 4) |
½«Ä£Ê½×ª»»¿ª¹ØÉ趨ÔÚ¡°RUN¡±¡£ |
 | |
|
|
| ¡¤ SU-79Äܱ£´æ4µµÁéÃô¶Èˮƽ£¬¿É°´ÄúµÄÐèÒª½øÐÐÑ¡Ôñ¡£ |
| ÁéÃô¶È±£´æ |
| ²½Öè |
²Ù×÷ |
| 1) |
½«Ä£Ê½×ª»»¿ª¹ØÉ趨ÔÚ¡°SET¡±¡£ |
 |
| 2) |
ÓÃÒ£¿ØÁéÃô¶ÈÑ¡ÔñÊäÈë1ºÍ2£¬¸ß»òµÍÀ´Ö¸¶¨±£´æÁéÃô¶ÈµÄÐŵÀ¡£
| ½ÓÏß |
ÐźÅ״̬ |
ÐŵÀÑ¡Ôñ |
 |
µÍ£º0¡«1V ¸ß£º4.5¡«30V»ò¿ªÂ· ÊäÈëµç×裺10k¦¸ |
 | |
| 3) |
É趨ÁéÃô¶È¡£ |
| 4) |
Ö¸¶¨ÁíÒ»ÐŵÀ£¬ÔÙ´ÎÉ趨ÁéÃô¶È¡£ |
| 5) |
½«Ä£Ê½×ª»»¿ª¹ØÉ趨ÔÚ¡°RUN¡±¡£ |
 | |
| ÁéÃô¶Èת»» |
| ²½Öè |
²Ù×÷ |
| 1) |
½«Ä£Ê½×ª»»¿ª¹ØÉ趨ÔÚ¡°RUN¡±¡£ |
 |
| 2) |
ÓÃÒ£¿ØÁéÃô¶ÈÑ¡ÔñÊäÈë1ºÍ2£¬¸ß»òµÍÀ´Ö¸¶¨ÄúÏ£ÍûÑ¡ÔñµÄÐŵÀ¡£ | |
|
|
| ¡¤ É趨ÁéÃô¶Èºó£¬Îȶ¨ÐÔµÄÓàÁ¿Ò²È·¶¨ÁË£¬µ±Ä£Ê½×ª»»¿ª¹Ø´Ó¡°SET¡±±äΪ¡°SIF¡±»ò¡°RUN¡±Ê±£¬Îȶ¨Ö¸Ê¾µÆ(ÂÌÉ«)ÉÁ˸¡£ÉÁ˸µÄ´ÎÊý±íÃ÷Îȶ¨ÐÔµÄÓàÁ¿¡£ |
| ÉÁ˸´ÎÊý |
0 |
1 |
2 |
3 |
4 |
5 |
ÓàÁ¿(%) (Óë»ù×¼ÖµÏàÓ¦µÄÓàÁ¿) |
15 ÒÔÏÂ |
15¡«30 |
30¡«45 |
45¡«60 |
60¡«75 |
75ÒÔÉÏ | |
|
|
| ¡¤ Íⲿͬ²½¹¦ÄÜÒªÓÃÀ´¿ØÖƼì²âͬ²½¡£¿ÉÓÃ΢·Öͬ²½»òÆÚ¼äͬ²½¡£ |
 |
|
|
| ¡¤ Ͷ¹âÍ£Ö¹ÊäÈë(×ÏÉ«)¶Ì·³É0Vʱ£¬Í£Ö¹Í¶¹â¡£ÓÉÓÚÎÞ¼ì²âÎïÌåʱ¼ì²âÊä³öÄÜÉèΪON/OFF£¬´Ë¹¦ÄÜ¿ÉÓÃÓÚÆðʼ¼ì²â¡£¶Ì·ÖÁ0V£¬²¢´ò¿ªÊäÈ룬²»¶ÏÖØ¸´¡£Èç¹û¼ì²âÊä³ö°´´Ë²Ù×÷£¬Ôò´«¸ÐÆ÷¹¤×÷Á¼ºÃ£¬·ñÔòÏà·´¡£ |
 |
|
|
| ¡¤ ÿÖÖSU-7ϵÁеķŴóÆ÷(³ýSU-75)¶¼×°±¸ÓÐÒ»¸ö¿Éµ÷½ÚON/OFFÑÓ³Ù¶¨Ê±Æ÷(0¡«5Ãë)¡£ |
| ONÑÓ³Ù |
 |
| ÓÉÓÚÖ»Óг¤ÐźÅÏÔʾ£¬Èç¹ûÏßÊÜ×裬»òÕßÊÇÐèÔËÐкܳ¤Ê±¼äµÄÎïÌ壬´Ë¹¦ÄÜ¿ÉÓÃÓÚ¼ì²â¡£ |
| OFFÑÓ³Ù |
| ÒòΪÊä³öÐźÅÑÓÐøÒ»¸ö¹Ì¶¨Ê±¼ä¼ä¸ô£¬µ±Êä³öÐźÅÌ«¶ÌÒÔÖÂÓÚÁ¬½ÓÉ豸²»ÄÜ·´Ó¦Ê±£¬Ôò´Ë¹¦ÄÜÓÐÓᣠ|
|
|
Ðýת¼ÆÊ±µ÷½ÚÆ÷À´µ÷½ÚON»òOFFÑӳٵijÖÐøÊ±¼ä¡£ ×¢£º ÔÚ¡°SET¡±Ä£Ê½Ïµ÷½Ú¼ÆÊ±Æ÷£¬¶ø²»ÔÊÐíÔÚ¡°SIF¡±»ò¡°RUN¡±Ä£Ê½Ïµ÷½Ú¡£ |
 |
|
|
| ¡¤ ÿ¸öSU-7·Å´óÆ÷¶¼×°±¸ÓзÀ¸ÉÈŹ¦ÄÜ¡£Í¨¹ýÉ趨²»Í¬µÄͶ¹âƵÂÊ£¬¼ì²âÍ·¿ÉÌù½ü°²×°¡£(×î¶àÁ½¸ö) |
| É趨 |
| ²½Öè |
²Ù×÷ |
| 1) |
½«Ä£Ê½×ª»»¿ª¹ØÉ趨ÔÚ¡°SET¡±¡£ |
 |
| 2) |
ͬʱ°´×¡¡°ON¡±ºÍ¡°OFF¡±°´Å¥2ÃëÒÔÉÏ£¬Îȶ¨Ö¸Ê¾µÆ(ÂÌÉ«)ÉÁ˸¡£ |
 |
| 3) |
°´Ï¡°ON¡±°´Å¥¡£(Îȶ¨Ö¸Ê¾µÆÉÁ˸2´Î)[·´Ó¦Ê±¼ä£º0.6msÒÔÏÂ(×¢1)] |
 |
| 4) |
½«Ä£Ê½×ª»»¿ª¹ØÉ趨ÔÚ¡°RUN¡±¡£(¿ÉÍê³Éһ̨·Å´óÆ÷µÄÉ趨¡£) |
 |
| 5) |
µÚ2̨·Å´óÆ÷ÖØ¸´²½Öè1ºÍ2¡£ |
|
| 6) |
°´Ï¡°OFF¡±°´Å¥¡£(Îȶ¨Ö¸Ê¾µÆÉÁ˸2´Î)[·´Ó¦Ê±¼ä£º0.8msÒÔÏÂ(×¢1)] |
 |
| 7) |
½«Ä£Ê½×ª»»¿ª¹ØÉ趨ÔÚ¡°RUN¡±¡£(É趨Íê³É¡£) |
 | |
| È¡Ïû |
| ²½Öè |
²Ù×÷ |
| 1) |
ͬʱ°´×¡¡°ON¡±ºÍ¡°OFF¡±°´Å¥2ÃëÒÔÉÏ£¬Îȶ¨Ö¸Ê¾µÆ(ÂÌÉ«)ÉÁ˸¡£ |
 |
| 2) |
ÔÙ´Îͬʱ°´×¡¡°ON¡±ºÍ¡°OFF¡±°´Å¥(Îȶ¨Ö¸Ê¾µÆÉÁ˸2´Î)¡£ | |
×¢£º1) ·À¸ÉÈŹ¦ÄÜÔö¼ÓÓ¦²îºÍ·´Ó¦Ê±¼ä¡£É趨֮ºó£¬È·±£¼ì²é¹¤×÷¡£ ×¢£º2) µ±Í¸¹ýÐÍ´«¸ÐÆ÷ʹÓ÷À¸ÉÈŹ¦ÄÜʱ£¬Í¨¹ý±ê×¼É趨£¬ÏÞÖÆÉ趨»òת»»É趨À´É趨ÁéÃô¶È¡£ |
|
|
| ¡¤ ´«¸ÐÆ÷¼ì²éÈë¹âÁ¿£¬Èç¹ûÒò»Ò³¾£¬ÎÛ¹¸»ò¹âÖáδ¶ÔÆë¶øÊ¹Ç¿¶È½µµÍ£¬Ôò»á²úÉúÊä³ö¡£ |
 |
1) ×ÔÎÒÕï¶ÏÊä³ö¾§Ìå¹ÜÔÚÎȶ¨¼ì²âʱ±£³ÖÔÚ¡°OFF¡±×´¿ö¡£ 2) µ±¼ì²âÊä³ö±ä»¯Ê±£¬ÈçÈë¹âÁ¿Î´´ïµ½Îȶ¨Êܹâ»òÎȶ¨·ÇÈë¹âˮƽ£¬×ÔÎÒÕï¶ÏÊä³ö±äΪON£¬ÔÚÔ¼40msºóËü½«×Ô¶¯»Ö¸´¡£ÁíÍ⣬µ±¼ì²âÊä³öÓÉÈë¹â±äΪ·ÇÈë¹â(ÕÚ¹â)״̬ʱ£¬×ÔÎÒÕï¶ÏÊä³ö»á·¢Éú±ä»¯¡£(¼ì²âÊä³öµÄ²Ù×÷²»»áÊܵ½Ó°Ïì) 3)ÔÚ·ÇÈë¹â(ÕÚ¹â)²»×ãÇé¿öÏ£¬ÔÚ×ÔÎÒÕï¶ÏÊä³ö±äΪON֮ǰÓÐÒ»¶ÎÑÓÐøÊ±¼ä¡£ |
|
|
¡¤ µçÔ´½ÓͨºóµÄ¶Ìʱ¼ä(0.5Ãë)ÄÚ£¬ÇëÎðʹÓᣠÇëÔÚµçÀÂÉϰ²×°ÌúÑõÌå´Åо |
 |
| ÔÚ·Å´óÆ÷²à¸½½ü°²×°ÌúÑõÌå´Åо ¡£´Ëʱ£¬Ç뽫¼ì²âÍ·µçÀÂÈÆ³É2¾í |
ʹÓÃÌúÑõÌå´Åоʱ£¬Çë×¼±¸ºÃÏÂÊö²úÆ·1£¨»òÀàËÆ²úÆ·£©¡£ <ÍÆ¼ö²úÆ·> ESD-SE-110[NEC¶«½ðÖêʽ»áÉçÉú²ú] |