|
|
|
²úÆ·Ãû³Æ£º
|
ÉñÊÓSF4BϵÁйâÄ»´«¸ÐÆ÷
|
|
ÐÍ ºÅ£º
|
SF4BϵÁÐ
|
|
¼Û ¸ñ£º
|
|
|
Æ· ÅÆ£º
|
|
|
|
|
¹âÄ»´«¸ÐÆ÷
SF4BϵÁÐ ÌØµã£º¼æ¹Ë°²È«ÐÔºÍÉú²úÐÔµÄÐÂÉèÏë
²úÆ·ÌØµã£º
Óɲ»¶Ï×·Çó°²È«ÐÔºÍÉú²úÐÔ¶ø²úÉúµÄÐÂÉèÏë¡£
±£ÁôÁËÇ¿¿¹Íⲿ¹âÏ߸ÉÈÅÕâÒ»¹ã·ºÓ¦ÓÃÓÚ¹¤³§Öеġ°SF4-AϵÁС±µÄ»ù±¾¹¦ÄÜ£¬Í¬Ê±ÔÙ¼ÓÉÏÓÉÓÚ°²È«¾àÀëµÄ¼õÉÙ¶øÊµÏÖµÄ×°ÖÃСÐÍ»¯£¬ÔÚ¹âÄ»´«¸ÐÆ÷ÖÐÄÚÖÃµÄÆÁ±Î¿ØÖƵç·£¬ÒÔ¼°¼´Ê¹Éú²úÏßÔÚÆÁ±Î¿ØÖÆÖÐÍ£Ö¹ºóÒ²ÄÜÖØÐÂÆð¶¯µÄ¹ýÔØ¹¦ÄܵÄ×°±¸£¬Ê¹¸Ã¹âÄ»´«¸ÐÆ÷¼æ¾ßÁËÉú²úÐԺͰ²È«ÐÔ¡£
ÓÐÖúÓÚ×°ÖÃСÐÍ»¯
×îС¼ì²âÎïÌå¦Õ14mm¡¡FingerÐ͵dz¡£¬°²È«¾àÀë´ó·ùËõ¶Ì£¬Éú²úÐԵõ½Ìá¸ß¡£
°²È«¾àÀë´ó·ùËõ¶Ì£¬Éú²úÐԵõ½Ìá¸ß£¡
ÓÉÓÚFingerÐ͵ÄͶÈëʹÓã¬Ê¹É豸ʵÏÖÁËСÐÍ»¯£¬´Ó¶øÌá¸ßÁ˹¤×÷ЧÂÊ£¬²¢Ï÷¼õÁË×îµÍ³É±¾¡£ ÓÉÓÚFingerÐ͵Ä×îС¼ì²âÎïÌå³ß´ç½öΪ¦Õ14mm£¬Òò´ËÓë¾ÉÐͺÅÏà±È£¬ÆäÓɹú¼ÊISO 13855±ê×¼¹æ¶¨µÄ°²È«¾àÀë×î´óËõ¶ÌÁË122mm¡£ÓÉ´Ë´øÀ´µÄ×°ÖÃСÐÍ»¯¿ÉΪÉú²úÐԺͿռäЧÂʵÄÌá¸ß×ö³ö¹±Ïס£

×î¶à¿É´®ÁªÁ¬½Ó3Ì×
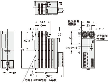
| ±¸Óб£»¤¸ß¶È´Ó230mmµ½1,910mm (FingerÐÍΪ 1,270mm)µÄ¸÷ÖÖ¹æ¸ñ¡£Èç¹ûʹÓÃÁíÊ۵Ĵ®ÁªÁ¬½ÓµçÀ£¬Ôò×î¶à¿É´®ÁªÁ¬½Ó3Ì×(×î´ó192¹âÖá)¡£ÓÉÓÚ½ÚÊ¡ÁËÅäÏß´Ó¶øÊ¹µÍ³É±¾ºÍ·À¸ÉÈŵÃÒÔʵÏÖ¡£ |
 |
ÓÐÖúÓÚ×°ÖÃСÐÍ»¯
ÓÉÓÚÖ÷Ì峤¶È=±£»¤¸ß¶È£¬Òò´Ëµ±½øÐÐÁ¬½Óʱ£¬¹âÄ»´«¸ÐÆ÷Ö®¼ä²»´æÔÚËÀ½Ç¡£´Ó¶øÏû³ýÁËÒòËÀ½Ç²úÉúµÄΣÏյĿª¿Ú²¿£¬¿É·ÅÐÄʹÓá£
|
|
±¸ÓбãÓÚ½øÐÐÁãËÀ½Ç°²×°µÄרÓÃÖ§¼Ü¡£ ²Ù×÷ÐÔÄÜÓÅÁ¼£¬¿É´Ó¹âÄ»´«¸ÐÆ÷ÕýÃæ°²×°ÒÔ¼°µ÷Õû¹âÖá¡£ |
 |
·ÀÖ¹Òò¹¤¼þÒýÆðµÄÉú²úÏßÍ£Ö¹
¹âÄ»´«¸ÐÆ÷ÄÚÖÃÆÁ±Î¹¦ÄÜÁé»îÓ¦ÓÃÆÁ±Î¿ØÖƹ¦ÄÜ´Ó¶øÈ·±£Éú²úÐÔ
ÊÇ·ñ°²×°ÁËʹ¹âÄ»´«¸ÐÆ÷ÔÚ¹¤¼þͨ¹ýʱ²»Æð·´Ó¦µÄµç·£¿
|
×°±¸ÓÐÆÁ±Î¿ØÖƹ¦ÄÜ£¬½öÔÚÈËÌåͨ¹ýʱÉú²úÏßÍ£Ö¹£¬¶ø¹¤¼þͨ¹ýʱÔò¿ÉÕÕ³£ÔËÐС£¿É½«ÆÁ±Î´«¸ÐÆ÷ºÍÆÁ±ÎָʾµÆÖ±½ÓÓë¹âÄ»´«¸ÐÆ÷Á¬½Ó£¬ÎÞÐèÆÁ±ÎרÓõĿØÖÆÆ÷¡£µÍ³É±¾£¬ÇÒ¼æ¹Ë°²È«ÐÔºÍÉú²úÐÔ¡£ |
 -¿É·ÀÖ¹Òò¹¤¼þͨ¹ýÒýÆðµÄÉú²úÏßÍ£Ö¹ 4¸öÆÁÄ»´«¸ÐÆ÷ÖÐͬʱÓÐ2¸öÒÔÉϱ»ÕÚ¹âʱ£¬¹¤¼þµÄ¼ì²âÎÞЧ£¬¹âÄ»´«¸ÐÆ÷ÄÚÖÃÆÁ±Î¹¦ÄÜ¡£¿ÉÓÐЧ·ÀÖ¹¹¤¼þͨ¹ýʱÉú²úÏßÍ£Ö¹£¬´Ó¶øÈ·±£Éú²úÐÔ¡£µ±ÈËÌå½øÈëʱ£¬ÓÉÓÚÎÞ·¨Ê¹Á½¸öÒÔÉÏͬʱ±»Õڹ⣬Òò´ËÆÁ±Î¹¦Äܲ»¹¤×÷¡£
¼´Ê¹ÓÉÓÚ¹¤¼þµ¼Ö¹âÄ»´«¸ÐÆ÷´¦ÓÚ±»ÕÚ¹â״̬´Ó¶øÊ¹µçÔ´¹Ø±Õʱ£¬»òÔÚ½øÈëÆÁ±Îǰ(ÆÁ±Î´«¸ÐÆ÷Ö»ÓÐÒ»¸ö±»ÕÚ¹âµÄ״̬)Éú²úÏßֹͣʱ£¬×°ÖÃÒ²¿ÉÖØÐÂÆð¶¯¡£¶ÔÓÚÔÓÐרÓÃÉ豸£¬»ùÓÚ¹¤¼þ£¬²»ÄÜÔÚÕÚ¹â״̬ÖнøÐÐÆÁ±Î¿ØÖÆ¡£Îª´Ë£¬±ØÐëÒª½«¹¤¼þÇå³ýºó²ÅÄÜÖØÐÂÆð¶¯¡£µ«ÊÇ£¬ÓÉÓÚ×°±¸Á˹ýÔØ¹¦ÄÜ£¬Ò²¿ÉÔÚ²»Çå³ýÕڹ⹤¼þµÄÇé¿öÏÂ˳ÀûÇÒ°²È«µÄÖØÐÂÆð¶¯¡£
 |
|
ʹÓÃÊÖ¶¯¿ØÖÆÆ÷SFB-HC¡ù(ÁíÊÛ£¬²ÎÔÄPDF P.12)£¬¿É½ö¶ÔÌØ¶¨¹âÖá½øÐÐÆÁ±Î¿ØÖÆ¡£ÓÉÓÚ¿ÉÖ¸¶¨¹âÖᣬÒò´ËÎÞÐèÁíÍâÉèÖ÷ÀÖ¹½øÈëÓõÄ×èµ²×°Öᣠ¡ù ʹÓÃSF4B-¡õ-01(²ÎÔÄPDF P.15)ʱ£¬²»ÄÜʹÓÃÊÖ¶¯¿ØÖÆÆ÷¡£
| ÆÁ±Î¿ØÖÆÖÐ(Éú²úÏß¹¤×÷) |
Éú²úÏßÍ£Ö¹ |
 |
 | ÀýÈ磬Ó빤¼þ¸ß¶ÈÒ»Ö£¬µ±ÆÁ±Î¿ØÖƹ¦ÄÜÉ趨Ϊ´Óµ×¶Ë¿ªÊ¼µ½µÚ10¸ù¹âÖáΪֹʱ£¬Èç¹ûµÚ11¸ù¹âÖáÒÔÉϵĹâÖá±»ÕÚ¹âʱ£¬Ôò±»ÅжÏΪÈËÌ壬´Ó¶ø»úÆ÷Í£³µ¡£ |
·ÀÖ¹Òò¹¤¼þÒýÆðµÄÉú²úÏßÍ£Ö¹
¹âÄ»´«¸ÐÆ÷Ö÷ÌåÄÚÖÃÓÐÍⲿÉ豸µÄ¼à¿Ø¹¦ÄÜ(¼ÌµçÆ÷ÈÛ½Ó¼àÊÓµÈ)£¬ÒÔ¼°ÁªËø¹¦ÄÜ¡£¹¹ÖþÎÞÐ谲ȫ¼ÌµçÆ÷×éµÄ°²È«µç·£¬ÁíÍâÓÉÓÚ¿ØÖÆÅÌÒ²¿ÉСÐÍ»¯£¬´Ó¶øÓÐÖúÓÚÏ÷¼õ³É±¾¡£
ÒÖÖÆÉú²úÏß¹¤×÷ЧÂʵĵÍÏÂ
±£ÁôÁËÏȽøµÄELCA¹¦ÄÜ ¼õÉÙÁËÒòÏ໥¸ÉÈźÍÍâÀ´¹âÏßÒýÆðµÄ´íÎó¶¯×÷¡£
±£ÁôÁËÏȽøµÄELCA¹¦ÄÜ£¬¸Ã¹¦ÄÜÔÚSF4-AϵÁеõ½ÁËÊг¡µÄ¹ã·ºÈÏ¿É
¡ñ ÎÞÐè·À¸ÉÈÅÏß¼´¿É¼õÉÙÏ໥¸ÉÈÅÒÑ×°±¸Á˾¹ýÏÖ³¡Êµ¼ÊÑéÖ¤µÄELCA(Extraneous Light Check & Avoid)Ç¿¿¹¸ÉÈŹ¦ÄÜ¡£ÓÉÓÚ¹âÄ»´«¸ÐÆ÷µÄɨÃ趨ʱÆ÷¿É×Ô¶¯×ª»»£¬´Ó¶ø¿ÉÃâÊܸÉÈŵÄÓ°Ï죬Òò´ËÎÞÐèÔÚ×°ÖüäÅäÖ÷À¸ÉÈÅÏߣ¬¹âÄ»´«¸ÐÆ÷Ò²¿ÉÁé»îÉèÖá£
¡ñ ¼õÉÙÁËÒòÍâÀ´¹âÏßÒýÆðµÄ´íÎó¶¯×÷»ùÓÚ˫ɨÃ跽ʽ£¬ÖØÊÔ´¦ÀíµÈSUNXËù¶ÀÓеÄй¦ÄÜ£¬Í¨¹ýÏÖ³¡Ñé֤֤ʵÁ˸ô«¸ÐÆ÷¿ÉÓÐЧ±ÜÃâÀ´ÖÁÍⲿÉ豸µÄ˲¼äÍâÀ´¹âÏ߸ÉÈÅ¡£ÓÉÓÚ¼õÉÙÁËÒòÍâÀ´¹âÏßÒýÆðµÄ´íÎó¶¯×÷£¬´Ó¶øÊ¹Æµ·±Í£Ö¹Çé¿ö´ó´ó¼õÉÙ£¬ÒÖÖÆÁËÉú²úÏß¹¤×÷ЧÂʵĵÍÏ¡£ |
 |
¿É°ïÖú½â¾ö×°Öð²×°Ê±²úÉúµÄµçÆøÏµÍ³¹ÊÕÏ
ÓÃÓÚ³ÖÐø¼ì²é¹âÄ»´«¸ÐÆ÷µÄµçÀÂÎó½ÓÏߣ¬¶ÏÏߣ¬¶Ì·£¬ÒÔ¼°ÄÚ²¿µç·Òì³£ºÍÒì³£Èë¹âµÈ¡£µ±·¢Éú¹ÊÕÏʱ£¬Ò²Äܱ£³ÖÓë¼ì²âʱÏàͬµÄÊä³ö(OFFÐźÅ)£¬´Ó¶øÔÚÈ·±£°²È«µÄ»ù´¡ÉÏ£¬Í¨¹ýÊý×ÖÏÔʾ¸æÖª´íÎóÄÚÈÝ¡£ ÓÉÓÚÎÞÐèÏñÔÏÈÄÇÑù¼ÆËãLEDµÄÉÁ˸´ÎÊý£¬Ò»ÑÛ¼´¿ÉÈ·ÈÏ´íÎóÄÚÈÝ£¬Òò´Ë½øÐа²×°»òά»¤Ê±£¬Í¨¹ýµç»°µÈ¼´¿É˳Àû½øÐм¼ÊõÖ§³Ö¡£
±£»¤¹âÄ»´«¸ÐÆ÷²¢·ÀÖ¹Òý·¢¹ÊÕÏ |
|
|
¼ì²âÃæ±£»¤ÓÃÕýÃæ·À»¤ÕÖ |
¿ÉÓÐЧ·ÀÖ¹¼ì²âÃæÒòÓ빤¼þÅöײ¶øµ¼ÖÂÆÆËðÇé¿öµÄ·¢Éú¡£(ÁíÊÛ) |
¼´Ê¹½«¹âÄ»´«¸ÐÆ÷ÉèÖÃÔÚ³äÂúº¸½Ó·É½¦ÎïµÄ¶ñÁÓ»·¾³ÖÐÒ²¿ÉÓÐЧ±£»¤¼ì²âÃæ¡£(ÁíÊÛ)
 |
¿ÉÓù¤¾ßµ÷Õû¹âÖᣬ¼òµ¥·½±ã¡£Ê©¹¤Ê±¼ä´ó·ùËõ¶Ì¡£
| ¹âÖá¶ÔÆëָʾµÆ½«¹âÄ»´«¸ÐÆ÷µÄ¹âÖá·Ö³É4µÈ·ÖÏÔʾ¡£×÷Ϊ¹âÖá¶ÔÆëµÄ»ù×¼£¬µ±µ×¶Ë(»ò¶¥¶Ë)µÄ¹âÖá¶ÔÆëʱ£¬LED³ÊºìÉ«ÉÁ˸¡£´Ëºó£¬¹âÖá¶ÔÆëµÄ²¿·ÖÒÀ´ÎÁÁΪºìÉ«£¬Èç¹ûËùÓйâÖá¶¼Èë¹âÔòËùÓеÄLED¾ùÁÁΪÂ̵ơ£ÔÙ¼ÓÉÏÎȶ¨Ö¸Ê¾µÆ(STB)£¬¿É¸üÎȶ¨µÄ½øÐÐÉèÖᣠ|
 |
| ÓÉÓÚ°²×°Ö§¼ÜµÄ¹âÖá¶ÔÆëÓÃÁù½Ç¿×ÂÝ˨¿É´ÓÇ°ÃæÅ¡È룬Òò´Ë¿ÉÔÚÈ·ÈÏÁù±ßÐβåÍ·ÂÝ˨λÖõÄͬʱ½øÐÐ×÷Òµ¡£¹âÖá¶ÔÆëʱµÄ¹âÄ»´«¸ÐÆ÷µÄ½Ç¶Èµ÷Õû¸ü¼ÓÒ×ÓÚ½øÐУ¬´Ó¶øÊ¹Ê©¹¤ÐÔ´ó´óÌá¸ß¡£ |
 |
Èç¹ûÔËÓÃSF-LAT-2N(ÁíÊÛ)¼¤¹â¹âÖá¶ÔÆëÆ÷£¬²ÉÓÃÒ×¼ûµÄ¹âÖá¶ÔÆëÊӵ㣬¼´Ê¹ÊÇÔ¶¾àÀë°²×°£¬Ò²¿É¼òµ¥¿ìËÙÍê³É¡£´ËÍ⣬SF-LAT-2N¼¤¹â¹âÖá¶ÔÆëÆ÷ÊÇµç³Ø´ø¶¯µÄ£¬ËùÒÔ¹âÖá¶ÔÆë¿ÉÔÚ¹âÄ»´«¸ÐÆ÷ʵ¼ÊͨµçǰÍê³É¡£
±£ÑøÐ§ÂÊÌá¸ß£¡¿É¶ÔÓ¦PNP£¯NPNÁ½ÖÖ¼«ÐÔ1¸öÆ·ÖÖ¼´¿ÉÓ¦¶ÔÈ«Çò¸÷ÖÖÐèÇó£¬ÇÒ±£ÑøÐ§ÂÊÌá¸ß¡£
ÊÀ½çͨÓõÄÈ«Çò»¯Éè¼Æ ¶ÔÓ¦PNP£¯NPNÁ½ÖÖ¼«ÐÔ ¡¶Òµ½çµÚÒ»¡·¡ù»ùÓÚ2005Äê6ÔÂSUNX½øÐеÄÑо¿¡£ |
¾ùʹÓÃͳһµÄάÐÞÁã¼þ¡¶ÐÂÌá°¸¡· ±¸ÓоÉÐͺŹâÄ»´«¸ÐÆ÷Óû¥»»µçÀºͰ²×°Ö§¼Ü |
¡ñ 1¸ö»úÖÖ¼´¿ÉÓ¦¶ÔÈ«ÇòµÄ¸÷ÖÖÐèÇó¡£ SF4BϵÁеÄ1¸öÆ·ÖÖ¶ÔÓ¦ÓÚPNP¼¯µç¼«¾§Ìå¹ÜÊä³öºÍNPN¼¯µç¼«¾§Ìå¹ÜÊä³ö¡£PNPµÄº£ÍâÉ豸£¬NPN´«¸ÐÆ÷µÄµ÷»»£¬Õý¼«½ÓµØµÄ¹¤³§£¬É豸µÄº£Íâ×ªÒÆµÈµÈ£¬1¸öÆ·ÖÖ¼´ÊÊÓÃÓÚÈ«Çò¸÷ÖÖ¿ØÖƵç·¡£
 ¡ñ ¼«ÐÔ¿Éͨ¹ý½ÓÏßÇл» Êä³ö¼«ÐÔÉ趨Ïß(ÆÁ±Î)Á¬½Óµ½0VÔòΪPNPÊä³ö£¬Á¬½Óµ½24VÔòÇл»ÎªNPNÊä³ö ¡£
 |
´ÓÏÖÔÚʹÓÃÖеĹâÄ»´«¸ÐÆ÷SF4-AϵÁкÍSF2-EHϵÁнøÐе÷»»Ê±£¬±¸Óкܼòµ¥¼´¿É½»»»½ÓÏߵĻ¥»»µçÀ¼°¼ä¾à±ä»»Ö§¼Ü(×¢1)¡£ÎÞÐè¸ü»»°²×°¿×¼°¿ØÖƵç·²àµÄÁ¬½ÓµçÀ¼´¿É˳ÀûÓëSF4BϵÁнøÐе÷»»×÷Òµ¡£ÓÉÓÚÎÞÐè¾É²úÆ·µÄάÐÞÁã¼þ£¬¿É½«×¢²áºÅÂëÈ«²¿Í³Ò»ÎªSF4BϵÁС£
 |
ÊÖ¶¯¿ØÖÆÆ÷¿É¸ù¾ÝÓ¦ÓýøÐи÷ÖÖÉ趨 °²È«µç·µÄ¹¹Öþ¡¤Ê©¹¤¼òµ¥
¿ÉÕë¶ÔÌØ¶¨¹âÖáµÄÆÁ±Î¿ØÖƹ¦ÄÜʹÓÃÊÖ¶¯¿ØÖÆÆ÷SFB-HC¡ù(ÁíÊÛ)£¬¿É½ö¶ÔÌØ¶¨¹âÖá½øÐÐÆÁ±Î¿ØÖÆ¡£ÓÉÓÚ¿ÉÖ¸¶¨¹âÖᣬÒò´ËÎÞÐèÁíÍâÉèÖ÷ÀÖ¹½øÈëÓõÄ×èµ²×°Öá£ÏêÇéÇë²ÎÔÄPDF P.7¡£
×°±¸Óм´Ê¹Ìض¨¹âÖá±»ÕÚ¹âÒ²²»»áµ¼Ö¿ØÖÆÊä³ö(OSSD)OFFµÄ¹Ì¶¨ÏûÒþ¹¦ÄÜ¡£ÔÚ½øÐÐijЩӦÓÃʱ·Ç³£·½±ã£¬ÀýÈçÕϰÎﳤʱ¼ä½«Ìض¨¹âÖáÕÚסµÈʱ¡£¶øÇÒµ±ÕϰÎïÍѳö¼ì²âÇøÓòʱ£¬¿ØÖÆÊä³ö(OSSD)»áÇ¿ÖÆOFF£¬Òò´Ë¸Ã¹¦ÄÜÊ®·Ö°²È«¡£
¿É¸Ä±ä¸¨ÖúÊä³öµÄÊä³öģʽ¡£
| ģʽNo. |
˵Ã÷ |
| 0 |
¿ØÖÆÊä³ö(OSSD1,OSSD2)µÄ·ñ¶¨Âß¼(³ö³§Ê±É趨) |
| 1 |
¿ØÖÆÊä³ö(OSSD1,OSSD2)µÄ¿Ï¶¨Âß¼ |
| 2 |
Ͷ¹âʱ:Êä³öON ,·ÇͶ¹âʱÊä³öOFF |
| 3 |
Ͷ¹âʱ:Êä³öOFF ,·ÇͶ¹âʱÊä³öON |
| 4 |
²»Îȶ¨Èë¹âʱ:OFF(×¢1) |
| 5 |
²»Îȶ¨Èë¹âʱ:ON(×¢1) |
| 6 |
ÆÁ±Îʱ:ON |
| 7 |
ÆÁ±Îʱ:OFF |
| 8 |
Èë¹âʱ:ON,ÕÚ¹âʱ:OFF(×¢2) |
| 9 |
Èë¹âʱ:OFF,ÕÚ¹âʱ:ON(×¢2) | ×¢: 1)µ±Ê¹Óù̶¨ÏûÒþ¹¦ÄÜ£¬²»¹Ì¶¨ÏûÒþ¹¦ÄÜÒÔ¼°ÆÁ±Î¹¦ÄÜʱ¸Ãģʽ²»¿ÉÑ¡¡£ 2)Óë¹Ì¶¨ÏûÒþ¹¦ÄÜ£¬²»¹Ì¶¨ÏûÒþ¹¦ÄÜÒÔ¼°ÆÁ±Î¹¦ÄÜÎ޹أ¬Êä³ö¼ì²âÇøÓòµÄÈë¹â/ÕÚ¹â״̬¡£
¿Éʹ·ÇÌØ¶¨µÄ1£¬2»ò3¸ö¹âÖáʧЧ¡£µ±±»ÕÚ¹â¹âÖáÊýÔÚÉ趨¹âÖáÊýÒÔÏÂʱ£¬²»»áµ¼Ö¿ØÖÆÊä³ö(OSSD)OFF¡£ µ±ÖØÐÂÅÅÐòʱ£¬ÀýÈçÔÚ¼ì²âÇøÓòÄÚÒÆ¶¯ÕϰÎïÒÔ¼°Ïò¹âÄ»´«¸ÐÆ÷µÄ¼ì²âÇøÓòÄÚ·ÅÖòÄÁϵÈʱ£¬ ´Ë¹¦Äܷdz£·½±ã¡£  ×¢£º1) ÈçʹÓø¡¶¯ÏûÒþ¹¦ÄÜ£¬Ôò×îС¼ì²âÎïÌå»áÓиı䡣ÏêÇéÇë²ÎÔÄ¡°Ê¹ÓÃÖ¸ÄÏ¡±(PDF P.36)¡£
| ¡ñͶ¹âÁ¿¿ØÖƹ¦ÄÜ |
¸Ã¹¦ÄÜÓÃÓÚ¼õÉÙͶ¹âÁ¿¡£¿ÉÔÚÕý³£Ä£Ê½ºÍ¶Ì·ģʽÕâÁ½¸ö½×¶Î±ä¸üÉ趨¡£³ö³§Ê±É趨ΪÕý³£Ä£Ê½¡£ |
| ¡ñÉ趨ÄÚÈÝ¼à¿Ø¹¦ÄÜ |
¸Ã¹¦ÄÜ¿ÉÈ·ÈϹâÄ»´«¸ÐÆ÷µÄ¸÷ÖÖÉ趨¡£ |
| ¡ñ±£»¤¹¦ÄÜ |
¸Ã¹¦ÄÜÈ·±£Ö»ÓÐÊäÈëÃÜÂëʱ²Å¿É±ä¸ü¹âÄ»´«¸ÐÆ÷µÄÉ趨¡£³ö³§Ê±É趨Ϊ±£»¤¹¦ÄÜÎÞЧ¡£ |
| ¡ñÉ趨¸´Öƹ¦ÄÜ |
¿É½«É趨ÄÚÈݸ´ÖƵ½ÆäËûµÄ¹âÄ»´«¸ÐÆ÷ÖС£ÔÚÖØ¸´½øÐÐÏàͬÉ趨ʱ£¬¸Ã¹¦ÄܿɽÚÔ¼É趨ʱ¼ä¡£ |
| ¡ñÆÁ±ÎµÆÕï¶ÏµÄÉ趨 |
Èç¹ûʹÆÁ±ÎµÆÕï¶ÏʧЧ£¬ÄÇô¼´Ê¹½«Ö¸Ê¾µÆ¹Ø±Õ£¬ÆÁ±Î¹¦ÄÜÒ²¿É¼ÌÐøÔËÐС£ |
°²È«µç·µÄÊ©¹¤Ê±¼ä¼õÉÙ±¸ÓÐרÓõĿØÖÆÆ÷ °²È«µç·µÄ¹¹Öþ¡¤Ê©¹¤¼òµ¥
¿É¶ÔÓ¦PNP/NPNÁ½ÖÖ¼«ÐÔ£¡ÓÉÓÚʹÓÃ1¸ö»úÖÖ¼´¿É½øÐÐPNP/NPNµÄÊäÈëÇл»£¬´Ó¶øÓÐÖúÓÚ¼õÉÙ×¢²áºÅ¡£ ¡ù»ùÓÚ2005Äê6ÔÂSUNX½øÐеÄÑо¿ 
²úÆ·¹¹³É
¶©¹ºÖ¸ÄÏ
| ÖÖÀà |
ÐÎ×´ |
¼ì²â¾àÀë(×¢1)(ÓÐЧ¾àÀë) |
ÐͺŠ|
¹âÖáÊý |
±£»¤¸ß¶È |
| FingerÐÍ |
×îСÎïÌ妵14 (10mm¹âÖá¼ä¾à) |
 |
0.3~7m |
SF4B-F23 |
23 |
230mm |
| SF4B-F31 |
31 |
310mm |
| SF4B-F39 |
39 |
390mm |
| SF4B-F47 |
47 |
470mm |
| SF4B-F55 |
55 |
550mm |
| SF4B-F63 |
63 |
630mm |
| SF4B-F71 |
71 |
710mm |
| SF4B-F79 |
79 |
790mm |
| SF4B-F95 |
95 |
950mm |
| SF4B-F111 |
111 |
1,110mm |
| SF4B-F127 |
127 |
1,270mm |
| HandÐÍ |
×îСÎïÌ妵25 (20mm¹âÖá¼ä¾à) |
 |
0.3~9m |
SF4B-H12 |
12 |
230mm |
| SF4B-H16 |
16 |
310mm |
| SF4B-H20 |
20 |
390mm |
| SF4B-H24 |
24 |
470mm |
| SF4B-H28 |
28 |
550mm |
| SF4B-H32 |
32 |
630mm |
| SF4B-H36 |
36 |
710mm |
| SF4B-H40 |
40 |
790mm |
| SF4B-H48 |
48 |
950mm |
| SF4B-H56 |
56 |
1,110mm |
| SF4B-H64 |
64 |
1,270mm |
| 0.3~7m |
SF4B-H72 |
72 |
1,430mm |
| SF4B-H80 |
80 |
1,590mm |
| SF4B-H88 |
88 |
1,750mm |
| SF4B-H96 |
96 |
1,910mm |
| Arm/FootÐÍ |
×îСÎïÌ妵45 (40mm¹âÖá¼ä¾à) |
 |
0.3~9m |
SF4B-A6 |
6 |
230mm |
| SF4B-A8 |
8 |
310mm |
| SF4B-A10 |
10 |
390mm |
| SF4B-A12 |
12 |
470mm |
| SF4B-A14 |
14 |
550mm |
| SF4B-A16 |
16 |
630mm |
| SF4B-A18 |
18 |
710mm |
| SF4B-A20 |
20 |
790mm |
| SF4B-A24 |
24 |
950mm |
| SF4B-A28 |
28 |
1,110mm |
| SF4B-A32 |
32 |
1,270mm |
| 0.3~7m |
SF4B-A36 |
36 |
1,430mm |
| SF4B-A40 |
40 |
1,590mm |
| SF4B-A44 |
44 |
1,750mm |
| SF4B-A48 |
48 |
1,910mm | ×¢£º1£©¼ì²â¾àÀëÊÇͶ¹âÆ÷ºÍÊܹâÆ÷Ö®¼äµÄ¿ÉÉ趨·¶Î§¡£´«¸ÐÆ÷¿É¼ì²â0.3mmÒÔÄÚµÄÎïÌå¡£  ÊÖ¶¯¿ØÖÆÆ÷δ¶ÔÓ¦Ðͱ¸Óв»ÄÜʹÓÃÊÖ¶¯¿ØÖÆÆ÷SFB-HC(ÁíÊÛ)µÄÐͺ𣶩¹ºÊ±ÇëÔÚÐͺÅĩβ¼ÓÉÏ¡°-01¡±¡£ Àý£ºSF4B-F23µÄÊÖ¶¯¿ØÖÆÆ÷δ¶ÔÓ¦Ð;ÍÊÇSF4B-F23-01
| Æ·Ãû |
ÐͺŠ|
˵Ã÷ |
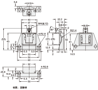
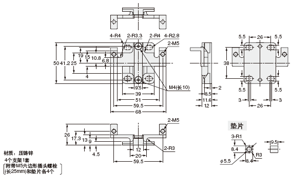
| ±ê×¼°²×°Ö§¼Ü |
MS-SFB-1 |
ÓÃÓÚ¹âÄ»´«¸ÐÆ÷ºó²¿ºÍ²àÃæ°²×° (1Ì×4¸öÖ§¼ÜÓÃÓÚͶ¹âÆ÷ºÍÊܹâÆ÷) |
| ¼ä¾à±ä»»Ö§¼Ü |
MS-SFB-4 |
ÓÃÓÚ½«±£»¤¸ß¶ÈΪ200~750mmµÄ¾ÉÐ͹âÄ» ´«¸ÐÆ÷¸ü»»³ÉSF4BϵÁС£ ͬʱҲÓÃÓÚ°²×°2¸öM5Áù±ßÐβåÍ·ÂÝ˨¡£ (1Ì×4¸öÖ§¼ÜÓÃÓÚͶ¹âÆ÷ºÍÊܹâÆ÷) |
| M8°²×°Ö§¼Ü |
MS-SFB-1-T |
½öÓÃ1¸öM6Áù±ßÐβåÍ·ÂÝ˨¼´¿É½øÐйâÄ»´«¸ÐÆ÷ºó²¿ºÍ²àÃæ°²×°¡£ (1Ì×4¸öÖ§¼ÜÓÃÓÚͶ¹âÆ÷ºÍÊܹâÆ÷) |
| M8¼ä¾à±ä»»Ö§¼Ü |
MS-SFB-4-T |
ÓÃÓÚ½«±£»¤¸ß¶ÈΪ200~750mmµÄ¾ÉÐ͹âÄ»´«¸ÐÆ÷¸ü»»³ÉSF4BϵÁС£ ͬʱҲÓÃÓÚ°²×°1¸öM8Áù±ßÐβåÍ·ÂÝ˨¡£ (1Ì×4¸öÖ§¼ÜÓÃÓÚͶ¹âÆ÷ºÍÊܹâÆ÷) |
| ÎÞËÀ½Ç°²×°Ö§¼Ü |
MS-SFB-3 |
¿ÉÔÚ²»³¬³ö±£»¤¸ß¶ÈµÄÇé¿öϽøÐÐÎÞËÀ½Ç°²×°(1Ì×4¸öÖ§¼ÜÓÃÓÚͶ¹âÆ÷ºÍÊܹâÆ÷) |
| ±ê×¼°²×°Ö§¼Ü |
¼ä¾à±ä»»Ö§¼Ü |
M8°²×°Ö§¼Ü |
| MS-SFB-1 |
MS-SFB-4 |
MS-SFB-1-T |
 |
 |
 |
| M8¼ä¾à±ä»»Ö§¼Ü |
ÎÞËÀ½Ç°²×°Ö§¼Ü |
¡ª¡ª |
| MS-SFB-4-T |
MS-SFB-3 |
¡ª¡ª |
 |
 ×¢£º¸ù¾Ý±ê×¼ÔÚ¼ì²âÍ·Éϰ²×°1¸ö½ÓÍ·¡£ |
¡ª¡ª |
| ÖÖÀà |
ÐÎ×´ |
ÐͺŠ|
˵Ã÷ |
| »ù±¾¹¹³É(8оµçÀÂ) |
3µ×ñµçÀ |
É¢×°Ïß |
 |
SFB-CCB3 |
³¤¶È£º3m
Ö÷ÌåÖØÁ¿£ºÔ¼370g(2¸ù) |
Á¬½ÓÔÚ¹âÄ»´«¸ÐÆ÷Ö÷ÌåÉÏ£¬ÓÃÓÚ½ÓÏß»òÁ¬½Ó¿ØÖÆÆ÷×éSF-C13¡£
ÓÃÓÚͶ¹âÆ÷ºÍÊܹâÆ÷ÿÌ×2¸ù£¬µçÀÂÍâ¾¶£º¦Õ6mm
µçÀÂÑÕÉ«£º»ÒÉ«ÓÃÓÚͶ¹âÆ÷£¬»ÒÉ«ÓÃÓÚÊܹâÆ÷(´øºÚÏß)
×îСÍäÇú°ë¾¶£ºR6mm |
| SFB-CCB7 |
³¤¶È£º7m
Ö÷ÌåÖØÁ¿£ºÔ¼820g(2¸ù) |
| SFB-CCB10 |
³¤¶È£º10m
Ö÷ÌåÖØÁ¿£ºÔ¼1,160g(2¸ù) |
| SFB-CCB15 |
³¤¶È£º15m
Ö÷ÌåÖØÁ¿£ºÔ¼1,710g(2¸ù) |
| Á¬½ÓÆ÷ |
 |
SFB-CB05 |
³¤¶È£º0.5m
Ö÷ÌåÖØÁ¿£ºÔ¼95g(2¸ù) |
Á¬½ÓÔÚ¹âÄ»´«¸ÐÆ÷Ö÷ÌåÉÏ£¬ÓÃÓÚÁ¬½ÓÑÓ³¤µçÀ»ò¿ØÖÆÆ÷×éSF-C11¡£
ÓÃÓÚͶ¹âÆ÷ºÍÊܹâÆ÷ÿÌ×2¸ù£¬µçÀÂÍâ¾¶£º¦Õ6mm
Á¬½ÓÆ÷×î´óÍâ¾¶£º¦Õ14mm
µçÀÂÑÕÉ«£º»ÒÉ«ÓÃÓÚͶ¹âÆ÷£¬»ÒÉ«ÓÃÓÚÊܹâÆ÷(´øºÚÏß)
×îСÍäÇú°ë¾¶£ºR6mm |
| SFB-CB5 |
³¤¶È£º5m
Ö÷ÌåÖØÁ¿£ºÔ¼620g(2¸ù) |
| SFB-CB10 |
³¤¶È£º3m
Ö÷ÌåÖØÁ¿£ºÔ¼1,200g(2¸ù) |
| 4ÑÓ³¤µçÀ |
Ò»¶Ë´øÁ¬½ÓÆ÷ |
 |
SFB-CC3 |
³¤¶È£º3m
Ö÷ÌåÖØÁ¿£ºÔ¼380g(2¸ù) |
ÓÃÓÚÁ¬½ÓÑÓ³¤µçÀ»ò¿ØÖÆÆ÷×éSF-C13¡£
ÓÃÓÚͶ¹âÆ÷ºÍÊܹâÆ÷ÿÌ×2¸ù£¬µçÀÂÍâ¾¶£º¦Õ6mm
Á¬½ÓÆ÷×î´óÍâ¾¶£º¦Õ14mm
µçÀÂÑÕÉ«£º»ÒÉ«ÓÃÓÚͶ¹âÆ÷£¬»ÒÉ«ÓÃÓÚÊܹâÆ÷(´øºÚÏß)
×îСÍäÇú°ë¾¶£ºR6mm |
| SFB-CC10 |
³¤¶È£º10m
Ö÷ÌåÖØÁ¿£ºÔ¼1,200g(2¸ù) |
| Á½¶Ë¾ù´øÁ¬½ÓÆ÷ |
Ͷ¹âÆ÷Óà |
 |
SFB-CCJ10E |
³¤¶È£º10m
Ö÷ÌåÖØÁ¿£ºÔ¼580g(1¸ù) |
ÓÃÓÚÁ¬½ÓÑÓ³¤µçÀ»ò¿ØÖÆÆ÷×éSF-C11£¬SF-C14EX¡£
ÓÃÓÚͶ¹âÆ÷ºÍÊܹâÆ÷¸÷1¸ù£¬µçÀÂÍâ¾¶£º¦Õ6mm
Á¬½ÓÆ÷×î´óÍâ¾¶£º¦Õ14mm
µçÀÂÑÕÉ«£º»ÒÉ«ÓÃÓÚͶ¹âÆ÷£¬»ÒÉ«ÓÃÓÚÊܹâÆ÷(´øºÚÏß)
Á¬½ÓÆ÷ÑÕÉ«£º»ÒÉ«ÓÃÓÚͶ¹âÆ÷£¬ºÚÉ«ÓÃÓÚÊܹâÆ÷
×îСÍäÇú°ë¾¶£ºR6mm |
| ÊܺºÆ÷Óà |
SFB-CCJ10D |
³¤¶È£º10m
Ö÷ÌåÖØÁ¿£ºÔ¼600g(1¸ù) |
| ÆÁ±Î¿ØÖƹ¹³É(12оµçÀ¡¤¸½´ø·À¸ÉÈÅÏß) |
5µ×ñµçÀ |
É¢×°Ïß |
 |
SFB-CCB3-MU |
³¤¶È£º3m
Ö÷ÌåÖØÁ¿£ºÔ¼420g(2¸ù) |
Á¬½ÓÔÚ¹âÄ»´«¸ÐÆ÷Ö÷ÌåÉÏ£¬ÓÃÓÚÁ¬Ïß»òÁ¬½Ó¿ØÖÆÆ÷×éSF-C13¡£
ÓÃÓÚͶ¹âÆ÷ºÍÊܹâÆ÷ÿÌ×2¸ù£¬µçÀÂÍâ¾¶£º¦Õ6mm
µçÀÂÑÕÉ«£º»ÒÉ«ÓÃÓÚͶ¹âÆ÷£¬»ÒÉ«ÓÃÓÚÊܹâÆ÷(´øºÚÏß)
×îСÍäÇú°ë¾¶£ºR6mm |
| SFB-CCB7-MU |
³¤¶È£º7m
Ö÷ÌåÖØÁ¿£ºÔ¼930g(2¸ù) |
| Á¬½ÓÆ÷ |
 |
SFB-CB05-MU |
³¤¶È£º0.5m
Ö÷ÌåÖØÁ¿£ºÔ¼110g(2¸ù) |
Á¬½ÓÔÚ¹âÄ»´«¸ÐÆ÷Ö÷ÌåÉÏ£¬ÓÃÓÚÁ¬½ÓÑÓ³¤µçÀ»ò¿ØÖÆÆ÷×éSF-C12¡£
ÓÃÓÚͶ¹âÆ÷ºÍÊܹâÆ÷ÿÌ×2¸ù£¬µçÀÂÍâ¾¶£º¦Õ6mm
Á¬½ÓÆ÷×î´óÍâ¾¶£º¦Õ16mm
µçÀÂÑÕÉ«£º»ÒÉ«ÓÃÓÚͶ¹âÆ÷£¬»ÒÉ«ÓÃÓÚÊܹâÆ÷(´øºÚÏß)
×îСÍäÇú°ë¾¶£ºR6mm |
| 6ÑÓ³¤µçÀ |
Ò»¶Ë´øÁ¬½ÓÆ÷ |
 |
SFB-CC3-MU |
³¤¶È£º3m
Ö÷ÌåÖØÁ¿£ºÔ¼430g(2¸ù) |
ÓÃÓÚÁ¬½ÓÑÓ³¤µçÀ»ò¿ØÖÆÆ÷×éSF-C13¡£
ÓÃÓÚͶ¹âÆ÷ºÍÊܹâÆ÷ÿÌ×2¸ù£¬µçÀÂÍâ¾¶£º¦Õ6mm
Á¬½ÓÆ÷×î´óÍâ¾¶£º¦Õ16mm
µçÀÂÑÕÉ«£º»ÒÉ«ÓÃÓÚͶ¹âÆ÷£¬»ÒÉ«ÓÃÓÚÊܹâÆ÷(´øºÚÏß)
×îСÍäÇú°ë¾¶£ºR6mm |
| SFB-CC10-MU |
³¤¶È£º10m
Ö÷ÌåÖØÁ¿£ºÔ¼1,300g(2¸ù) |
| Á½¶Ë¾ù´øÁ¬½ÓÆ÷ |
Ͷ¹âÆ÷Óà |
 |
SFB-CCJ10E-MU |
³¤¶È£º10m
Ö÷ÌåÖØÁ¿£ºÔ¼660g(1¸ù) |
ÓÃÓÚÁ¬½ÓÑÓ³¤µçÀ»ò¿ØÖÆÆ÷×éSF-C12¡£
ÓÃÓÚͶ¹âÆ÷ºÍÊܹâÆ÷¸÷1¸ù£¬µçÀÂÍâ¾¶£º¦Õ6mm
Á¬½ÓÆ÷×î´óÍâ¾¶£º¦Õ16mm
µçÀÂÑÕÉ«£º»ÒÉ«ÓÃÓÚͶ¹âÆ÷£¬»ÒÉ«ÓÃÓÚÊܹâÆ÷(´øºÚÏß)
Á¬½ÓÆ÷ÑÕÉ«£º»ÒÉ«ÓÃÓÚͶ¹âÆ÷£¬ºÚÉ«ÓÃÓÚÊܹâÆ÷
×îСÍäÇú°ë¾¶£ºR6mm
|
| ÊܹâÆ÷Óà |
SFB-CCJ10D-MU |
³¤¶È£º10m
Ö÷ÌåÖØÁ¿£ºÔ¼680g(1¸ù) |
| 7µçÀ´®ÁªÁ¬½ÓÓà |
 |
SFB-CSL01 |
³¤¶È£º0.1m
Ö÷ÌåÖØÁ¿£ºÔ¼45g(2¸ù) |
¿É´®ÁªÁ¬½Ó¹âÄ»´«¸ÐÆ÷¡£
ÓÃÓÚͶ¹âÆ÷ºÍÊܹâÆ÷ÿÌ×2¸ù(Ͷ¹âÆ÷ºÍÊܹâÆ÷Ïàͬ)
µçÀÂÍâ¾¶£º¦Õ6mm
µçÀÂÑÕÉ«£º»ÒÉ«(Ͷ¹âÆ÷ºÍÊܹâÆ÷Ïàͬ)
×îСÍäÇú°ë¾¶£ºR6mm |
| SFB-CSL05 |
³¤¶È£º0.5m
Ö÷ÌåÖØÁ¿£ºÔ¼95g(2¸ù) |
| SFB-CSL1 |
³¤¶È£º1m
Ö÷ÌåÖØÁ¿£ºÔ¼150g(2¸ù) |
| SFB-CSL5 |
³¤¶È£º5m
Ö÷ÌåÖØÁ¿£ºÔ¼150g(2¸ù) |
| 3SF-C14EXרÓÃÁ¬½ÓµçÀ |
 |
SFB-CB05-EX |
³¤¶È£º0.5m
Ö÷ÌåÖØÁ¿£ºÔ¼95g(2¸ù) |
Óë¹âÄ»´«¸ÐÆ÷Ö÷ÌåÏàÁ¬£¬ÓÃÓÚÁ¬½ÓÓ¦ÓÃÀ©Õ¹µ¥ÔªSF-C14EX»ò8оÑÓ³¤ÓÃÓÚÁ½¶Ë´øÁ¬½ÓÆ÷µçÀ¡£
ÓÃÓÚͶ¹âÆ÷ºÍÊܹâÆ÷ÿÌ×2¸ù£¬µçÀÂÍâ¾¶£º¦Õ6mm
µçÀÂÑÕÉ«£º»ÒÉ«ÓÃÓÚͶ¹âÆ÷£¬»ÒÉ«ÓÃÓÚÊܹâÆ÷(´øºÚÏß)
Á¬½ÓÆ÷×î´óÍâ¾¶£º¦Õ14mm£¬×îСÍäÇú°ë¾¶£ºR6mm¡£ |
| SFB-CB5-EX |
³¤¶È£º5m
Ö÷ÌåÖØÁ¿£ºÔ¼620g(2¸ù) |
| SFB-CB10-EX |
³¤¶È£º10m
Ö÷ÌåÖØÁ¿£ºÔ¼1,200g(2¸ù) |
| ¸ü»»µçÀ |
ÓÃÓÚSF4A-AH¡õ(PNPÐÍ) |
 |
SFB-CB05-A-P |
³¤¶È£º0.5m
Ö÷ÌåÖØÁ¿£ºÔ¼110g(2¸ù) |
8оµ×ñµçÀ¹æ¸ñ¡£ÓÉÓÚ¿ÉÖ±½ÓÓë¾ÉÐ͹âÄ»´«¸ÐÆ÷ÉÏʹÓõÄÁ¬½ÓÆ÷µçÀÂ(¿ØÖƵç·²à)Á¬½Ó¡£Òò´ËÄÜ˳ÀûÌæ»»ÎªSF4BϵÁС£
ÓÃÓÚͶ¹âÆ÷ºÍÊܹâÆ÷ÿÌ×2¸ù£¬µçÀÂÍâ¾¶£º¦Õ6mm
Á¬½ÓÆ÷×î´óÍâ¾¶£º¦Õ14mm
µçÀÂÑÕÉ«£º»ÒÉ«ÓÃÓÚͶ¹âÆ÷£¬»ÒÉ«ÓÃÓÚÊܹâÆ÷(´øºÚÏß)
×îСÍäÇú°ë¾¶£ºR6mm |
| ÓÃÓÚSF4A-AH¡õ-N(PNPÐÍ) |
SFB-CB05-A-N |
| ÓÃÓÚSF2-EH¡õ(PNPÐÍ) |
SFB-CB05-B-P |
| ÓÃÓÚSF2-EH¡õ-N(PNPÐÍ) |
SFB-CB05-B-N |
| Æ·Ãû |
ÐͺŠ|
˵Ã÷ |
| ¼ÞÁ¬Ö§³ÅÖ§¼Ü(×¢1) |
MS-SFB-2 |
ÓÃÓڰѹâÄ»´«¸ÐÆ÷¹Ì¶¨ÓÚÖв¿¡£¿É°²×°ÔÚ¹âÄ»´«¸ÐÆ÷µÄºó²¿¼°²àÃæ¡£ |
| ²âÊԸ˦µ14 |
SF4B-14 |
ÓÃÓÚ±ê×¼¼ì²âÒÔ¼ì²â×îС¼ì²âÎïÌå(¦Õ 14mm)£¬ ÓÃÓÚFingerÐÍ(×îС¼ì²âÎïÌå ¦Õ14mm) |
| ²âÊԸ˦µ25 |
SF4B-TR25 |
ÓÃÓÚ±ê×¼¼ì²âÒÔ¼ì²â×îС¼ì²âÎïÌå( ¦Õ25mm)£¬ ÓÃÓÚHandÐÍ(×îС¼ì²âÎïÌå¦Õ 25mm) | ×¢:1)ËùÐèÌ×ÊýÒò²úÆ·¶øÒì¡£
| ºó²¿°²×°Ê± |
²àÃæ°²×°Ê± |
 |
 |
Åä¼þ(ÁíÊÛ)
| Æ·Ãû |
ÐÎ×´ |
ÐͺŠ|
ÊÊÓõçÀ |
˵Ã÷ |
| ´øÁ¬½ÓÆ÷¿ØÖÆÆ÷ |
 |
SF-C11¡õ |
SFB-CCJ10¡õ SFB-CB¡õ |
ÓÃ8о´øÁ¬½ÓÆ÷µçÀÂÁ¬½Ó¹âÄ»´«¸ÐÆ÷¡£ ¿É¶ÔÓ¦4Àà¿ØÖÆ¡£ ²»ÄÜʹÓ÷À¸ÉÈÅÏß¡¢ÆÁ±Î¹¦ÄÜ¡£ |
| ÀιÌÐÍ¿ØÖÆÆ÷ |
 |
SF-C12¡õ |
SFB-CB05-MU SFB-CCJ10¡õ-MU |
ÓÃ12о´øÁ¬½ÓÆ÷µçÀÂÁ¬½Ó¹âÄ»´«¸ÐÆ÷¡£¿ÉʹÓ÷À¸ÉÈÅÏß¡£ ¿É¶ÔÓ¦4Àà¿ØÖÆ¡£ ²»ÄÜʹÓÃÆÁ±Î¹¦ÄÜ¡£ |
| ±¡ÐÍ¿ØÖÆÆ÷ |
 |
SF-C13 |
SFB-CC¡õ(-MU) SFB-CCB¡õ(-MU) |
ÓÃÉ¢×°µçÀÂÁ¬½Ó¹âÄ»´«¸ÐÆ÷¡£¿ÉʹÓÃÆÁ±Î¹¦Äܼ°·À¸ÉÈÅÏß¡£ ¿É¶ÔÓ¦4Àà¿ØÖÆ¡£ |
SF4BϵÁÐרÓà ӦÓÃÀ©Õ¹µ¥Ôª |
 |
SF-C13 SF-C14EX |
¹âÄ»´«¸ÐÆ÷Á¬½ÓµçÀ£º SFB-CB¡õ-EX ÑÓ³¤µçÀ SFB-CCJ10¡õ |
Å䱸ÆÁ±Î¿ØÖƹ¦Äܺͽô¼±Í£Ö¹ÊäÈ빦Äܵȣ¬¹âÄ»´«¸ÐÆ÷µÄÓ¦ÓøüΪ¹ã·º¡£ ÓÃרÓÃÁ¬½ÓµçÀÂÁ¬½Ó¹âÄ»´«¸ÐÆ÷¡£¿É¶ÔÓ¦4Àà¿ØÖÆ¡£ |
·ûºÏÈÕ±¾¹ú ÄÚѹ»ú±ê×¼ |
±¸ÓÐSF-C12ÄÚÖð²È«¼ÌµçÆ÷µÄ¸ü»»Óü̵çÆ÷×é(°²È«¼ÌµçÆ÷2¸ö£¬²ðж¹¤¾ß1¸ö)¡£ÐͺţºSF-C12-RY
| Æ·Ãû |
ÐÎ×´ |
ÐͺŠ|
| ÊÖ¶¯¿ØÖÆÆ÷ |
 ¡ù¸½´ø2¸ù¸ü»»µçÀ |
SFB-HC | ×¢£º1)ʹÓÃSF4B¡õ-01¼°SF-C14EX-01ʱ£¬²»ÄÜʹÓÃÊÖ¶¯¿ØÖÆÆ÷¡£ |
 ×¢£º1)ÈçʹÓÃÉ¢×°µ×ñµçÀÂʱ£¬ÇëÁíÐж©¹ºSFB-CC3/CC10ÑÓ³¤µçÀ¡£¹ØÓÚ½ÓÏߣ¬Çë²ÎÔIJúÆ·¸½´øµÄʹÓÃ˵Ã÷Êé¡£ |
| Æ·Ãû |
ÕýÃæ·À»¤ÕÖ |
±£»¤¸Ë×é¼þ |
¹âÄ»´«¸ÐÆ÷ÓÃÓç½Ç¾µ |
| Finger |
Hand |
Arm/Foot |
ÐÍ¡¡ºÅ |
ÐÍ¡¡ºÅ |
ÐÍ¡¡ºÅ |
ÓÐЧ·´ÉäÃæ |
| 23 |
12 |
6 |
FC-SFBH-12 |
MC-SFBH-12 |
RF-SFBH-12 |
236¡Á72 mm |
| 31 |
16 |
8 |
FC-SFBH-16 |
MC-SFBH-16 |
RF-SFBH-16 |
316¡Á72 mm |
| 39 |
20 |
10 |
FC-SFBH-20 |
MC-SFBH-20 |
RF-SFBH-20 |
396¡Á72 mm |
| 47 |
24 |
12 |
FC-SFBH-24 |
MC-SFBH-24 |
RF-SFBH-24 |
476¡Á72 mm |
| 55 |
28 |
14 |
FC-SFBH-28 |
MC-SFBH-28 |
RF-SFBH-28 |
556¡Á72 mm |
| 63 |
32 |
16 |
FC-SFBH-32 |
MC-SFBH-32 |
RF-SFBH-32 |
636¡Á72 mm |
| 71 |
36 |
18 |
FC-SFBH-36 |
MC-SFBH-36 |
RF-SFBH-36 |
716¡Á72 mm |
| 79 |
40 |
20 |
FC-SFBH-40 |
MC-SFBH-40 |
RF-SFBH-40 |
796¡Á72 mm |
| 95 |
48 |
24 |
FC-SFBH-48 |
MC-SFBH-48 |
RF-SFBH-48 |
956¡Á72 mm |
| 111 |
56 |
28 |
FC-SFBH-56 |
MC-SFBH-56 |
RF-SFBH-56 |
1,116¡Á72 mm |
| 127 |
64 |
32 |
FC-SFBH-64 |
MC-SFBH-64 |
RF-SFBH-64 |
1,276¡Á72 mm |
| ¡ª |
72 |
36 |
FC-SFBH-72 |
MC-SFBH-72 |
RF-SFBH-72 |
1,436¡Á72 mm |
| ¡ª |
80 |
40 |
FC-SFBH-80 |
MC-SFBH-80 |
RF-SFBH-80 |
1,596¡Á72 mm |
| ¡ª |
88 |
44 |
FC-SFBH-88 |
MC-SFBH-88 |
RF-SFBH-88 |
1,756¡Á72 mm |
| ¡ª |
96 |
48 |
FC-SFBH-96 |
MC-SFBH-96 |
RF-SFBH-96 |
1,916¡Á72 mm | ×¢£º1)ÒÔÉÏÐͺŽöΪµ¥¼þ¶ø·Ç³ÉÌײ¿¼þ¡£Í¶¹âÆ÷/ÊܹâÆ÷¶¼°²×°Ðè2¸ö(2Ì×)¡£(Óç½Ç¾µ³ýÍâ)
¡¤FC-SFBH-¡õ ±£»¤¹âÄ»´«¸ÐÆ÷µÄ¼ì²âÃæ²»Êܷɽ¦Îï¼°·ÉÉ¢ÎïµÄËðÉË¡£ ʹÓÃÕýÃæ·À»¤ÕÖ»áʹ¼ì²â¾àÀëËõ¶Ì¡£
¼ì²â¾àÀë
| |
SF4B-F¡õ |
SF4B-H¡õ |
SF4B-A¡õ |
12¡«64 ¹âÖáÐÍ |
72¡«96 ¹âÖáÐÍ |
6¡«32 ¹âÖáÐÍ |
36¡«48 ¹âÖáÐÍ |
| ½ö°²×°Í¶¹âÆ÷ |
0.3¡«6m |
0.3¡«7.5m |
0.3¡«6m |
0.3¡«7.5m |
0.3¡«6m |
| ½ö°²×°ÊܹâÆ÷ |
0.3¡«6m |
0.3¡«7.5m |
0.3¡«6m |
0.3¡«7.5m |
0.3¡«6m |
| Á½²àͬʱ°²×°Í¶¡¤ÊܹâÆ÷ |
0.3¡«5.5m |
0.3¡«7m |
0.3¡«5.5m |
0.3¡«7m |
0.3¡«5.5m | ×¢£º1)¼ì²â¾àÀëÊÇͶ¹âÆ÷ºÍÊܹâÆ÷Ö®¼äµÄ¿ÉÉ趨·¶Î§¡£´«¸ÐÆ÷¿É¼ì²â0.3mÒÔÄÚµÄÎïÌå¡£ |
 |
¡¤¡¤RF-SFBH-¡õ L×ÖÐÍ¡¤U×ÖÐͰ²×°Ê±ÐèÒª2Ì×»ò3Ì×¹âÄ»´«¸ÐÆ÷£¬µ«ÀûÓÃÓç½Ç¾µ·´Éä¹â£¬1Ì×¹âÄ»´«¸ÐÆ÷¼´¿É½øÐÐL×ÖÐÍ¡¤U×ÖÐͰ²×°¡£
¼ì²â¾àÀë
| Óç½Ç¾µ1¸ö |
Ë¥¼õÖÁ90% |
| Óç½Ç¾µ2¸ö |
Ë¥¼õÖÁ80% | |
 |
¡¤²¿¼þ±í
| Æ·Ãû |
ÊýÁ¿ |
±¸×¢ |
| ±£»¤¸Ë |
1¸ù |
²ÄÖÊ£ºÂÁ |
±£»¤¸Ë°²×°Ö§¼Ü (×ó²àÓã¬ÓÒ²àÓÃ) |
¸÷1¸ö |
²ÄÖÊ£ºÑ¹Öýп |
| ´øµæÈ¦µÄÁù±ßÐβåÍ·ÂÝ˨ |
2¸ö |
M5(³¤20mm) |
| Áù±ßÐβåÍ·ÂÝ˨ |
2¸ö |
M5(³¤16mm) |
| ±£»¤¸Ë¼ÞÁ¬Ö§³ÅÖ§¼Ü(ÁíÊÛ) |
1¸ö |
²ÄÖÊ£ºÀäÔþ̼¸Ö(SPCC) | ×¢£º1)¼ÞÁ¬Ö§³ÅÖ§¼Ü(ÁíÊÛ)°²×°ÓÚ±ÈMC-SFBH-48³¤µÄ±£»¤¸ËÉÏ¡£ ¡¡¡¡¡¡ ÇëÔÚ±£»¤¸ËÄӶȽϳ¤Ê±Ê¹Óᣠ|
 |
| Æ·Ãû |
ÐͺŠ|
˵Ã÷ |
| ²âÊÔ¸Ëf45 |
SF4B-TR45
|
ÓÃÓÚ±ê×¼¼ì²âÒÔ¼ì²â×îС¼ì²âÎïÌå( 45mm)£¬ ÓÃÓÚArm/FootÐÍ(×îС¼ì²âÎïÌå 45mm)¡£ |
| ¼¤¹â¹âÖá¶ÔÆëÆ÷ |
SF-LAT-2N |
ÓÉÓÚ¼¤¹â¹âÖá¿ÉÊÓ£¬¹âÖá¶ÔÆëºÜÈÝÒס£ |
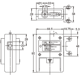
| ¹â, Ä»´«¸ÐÆ÷´óÏÔʾÆ÷ |
SF-IND-2 |
ÓÉÓÚÓë¹âÄ»´«¸ÐÆ÷µÄ¸¨ÖúÊä³öÁ¬½Ó£¬¿É´Ó¸÷½Ç¶ÈÈ·Èϼì²â״̬¡£ ¹æ¸ñ ¡¤µçÔ´µçѹ£º24V DC¡À15% ¡¤ÏûºÄµçÁ÷£º12mAÒÔÏ ¡¤Ö¸Ê¾µÆ£º³ÈÉ«LED(Ðè8¸ö) [ÍⲿÁ¬½ÓΪONʱÁÁÆð] ¡¤ÖÜΧζȣº£10¡«£«55¡ãC (×¢Òâ²»¿É½á¶,½á±ù) ¡¤²ÄÖÊ£ºPOM(¸Ç) ¾Û̼Ëáõ¥(ÕÖ) ÀäÔþ̼¸Ö(SPCC)(Ö§¼Ü) ¡¤µçÀ£º0.3mm2 2оÏðÆ¤µçÀ£¬³¤3m ¡¤ÖØÁ¿£ºÔ¼70g(°üÀ¨Ö§¼Ü)
|
I/Oµç·ͼ <´øNPNÊä³öÐÍ>
 <´øPNPÊä³öÐÍ>
 | |
|
|
|
 |
 |
Á¬ÔÚ¹âÄ»´«¸ÐÆ÷µÄ¶¥¶Ë¡£¹Ì¶¨¹âÄ»´«¸ÐÆ÷µÄ°²×°Ö§¼ÜºÍSF-IND-2°²×°Ö§¼Ü | |
SUNXÖ÷ÒªÆÁ±Î´«¸ÐÆ÷¼ò½é
|
|
|
|
|
 |
 |
 |
 |
¡¤¹ú¼Ê±ê×¼³ß´ç¡£ ¡¤Æ·ÖÖ·±¶à£¬¹²116ÖÖÐͺš£ |
¡¤ºñ¶È½ö3.5mm ¡¤³¤¼ì²â¾àÀ룺1m(͸¹ýÐÍ£ºEX-19) ¡ù±¸ÓÐÓëEX-20ϵÁжÔÓ¦µÄM3°²×°ÂÝË¿¡£
|
¡¤³¬Ð¡ÐÍÊ¡¿Õ¼ä¡£ ¡¤±¸ÓпìËÙ°²×°Áª½áÁ¬½ÓÆ÷¡£ |
¡¤µÍ¼Û ¡¤×°±¸Ò×¼û¹¤×÷ָʾµÆ |
| ¡ùÇëÔÚÈ·Èϸ÷ÆÁ±Î´«¸ÐÆ÷µÄ¹æ¸ñºóÑ¡Ôñ¡£¹ØÓÚ¹æ¸ñºÍÉèÖÃÌõ¼þ£¬Çë²ÎÔÄʹÓÃÖ¸ÄÏ(PDF P.32¡«)¡£ | ¼¼ÊõÐÅÏ¢£º
¹æ¸ñ ¸ö±ð¹æ¸ñ SF4B-F¡õ
| ÖÖÀà |
×îС¼ì²âÎïÌå¦Õ 14mmÐÍ |
| ÐͺŠ|
SF4B-F23 |
SF4B-F31 |
SF4B-F39 |
SF4B-F47 |
SF4B-F55 |
SF4B-F63 |
| ¹âÖáÊý |
23 |
31 |
39 |
47 |
55 |
63 |
| ¹âÖá¼ä¾à |
10mm |
| ±£»¤¸ß¶È |
230mm |
310mm |
390mm |
470mm |
550mm |
630mm |
| ÏûºÄµçÁ÷ |
Ͷ¹âÆ÷£º80mAÒÔÏ¡¢ÊܹâÆ÷£º120mAÒÔÏ |
Ͷ¹âÆ÷£º100mAÒÔÏ¡¢ÊܹâÆ÷£º160mAÒÔÏ |
| ÖØ Á¿(º¬Í¶¹âÆ÷ºÍÊܹâÆ÷) |
Ö÷ÌåÖØÁ¿£º Ô¼570g |
Ö÷ÌåÖØÁ¿£º Ô¼680g |
Ö÷ÌåÖØÁ¿£º Ô¼800g |
Ö÷ÌåÖØÁ¿£º Ô¼920g |
Ö÷ÌåÖØÁ¿£º Ô¼1,030g |
Ö÷ÌåÖØÁ¿£º Ô¼1,150g |
| ÖÖÀà |
×îС¼ì²âÎïÌå ¦Õ 14mmÐÍ |
| ÐͺŠ|
SF4B-F71 |
SF4B-F79 |
SF4B-F95 |
SF4B-F111 |
SF4B-F127 |
| ¹âÖáÊý |
71 |
79 |
95 |
111 |
127 |
| ¹âÖá¼ä¾à |
10mm |
| ±£»¤¸ß¶È |
710mm |
790mm |
950mm |
1,110mm |
1,270mm |
| ÏûºÄµçÁ÷ |
Ͷ¹âÆ÷£º 100mAÒÔÏ¡¢ ÊܹâÆ÷£º 160mAÒÔÏ |
Ͷ¹âÆ÷£º115mAÒÔÏ¡¢ ÊܹâÆ÷£º190mAÒÔÏ |
Ͷ¹âÆ÷£º135mAÒÔÏ¡¢ ÊܹâÆ÷£º230mAÒÔÏ |
| ÖØ Á¿(º¬Í¶¹âÆ÷ºÍÊܹâÆ÷) |
Ö÷ÌåÖØÁ¿£ºÔ¼1,260g |
Ö÷ÌåÖØÁ¿£ºÔ¼1,380g |
Ö÷ÌåÖØÁ¿£ºÔ¼1,620g |
Ö÷ÌåÖØÁ¿£ºÔ¼1,850g |
Ö÷ÌåÖØÁ¿£ºÔ¼2,090g | ×¢£º1)ÔÚδָ¶¨µÄ²â¶¨Ìõ¼þÏ£¬ÖÜΧζȣ½£«20¡ãC¡£
| ÖÖÀà |
×îС¼ì²âÎïÌå¦Õ 14mmÐÍ |
| ÐͺŠ|
SF4B-H12 |
SF4B-H16 |
SF4B-H20 |
SF4B-H24 |
SF4B-H28 |
SF4B-H32 |
| ¹âÖáÊý |
12 |
16 |
20 |
24 |
28 |
32 |
| ¹âÖá¼ä¾à |
20mm |
| ±£»¤¸ß¶È |
230mm |
310mm |
390mm |
470mm |
550mm |
630mm |
| ÏûºÄµçÁ÷ |
Ͷ¹âÆ÷£º70mAÒÔÏ¡¢ÊܹâÆ÷£º95mAÒÔÏ |
Ͷ¹âÆ÷£º80mAÒÔÏ¡¢ÊܹâÆ÷£º115mAÒÔÏ |
| ÖØ Á¿(º¬Í¶¹âÆ÷ºÍÊܹâÆ÷) |
Ö÷ÌåÖØÁ¿£º Ô¼570g |
Ö÷ÌåÖØÁ¿£º Ô¼680g |
Ö÷ÌåÖØÁ¿£º Ô¼800g |
Ö÷ÌåÖØÁ¿£º Ô¼920g |
Ö÷ÌåÖØÁ¿£º Ô¼1,030g |
Ö÷ÌåÖØÁ¿£º Ô¼1,150g |
| ÖÖÀà |
×îС¼ì²âÎïÌå¦Õ 14mmÐÍ |
| ÐͺŠ|
SF4B-H36 |
SF4B-H40 |
SF4B-H48 |
SF4B-H56 |
SF4B-H64 |
SF4B-H72 |
| ¹âÖáÊý |
12 |
16 |
20 |
24 |
28 |
32 |
| ¹âÖá¼ä¾à |
20mm |
| ±£»¤¸ß¶È |
710mm |
790mm |
950mm |
1,110mm |
1,270mm |
1,430mm |
| ÏûºÄµçÁ÷ |
Ͷ¹âÆ÷£º80mAÒÔÏ¡¢ ÊܹâÆ÷£º115mAÒÔÏ |
Ͷ¹âÆ÷£º90mAÒÔÏ¡¢ ÊܹâÆ÷£º140mAÒÔÏ |
Ͷ¹âÆ÷£º100mAÒÔÏ¡¢ ÊܹâÆ÷£º160mAÒÔÏ |
Ͷ¹âÆ÷£º110mAÒÔÏ¡¢ ÊܹâÆ÷£º180mAÒÔÏ |
| ÖØ Á¿(º¬Í¶¹âÆ÷ºÍÊܹâÆ÷) |
Ö÷ÌåÖØÁ¿£ºÔ¼1,260g |
Ö÷ÌåÖØÁ¿£ºÔ¼1,380g |
Ö÷ÌåÖØÁ¿£ºÔ¼1,620g |
Ö÷ÌåÖØÁ¿£ºÔ¼1,850g |
Ö÷ÌåÖØÁ¿£ºÔ¼2,090g |
Ö÷ÌåÖØÁ¿£ºÔ¼2,320g |
| ÖÖÀà |
×îС¼ì²âÎïÌå¦Õ 25mmÐÍ |
| ÐͺŠ|
SF4B-F71 |
SF4B-F79 |
SF4B-F95 |
| ¹âÖáÊý |
80 |
88 |
96 |
| ¹âÖá¼ä¾à |
20mm |
| ±£»¤¸ß¶È |
1,590mm |
1,750mm |
1,910mm |
| ÏûºÄµçÁ÷ |
Ͷ¹âÆ÷£º110mAÒÔÏ¡¢ÊܹâÆ÷£º180mAÒÔÏ |
Ͷ¹âÆ÷£º120mAÒÔÏ¡¢ÊܹâÆ÷£º200mAÒÔÏ |
| ÖØ Á¿(º¬Í¶¹âÆ÷ºÍÊܹâÆ÷) |
Ö÷ÌåÖØÁ¿£ºÔ¼2,540g |
Ö÷ÌåÖØÁ¿£ºÔ¼2,780g |
Ö÷ÌåÖØÁ¿£ºÔ¼3,010g | ×¢£º1)ÔÚδָ¶¨µÄ²â¶¨Ìõ¼þÏ£¬ÖÜΧζȣ½£«20¡ãC¡£
| ÖÖÀà |
×îС¼ì²âÎïÌå¦Õ 45mmÐÍ |
| ÐͺŠ|
SF4B-A6 |
SF4B-A8 |
SF4B-A10 |
SF4B-A12 |
SF4B-A14 |
SF4B-A16 |
| ¹âÖáÊý |
6 |
8 |
10 |
12 |
14 |
16 |
| ¹âÖá¼ä¾à |
40mm |
| ±£»¤¸ß¶È |
230mm |
310mm |
390mm |
470mm |
550mm |
630mm |
| ÏûºÄµçÁ÷ |
Ͷ¹âÆ÷£º65mAÒÔÏ¡¢ÊܹâÆ÷£º85mAÒÔÏ |
Ͷ¹âÆ÷£º70mAÒÔÏ¡¢ÊܹâÆ÷£º95mAÒÔÏ |
| ÖØ Á¿(º¬Í¶¹âÆ÷ºÍÊܹâÆ÷) |
Ö÷ÌåÖØÁ¿£ºÔ¼170g |
Ö÷ÌåÖØÁ¿£ºÔ¼680g |
Ö÷ÌåÖØÁ¿£ºÔ¼800g |
Ö÷ÌåÖØÁ¿£ºÔ¼920g |
Ö÷ÌåÖØÁ¿£ºÔ¼1,030g |
Ö÷ÌåÖØÁ¿£ºÔ¼1,150g |
| ÖÖÀà |
×îС¼ì²âÎïÌå¦Õ 45mmÐÍ |
| ÐͺŠ|
SF4B-A18 |
SF4B-A20 |
SF4B-A24 |
SF4B-A28 |
SF4B-A32 |
SF4B-A36 |
| ¹âÖáÊý |
18 |
20 |
24 |
28 |
32 |
36 |
| ¹âÖá¼ä¾à |
40mm |
| ±£»¤¸ß¶È |
710mm |
790mm |
950mm |
1,110mm |
1,270mm |
1,430mm |
| ÏûºÄµçÁ÷ |
Ͷ¹âÆ÷£º70mAÒÔÏ¡¢ÊܹâÆ÷£º95mAÒÔÏ |
Ͷ¹âÆ÷£º75mAÒÔÏ¡¢ÊܹâÆ÷£º105mAÒÔÏ |
Ͷ¹âÆ÷£º80mAÒÔÏ¡¢ÊܹâÆ÷£º120mAÒÔÏ |
Ͷ¹âÆ÷£º85mAÒÔÏ¡¢ÊܹâÆ÷£º130mAÒÔÏ |
| ÖØ Á¿(º¬Í¶¹âÆ÷ºÍÊܹâÆ÷) |
Ö÷ÌåÖØÁ¿£ºÔ¼1,260g |
Ö÷ÌåÖØÁ¿£ºÔ¼1,380g |
Ö÷ÌåÖØÁ¿£ºÔ¼1,620g |
Ö÷ÌåÖØÁ¿£ºÔ¼1,850g |
Ö÷ÌåÖØÁ¿£ºÔ¼2,090g |
Ö÷ÌåÖØÁ¿£ºÔ¼2,320g |
| ÖÖÀà |
×îС¼ì²âÎïÌå¦Õ 45mmÐÍ |
| ÐͺŠ|
SF4B-A40 |
SF4B-A44 |
SF4B-A48 |
| ¹âÖáÊý |
40 |
44 |
48 |
| ¹âÖá¼ä¾à |
20mm |
| ±£»¤¸ß¶È |
1,590mm |
1,750mm |
1,910mm |
| ÏûºÄµçÁ÷ |
Ͷ¹âÆ÷£º85mAÒÔÏ¡¢ÊܹâÆ÷£º130mAÒÔÏ |
Ͷ¹âÆ÷£º95mAÒÔÏ¡¢ÊܹâÆ÷£º140mAÒÔÏ |
| ÖØ Á¿(º¬Í¶¹âÆ÷ºÍÊܹâÆ÷) |
Ö÷ÌåÖØÁ¿£ºÔ¼2,540g |
Ö÷ÌåÖØÁ¿£ºÔ¼2,780g |
Ö÷ÌåÖØÁ¿£ºÔ¼3,010g | ×¢£º1)ÔÚδָ¶¨µÄ²â¶¨Ìõ¼þÏ£¬ÖÜΧζȣ½£«20¡ãC¡£
Ò»°ã¹æ¸ñ
| ÖÖ¡¡¡¡Àà |
×îС¼ì²âÎïÌå ¦Õ14mm |
×îС¼ì²âÎïÌå ¦Õ25mm |
×îС¼ì²âÎïÌå ¦Õ45mm |
| ÐÍ¡¡¡¡ºÅ |
SF4B-F¡õ |
SF4B-H¡õ |
SF4B-A¡õ |
| ÊÊÓñê×¼ |
JIS B 9704-1/2(Type 4)¡¢JIS B 9705-1/ISO 13849-1(Category 4)¡¢EN 954-1(Category 4) EN 61496-1(Type 4)¡¢IEC 61496-1/2(Type 4)¡¢UL 61496-1/2(Type 4)¡¢UL 1998 |
| ¼ì²â¾àÀë(ÓÐЧ¾àÀë)(×¢2) |
0.3¡«7m |
12¡«64¹âÖáÐÍ£º 0.3¡«9m 72¡«96¹âÖáÐÍ£º 0.3¡«7m |
6¡«32¹âÖáÐÍ£º 0.3¡«9m 36¡«48¹âÖáÐÍ£º 0.3¡«7m |
| ×îС¼ì²âÎïÌå(×¢3) |
¦Õ14mmµÄ²»Í¸Ã÷Ìå |
¦Õ 25mmµÄ²»Í¸Ã÷Ìå |
¦Õ 45mmµÄ²»Í¸Ã÷Ìå |
| ÓÐЧ¿ª¿Ú½Ç |
¡À2.5¡ãÒÔÏ£ۼì²â¾àÀ볬¹ý3mʱ(·ûºÏIEC 61496-2/UL 61496-2)£Ý |
| µçÔ´µçѹ |
24V DC¡À10% Âö¶¯P-P10%ÒÔÏ |
¿ØÖÆÊä³ö (OSSD1¡¢OSSD2) |
PNP¿ªÂ·¼¯µç¼«¾§Ìå¹Ü/NPN¿ªÂ·¼¯µç¼«¾§Ìå¹Ü(Çл»Ê½) ¡¡¡¡ ¡¤PNPÊä³öʱ£º×î´óÔ´µçÁ÷200mA£¬NPNÊä³öʱ£º×î´óÁ÷ÈëµçÁ÷200mA ¡¡¡¡ ¡¤Íâ¼Óµçѹ£ºÍ¬µçÔ´µçѹ(PNPÊä³öʱ£º¿ØÖÆÊä³öºÍ+VÖ®¼ä£¬NPNÊä³öʱ£º¿ØÖÆÊä³öºÍ0VÖ®¼ä) ¡¡¡¡ ¡¤Ê£Óàµçѹ£º2.5VÒÔÏÂ(PNPÊä³öʱ£ºÔ´µçÁ÷200mA£¬NPNÊä³öʱ£ºÁ÷ÈëµçÁ÷200mA)(µçÀ³¤20mʱ) |
Êä³ö¹¤×÷
|
ËùÓйâÖáÈë¹âʱON£¬Ò»¸öÒÔÉϹâÖáÕÚ¹âʱOFF(´«¸ÐÆ÷»òͬ²½ÐźÅÓйÊÕÏʱOFF¡£)(×¢4)(×¢5) |
| ±£»¤µç·(¶Ì·±£»¤) |
×°±¸ |
| ·´Ó¦Ê±¼ä |
OFF·´Ó¦Ê±¼ä£º14msÒÔÏ£¬ON·´Ó¦Ê±¼ä£º 80¡«90ms |
¸¨ÖúÊä³ö (·Ç°²È«Êä³ö) |
PNP¿ªÂ·¼¯µç¼«¾§Ìå¹Ü/NPN¿ªÂ·¼¯µç¼«¾§Ìå¹Ü(Çл»Ê½) ¡¡¡¡ ¡¤PNPÊä³öʱ£º×î´óÔ´µçÁ÷60mA£¬NPNÊä³öʱ£º×î´óÁ÷ÈëµçÁ÷60mA ¡¡¡¡ ¡¤Íâ¼Óµçѹ£ºÍ¬µçÔ´µçѹ(PNPÊä³öʱ£º¸¨ÖúÊä³öºÍ+V¼ä£¬NPNÊä³öʱ£º¸¨ÖúÊä³öºÍ0VÖ®¼ä) ¡¡¡¡ ¡¤Ê£Óàµçѹ£º2.5VÒÔÏÂ(PNPÊä³öʱ£ºÔ´µçÁ÷60mA£¬NPNÊä³öʱ£ºÁ÷ÈëµçÁ÷60mA)(µçÀ³¤20mʱ) |
| Êä³ö¹¤×÷ |
¿ØÖÆÊä³öONʱOFF£¬¿ØÖÆÊä³öOFFʱON(³ö³§É趨״̬Ï£¬¿ÉÓÃSFB-HCÊÖ¶¯¿ØÖÆÆ÷¸Ä±ä¹¤×÷ģʽ |
| ±£»¤µç·(¶Ì·±£»¤) |
×°¡¡±¸ |
| ·À¸ÉÈŹ¦ÄÜ |
×°¡¡±¸(×¢6) |
| Ͷ¹âÍ£Ö¹¹¦ÄÜ |
×°¡¡±¸ |
| ÁªËø¹¦ÄÜ |
×°¡¡±¸£ÛÊÖ¶¯¸´¹é/×Ô¶¯¸´¹é(×¢7)£Ý |
| ÍⲿÉ豸¼à¿Ø¹¦ÄÜ |
×°¡¡±¸ |
| ¹ýÔØ¹¦ÄÜ |
×°¡¡±¸(×¢6) |
| ÆÁ±Î¹¦ÄÜ |
×°¡¡±¸(×¢6) |
| ¿ÉÑ¡¹¦ÄÜ(×¢8) |
¹Ì¶¨ÏûÒþ¹¦ÄÜ£¬²»¹Ì¶¨ÏûÒþ¹¦ÄÜ£¬¸¨ÖúÊä³öÇл»¹¦ÄÜ£¬ÁªËøÉ趨±ä¸ü¹¦ÄÜ Íⲿ¼ÌµçÆ÷¼à¿ØÉ趨±ä¸ü¹¦ÄÜ£¬ÆÁ±ÎÉ趨±ä¸ü¹¦ÄÜ£¬±£»¤¹¦ÄÜ£¬Í¶¹âÁ¿¿ØÖƹ¦ÄÜ |
»· ¾³ ÐÔ ÄÜ |
±£»¤¹¹Ôì |
IP65(IEC) |
| ÖÜΧÎÂ¶È |
£10¡«£«55¡ãC(×¢Òâ²»¿É½á¶¡¢½á±ù)£¬´æ´¢£º£25¡«£«70¡ãC |
| ÖÜΧʪ¶È |
30¡«85%RH¡¢´æ´¢£º30¡«95%RH |
| ÖÜΧÕÕÃ÷¶È |
°×³ãµÆ£ºÊܹâÃæÕÕÃ÷¶È3,500RxÒÔÏ |
| Ä͵çѹ |
AC1,000V 1·ÖÖÓ£¬ËùÓеçÔ´Á¬½Ó¶Ë×ÓÓëÍâ¿ÇÖ®¼ä |
| ¾øÔµµç×è |
20M¦¸ÒÔÉÏ£¬ËùÓеçÔ´Á¬½Ó¶Ë×ÓÓëÍâ¿ÇÖ®¼ä£¬»ùÓÚDC500V¸ß×è±í |
| ÄÍÕñ¶¯ |
ƵÂÊ10¡«55Hz£¬Ë«Õñ·ù£º0.75mm£¬X£¬YºÍZ¸÷·½Ïò2Сʱ |
| Äͳå»÷ |
¼ÓËÙ¶È£º300m/s2(Ô¼30G)£¬X£¬YºÍZ¸÷·½Ïò3´Î |
| Ͷ¹â¶þ¼«Ìå |
ºìÍâÏßLED(Ͷ¹â²¨·å²¨³¤£º870nm) |
| ²Ä ÖÊ |
Ö÷ÌåÍâ¿Ç£ºÂÁ£¬ÉÏÏÂÍâ¿Ç£ºÐ¿£¬¼ì²âÃæ£º¾Û̼Ëáõ¥£¬Ã±£ºPBT |
| Á¬½Ó·½Ê½ |
Á¬½ÓÆ÷Á¬½Ó |
| µçÀ³¤¶È |
ÓÃÁíÊÛÆ¥ÅäµçÀÂÈ«³¤¿ÉÑÓÉìÖÁ50m£¬ÓÃÓÚͶ¹âÆ÷ºÍÊܹâÆ÷(×¢9) |
| ¸½¼þ |
MS-SFB-2(¼ÞÁ¬Ö§³ÅÖ§¼Ü)£º(×¢10)SF4B-TR14(²âÊÔ¸Ë)£º1¸ö |
MS-SFB-2(¼ÞÁ¬Ö§³ÅÖ§¼Ü)£º(×¢10)SF4B-TR25(²âÊÔ¸Ë)£º1¸ö |
MS-SFB-2(¼ÞÁ¬Ö§³ÅÖ§¼Ü)£º(×¢10) | ×¢£º 1) ÔÚδָ¶¨µÄ²â¶¨Ìõ¼þÏ£¬ÖÜΧζȣ½£«20¡ãC¡£ 2) ¼ì²â¾àÀëÊÇͶ¹âÆ÷ºÍÊܹâÆ÷Ö®¼äµÄ¿ÉÉ趨·¶Î§¡£´«¸ÐÆ÷¿É¼ì²â0.3mÒÔÄÚµÄÎïÌå¡£ 3) ÔËÓò»¹Ì¶¨ÏûÒþ¹¦ÄÜʱ£¬×îС¼ì²âÎïÌåµÄÌå»ý¸Ä±ä¡£ÏûÒþ¹¦ÄÜÏêÇéÇë²ÎÔÄP.12¡£ 4) ÔÚÆÁ±ÎÖУ¬¼´Ê¹¹âÖá±»ÕÚ¹âÒ²²»»áOFF¡£ 5) ÏûÒþ¹¦ÄÜÓÐЧʱ£¬¹¤×÷ģʽ¸Ä±ä¡£ÏûÒþ¹¦ÄÜÏêÇéÇë²ÎÔÄP.12¡£ 6) ÇëʹÓÃ12оµçÀ¡£ 7) »ùÓÚ½ÓÏߣ¬¿ÉÇл»ÊÖ¶¯¸´¹é/×Ô¶¯¸´¹é¡£ 8) ʹÓÿÉÑ¡¹¦ÄÜʱ£¬ÐèÒªÊÖ¶¯¿ØÖÆÆ÷SFB-HC(ÁíÊÛ)¡£µ«ÊÇ£¬SF4B-¡õ-01¼°SF-C14EX²»ÄÜʹÓÃÊÖ¶¯¿ØÖÆÆ÷¡£ 9) 2Ì×´®ÁªÁ¬½Óʱ£¬Ç뽫ȫ³¤¿ØÖÆÔÚ30mÒÔÏÂ(Ͷ¹âÆ÷£¬ÊܹâÆ÷¸÷Ò»¸ù)£¬3Ì×´®ÁªÁ¬½Óʱ£¬Ç뽫ȫ³¤¿ØÖÆÔÚ20mÒÔÏÂ(Ͷ¹âÆ÷£¬ÊܹâÆ÷¸÷Ò»¸ù)¡£ÁíÍ⣬ʹÓÃÆÁ±ÎָʾµÆÊ±£¬Ç뽫ȫ³¤¿ØÖÆÔÚ40mÒÔÏÂ(Ͷ¹âÆ÷£¬ÊܹâÆ÷¸÷Ò»¸ù)¡£ 10) ÏÂÁд«¸ÐÆ÷¸½´ø¼ÞÁ¬Ö§³ÅÖ§¼Ü(MS-SFB-2)¡£ÊýÁ¿Òò²úÆ·¶øÒì¡£ 1Ì×£ºSF4B-F¡õ¡79¡«111¹âÖá´«¸ÐÆ÷¡¢SF4B-H¡õ¡40¡«56¹âÖá´«¸ÐÆ÷¡¢SF4B-A¡õ¡20¡«28¹âÖá´«¸ÐÆ÷ 2Ì×£ºSF4B-F127¡¢SF4B-H¡õ¡64¡«80¹âÖá´«¸ÐÆ÷¡¢SF4B-A¡õ¡32¡«40¹âÖá´«¸ÐÆ÷ 3Ì×£ºSF4B-H¡õ¡88¡«96¹âÖá´«¸ÐÆ÷¡¢SF4B-A¡õ¡44¡«48¹âÖá´«¸ÐÆ÷
רÓÿØÖÆÆ÷
| ÐͺŠ|
SF-C11 |
SF-C12 |
SF-C13 |
| ¿ÉÁ¬½ÓµÄ¹âÄ»´«¸ÐÆ÷ |
SF4BϵÁÐ |
SUNXÖÆ¹âÄ»´«¸ÐÆ÷ |
| ÊÊÓñê×¼ |
IEC 61496-1¡¢UL 61496-1¡¢JIS B 9704-1 |
| ¿ØÖÆÖÖÀà |
ISO 13849-1(EN 954-1¡¢JIS B 9705-1)·ûºÏ×î¸ß4Àà±ê×¼ |
| µçÔ´µçѹ |
24V DC¡À10% Âö¶¯P-P10%ÒÔÏ |
| ÏûºÄµçÁ÷ |
100mAÒÔÏÂ(¹âÄ»´«¸ÐÆ÷³ýÍâ) |
| ¶î¶¨±£ÏÕË¿ |
ÄÚÖõç×Ó±£ÏÕË¿£¬ÕڶϵçÁ÷£º0.5AÒÔÉÏ£¬¶ÏµçºóÖØÐÂÉèÖà |
| °²È«Êä³ö |
NO½Óµã¡Á3(13-14¡¢23-24¡¢33-34) |
NO½Óµã¡Á2(13-14¡¢23-24) |
NO½Óµã¡Á3(13-14¡¢23-24¡¢33-34) |
| ÀûÓÃÖÖÀà |
AC-15¡¢DC-13(IEC 60947-5-1) |
¶î¶¨¹¤×÷µçѹ(Ue)/ ¶î¶¨¹¤×÷µçÁ÷(Ie) |
30V DC/6A¡¢230V AC/6A£¬µç×踺ºÉ(½Óµã±£»¤Ê±ÎªÓÕµ¼¸ººÉ)×îСÊÊÓøººÉ£º10mAÒÔÉÏ(24V DC)(×¢2) |
24V DC/1A£¬µç×踺ºÉ(½Óµã±£»¤Ê±ÎªÓÕµ¼¸ººÉ)×îСÊÊÓøººÉ£º15mAÒÔÏÂ(24V DC) |
30V DC/4A¡¢230V AC/4A£¬µç×踺ºÉ(½Óµã±£»¤Ê±ÎªÓÕµ¼¸ººÉ)×îСÊÊÓøººÉ£º10mAÒÔÉÏ(24V DC)(×¢2) |
| ½Óµã²ÄÖÊ/½Óµã |
ÒøÑõ»¯Îý(AgSnO)£¬×Ô¶¯ÇåÏ´£¬ÕýÆô¶¯ |
ÄøÒø(AgNiO)£«0.2 mAu(¶Æ½ð)£¬×Ô¶¯ÇåÏ´£¬ÕýÆô¶¯ |
ÒøÑõ»¯Îý(AgSnO)£¬×Ô¶¯ÇåÏ´£¬ÕýÆô¶¯ |
| ½Óµãµç×è |
100m¦¸ÒÔÏÂ(³õʼֵ) |
50m¦¸ÒÔÏÂ(³õʼֵ) |
100m¦¸ÒÔÏÂ(³õʼֵ) |
| ½Óµã±£ÏÕË¿ |
6A(ÂýÁ÷) |
3A(ÂýÁ÷) |
4A(ÂýÁ÷) |
| »úеÊÙÃü |
1,000Íò´ÎÒÔÉÏ(ת»»ÆµÂÊ180´Î/·ÖÖÓ)(×¢3) |
| µç×ÓÊÙÃü |
10Íò´ÎÒÔÉÏ(ת»»ÆµÂÊ20´Î/·ÖÖÓ£¬230V AC/3A£¬µç×踺ºÉ)(×¢3) |
| ¹¤×÷ʱ¼ä(×Ô¶¯¸´¹é/ÊÖ¶¯¸´¹é) |
80msÒÔÏÂ/90msÒÔÏÂ |
30msÒÔÏÂ/30msÒÔÏÂ |
80msÒÔÏÂ/90msÒÔÏÂ |
| ·´Ó¦Ê±¼ä(¸´¹éʱ¼ä) |
|
|
|
| ¸¨ÖúÊä³ö |
°²È«¼ÌµçÆ÷½Óµã(NC½Óµã)¡Á1(41-42)(Ëæ°²È«Êä³ö¶ø¶¯) |
°²È«¼ÌµçÆ÷½Óµã(NC½Óµã)¡Á1(31-32)(Ëæ°²È«Êä³ö¶ø¶¯) |
°²È«¼ÌµçÆ÷½Óµã(NC½Óµã)¡Á1(41-42)(Ëæ°²È«Êä³ö¶ø¶¯) |
| ¶î¶¨¹¤×÷µçѹ/¹¤×÷µçÁ÷ |
24V DC/2A£¬Î¢µçÁ÷£º10mAÒÔÉÏ(24V DC) |
30V DC/3A£¬×îСÊÊÓøººÉ£º15mAÒÔÏÂ(24V DC) |
24V DC/2A£¬Î¢µçÁ÷£º10mAÒÔÉÏ(24V DC) |
½Óµã±£ÏÕË¿ |
2A(ÂýÁ÷) |
3A(ÂýÁ÷) |
2A(ÂýÁ÷) |
| °ëµ¼Ì帨ÖúÊä³ö(AUX) |
¡´¸º¼«½ÓµØ(PNPʱÉ趨)¡µ ¡¤×î´óÔ´µçÁ÷£º60mA ¡¤Íâ¼Óµçѹ£ºÍ¬µçÔ´µçѹ (°ëµ¼Ì帨ÖúÊä³öºÍ£«V¼ä) ¡¤Ê£Óàµçѹ£º2.3VÒÔÏ (Ô´µçÁ÷Ϊ60mAʱ) ¡¤Â©³öµçÁ÷£º2mAÒÔÏ |
¡´Õý¼«½ÓµØ(NPNʱÉ趨)¡µ ¡¤×î´óÁ÷ÈëµçÁ÷£º60mA ¡¤Íâ¼Óµçѹ£ºÍ¬µçÔ´µçѹ (°ëµ¼Ì帨ÖúÊä³öºÍ0V¼ä) ¡¤Ê£Óàµçѹ£º1.5VÒÔÏ (Á÷ÈëµçÁ÷Ϊ60mAʱ) ¡¤Â©³öµçÁ÷£º2mAÒÔÏ | |
£ |
PNP¿ªÂ·¼¯µç¼«¾§Ìå¹Ü ¡¤×î´óÔ´µçÁ÷£º60mA ¡¤Íâ¼Óµçѹ£ºÍ¬µçÔ´µçѹ (°ëµ¼Ì帨ÖúÊä³öºÍ£«V¼ä) ¡¤Ê£Óàµçѹ£º2.3VÒÔÏÂ(Ô´µçÁ÷Ϊ60mAʱ) ¡¤Â©³öµçÁ÷£º2mAÒÔÏ |
| Êä³ö¹¤×÷ |
Ëæ¹âÄ»´«¸ÐÆ÷¸¨ÖúÊä³ö±ä»¯ |
£ |
¹âÄ»´«¸ÐÆ÷ÕÚ¹âʱON |
| ¹ýÁ¿µçѹÖÖÀà |
£ |
Ö¸ ʾ µÆ |
µç Ô´(Ui) |
ÂÌÉ«LED(½ÓͨµçԴʱÁÁÆð) |
| °²È«Êä³ö£ÛOUT(×¢4)£Ý |
ÂÌÉ«LED(°²È«Êä³ö¡°¹Ø±Õ¡±Ê±ÁÁÆð) |
| Áª Ëø(INTER_LOCK) |
»ÆÉ«LED(°²È«Êä³ö¡°´ò¿ª¡±Ê±ÁÁÆð) |
£ |
»ÆÉ«LED(°²È«Êä³ö¡°´ò¿ª¡±Ê±ÁÁÆð) |
| |
´í Îó(FAULT) |
»ÆÉ«LED(·¢Éú´íÎóʱÉÁ˸) |
³ÈÉ«LED(2¸ö¹âÄ»´«¸ÐÆ÷ÊäÈ뼫ÐÔÑ¡Ôñ¿ª¹ØÉ趨²»Í¬Ê±ÁÁÆð) |
»ÆÉ«LED(·¢Éú´íÎóʱÉÁ˸) |
| Íⲿ¼ÌµçÆ÷¼à¿Ø¹¦ÄÜ |
×°±¸ |
×°±¸(×¢5) |
×°±¸ |
| ¸ú×Ùȱ¿Ú¹¦ÄÜ |
×°±¸ |
| ¼«ÐÔÑ¡Ôñ¹¦ÄÜ |
×°¡¡±¸(¿ÉÓû¬¶¯¿ª¹ØÑ¡ÔñÕý¼«/¸º¼«½ÓµØ) ¸º¼«½ÓµØ£º¶ÔÓ¦PNPÊä³ö¹âÄ»´«¸ÐÆ÷ Õý¼«½ÓµØ£º¶ÔÓ¦NPNÊä³ö¹âÄ»´«¸ÐÆ÷ |
×°¡¡±¸(¿Éͨ¹ý½ÓÏß´¦ÀíÑ¡ÔñÕý¼«/¸º¼«½ÓµØ) ¸º¼«½ÓµØ£º¶ÔÓ¦PNPÊä³ö¹âÄ»´«¸ÐÆ÷ Õý¼«½ÓµØ£º¶ÔÓ¦NPNÊä³ö¹âÄ»´«¸ÐÆ÷ |
| ÎÛȾ³Ì¶È |
2 |
»· ¾³ ÐÔ ÄÜ |
±£»¤¹¹Ôì |
Íâ¿Ç£ºIP40£¬¶Ë×Ó£ºIP20 |
IP65 |
Íâ¿Ç£ºIP40£¬¶Ë×Ó£ºIP20 |
| ÖÜΧÎÂ¶È |
£10¡«£«55¡ãC(×¢Òâ²»¿É½á¶¡¢½á±ù)£¬´æ´¢£º£25¡«£«70¡ãC |
| ÖÜΧʪ¶È |
30¡«85%RH£¬´æ´¢£º30¡«95%RH |
35¡«85%RH£¬´æ´¢£º35¡«85%RH |
30¡«85%RH£¬´æ´¢£º30¡«95%RH |
| ÄÍÕñ¶¯ |
ƵÂÊ/¹ÊÕÏ£º10¡«55Hz£¬Ë«Õñ·ù£º0.35mm £¬X£¬YºÍZ¸÷·½Ïò20´Î |
ƵÂÊ£º10¡«55Hz£¬Ë«Õñ·ù£º0.75mm £¬X£¬YºÍZ¸÷·½Ïò2Сʱ |
ƵÂÊ/¹ÊÕÏ£º10¡«55Hz£¬Ë«Õñ·ù£º0.35mm £¬X£¬YºÍZ¸÷·½Ïò20´Î |
| Á¬½Ó¶Ë×Ó |
µ¯´¥·ÖÀëʽ±ê×¼¶Ë×Ó |
Å·ÖÞÐͶË×Ó |
µ¯´¥¶Ë×Ó |
| Íâ¿Ç²ÄÖÊ |
ABS |
ѹÖýÂÁ |
ABS |
| ÖØ Á¿ |
Ö÷ÌåÖØÁ¿£ºÔ¼320g |
Ö÷ÌåÖØÁ¿£ºÔ¼1kg |
Ö÷ÌåÖØÁ¿£ºÔ¼200g |
×¢£º 1) ÔÚδָ¶¨µÄ²â¶¨Ìõ¼þÏ£¬ÖÜΧζȣ½£«20¡ãC¡£ 2) ¶à¸öSF-C11»òSF-C13²¢ÅÅʹÓÃʱ£¬Ç뽫װÖõļä¸ô¿ØÖÆÔÚ5mmÒÔÉÏ¡£Ìù½ü°²×°Ê±£¬ÖÜΧζÈÓ밲ȫÊä³öµÄ¶î¶¨µçÁ÷µÄ¹ØÏµÇë²ÎÔÄÓÒͼ¡£ 3) ¼ÌµçÆ÷ÊÙÃüÒò¸ººÉµÄÖÖÀࡤת»»ÆµÂÊ¡¤ÖÜΧ»·¾³¶øÒì¡£ 4) SF-C12Ö÷ÌåÉϵıê¼ÇΪ¡°Enabling¡±¡£ 5) ±¸ÓÐÄÜÀûÓÃSF4BϵÁи÷¹¦ÄܵĶË×Ó¡£ |
¡´SF-C11Ìù½ü°²×°Ê±µÄµÝ¼õͼ¡µ
 |
¡´SF-C13Ìù½ü°²×°Ê±µÄµÝ¼õͼ¡µ
 |
| ÐͺŠ|
SF-C14EX |
| ¿ÉÁ¬½ÓµÄ¹âÄ»´«¸ÐÆ÷ |
SF4BϵÁÐ |
| ÊÊÓñê×¼ |
IEC 61496-1¡¢UL 61496-1¡¢EN 61496-1¡¢JIS B 9704-1 |
| ¿ØÖÆÖÖÀà |
ISO 13849-1£¨EN 954-1¡¢JIS B 9705-1£©·ûºÏ×î¸ß4Àà±ê×¼ |
| µçÔ´µçѹ |
24V DC¡À10%¡¡Âö¶¯P-P10%ÒÔÏ |
| ÏûºÄµçÁ÷ |
0.2AÒÔÏÂ(¹âÄ»´«¸ÐÆ÷¼°ÆäËüÍⲿÁ¬½ÓÉ豸³ýÍâ) |
°²È«Êä³ö (°²È«Êä³ö1 °²È«Êä³ö2 °²È«Êä³ö3) |
PNP¿ªÂ·¼¯µç¼«¾§Ìå¹Ü2Êä³ö¡Á3/NPN¿ªÂ·¼¯µç¼«¾§Ìå¹Ü2Êä³ö¡Á3(¿ÉÀûÓÃÇл»¿ª¹ØÇл»)
<Ñ¡ÔñPNPÊä³öʱ> ¡¤×î´óÔ´µçÁ÷£º200mAÒÔÏ ¡¤Íâ¼Óµçѹ:ͬµçÔ´µçѹ(°²È«Êä³ö-£«V¼ä) ¡¤Ê£Óàµçѹ£º2VÒÔÏÂ(Ô´µçÁ÷200mAʱ) |
<Ñ¡ÔñNPNÊä³öʱ> ¡¤×î´óÁ÷ÈëµçÁ÷£º200mAÒÔÏ ¡¤Íâ¼Óµçѹ:ͬµçÔ´µçѹ(°²È«Êä³ö-0V¼ä) ¡¤Ê£Óàµçѹ£º2VÒÔÏÂ(Á÷ÈëµçÁ÷200mAʱ) | |
¹¤×÷ģʽ (Êä³ö¹¤×÷) |
°²È«Êä³ö1£º¹âÄ»´«¸ÐÆ÷Èë¹âʱON£¬¹âÄ»´«¸ÐÆ÷ÕÚ¹âʱOFF(×¢3) °²È«Êä³ö2£º¹âÄ»´«¸ÐÆ÷Èë¹âʱ»òÆÁ±Î¹¦ÄÜÓÐЧʱON£¬ ¹âÄ»´«¸ÐÆ÷ÕÚ¹âʱ»òÆÁ±Î¹¦ÄÜÎÞЧʱOFF(×¢3) °²È«Êä³ö3£º½ô¼±Í£Ö¹¹¦ÄÜÎÞЧʱON£¬½ô¼±Í£Ö¹¹¦ÄÜÓÐЧʱOFF |
| ±£»¤µç· (¶Ì·±£»¤) |
×°±¸ |
| ÏìӦʱ¼ä |
OFFÏìÓ¦£º14msÒÔÏÂ(°²È«Êä³ö1¡¢2°üÀ¨¹âÄ»´«¸ÐÆ÷µÄÏìӦʱ¼ä) ONÏìÓ¦£º90msÒÔÏÂ(×Ô¶¯¸´Î»)/140msÒÔÏÂ(ÊÖ¶¯¸´Î»)(×¢4) |
¸¨ÖúÊä³ö(·Ç°²È«Êä³ö) ¸¨ÖúÊä³ö1 ¸¨ÖúÊä³ö2 ¸¨ÖúÊä³ö3 ¸¨ÖúÊä³ö4(×¢5) |
PNP¿ªÂ·¼¯µç¼«¾§Ìå¹Ü¡Á3/NPN¿ªÂ·¼¯µç¼«¾§Ìå¹Ü¡Á3(¿ÉÀûÓÃÇл»¿ª¹ØÇл»)
<Ñ¡ÔñPNPÊä³öʱ> ¡¤×î´óÔ´µçÁ÷£º60mAÒÔÏ ¡¤Íâ¼Óµçѹ:ͬµçÔ´µçѹ(¸¨ÖúÊä³ö-£«V¼ä) ¡¤Ê£Óàµçѹ£º2VÒÔÏÂ(Ô´µçÁ÷60mAʱ) |
<Ñ¡ÔñNPNÊä³öʱ> ¡¤×î´óÁ÷ÈëµçÁ÷£º60mAÒÔÏ ¡¤Íâ¼Óµçѹ:ͬµçÔ´µçѹ(¸¨ÖúÊä³ö-0V¼ä) ¡¤Ê£Óàµçѹ£º2VÒÔÏÂ(Á÷ÈëµçÁ÷60mAʱ) | |
| ¹¤×÷ģʽ (Êä³ö¹¤×÷) |
¸¨ÖúÊä³ö1£ºÆÁ±Î¹¦ÄÜÎÞЧʱON£¬ÆÁ±Î¹¦ÄÜÓÐЧʱOFF ¸¨ÖúÊä³ö2£º³¬³Ì¹¦ÄÜÎÞЧʱON£¬³¬³Ì¹¦ÄÜÓÐЧʱOFF ¸¨ÖúÊä³ö3£ºÆÁ±ÎָʾµÆÕý³£Ê±ON£¬ÆÁ±ÎָʾµÆÒ쳣ʱOFF ¸¨ÖúÊä³ö4£º¹âÄ»´«¸ÐÆ÷ÕÚ¹âʱON£¬¹âÄ»´«¸ÐÆ÷Èë¹âʱOFF(×¢5) |
| ±£»¤µç·(¶Ì·±£»¤) |
×°±¸ |
| ÆÁ±ÎָʾµÆÊä³ö |
¿ÉÓÃÆÁ±ÎָʾµÆ£º24V DC¡¢3.6W¡«30W(L1¡¢L2Á½¸ö) |
| ±£»¤µç· (¶Ì·±£»¤) |
×°±¸ |
»· ¾³ ÐÔ ÄÜ |
±£»¤¹¹Ôì |
Íâ¿Ç²¿£ºIP40£¬¶Ë×Ó²¿£ºIP20 |
| ÖÜΧÎÂ¶È |
£10¡«£«55¡æ(×¢Òâ²»¿É½á¶¡¢½á±ù)£¬´æ´¢Ê±£º£25¡«£«70¡æ |
| ÖÜΧʪ¶È |
30¡«85%RH¡¢´æ´¢Ê±£º30¡«95%RH |
| Ä͵çѹ |
AC1,000V 1·ÖÖÓ ËùÓдøµçÁ¬½Ó¶Ë×ÓºÍÍâ¿ÇÖ®¼ä |
| ¾øÔµµç×è |
20M¦¸ÒÔÉÏ£¬»ùÓÚDC500VµÄ¸ß×è±í ËùÓдøµçÁ¬½Ó¶Ë×ÓºÍÍâ¿ÇÖ®¼ä |
| ÄÍÕñ¶¯ |
ƵÂÊ£º10¡«55Hz Ë«Õñ·ù£º0.35mm X£¬YºÍZ·½Ïò¸÷2Сʱ |
| Äͳå»÷ |
¼ÓËÙ¶È£º30G X£¬YºÍZ·½Ïò¸÷3´Î |
| ²ÄÖÊ |
Íâ¿Ç£ºABS |
| Á¬½Ó¶Ë×Ó |
¿É×°²ðµ¯»Éѹ½ô¶Ë×Ó |
| ÖØÁ¿ |
±¾ÌåÖØÁ¿£ºÔ¼250g | ×¢£º 1) ÔÚδָ¶¨µÄ²âÁ¿Ìõ¼þÏ£¬ÖÜΧζȣ½+20¡æ¡£ 2) ½ô¼±Í£Ö¹¹¦ÄÜÓÐЧʱ£¬ÎÞÂÛ¹âÄ»´«¸ÐÆ÷´¦ÓÚÈë¹â»¹ÊÇÕÚ¹â״̬£¬°²È«Êä³ö1¡¢2¾ùΪOFF¡£ 3) °²È«Êä³ö3ģʽÏ£¬²»ÄÜʹÓÃ×Ô¶¯¸´Î»¡£ 4) Ö´ÐÐSF4BϵÁÐÄÚÖõĸ¨ÖúÊä³ö¡£
ÊÖ¶¯¿ØÖÆÆ÷
| ÐÍ ºÅ |
SFB-HC |
| µçÔ´µçѹ |
24V DC¡À10% Âö¶¯P-P10%ÒÔÏÂ(¹âÄ»´«¸ÐÆ÷µçԴͨÓÃ) |
| ÏûºÄµçÁ÷ |
65mAÒÔÏÂ |
| ½»Á÷·½Ê½ |
RS-485Á½Â·Í¨ÐÅ(ÌØ¶¨³ÌÐò) |
| Êý×ÖÏÔʾ |
4λºìÉ«LEDÏÔʾ¡Á2(ÏÔʾѡ¶¨µÄ¹âÖᣬÉèÖÃÄÚÈݵÈ) |
| FUNCTIONָʾµÆ |
ÂÌÉ«LED¡Á9(¹¦ÄÜÉ趨ʱÁÁÆð) |
| ¹¦ÄÜ |
¹Ì¶¨ÏûÒþ¹¦ÄÜ(ÔËÔØ°²×°×´¿ö£ºÎÞЧ)/²»¹Ì¶¨ÏûÒþ¹¦ÄÜ(ÔËÔØ°²×°×´¿ö£ºÎÞЧ)/ ¸¨ÖúÊä³öÇл»¹¦ÄÜ(ÔËÔØ°²×°×´¿ö£ºOSSD·ñ¶¨Âß¼)/Ͷ¹âÁ¿¿ØÖƹ¦ÄÜ(ÔËÔØ°²×°×´¿ö£ºÎÞЧ)/ ÆÁ±ÎÉ趨±ä¸ü¹¦ÄÜ(ÔËÔØ°²×°×´¿ö£ºÈ«¹âÖáÓÐЧ£¬A=B)/ ÁªËøÉ趨±ä¸ü¹¦ÄÜ(ÔËÔØ°²×°×´¿ö£ºÆð¶¯/ÖØÆð¶¯)/ ÍⲿÉ豸¼à¿ØÉ趨±ä¸ü¹¦ÄÜ(ÔËÔØ°²×°×´¿ö£ºÓÐЧ£¬300ms)/É趨ÄÚÈÝ¼à¿Ø¹¦ÄÜ/ ±£»¤¹¦ÄÜ(ÔËÔØ°²×°×´¿ö£ºÎÞЧ)(ÔËÔØÔ¤ÖÃÃÜÂëΪ£º0000)/³õʼ»¯¹¦ÄÜ/¸´Öƹ¦ÄÜ |
| ÖÜΧÎÂ¶È |
£10¡«£«55¡ãC(×¢Òâ²»¿É½á¶¡¢½á±ù)£¬´æ´¢£º£25¡«£«70¡ãC |
| ÖÜΧʪ¶È |
30¡«85%RH£¬´æ´¢£º30¡«85%RH |
| Ä͵çѹ |
1£¬000V AC 1·ÖÖÓ£¬ËùÓеçÔ´Á¬½Ó¶Ë×ÓÓëÍâ¿ÇÖ®¼ä |
| ¾øÔµµç×è |
ËùÓеçÔ´Á¬½Ó¶Ë×ÓÓëÍâ¿ÇÖ®¼ä20M¦¸ÒÔÉÏ£¬»ùÓÚDC500VµÄ¸ß×è±í |
| µçÀ |
8оÆÁ±ÎµçÀÂ(2¸ù)£¬Ò»¶ËÓÐÁ¬½ÓÆ÷£¬³¤0.5m |
| ÖØÁ¿ |
Ö÷ÌåÖØÁ¿£ºÔ¼200g |
| ¸½¼þ |
±ä»»µçÀ£º2¸ù | ×¢£º1) ÔÚδָ¶¨µÄ²â¶¨Ìõ¼þÏ£¬ÖÜΧζÈ=£«20¡ãC¡£
¼¤¹â¹âÖá¶ÔÆëÆ÷
| ÐͺŠ|
SF-LAT-2N |
| µçÔ´µçѹ |
3V(5ºÅ¸Éµç³Ø¡Á2¸ö) |
| µç³Ø |
1.5V(5ºÅ¸Éµç³Ø)¡Á2¸ö(¿ÉÌæ»») |
| µç³ØÊÙÃü |
Ô¼10Сʱ³ÖÐø¹©µç(ÃÌµç³Ø£¬ÖÜΧζȣ«25¡ãCʱ) |
| Ͷ¹â¶þ¼«Ìå |
ºìÉ«°ëµ¼Ì弤¹â£º2¼¶(IEC£¯JIS)(×î´óÊä³ö£º1mW£¬Í¶¹â²¨·å²¨³¤£º650nm) |
| ¹âµãÖ±¾¶ |
Ô¼10mm(¾àÀëΪ5mʱ) |
| ÖÜΧÎÂ¶È |
0¡«£«40¡ãC(²»¿É½á¶)£¬´æ´¢£º0¡«£«55¡ãC |
| ÖÜΧʪ¶È |
35¡«85%RH£¬´æ´¢£º35¡«85%RH |
| ²ÄÖÊ |
Íâ¿Ç£ºABS£¬°²×°²¿¼þ£ºÂÁ |
| ÖØÁ¿ |
Ö÷ÌåÖØÁ¿£ºÔ¼200g(°üÀ¨µç³Ø) |
| ¸½¼þ |
5ºÅ¸Éµç³Ø£º2¸ö | ×¢£º1) ÔÚδָ¶¨µÄ²â¶¨Ìõ¼þÏ£¬ÖÜΧζÈ=£«20¡ãC¡£
I/Oµç·ͼºÍÏß·ͼ
I/Oµç·ͼ
 ×¢£º1)ÉÏͼʹÓõÄÊÇ12оµçÀ¡£Ê¹ÓÃ8оµçÀÂʱûÓкìÉ«¡¢»ÆÉ«¡¢»ÒÉ«¡¢»ÒÉ«/ºÚÉ«¡¢µÀ¶É«/°×É«¡¢µÀ¶É«/ºÚÉ«ÒýÏß¡£ |
¡ùS1
¿ª¹ØS1 ¡¤Í¶¹âÍ£Ö¹ÊäÈë/¸´¹éÊäÈë ÊÖ¶¯¸´¹é Vs¡«Vs£2.5V(Á÷ÈëµçÁ÷£º5mAÒÔÏÂ)£ºÍ¶¹âÍ£Ö¹(×¢1) ¿ªÂ·£ºÍ¶¹â ×Ô¶¯¸´¹é Vs¡«Vs£2.5V(Á÷ÈëµçÁ÷£º5mAÒÔÏÂ)£ºÍ¶¹â(×¢1) ¿ªÂ·£ºÍ¶¹âÍ£Ö¹ ¡¤ÁªËøÉ趨ÊäÈë¡¢¹ýÔØÊäÈë¡¢ÆÁ±ÎÊäÈëA/B¡¢ÍⲿÉ豸¼à¿ØÊäÈëVs¡«Vs£2.5V(Á÷ÈëµçÁ÷£º5mAÒÔÏÂ)£ºÓÐЧ(×¢1) ¿ªÂ·£ºÎÞЧ
×¢£º 1)VsΪʹÓÃÖеĵçÔ´µçѹ¡£ 2)¿ª¹ØS1¿ÉÒÔÁ¬½Ó¡°£«V¡±»ò¡°0V¡±¡£ÉÏͼÁ¬½ÓµÄÊÇ¡°£«V¡±¡£ |
 ×¢£º1)ÉÏͼʹÓõÄÊÇ12оµçÀ¡£Ê¹ÓÃ8оµçÀÂʱûÓкìÉ«¡¢»ÆÉ«¡¢»ÒÉ«¡¢»ÒÉ«/ºÚÉ«¡¢µÀ¶É«/°×É«¡¢µÀ¶É«/ºÚÉ«ÒýÏß¡£ |
¡ùS1
¿ª¹ØS1 ¡¤Í¶¹âÍ£Ö¹ÊäÈë/¸´¹éÊäÈë ÊÖ¶¯¸´¹é 0¡«£«1.5V(Ô´µçÁ÷£º5mAÒÔÏÂ)£ºÍ¶¹âÍ£Ö¹ ¿ªÂ·£ºÍ¶¹â ×Ô¶¯¸´¹é 0¡«£«1.5V(Ô´µçÁ÷£º5mAÒÔÏÂ)£ºÍ¶¹â ¿ªÂ·£ºÍ¶¹âÍ£Ö¹ ¡¤ÁªËøÉ趨ÊäÈë¡¢¹ýÔØÊäÈë¡¢ÆÁ±ÎÊäÈëA/B¡¢ÍⲿÉ豸¼à¿ØÊäÈë0¡«£«1.5V(Ô´µçÁ÷£º5mAÒÔÏÂ)£ºÓÐЧ ¿ªÂ·£ºÎÞЧ
×¢£º1)¿ª¹ØS1¿ÉÒÔÁ¬½Ó¡°£«V¡±»ò¡°0V¡±¡£ÉÏͼÁ¬½ÓµÄÊÇ¡°0V¡±¡£ |
Á¬½ÓʾÀý»ù±¾¹¹³É(8оµçÀÂ)£ºÁªËø¹¦ÄÜ¡°ÓÐЧ(ÊÖ¶¯¸´¹é)¡±£¬ÍⲿÉ豸¼à¿Ø¹¦ÄÜ¡°ÓÐЧ¡±
 ¡ùS1 ¿ª¹ØS1 ¡¤Í¶¹âÍ£Ö¹ÊäÈë/¸´¹éÊäÈë ÊÖ¶¯¸´¹é Vs¡«Vs£2.5V(Á÷ÈëµçÁ÷£º5mAÒÔÏÂ)£ºÍ¶¹âÍ£Ö¹(×¢1) ¿ªÂ·£ºÍ¶¹â ×Ô¶¯¸´¹é Vs¡«Vs£2.5V(Á÷ÈëµçÁ÷£º5mAÒÔÏÂ)£ºÍ¶¹â(×¢1) ¿ªÂ·£ºÍ¶¹âÍ£Ö¹ ×¢£º1) VsΪʹÓÃÖеĵçÔ´µçѹ¡£ |
×óͼËùʾΪʹÓÃPNPÊä³ö£¬ÇÒÁªËø¹¦ÄÜ¡°ÓÐЧ(ÊÖ¶¯¸´¹é)¡±£¬ ÍⲿÉ豸¼à¿Ø¹¦ÄÜ¡°ÓÐЧ¡±Ê±µÄÇé¿ö¡£ ÁªËø¹¦ÄÜ¡°ÎÞЧ(×Ô¶¯¸´¹é)¡±Ê±
 ÍⲿÉ豸¼à¿Ø¹¦ÄÜ¡°ÎÞЧ¡±Ê±

¡ù¹ØÓÚÍⲿÉ豸¼à¿Ø¹¦ÄÜ£¬Çë²ÎÔÄPDF P.32¡£ |
 ¡ùS1 ¿ª¹ØS1 ¡¤Í¶¹âÍ£Ö¹ÊäÈë/¸´¹éÊäÈë ÊÖ¶¯¸´¹é 0¡«£«1.5V(Ô´µçÁ÷£º5mAÒÔÏÂ)£ºÍ¶¹âÍ£Ö¹ ¿ªÂ·£ºÍ¶¹â ×Ô¶¯¸´¹é 0¡«£«1.5V(Ô´µçÁ÷£º5mAÒÔÏÂ)£ºÍ¶¹â ¿ªÂ·£ºÍ¶¹âÍ£Ö¹ |
×óͼËùʾΪʹÓÃNPNÊä³ö£¬ÇÒÁªËø¹¦ÄÜ¡°ÓÐЧ(ÊÖ¶¯¸´¹é)¡±£¬ ÍⲿÉ豸¼à¿Ø¹¦ÄÜ¡°ÓÐЧ¡±Ê±µÄÇé¿ö¡£ ÁªËø¹¦ÄÜ¡°ÎÞЧ(×Ô¶¯¸´¹é)¡±Ê±
 ÍⲿÉ豸¼à¿Ø¹¦ÄÜ¡°ÎÞЧ¡±Ê±

¡ù¹ØÓÚÍⲿÉ豸¼à¿Ø¹¦ÄÜ£¬Çë²ÎÔÄPDF P.32¡£ |
Á¬½ÓʾÀýÆÁ±Î¿ØÖƹ¹³É(12оµçÀ¡¤¸½´ø·À¸ÉÈÅÏß)£ºÁªËø¹¦ÄÜ¡°ÎÞЧ(×Ô¶¯¸´¹é)¡±£¬ÍⲿÉ豸¼à¿Ø¹¦ÄÜ¡°ÎÞЧ¡±
¡ùS1 ¿ª¹ØS1 ¡¤Í¶¹âÍ£Ö¹ÊäÈë/¸´¹éÊäÈë ÊÖ¶¯¸´¹é Vs¡«Vs£2.5V(Á÷ÈëµçÁ÷£º5mAÒÔÏÂ)£ºÍ¶¹âÍ£Ö¹(×¢1)£¬¿ªÂ·£ºÍ¶¹â ×Ô¶¯¸´¹é Vs¡«Vs£2.5V(Á÷ÈëµçÁ÷£º5mAÒÔÏÂ)£ºÍ¶¹â(×¢1)£¬¿ªÂ·£ºÍ¶¹âÍ£Ö¹ ¡¤¹ýÔØÊäÈë¡¢ÆÁ±ÎÊäÈëA/B¡¢ÍⲿÉ豸¼à¿ØÊäÈë Vs¡«Vs£2.5V(Á÷ÈëµçÁ÷£º5mAÒÔÏÂ)£ºÓÐЧ(×¢1)£¬¿ªÂ·£ºÎÞЧ ×¢£º1) VsΪʹÓÃÖеĵçÔ´µçѹ¡£ |
×óͼËùʾΪʹÓÃPNPÊä³ö£¬ÇÒÁªËø¹¦ÄÜ¡°ÎÞЧ(×Ô¶¯¸´¹é)¡±£¬ ÍⲿÉ豸¼à¿Ø¹¦ÄÜ¡°ÎÞЧ¡±Ê±µÄÇé¿ö¡£ ÁªËø¹¦ÄÜ¡°ÓÐЧ(ÊÖ¶¯¸´¹é)¡±Ê± ¡¤ÁªËø¹¦ÄÜ¡°ÓÐЧ(ÊÖ¶¯¸´¹é)¡±Ê±£¬¹ýÔØ¹¦Äܲ»ÄÜʹÓá£
 ¡ù¹ØÓÚÁªËø¹¦ÄÜ£¬Çë²ÎÔÄP.31¡£
ÍⲿÉ豸¼à¿Ø¹¦ÄÜ¡°ÓÐЧ¡±Ê±

¡ù¹ØÓÚÍⲿÉ豸¼à¿Ø¹¦ÄÜ£¬Çë²ÎÔÄPDF P.31¡£ |
¿ª¹ØS1 ¡¤Í¶¹âÍ£Ö¹ÊäÈë/¸´¹éÊäÈë ÊÖ¶¯¸´¹é 0¡«£«1.5V(Ô´µçÁ÷£º5mAÒÔÏÂ)£ºÍ¶¹âÍ£Ö¹£¬¿ªÂ·£ºÍ¶¹â ×Ô¶¯¸´¹é 0¡«£«1.5V(Ô´µçÁ÷£º5mAÒÔÏÂ)£ºÍ¶¹â£¬¿ªÂ·£ºÍ¶¹âÍ£Ö¹ ¡¤¹ýÔØÊäÈë¡¢ÆÁ±ÎÊäÈëA/B¡¢ÍⲿÉ豸¼à¿ØÊäÈë 0¡«£«1.5V(Ô´µçÁ÷£º5mAÒÔÏÂ)£ºÓÐЧ£¬¿ªÂ·£ºÎÞЧ |
×óͼËùʾΪʹÓÃNPNÊä³ö£¬ÇÒÁªËø¹¦ÄÜ¡°ÎÞЧ(×Ô¶¯¸´¹é)¡±£¬ ÍⲿÉ豸¼à¿Ø¹¦ÄÜ¡°ÎÞЧ¡±Ê±µÄÇé¿ö¡£ ÁªËø¹¦ÄÜ¡°ÓÐЧ(ÊÖ¶¯¸´¹é)¡±Ê± ¡¤ÁªËø¹¦ÄÜ¡°ÓÐЧ(ÊÖ¶¯¸´¹é)¡±Ê±£¬¹ýÔØ¹¦Äܲ»ÄÜʹÓá£
 ¡ù¹ØÓÚÁªËø¹¦ÄÜ£¬Çë²ÎÔÄPDFP.31¡£
ÍⲿÉ豸¼à¿Ø¹¦ÄÜ¡°ÓÐЧ¡±Ê±

¡ù¹ØÓÚÍⲿÉ豸¼à¿Ø¹¦ÄÜ£¬Çë²ÎÔÄPDF P.32¡£ |
SF-C11
PNPÊä³ö(, ¸º¼«½ÓµØ)ÐÍ ¡¤½«¹âÄ»´«¸ÐÆ÷ÊäÈ뼫ÐÔÑ¡Ôñ¿ª¹ØÉ趨ÓÚPNPÒ»²à£¬²¢½«0V½ÓµØ¡£
 ×¢£º1) ÉÏͼΪÊÖ¶¯¸´¹éʱµÄÇé¿ö¡£Ê¹ÓÃ×Ô¶¯¸´¹éʱ£¬Ç뽫X2 ÓëX3Á¬½Ó¡£´Ëʱ£¬ÎÞÐ踴¹é(RESET)°´Å¥¡£ 2) Ç뽫ÔÝʱÐԵĿª¹ØÓÃ×÷¸´¹é(RESET)°´Å¥¡£ 3) ²âÊÔ(TEST)°´Å¥¿ªÂ·Ê±Í¶¹âÍ£Ö¹£¬¶Ì·ʱͶ¹â¡£Èô²»Ê¹ÓÃʱ£¬Ç뽫T1-T2¶Ì·¡£ |
NPNÊä³ö(Õý¼«½ÓµØ)ÐÍ ¡¤½«¹âÄ»´«¸ÐÆ÷ÊäÈ뼫ÐÔÑ¡Ôñ¿ª¹ØÉ趨ÓÚNPNÒ»²à£¬²¢½«µçÔ´ÊäÈëµÄÕý¼«½ÓµØ¡£ | Á¬½Ó±¾²úÆ·ºÍ¹âÄ»´«¸ÐÆ÷ʱ£¬Îñ±ØÊ¹ÓÃÒÔÏÂÆ¥ÅäµçÀ¡£ SFB-CB05(µçÀ³¤¶È£º0.5m)¡¢SFB-CB5(µçÀ³¤¶È£º5m) SFB-CB10(µçÀ³¤¶È£º10m) SFB-CCJ10E(ÓÃÓÚͶ¹âÆ÷ µçÀ³¤¶È£º10m) SFB-CCJ10D(ÓÃÓÚÊܹâÆ÷ µçÀ³¤¶È£º10m)
|
|
|
 |
| ¶Ë×ÓÃû |
˵Ã÷ |
| A1 |
£«24V DC |
| A2 |
0V |
| 13-14¡¢23-24¡¢33-34 |
°²È«Êä³ö(NO½Óµã¡Á3) |
| 41-42 |
¸¨ÖúÊä³ö(NC½Óµã¡Á1) |
| X1 |
¸´¹éÊä³ö¶Ë×Ó |
| X2 |
¸´¹éÊäÈë¶Ë×Ó(ÊÖ¶¯) |
| X3 |
¸´¹éÊäÈë¶Ë×Ó(×Ô¶¯) |
| A |
δʹÓà |
| B |
| T1 |
²âÊÔÊä³ö¶Ë×Ó |
| T2 |
²âÊÔÊäÈë¶Ë×Ó |
| AUX |
°ëµ¼Ì帨ÖúÊä³ö | |
 |
Á¬½ÓÆ÷ ÕëNo. |
Ͷ¹âÆ÷²à Á¬½ÓÆ÷ |
ÊܹâÆ÷²à Á¬½ÓÆ÷ |
| ¢Ù |
ÁªËø |
OSSD2 |
| ¢Ú |
£«24V DC |
£«24V DC |
| ¢Û |
Ͷ¹âÍ£Ö¹ |
OSSD1 |
| ¢Ü |
¸¨ÖúÊä³ö |
EDM (Íⲿ¼ÌµçÆ÷¼à¿ØÆ÷) |
| ¢Ý |
ͬ²½Ïߣ« |
ͬ²½Ïߣ« |
| ¢Þ |
ͬ²½Ïߣ |
ͬ²½Ïߣ |
| ¢ß |
0V |
0V |
| ¢à |
ÆÁ±ÎµçÏß |
ÆÁ±ÎµçÏß | |
SF-C12
PNPÊä³ö(¸º¼«½ÓµØ)ÐÍ ¡¤½«2¸ö¹âÄ»´«¸ÐÆ÷ÊäÈ뼫ÐÔÑ¡Ôñ¿ª¹ØÉ趨ÓÚPNPÒ»²à£¬²¢½«F.G.¶Ë×ÓÁ¬½ÓÖÁµçÔ´ÊäÈë0V¡£
 ×¢£º1) ÉÏͼΪÊÖ¶¯¸´¹éʱµÄÇé¿ö¡£Ê¹ÓÃ×Ô¶¯¸´¹éʱ£¬ÔÚT1-T2¼äÁ¬½Ó³£±ÕÐ͵İ´Å¥¿ª¹Ø£¬²¢´ò¿ªX1-X2¡£
NPNÊä³ö(Õý¼«½ÓµØ)ÐÍ ¡¤½«2¸ö¹âÄ»´«¸ÐÆ÷ÊäÈ뼫ÐÔÑ¡Ôñ¿ª¹ØÉ趨ÓÚNPNÒ»²à£¬²¢½«F.G.¶Ë×ÓÁ¬½ÓÖÁµçÔ´ÊäÈëµÄÕý¼«¡£
Á¬½Ó±¾²úÆ·ºÍ¹âÄ»Á¬½ÓÆ÷ʱ£¬Îñ±ØÊ¹ÓÃÒÔÏÂÆ¥ÅäµçÀ¡£ SFB-CB05-MU(µçÀ³¤¶È£º0.5m) SFB-CCJ10E-MU(ÓÃÓÚͶ¹âÆ÷ ÑÓ³¤µçÀ³¤¶È£º10m) SFB-CCJ10D-MU(ÓÃÓÚÊܹâÆ÷ ÑÓ³¤µçÀ³¤¶È£º10m)

| ¶Ë×ÓÃû |
˵Ã÷ |
| F.G. |
£«24V DC |
| A2 |
0V |
| A1 |
°²È«Êä³ö(NO½Óµã¡Á3) |
| 13-14¡¢23-24 |
¸¨ÖúÊä³ö(NC½Óµã¡Á1) |
| 31-32 |
¸´¹éÊä³ö¶Ë×Ó |
| FB4 |
¸´¹éÊäÈë¶Ë×Ó(ÊÖ¶¯) |
| FB3 |
¸´¹éÊäÈë¶Ë×Ó(×Ô¶¯) |
| FB2 |
²âÊÔÊä³ö¶Ë×Ó |
| FB1 |
²âÊÔÊäÈë¶Ë×Ó |
| ¶Ë×ÓÃû |
˵Ã÷ |
| R+ |
·À¸ÉÈÅÏߣ«(ÊܹâÆ÷²à) |
| R- |
·À¸ÉÈÅÏߣ(ÊܹâÆ÷²à) |
| E+ |
·À¸ÉÈÅÏߣ«((Ͷ¹âÆ÷²à) |
| E- |
·À¸ÉÈÅÏߣ(Ͷ¹âÆ÷²à) |
| T2 |
Ͷ¹âÍ£Ö¹ÊäÈë¶Ë×Ó |
| T1 |
| X2 |
×Ô¶¯¸´¹é/ÊÖ¶¯¸´¹éÑ¡Ôñ¶Ë×Ó ÊÖ¶¯¸´¹é£ºX1-X2¼ä¶Ì· |
| X1 | |

Á¬½ÓÆ÷ ÕëNo. |
Ͷ¹âÆ÷²àÁ¬½ÓÆ÷ |
ÊܹâÆ÷²àÁ¬½ÓÆ÷ |
| ¢Ù |
ÁªËø |
OSSD2 |
| ¢Ú |
£«24V DC |
£«24V DC |
| ¢Û |
Ͷ¹âÍ£Ö¹ |
OSSD1 |
| ¢Ü |
¸¨ÖúÊä³ö |
EDM(Íⲿ¼ÌµçÆ÷¼à¿ØÆ÷) |
| ¢Ý |
ͬ²½Ïߣ« |
ͬ²½Ïߣ« |
| ¢Þ |
ͬ²½Ïߣ |
ͬ²½Ïߣ |
| ¢ß |
0V |
0V |
| ¢à |
ÆÁ±ÎµçÏß |
ÆÁ±ÎµçÏß |
| ¢á |
·À¸ÉÈÅÏߣ« |
·À¸ÉÈÅÏߣ« |
| ¢â |
·À¸ÉÈÅÏߣ |
·À¸ÉÈÅÏߣ |
| ¢Ï |
(ÆÁ±ÎµÆÊä³ö) |
(ÆÁ±ÎµçÏßÊäÈë1) |
| ¢Ð |
(¹ýÔØÊäÈë) |
(ÆÁ±ÎµçÏßÊäÈë2) | |
SF-C13
PNPÊä³ö(¸º¼«½ÓµØ)ÐÍ ¡¤½«¹âÄ»´«¸ÐÆ÷µÄ¿ØÖÆÊä³öOSSD1ºÍOSSD2·Ö±ðÁ¬½ÓÖÁS1¡¢S2¡£
 ×¢£º 1) ÉÏͼΪÊÖ¶¯¸´¹éʱµÄÇé¿ö¡£Ê¹ÓÃ×Ô¶¯¸´¹éʱ£¬Ç뽫X2ÓëX3Á¬½Ó¡£´Ëʱ£¬ÎÞÐ踴¹é(RESET)°´Å¥¡£ 2) Ç뽫ÔÝʱÐԵĿª¹ØÓÃ×÷¸´¹é(RESET)°´Å¥¡£ |

| ¶Ë×ÓÃû |
˵Ã÷ |
| A1 |
£«24V DC |
| A2 |
0V |
| S1¡«S4 |
¹âÄ»´«¸ÐÆ÷¿ØÖÆÊä³ö(OSSD)ÊäÈë¶Ë×Ó |
| AUX |
°ëµ¼Ì帨ÖúÊä³ö |
| X1 |
¸´¹éÊä³ö¶Ë×Ó |
| X2 |
¸´¹éÊäÈë¶Ë×Ó(ÊÖ¶¯) |
| X3 |
¸´¹éÊäÈë¶Ë×Ó(×Ô¶¯) |
13-14¡¢23-24¡¢ 33-34 |
°²È«Êä³ö(NO½Óµã¡Á3) |
| 41-42 |
¸¨ÖúÊä³ö(NC½Óµã¡Á1) | Èô½«¹âÄ»´«¸ÐÆ÷Ò»²à½ÓÏߣ¬ÇëÁíÐÐ×¼±¸¶Ë×Ó×ù¡£ |
NPNÊä³ö(Õý¼«½ÓµØ)ÐÍ ¡¤½«¹âÄ»´«¸ÐÆ÷µÄ¿ØÖÆÊä³öOSSD1ºÍOSSD2·Ö±ðÁ¬½ÓÖÁS4¡¢S2£¬²¢½«Õý¼«½ÓµØ¡£
 ×¢£º1) ÉÏͼΪÊÖ¶¯¸´¹éʱµÄÇé¿ö¡£Ê¹ÓÃ×Ô¶¯¸´¹éʱ£¬Ç뽫X2ÓëX3Á¬½Ó¡£´Ëʱ£¬ÎÞÐ踴¹é(RESET)°´Å¥¡£ ×¢£º2) Ç뽫ÔÝʱÐԵĿª¹ØÓÃ×÷¸´¹é(RESET)°´Å¥¡£ Á¬½ÓSF-C13ºÍ¹âÄ»´«¸ÐÆ÷ʱ£¬Îñ±ØÊ¹ÓÃÒÔÏÂÉ¢ÏßÁ¬½ÓµçÀ¡£ SFB-CCB¡õ(-MU)¡¢SFB-CC¡õ(-MU) |
|
¹æ¸ñ
ÁªËø¹¦ÄÜ
¡¤ÕÚ¹â״̬Ï¿ØÖÆÊä³ö(OSSD1¡¢OSSD2)OFFʱ£¬Èô¸´¹éÐźÅδÊäÈ룬¿ØÖÆÊä³ö½«±£³ÖOFF״̬¡£ ¡¤Í¨¹ýÁªËøÉ趨ÊäÈë(µ×ÏÉ«)½ÓÏߣ¬¿ÉÒÔÑ¡ÔñÁªËøÓÐЧ(ÊÖ¶¯¸´¹é)»¹ÊÇÁªËøÎÞЧ(×Ô¶¯¸´¹é)¡£ |
| ÁªËø¹¦ÄÜ |
¸´¹é¹¦ÄÜ |
ÁªËøÉ趨ÊäÈë(µ×ÏÉ«) |
| ÓÐЧ |
ÊÖ¶¯¸´¹é |
Á¬½Ó0V»ò£«V |
| ÎÞЧ |
×Ô¶¯¸´¹é |
¿ªÂ· | |
¡¤ÕÚ¹â״̬Ï¿ØÖÆÊä³ö(OSSD1¡¢OSSD2)OFFʱ£¬¼´Ê¹ÔÚÈë¹â״̬ϸ´¹é£¬¿ØÖÆÊä³ö(OSSD1¡¢OSSD2)ÈÔΪOFF£¬¶ø²»»á×Ô¶¯×ªÎªON¡£ ÔÚÈë¹â״̬Ï£¬Í¨¹ýÊäÈ븴¹éÐźÅ[Ͷ¹âÍ£Ö¹ÊäÈë/¸´¹éÊäÈë¡°¿ªÂ·¡±¡ú¡°0V»ò£«V¶Ì·¡±¡ú¡°¿ªÂ·¡±]£¬¿ØÖÆÊä³ö(OSSD1¡¢OSSD2)ΪON¡£ (Çë²ÎÔÄPDF P.26¡«Ïß·ͼ¡£) |
<ʱ¼ä±í>
 |
| ¡¤ÔÚÕÚ¹â״̬Ï¿ØÖÆÊä³ö(OSSD1¡¢OSSD2)OFFʱ£¬ÈôÔÚÈë¹â״̬ϸ´¹é£¬Ôò¿ØÖÆÊä³ö×Ô¶¯×ªÎªON¡£ |
 |
ÈôÔÚ×Ô¶¯¸´¹é״̬ÏÂʹÓñ¾É豸£¬°²È«Êä³öÕڶϺó£¬ÇëÓð²È«¼ÌµçÆ÷µÈ·ÀֹϵͳµÄ×Ô¶¯¸´¹é¡£(¸ù¾ÝEN 60204-1)
Ͷ¹âÍ£Ö¹¹¦ÄÜ
| ¡¤ÊÇָʹͶ¹âÆ÷µÄͶ¹â¹¤×÷Í£Ö¹µÄ¹¦ÄÜ¡£Í¶¹âÍ£Ö¹ÊäÈë/¸´¹éÊäÈë(·ÛºìÉ«)״̬Ï£¬¿ÉÒÔÑ¡ÔñͶ¹â/Ͷ¹âÍ£Ö¹¡£ |
| ÁªËø¹¦ÄܵÄÉ趨״̬ |
Ͷ¹âÍ£Ö¹ÊäÈë/¸´¹éÊäÈë |
Ͷ¹â״̬ |
| ÓÐЧ(ÊÖ¶¯¸´¹é) |
¿ªÂ· |
Ͷ¹â |
| Á¬½Ó0V»ò+V |
Ͷ¹âÍ£Ö¹ |
|
ÎÞЧ(×Ô¶¯¸´¹é) |
¿ªÂ· |
Ͷ¹âÍ£Ö¹ |
| Á¬½Ó0V»ò+V |
Ͷ¹â | |
¡¤Í¶¹âÍ£Ö¹ÖУ¬¿ØÖÆÊä³ö(OSSD1¡¢OSSD2)OFF¡£ ¡¤Í¨¹ý¸Ã¹¦ÄÜ£¬¼´Ê¹ÔÚÉ豸һ²àÒ²ÄÜÈ·ÈÏÒòÔëÒôµ¼ÖµĴíÎó²Ù×÷£¬ÒÔ¼°¿ØÖÆÊä³ö(OSSD1¡¢OSSD2)ºÍ¸¨ÖúÊä³ö¹ÊÕÏ¡£ ¡¤ÁªËøÎÞЧ(×Ô¶¯¸´¹é)ʱ£¬Ö»Òª½«Í¶¹âÍ£Ö¹ÊäÈë/¸´¹éÊäÈë(·ÛºìÉ«)Á¬½ÓÖÁ0V»ò+V¼´¿É»Ö¸´Õý³£¹¤×÷¡£ |
<ʱ¼ä±í[ÁªËø¹¦ÄÜÓÐЧ(×Ô¶¯¸´¹é)ʱ]>
![<ʱ¼ä±í[ÁªËø¹¦ÄÜÓÐЧ(×Ô¶¯¸´¹é)ʱ]>](/Editor/UploadFiles/products02/20081224123911538.gif) |
¸¨ÖúÊä³ö(·Ç°²È«Êä³ö)
| ¸¨ÖúÊä³öÉ趨 |
Õý³£¹¤×÷ |
Ëø¶¨ |
| Ͷ¹âÍ£Ö¹ |
¿ØÖÆÊä³ö(OSSD1¡¢OSSD2) |
| Èë¹â |
ÕÚ¹â |
| OSSD·ñ¶¨Âß¼(³ö³§Ê±µÄÉ趨) |
ON |
OFF |
ON |
ON | |
<ʱ¼ä±í>
 |
ÈôҪʹװÖÃÍ£Ö¹Ç벻ҪʹÓø¨ÖúÊä³ö£¬·ñÔò¿ÉÄܻᵼÖÂÖØÉËÉõÖÁËÀÍö¡£
ÍⲿÉ豸¼à¿Ø¹¦ÄÜ
¡¤¼ì²éÁ¬½Ó¿ØÖÆÊä³ö(OSSD1¡¢OSSD2)µÄÍⲿ°²È«¼ÌµçÆ÷ÊÇ·ñ¸ù¾Ý¿ØÖÆÊä³ö(OSSD1¡¢OSSD2)Õý³£¹¤×÷¡£¼à¿ØÍⲿ°²È«¼ÌµçÆ÷µÄb½Óµã£¬Èç¹û¼ì²éµ½Òò½ÓµãÈÛ½ÓµÈÒýÆðµÄ¹ÊÕÏʱ£¬ÔÚ´«¸ÐÆ÷Ëø¶¨×´Ì¬Ï½«¿ØÖÆÊä³ö(OSSD1¡¢OSSD2)OFF¡£ ÍⲿÉ豸¼à¿Ø¹¦ÄÜÓÐЧʱ ¡¤Ç뽫ÍⲿÉ豸¼à¿ØÊäÈë(»ÆÂÌÉ«)Á¬½ÓÖÁÓë¿ØÖÆÊä³ö(OSSD1¡¢OSSD2)Á¬½ÓµÄÍⲿ°²È«¼ÌµçÆ÷¡£Çë²ÎÔÄP.26¡«µÄÏß·ͼ¡£ δʹÓÃÍⲿÉ豸¼à¿Ø¹¦ÄÜʱ ¡¤Ç뽫ÍⲿÉ豸¼à¿ØÊäÈë(»ÆÂÌÉ«)ºÍ¸¨ÖúÊä³ö(»ÆÂÌÉ«/ºÚÉ«)Á¬½Ó¡£´Ëʱ£¬½«¸¨ÖúÊä³öµÄÊä³ö¹¤×÷ÉèÖÃΪ¡°¿ØÖÆÊä³ö(OSSD1¡¢OSSD2)·ñ¶¨Âß¼¡±(³ö³§Ê±É趨)¡£
 ¡¤ÊÖ¶¯¿ØÖÆÆ÷SFB-HC(ÁíÊÛ)¿ÉÒÔʹÍⲿÉ豸¼à¿Ø¹¦ÄÜÉèÖÃÎÞЧ¡£µ«ÊÇ£¬Ê¹ÓÃSF4B-¡õ(²ÎÔÄP.15)ʱ£¬²»ÄÜʹÓÃÊÖ¶¯¿ØÖÆÆ÷¡£ |
<ʱ¼ä±í(Õý³£)>
 ¡¤ÍⲿÉ豸¼à¿ØÆ÷µÄÉ趨ʱ¼äÔÚ300msÒÔÏ¡£Èô³¬¹ý300ms£¬¼à¿ØÆ÷½«´¦ÓÚËø¶¨×´Ì¬¡£ÊÖ¶¯¿ØÖÆÆ÷SFB-HC(ÁíÊÛ)µÄ¿ÉÉ趨·¶Î§ÊÇ100¡«600ms(µ¥Î»£º10ms)¡£µ«ÊÇ£¬Ê¹ÓÃSF4B-¡õ(²ÎÔÄP.15)ʱ£¬²»ÄÜʹÓÃÊÖ¶¯¿ØÖÆÆ÷¡£
<ʱ¼ä±í(Òì³£1)>
 <ʱ¼ä±í(Òì³£1)>
 |
ÆÁ±Î¹¦ÄÜ
¡¤ÆÁ±Î¿ØÖÆÊ¹ÓôíÎóÈÝÒ×Òý·¢Ê¹ʣ¬Òò´ËÎñ±ØÇëÔÚ³ä·ÖÀí½âÆÁ±Î¿ØÖƵĻù´¡ÉÏÕýȷʹÓ᣹ØÓÚÆÁ±Î¿ØÖƲÎÔÄÒÔϹú¼Ê±ê×¼µÄÒªÇó¡£ISO 13849-1(EN 954-1£¯JIS B 9705-1)£º¡°¿ØÖÆÏµÍ³µÄ°²È«¹ØÁª²¿£ºµÚ1²¿¡¤Éè¼ÆµÄÒ»°ãÔÔò£¬5.9ÏîÆÁ±Î¡±IEC 61496-1(UL 61496£¯JIS B 9704-1)£º¡°µçÆø¼ì²é±£»¤É豸£ºµÚ1²¿¡¤Ò»°ãÒªÇóÊÂÏî¼°ÊÔÑé¡¢¸½¼þ˵Ã÷ÊéA¡¢A.7 ÆÁ±Î¡±IEC 60204-1(JIS B 9960-1)£º ¡°»úÆ÷ÀàµÄ°²È«ÐÔ-»úÆ÷µÄµçÆøÉ豸-¡¡µÚ1²¿¡¤Ò»°ãÒªÇóÊÂÏî¡¢9.2.4 °²È«·À»¤ÖÐÖ¹¡±EN 415-4£º¡°Safety of packaging machines part 4. Palletizers and depalletizers¡±Annex A, A2.2 Muting ANSI B11.19-1990£º ¡°for Machine Tools-Safeguarding When Referenced by the Other B11 Machine Tool Safety Standards-Performance Criteria for the Design, Construction, Care, and Operation¡±4.2.3 Presense-Sensing Devices: Electro-Optical and Radio Frequency (R.F.) ANSI/RIA R15.06-1999 £º¡°¹ØÓÚ¹¤ÒµÓÃ×Ô¶¯»úе¼°×Ô¶¯»úеϵͳµÄÃÀ¹ú±ê×¼-°²È«ÐÔÒªÇóÊÂÏ10.4.5ÆÁ±Î¡± ¡¤ÇëÔÚ»úÆ÷Ñ»·µÄ°²È«ÇøÊ¹ÓÃÆÁ±Î¿ØÖÆ¡£ÁíÍ⣬ÇëÓÃÆäËû·½·¨±£³ÖÆÁ±Î¿ØÖÆÖеݲȫÐÔ¡£ ¡¤Èç¹û¹¤¼þͨ¹ýʱÆÁ±Î¿ØÖÆÓÐЧ£¬Ó빤¼þÒ»Æð»ò¹¤¼þδͨ¹ýʱ£¬Çë°²×°ÆÁ±Î´«¸ÐÆ÷ÒÔ±ÜÃâÒòÈËÌåͨ¹ý¶øÆð¶¯ÆÁ±Î¿ØÖÆ¡£ ¡¤Ç뽫ÆÁ±ÎָʾµÆ°²×°ÔÚ½øÐÐÉ趨ºÍµ÷ÕûµÄ²Ù×÷ÈËÔ±ÈÝÒ׿´µÃ¼ûµÄλÖᣠ¡¤Ê¹ÓÃÆÁ±Î¹¦ÄÜ֮ǰ£¬ÇëÎñ±ØÈ·ÈϹ¤×÷Çé¿ö¡£ÁíÍ⣬ҲÇëÈ·ÈÏÆÁ±ÎָʾµÆµÄ״̬(ÊÇ·ñ¸É¾»)¡£ ¡¤Ê¹±¾×°Öõݲȫ¹¦ÄÜÔÝʱÎÞЧ¡£¿ØÖÆÊä³ö(OSSD1¡¢OSSD2)ONʱ£¬¿ÉÒÔÔÚ»úÆ÷ÔËÐÐ״̬ÏÂʹ¹¤¼þͨ¹ý¼ì²âÁìÓò¡£µ±·ûºÏÒÔÏÂËùÓÐÌõ¼þʱ£¬ÆÁ±Î¹¦ÄÜÓÐЧ¡£
1¿ØÖÆÊä³ö(OSSD1¡¢OSSD2)ON¡£ 2ÔÚÆÁ±ÎµÆÊä³ö(ºìÉ«)ÉÏÁ¬½Ó3¡«10WµÄ°×³ãµÆ¡£ 3ÆÁ±Î´«¸ÐÆ÷A¡¢B¡¢C¡¢DµÄÊä³öÓÉOFF(¿ªÂ·)½øÈëON״̬¡£´Ëʱ£¬ÆÁ±Î´«¸ÐÆ÷A¡¢B¡¢C¡¢DµÄÊä³ö½øÈëON״̬µÄʱ¼ä²îΪ0.03¡«3Ãë¡£
¡¤ÔÚÆÁ±Î´«¸ÐÆ÷ÖпÉʹÓð뵼ÌåÊä³öµÄ¹âµç´«¸ÐÆ÷¡¢½Ó½ü´«¸ÐÆ÷¡¢N.O.(³£¿ª)½ÓµãµÄ¶¨Î»¿ª¹ØµÈ¡£ ¡¤Ê¹ÓÃÆÁ±Î¹¦ÄÜʱÇ빺Âò12оµçÀ¡£ ÆÁ±Î´«¸ÐÆ÷¹æ¸ñ
| |
ONʱ¹¤×÷ |
OFFʱ¹¤×÷ |
·ÇÈë¹âʱON(¹âµç´«¸ÐÆ÷µÈ) ½Ó½üʱON(½Ó½ü´«¸ÐÆ÷µÈ) ½Ó´¥Ê±ON(¶¨Î»¿ª¹ØµÈ) |
Êä³ö0V »ò£«V |
¿ªÂ· |
¡¤ÇëÎñ±ØÊ¹Ó÷ûºÏÉÏ±í¡°ÆÁ±Î´«¸ÐÆ÷¹æ¸ñ¡±µÄÆÁ±Î´«¸ÐÆ÷¡£·ñÔòÒ»µ©ÆÁ±Î¹¦ÄÜÒâÍâÆð¶¯£¬ÓпÉÄܵ¼Ö²Ù×÷ÕßÖØÉËÉõÖÁËÀÍö¡£ ¡¤ÇëÎñ±ØÁ¬½ÓÆÁ±ÎָʾµÆ¡£ÈçδÁ¬½ÓÆÁ±ÎָʾµÆÔòÆÁ±Î¹¦ÄÜÎÞЧ¡£
ÆÁ±Î´«¸ÐÆ÷µÄÉèÖÃÌõ¼þ
 |
1.¸ù¾Ý¼ì²âÎïÌåµÄÈ«³¤Ëõ¶ÌÆÁ±Î´«¸ÐÆ÷A-CºÍB-DÖ®¼äµÄ¾àÀë¡£ 2.½«Í¨¹ýÆÁ±Î´«¸ÐÆ÷A-B¼äµÄ¼ì²âÎïÌåµÄÒÆ¶¯ËÙ¶ÈS(m/s)É趨ΪµÍÓÚ30ms¡«3s¡£ A-B¼äµÄ¾àÀë(m)£ºS¡ÁµÍÓÚ3(s) 3.½«Í¨¹ýÆÁ±Î´«¸ÐÆ÷C-D¼äµÄ¼ì²âÎïÌåµÄÒÆ¶¯ËÙ¶ÈS(m/s)É趨ΪµÍÓÚ3s¡£ C-D¼äµÄ¾àÀë(m)£ºS¡ÁµÍÓÚ3(s) |
 |
 |
<ʱ¼ä±í>
 |
¡¤ÊÖ¶¯¿ØÖÆÆ÷(SFB-HC)(ÁíÊÛ)¿ÉÒÔʹ¸÷¸ö¹âÖáµÄÆÁ±Î¹¦ÄÜÎÞЧ£¬Ò²¿ÉÖ¸¶¨ÆÁ±Î¹¦ÄÜÓÐЧµÄÆÁ±Î´«¸ÐÆ÷µÄÊä³ö˳Ðò¡£µ«ÊÇ£¬Ê¹ÓÃSF4B-¡õ(²ÎÔÄP.15)ʱ£¬²»ÄÜʹÓÃÊÖ¶¯¿ØÖÆÆ÷¡£ ¡¤×îºÃ½«2¸öÆÁ±ÎÏÔʾµÆ²¢ÁªÁ¬½Ó¡£µ«ºÏ¼ÆÇë²»Òª³¬¹ý10W¡£ ×¢£º1) Èô1ÃëÄÚÆÁ±ÎÏÔʾµÆ²»ÁÁ˵Ã÷ÆÁ±Î¹¦ÄÜÎÞЧ¡£ |
¹ýÔØ¹¦ÄÜ
¡¤Ç¿ÖÆÊ¹×°Öõݲȫ¹¦ÄÜÎÞЧ¡£Ê¹ÓÃÆÁ±Î¹¦ÄÜʱ£¬Èô¿ØÖÆÊä³ö(OSSD1¡¢OSSD2)OFFÒÔ¼°Éú²úÏ߯ð¶¯Ê±ÆÁ±Î´«¸ÐÆ÷ON£¬´ËʱÈôÒªÆð¶¯»úÆ÷±ã¿ÉÒÔʹÓùýÔØ¹¦ÄÜ¡£µ±·ûºÏÒÔÏÂËùÓÐÌõ¼þʱ£¬¹ýÔØ¹¦ÄÜÓÐЧ¡£
1ÔÚÆÁ±ÎµÆÊä³ö(ºìÉ«)ÉÏÁ¬½Ó3¡«10WµÄ°×³ãµÆ¡£ 2ÔÚÆÁ±Î´«¸ÐÆ÷A¡¢BµÄÒ»²àÊäÈëÐźš£ 3½«¹ýÔØÊäÈë(»ÆÉ«)ÔÚ0V»ò£«Vʱ¶Ì·£¬Í¶¹âÍ£Ö¹ÊäÈë/¸´¹éÊäÈë(·ÛºìÉ«)¿ªÂ·(³ÖÐø3s)¡£
Ö»Òª3¸öÌõ¼þÖеÄ1¸öÎÞЧ£¬60sºó¹ýÔØ¹¦Äܱã»áÎÞЧ¡£ ¡¤¹ýÔØ¹¦ÄÜÖ»ÔÚÁªËø¹¦ÄÜÎÞЧ(×Ô¶¯¸´¹é)ʱ²Å¹¤×÷¡£ ¡¤Ê¹ÓùýÔØ¹¦ÄÜʱÇ빺Âò12оµçÀ¡£ |
<ʱ¼ä±í>
 ×¢£º1)Èô4ÃëÄÚÆÁ±ÎÏÔʾµÆ²»ÁÁ˵Ã÷¹ýÔØ¹¦ÄÜÎÞЧ¡£ |
Ç뽫Ͷ¹âÍ£Ö¹ÊäÈë/¸´¹éÊäÈë°´Å¥ºÍ¹ýÔØÊäÈë°´Å¥°²×°ÔÚΣÏÕÁìÓòÍâÇÒÄÜÇå³þ¿´µ½Î£ÏÕÁìÓòµÄλÖá£
´®ÁªÁ¬½Ó
×î¶à¿ÉÁ¬½Ó3Ì×(¹âÖá×ÜÊý×î¶àΪ192¸ö) ¡¤µ±¿É´Ó2¸öÒÔÉϵķ½Ïò½Ó½üΣÏÕÇøÓòʱ£¬¶àÌ×Ͷ¹âÆ÷ºÍÊܹâÆ÷Ó¦Ïà¶Ô´®ÁªÁ¬½Ó¡£µ±ÈκÎÒ»Ì׵ĹâÊø±»¸ÉÈÅʱ£¬¿ØÖÆÊä³ö(OSSD1, OSSD2)±äΪOFF¡£
´®ÁªÁ¬½Óʱ£¬ÇëÓÃרÃŵĴ®ÁªÓõçÀÂ(SFB-CSL¡õ)Á¬½ÓͶ¹âÆ÷ºÍͶ¹âÆ÷¼°ÊܹâÆ÷ºÍÊܹâÆ÷¡£ÈôÁ¬½Ó´íÎ󣬴«¸ÐÆ÷¼ì²â²»µ½£¬»áµ¼ÖÂÖØÉËÉõÖÁËÀÍö¡£ |
 |
²¢ÁªÁ¬½Ó
¡¤µ±ÓÐÁ½¸öΣÏÕÇøÓò£¬ÇÒ½öÓÐ1¸ö·½Ïò½Ó½üΣÏÕÇøÓòʱ£¬¶àÌ×Ͷ¹âÆ÷ºÍÊܹâÆ÷Ó¦Ïà¶Ô²¢ÁªÁ¬½Ó¡£ÈçÁ¬½Ó¹âÄ»´«¸ÐÆ÷µÄ·À¸ÉÈÅÏߣ¬Ôò×î¶à¿É²¢ÁªÁ¬½Ó3Ìס£½ö´¦ÓÚÕÚ¹â״̬µÄ¹âÄ»´«¸ÐÆ÷µÄ¿ØÖÆÊä³ö(OSSD1, OSSD2)±äΪOFF¡£
²¢ÁªÁ¬½Óʱ£¬ÈçÏÂͼËùʾ£¬Ç뽫ÊܹâÆ÷Ò»²àÓëͶ¹âÆ÷Ò»²àµÄ·À¸ÉÈÅÏßÁ¬½Ó¡£ÈôÁ¬½Ó´íÎ󣬴«¸ÐÆ÷¼ì²â²»µ½£¬»áµ¼ÖÂÖØÉËÉõÖÁËÀÍö¡£ |
 ×¢£º 1)ʹÓ÷À¸ÉÈÅÏßʱ£¬Ç빺Âò12оµçÀ¡£ 2)ÑÓ³¤·À¸ÉÈÅÏßʱ£¬ÇëʹÓà 0.2mm2ÒÔÉϵÄË«²ãÂÝÎÆÆÁ±ÎµçÀ¡£ |
´®Áª/²¢Áª»ìºÏÁ¬½Ó
¡¤´®Áª/²¢Áª»ìºÏÁ¬½ÓÖ§³Ö¶àÌ×Ͷ¹âÆ÷ºÍÊܹâÆ÷µÄʹÓã¬ËüÊÇ´®ÁªºÍ²¢ÁªµÄ½áºÏ¡£µ±ÓÐÁ½¸öΣÏÕÇøÓò£¬ÇÒ¿É´Ó2¸öÒÔÉϵķ½Ïò½Ó½üΣÏÕÇøÓòʱ£¬Ê¹Óô˷½·¨¡£¸ù¾Ý×éºÏÇé¿ö£¬´®Áª/²¢ÁªÁ¬½Ó¿ÉÁ¬½Ó¶à´ï3Ìס£µ«¹âÖá×ÜÊý×î¶àΪ192¸ö¡£½ö´¦ÓÚÕÚ¹â״̬µÄ¹âÄ»´«¸ÐÆ÷µÄ¿ØÖÆÊä³ö(OSSD1,OSSD2)±äΪOFF¡£
²¢ÁªÁ¬½Óʱ£¬ÈçÏÂͼËùʾ£¬Ç뽫ÊܹâÆ÷Ò»²àÓëͶ¹âÆ÷Ò»²àµÄ·À¸ÉÈÅÏßÁ¬½Ó¡£ÈôÁ¬½Ó´íÎ󣬴«¸ÐÆ÷¼ì²â²»µ½£¬»áµ¼ÖÂÖØÉËÉõÖÁËÀÍö¡£ |
 ×¢£º 1)ʹÓ÷À¸ÉÈÅÏßʱ£¬Ç빺Âò12оµçÀ¡£ 2)ÑÓ³¤·À¸ÉÈÅÏßʱ£¬ÇëʹÓà 0.2mm2ÒÔÉϵÄË«²ãÂÝÎÆÆÁ±ÎµçÀ¡£ |
½ÓÏß
²ÎÕÕʹÓñ¾×°ÖõØÇøµÄÏàÓ¦¹æ¸ñ¡£ÁíÍ⣬ȷ±£²ÉÈ¡ËùÓбØÒª´ëÊ©ÒÔ±ÜÃâÓÉÓڽӵشíÎó¶ø¿ÉÄÜÒýÆðµÄΣÏÕ²Ù×÷´íÎó¡£ ¡¤ÇëÈ·ÈÏÔÚµçÔ´¹Ø±Õ״̬ϽøÐнÓÏß¡£ ¡¤ÇëÈ·ÈϵçÔ´µçѹµÄ±ä»¯²»³¬³ö¶î¶¨·¶Î§¡£ ¡¤Èç¹ûµçÔ´ÊÇÓÉÉÌÓÿª¹Øµ÷½ÚÆ÷Ìṩ£¬ÇëÈ·±£µçÔ´»ú¼Ü½ÓµØ¶Ë×Ó(F.G.)½ÓµØ¡£ ¡¤Èç¹ûÔڸô«¸ÐÆ÷¸½½üʹÓòúÉúÔëÒôµÄÉ豸(¿ª¹Øµ÷½ÚÆ÷£¬×ª»»·¢¶¯»úµÈ)£¬Ç뽫É豸ÆÁ±ÎµØÏß¶Ë×Ó(F.G.)½ÓµØ¡£ ¡¤ÇëÎ𽫵çÏßÓë¸ßѹÏß»òµçÔ´ÏßÒ»Æð»òÔÚͬһ¹ÜÏßÄÚÔËÐÐÏß·£¬Õâ¿ÉÄÜ»áÓÉÓÚ¸ÐÓ¦¶øÒýÆð¹ÊÕÏ¡£
²¿¼þ˵Ã÷ºÍ¹¦ÄÜ
| ÁªËø¹¦ÄÜ |
¸´¹é ¹¦ÄÜ |
ÁªËøÉ趨ÊäÈë(µ×ÏÉ«) |
¹âÖá¶ÔÆëָʾµÆ (ºìÉ«/ÂÌÉ«) £ÛRECEPTION£Ý |
A |
¹âÄ»´«¸ÐÆ÷Éϲ¿ËùÓйâÖáÈë¹âʱ£ººìÉ«µÆÁÁÆð ¹âÄ»´«¸ÐÆ÷¶¥¶Ë¹âÖáÈë¹âʱ£ººìÉ«µÆÉÁ˸ ¿ØÖÆÊä³öONʱ£ºÂÌÉ«µÆÁÁÆð |
| B |
¹âÄ»´«¸ÐÆ÷ÖÐÉϲ¿ËùÓйâÖáÈë¹âʱ£ººìÉ«µÆÁÁÆð ¿ØÖÆÊä³öONʱ£ºÂÌÉ«µÆÁÁÆð |
| C |
¹âÄ»´«¸ÐÆ÷ÖÐϲ¿ËùÓйâÖáÈë¹âʱ£ººìÉ«µÆÁÁÆð¿ØÖÆ Êä³öONʱ£ºÂÌÉ«µÆÁÁÆð |
| D |
¹âÄ»´«¸ÐÆ÷ϲ¿ËùÓйâÖáÈë¹âʱ£ººìÉ«µÆÁÁÆð ¹âÄ»´«¸ÐÆ÷µ×¶Ë¹âÖáÈë¹âʱ£ººìÉ«µÆÉÁ˸ ¿ØÖÆÊä³öONʱ£ºÂÌÉ«µÆÁÁÆð |
¹¤×÷״ָ̬ʾµÆ (ºìÉ«/ÂÌÉ«) £ÛOSSD£Ý(×¢1) |
¹âÄ»´«¸ÐÆ÷¹¤×÷ʱÁÁÆð£Ûµ«ÊÇ£ºËæ¿ØÖÆÊä³ö±ä»¯£Ý ¿ØÖÆÊä³öOFFʱ£ººìÉ«µÆÁÁÆð ¿ØÖÆÊä³öONʱ£ºÂÌÉ«µÆÁÁÆð |
Èë¹âÁ¿Ö¸Ê¾µÆ (³ÈÉ«/ÂÌÉ«)£ÛSTB£Ý |
Èë¹â¹ýÁ¿Ê±(Èë¹âÁ¿130%ÒÔÉÏ)(×¢2)£ºÂÌÉ«µÆÁÁÆð Îȶ¨Èë¹âʱ(Èë¹âÁ¿115¡«130%ÒÔÉÏ)(×¢2)£ºÏ¨Ãð ²»Îȶ¨Èë¹âʱ(Èë¹âÁ¿100¡«115%ÒÔÉÏ)(×¢2)£º³ÈÉ«µÆÁÁÆð ÕÚ¹âʱ£ºÏ¨Ãð(×¢3) |
´íÎóָʾµÆ(»ÆÉ«) £ÛFAULT£Ý(×¢4) |
´«¸ÐÆ÷³öÏÖ´íÎóʱÁÁÆð»òÉÁ˸ |
| Êý×Ö´íÎóָʾµÆ(ºìÉ«)(×¢4) |
Ëø¶¨Ê±ÁÁÆðÏÔʾ´íÎóÄÚÈÝ |
| PNPָʾµÆ(³ÈÉ«)£ÛPNP£Ý |
PNPÊä³öÉ趨ʱÁÁÆð |
| NPNָʾµÆ(³ÈÉ«)£ÛNPN£Ý |
NPNÊä³öÉ趨ʱÁÁÆð |
Ͷ¹âÁ¿¿ØÖÆÖ¸Ê¾µÆ (³ÈÉ«)£ÛCTRL£Ý |
¶Ì·ģʽʱ£ºÁÁÆð Õý³£Ä£Ê½Ê±£ºÏ¨Ãð |
Ͷ¹âָֹͣʾµÆ(³ÈÉ«) £ÛHALT£Ý |
Ͷ¹âֹͣʱ£ºÁÁÆð£¬Í¶¹âʱ£ºÏ¨Ãð |
| ÁªËø¹¦ÄÜ |
¸´¹é ¹¦ÄÜ |
ÁªËøÉ趨ÊäÈë(µ×ÏÉ«) |
¹âÖá¶ÔÆëָʾµÆ (ºìÉ«/ÂÌÉ«) £ÛRECEPTION£Ý |
A |
¹âÄ»´«¸ÐÆ÷Éϲ¿ËùÓйâÖáÈë¹âʱ£ººìÉ«µÆÁÁÆð ¹âÄ»´«¸ÐÆ÷¶¥¶Ë¹âÖáÈë¹âʱ£ººìÉ«µÆÉÁ˸ ¿ØÖÆÊä³öONʱ£ºÂÌÉ«µÆÁÁÆð |
| B |
¹âÄ»´«¸ÐÆ÷ÖÐÉϲ¿ËùÓйâÖáÈë¹âʱ£ººìÉ«µÆÁÁÆð¿ØÖÆÊä³öONʱ£ºÂÌÉ«µÆÁÁÆð |
| C |
¹âÄ»´«¸ÐÆ÷ÖÐϲ¿ËùÓйâÖáÈë¹âʱ£ººìÉ«µÆÁÁÆð¿ØÖÆÊä³öONʱ£ºÂÌÉ«µÆÁÁÆð |
| D |
¹âÄ»´«¸ÐÆ÷ϲ¿ËùÓйâÖáÈë¹âʱ£ººìÉ«µÆÁÁÆð¹âÄ»´«¸ÐÆ÷µ×¶Ë¹âÖáÈë¹âʱ£ººìÉ«µÆÉÁ˸ ¿ØÖÆÊä³öONʱ£ºÂÌÉ«µÆÁÁÆð |
OSSDָʾµÆ (ºìÉ«/ÂÌÉ«)£ÛOSSD£Ý |
¿ØÖÆÊä³öOFFʱ£ººìÉ«µÆÁÁÆð ¿ØÖÆÊä³öONʱ£ºÂÌÉ«µÆÁÁÆð |
Èë¹âÁ¿Ö¸Ê¾µÆ (³ÈÉ«/ÂÌÉ«)£ÛSTB£Ý |
Èë¹â¹ýÁ¿Ê±(Èë¹âÁ¿130%ÒÔÉÏ)(×¢2)£ºÂÌÉ«µÆÁÁÆð Îȶ¨Èë¹âʱ(Èë¹âÁ¿115¡«130%ÒÔÉÏ)(×¢2)£ºÏ¨Ãð ²»Îȶ¨Èë¹âʱ(Èë¹âÁ¿100¡«115%ÒÔÉÏ)(×¢2)£º³ÈÉ«µÆÁÁÆð ÕÚ¹âʱ£ºÏ¨Ãð(×¢3) |
| ´íÎóָʾµÆ(»ÆÉ«)£ÛFAULT£Ý(×¢4) |
´«¸ÐÆ÷³öÏÖ´íÎóʱÁÁÆð»òÉÁ˸ |
| Êý×Ö´íÎóָʾµÆ(ºìÉ«)(×¢4) |
Ëø¶¨Ê±ÁÁÆðÏÔʾ´íÎóÄÚÈÝ |
| PNPָʾµÆ(³ÈÉ«)£ÛPNP£Ý |
PNPÊä³öÉ趨ʱÁÁÆð |
| NPNָʾµÆ(³ÈÉ«)£ÛNPN£Ý |
NPNÊä³öÉ趨ʱÁÁÆð |
| ¹¦ÄÜÉ趨ָʾµÆ(³ÈÉ«)£ÛFUNCTION£Ý |
ʹÓÃÏûÒþ¹¦ÄÜʱ£ºÁÁÆð(×¢5) Á¬½ÓÊÖ¶¯¿ØÖÆÆ÷ʱ£ºÉÁ˸ |
ÁªËøÖ¸Ê¾µÆ(»ÆÉ«) £ÛINTERLOCK£Ý |
ÁªËøÊ±£ºÁÁÆð ²»ÁªËøÊ±£ºÏ¨Ãð | ×¢£º 1)¹¤×÷״ָ̬ʾµÆÑÕÉ«¸ù¾Ý¿ØÖÆÊä³ö(OSSD1,OSSD2)µÄON/OFF״̬±ä»¯£¬¹Ê´«¸ÐÆ÷ÉϹ¤×÷״ָ̬ʾµÆ±êΪ¡°OSSD¡±¡£ 2)¿ØÖÆÊä³ö(OSSD1,OSSD2)ÓÉOFF±äΪONµÄ»ù×¼ÖµÓÃÈë¹âÁ¿100%±íʾ¡£ 3)ÕÚ¹âʱÊÇÖ¸¼ì²âÇøÓòÄÚÓÐÕÚ¹âÎïÌå´æÔÚµÄ״̬¡£ 4)ÏêÇéÇë²ÎÔIJúÆ·¸½´øµÄʹÓÃ˵Ã÷Êé¡£ 5)ÏûÒþ¹¦ÄÜÐèÓÃÊÖ¶¯¿ØÖÆÆ÷SFB-HC(ÁíÊÛ)½øÐÐÉ趨¡£ÇëÁíÐж©¹ºÊÖ¶¯¿ØÖÆÆ÷¡£µ«ÊÇ£¬Ê¹ÓÃSF4B-¡õ(²ÎÔÄP.15)ʱ£¬²»ÄÜʹÓÃÊÖ¶¯¿ØÖÆÆ÷¡£ 6)´«¸ÐÆ÷ÉϱêÓÐ[ ]ÄÚµÄ˵Ã÷¡£
ÆäËû¡¤µçÔ´½ÓͨºóµÄ¶Ìʱ¼ä(2s)ÄÚ£¬ÇëÎðʹÓᣠ¡¤±ÜÃâ»Ò³¾£¬ÎÛ¹¸ºÍË®ÕôÆø¡£ ¡¤ÇëÎ𽫴«¸ÐÆ÷ÓëË®¡¢ÓÍ¡¢ÓÍÖ¬»òÓлúÈÜÒº£¬ÈçÏ¡ÊͼÁµÈÖ±½Ó½Ó´¥¡£ ¡¤ÇëÎ𽫴«¸ÐÆ÷Ö±½Ó±©Â¶ÓÚ¿ìËÙÆô¶¯µÆ»ò¸ßƵÕÕÃ÷É豸µÄÓ«¹âÏ£¬Õâ»áÓ°Ïì¼ì²âÐÔÄÜ¡£
¡¤ÔÚ¡°PSDIģʽ¡±Ï£¬½«±¾×°ÖÃ×÷ΪÆð¶¯×°ÖÃʹÓÃʱ£¬±ØÐëÔÚ±¾×°ÖúÍÉ豸¼ä¹¹ÖþÊʵ±µÄ¿ØÖƵç·¡£ÏêÇéÇë²ÎÔĸ÷¹ú¸÷µØÇøµÄÏàÓ¦¹æ¸ñ¡£ ¡¤ÔÚÃÀ¹úʹÓñ¾²úƷʱ£¬Çë²ÎÕÕOSHA 1910.212ºÍOSHA 1910.217¡£ÔÚÅ·ÖÞʹÓÃʱ£¬Çë²ÎÔÄEN 999¡£°²×°±¾²úƷǰ£¬Çë×ñÊØ¹ú¼Ò¼°µØ·½ÒªÇó¡£ ¡¤±¾Ä¿Â¼ÊÇÑ¡ÔñºÏÊʲúÆ·µÄÏòµ¼¡£Ê¹ÓòúƷǰÇë²ÎÔIJúÆ·¸½´øµÄʹÓÃ˵Ã÷Êé¡£ ¡¤ÓÉÓÚ³ö³§Ê±Í¶¡¤ÊܹâÆ÷¾ù¾¹ýµ÷Õû£¬Òò´ËÇ뽫Ͷ¹âÆ÷ºÍÊܹâÆ÷°´ÕÕÏàͬµÄÐòÁÐNo.×éºÏʹÓá£ÐòÁÐNo.ºÅ±êÔÚͶ¹âÆ÷¼°ÊܹâÆ÷µÄ±êÅÆÉÏ¡£(ÐͺÅÒÔÏÂ5λÊý×ÖΪÐòÁÐNo.)
¡¤Õý³£Ê¹ÓÃǰÎñ±Ø¼ì²âÔËÐС£ ¡¤¸Ã°²È«ÏµÍ³½öÓÃÓÚͨ¹ý½ô¼±Í£Ö¹²¿¼þ»ò¹Ø±ÕµçÔ´Á¢¼´¿ÉֹͣΣÏÕ²¿¼þ¹¤×÷µÄ»úÆ÷¡£ÇÐÎðʹÓù¤×÷Ñ»·Öв»¿ÉÍ£Ö¹µÄ»úÆ÷ϵͳ¡£
¼ì²âÁìÓò
¡¤°²×°»úÆ÷ʱ£¬ÇëÈ·±£±ØÐëÍêȫͨ¹ý¼ì²âÇø²ÅÄܵ½´ï»úÆ÷ΣÏÕ´¦¡£´ËÍ⣬ÔÚ»úÆ÷ΣÏÕ´¦½øÐÐ×÷ҵʱ£¬ÇëÈ·±£ÈËÌåµÄÒ»²¿»òÈ«²¿±ØÐëÁôÔÚ¼ì²âÇøÄÚ¡£Èç¹ûδ¼ì²âµ½ÈËÌå»áµ¼ÖÂÖØÉËÉõÖÁËÀÍö¡£ ¡¤ÇëÎðʹÓÃÈκη´ÉäÐÍ»ò»Ø¹é·´ÉäÐÍÉ豸¡£ ¡¤Ç뽫Ïà¶ÔµÄͶ¹âÆ÷ºÍÊܹâÆ÷°´ÏàͬÀàÐÍ(¹âÖá¼ä¾à£¬¹âÖáÊýÏàͬ)´ÓÉÏÏ·½Ïò¶ÔÆëÁ¬½Ó¡£Èç¹û½«²»Í¬ÀàÐ͵Ä×éºÏÁ¬½Ó£¬Ôò»áÒò´«¸ÐÆ÷¼ì²â²»µ½£¬´Ó¶øµ¼ÖÂÖØÉËÉõÖÁËÀÍö¡£ ¡¤Èç¹ûÏà¶ÔÒ»¸öͶ¹âÆ÷(»òÊܹâÆ÷)Á¬½Ó¶à¸öÊܹâÆ÷(»òͶ¹âÆ÷)£¬Ôò»áÒò´«¸ÐÆ÷¼ì²â²»µ½»òÏ໥¸ÉÈÅ£¬´Ó¶øµ¼ÖÂÖØÉËÉõÖÁËÀÍö¡£
| ÕýÈ·µÄ°²×°·½·¨ |
´íÎóµÄ°²×°·½·¨ |
 |
 |
 |
 |
°²È«¾àÀë
¡¤ÕýÈ·¼ÆË㰲ȫ¾àÀ룬¼ì²âÁìÓò¼°»úÆ÷ΣÏÕ²¿·ÖӦʼÖÕ±£³Ö°²È«¾àÀë»ò´óÓÚ°²È«¾àÀë¡£(¹ØÓÚ·½³Ìʽ£¬Çë¸ù¾Ý×îÐµĹæ¸ñÈ·ÈÏ¡£)Èô´íÎó¼ÆË㰲ȫ¾àÀë»òûÓб£³Ö°²È«¾àÀ룬»áÒòÔÚµ½´ï»úÆ÷ΣÏÕ²¿·Öǰ²»Äܽô¼±Í£Ö¹£¬´Ó¶øµ¼ÖÂÖØÉËÉõÖÁËÀÍö¡£ ¡¤Éè¼ÆÏµÍ³Ê±£¬Çë²ÎÔݲװʹÓÃÉ豸µÄÏà¹ØµØÇø±ê×¼¡£
±¾×°ÖÃ×îС¼ì²âÎïÌåµÄ³ß´çÒòÊÇ·ñʹÓò»¹Ì¶¨ÏûÒþ¹¦ÄܶøÒì¡£°²È«¾àÀëµÄ¼ÆËã·½³ÌʽÒò×îС¼ì²âÎïÌåµÄ³ß´çÊÇ´óÓÚ»¹ÊÇСÓÚ 40mm¶øÒì¡£Çë°´×îС¼ì²âÎïÌåµÄÕýÈ·³ß´çºÍ·½³Ìʽ¼ÆË㰲ȫ¾àÀë¡£ ʹÓò»¹Ì¶¨ÏûÒþ¹¦ÄÜʱ×îС¼ì²âÎïÌåµÄ³ß´ç
| __ |
ʹÓò»¹Ì¶¨ÏûÒþ¹¦ÄÜʱµÄ×îС¼ì²âÎïÌå |
| δÉ趨 |
É趨(×¢£±) |
| £±¸ö¹âÖá |
2¸ö¹âÖá |
3¸ö¹âÖá |
| SF4B-F¡õ(×îС¼ì²âÎïÌå 14mm) |
14mm |
24mm |
34mm |
44mm |
| SF4B-H¡õ(×îС¼ì²âÎïÌå 25mm) |
25mm |
45mm |
65mm |
85mm |
| SF4B-A¡õ(×îС¼ì²âÎïÌå 45mm) |
45mm |
85mm |
125mm |
165mm | ×¢ £º1)²»¹Ì¶¨ÏûÒþ¹¦ÄÜÏêÇéÇë²ÎÔÄP.12¡£µ«ÊÇ£¬Ê¹ÓÃSF4B-¡õ-01(²ÎÔÄP.15)ʱ£¬²»ÄÜʹÓò»¹Ì¶¨ÏûÒþ¹¦ÄÜ¡£ ¡¤µ±ÈË´¹Ö±ÒÆÏò(Õý³£½øÈë)´«¸ÐÆ÷¼ì²âÇøÊ±£¬°²È«¾àÀëµÄ¼ÆËãÒÀ¾ÝÏÂÒ³·½³Ìʽ¡£Èô½øÈë·½Ïò²»´¹Ö±£¬ÇëÎñ±Ø²ÎÕÕÏà¹Ø¹æ¸ñ(µØÇø»òÉ豸¹æ¸ñ)¡£
ÊÊÓÃÓÚÅ·ÖÞ(¸ù¾ÝEN 999)(Ò²ÊÊÓÃÓÚISO 13855) ´¹Ö±½øÈë¼ì²âÁìÓò <×îС¼ì²âÎïÌåСÓÚ 40mm> ¡¡ ¡¤·½³Ìʽ1¡¡¡¡¡¡S=K¡ÁT£«C ¡¡ S£º°²È«¾àÀë(mm) ¼ì²âÁìÓò±íÃæºÍ»úÆ÷µÄΣÏÕ²¿·ÖÖ®¼äµÄ×îС¾àÀë¡£ ¡¡ K£º²Ù×÷Ô±ÉíÌå»òÎïÌåµÄ½øÈëËÙ¶È(mm/s) ͨ³£ÒÔ2,000(mm/s)¼ÆËã¡£ T£ºËùÓÐÉ豸·´Ó¦Ê±¼ä(s) T=Tm£«TSF4B Tm£º»úе×î´óֹͣʱ¼ä(s) TSF4B£º±¾×°Ö÷´Ó¦Ê±¼ä(s) ¡¡ C£ºÓɹâÄ»´«¸ÐÆ÷×îС¼ì²âÎïÌå³ß´ç¼ÆËã³öµÄ¶îÍâ¾àÀë(mm)¡£ µ«ÊÇ£ÃÖµ²»¿ÉСÓÚµÈÓÚ£°¡£ C=8¡Á(d£14) d£º×îС¼ì²âÎïÌåÖ±¾¶(mm)
¼ÆË㰲ȫ¾àÀëSʱ£¬ÓÐÈçÏÂ5ÖÖÇé¿ö¡£ Ê×ÏÈ£¬°ÑK£½2,000(mm/s)´úÈëÉÏÊö·½³Ìʽ½øÐмÆËã¡£µÃ³öµÄ½á¹û·ÖΪ1)S£¼100£¬2)100¡ÜS¡Ü500£¬3)S£¾500¡£µ±½á¹ûΪ 3)S£¾500ʱ£¬ÒÔK£½1,600(mm/s)´úÈëÉÏÊö·½³Ìʽ½øÐÐÔٴμÆËã¡£´ËʱµÄ½á¹û·ÖΪ4)S¡Ü500£¬ºÍ5)S£¾500¡£ ÏêÇéÇë²ÎÔIJúÆ·¸½´øµÄʹÓÃ˵Ã÷Êé¡£ Ϊ²â¶¨Tm(»úе×î´óֹͣʱ¼ä)£¬ÇëʹÓÃÔÝÍ£¼à¿ØÆ÷¡£ ÔÚ¡°PSDIģʽ¡±ÏÂʹÓñ¾×°ÖÃʱ£¬±ØÐë¼ÆËã³öÇ¡µ±µÄ°²È«¾àÀëS¡£ÏêÇéÇë²ÎÔĸ÷¹ú¸÷µØÇøµÄÏàÓ¦±ê×¼¡£
<×îС¼ì²âÎïÌå³ß´ç´óÓÚ 40mm> ¡¡ ¡¤·½³Ìʽ¡¡¡¡¡¡S=K¡ÁT£«C ¡¡ S£º°²È«¾àÀë(mm) ¡¡ K£º²Ù×÷Ô±ÉíÌå»òÎïÌåµÄ½øÈëËÙ¶È(mm/s)ÒÔ1,600(mm/s)¼ÆËã ¡¡ T£ºËùÓÐÉ豸·´Ó¦Ê±¼ä(s) T=Tm£«TSF4BTm£º»úе×î´óֹͣʱ¼ä(s) TSF4B£º±¾×°Ö÷´Ó¦Ê±¼ä(s) ¡¡ C£ºÓɹâÄ»´«¸ÐÆ÷×îС¼ì²âÎïÌå³ß´ç¼ÆËã³öµÄ¶îÍâ¾àÀë(mm)¡£C=850(mm)(³£Êý)
ÊÊÓÃÓÚÃÀ¹ú(¸ù¾ÝANSI B11.19) ¡¤·½³Ìʽ2¡¡¡¡¡¡S=K¡Á(Ts£«Tc£«TSF4B£«Tbm)£«Dpf ¡¡ S£º°²È«¾àÀë(mm) ¼ì²âÁìÓò±íÃæÓë»úÆ÷µÄΣÏÕ²¿·ÖÖ®¼äµÄ×îС¾àÀë¡£ ¡¡ K£º½øÈëËÙ¶È£ÛOSHAÍÆ¼öֵΪ63(inch/s)¡Ö1,600(mm/s)£Ý¡£ ANSI B11.19ûÓÐÏêϸ˵Ã÷½øÈëËÙ¶È(K)¡£ ¾ö¶¨Kֵʱ£¬Ó¦¿¼ÂǰüÀ¨²Ù×÷Ô±ÌåÁ¦ÔÚÄÚµÄÖî¶àÒòËØ¡£ ¡¡ Ts£º¿ØÖÆÔª¼þ(¿ÕÆø·§µÈ)¹¤×÷ʱ¼ä¼ÆËã³öµÄֹͣʱ¼ä(s) ¡¡ Tc£ºÍ£Ö¹ËùÐè¿ØÖÆµç·µÄ×î´ó·´Ó¦Ê±¼ä(s) ¡¡ TSF4B£º±¾×°Ö÷´Ó¦Ê±¼ä(s) ¡¡ Tbm£ºÔÝÍ£¼à¿ØÆ÷µÄ¶îÍâֹͣʱ¼ä¹«²î(s) µ±»úеÔݶ¨¼à¿ØÆ÷ʱ£¬·½³ÌʽÈçÏ¡£ Tbm=Ta£(Ts£«Tc)Ta£ºÔÝÍ£¼à¿ØÆ÷µÄÉ趨ʱ¼ä(s) ¡¡¡¡¡¡¡¡Èô»úеÎÞÔÝÍ£¼à¿ØÆ÷£¬¿É½«(Ts£«Tc)µÄ20%ÒÔÉÏ×÷Ϊ¶îÍâֹͣʱ¼ä¡£ ¡¡ Dpf£ºÓÉ´«¸ÐÆ÷µÄ×îС¼ì²âÎïÌå³ß´ç¼ÆËã³öµÄ¶îÍâ¾àÀë(mm) SF4B-F¡õ Dpf =23.8mm SF4B-H¡õ Dpf=61.2mm SF4B-A¡õ Dpf =129.2mmDpf =3.4¡Á(d£0.276)(inch)Dpf¡Ö3.4¡Á(d£7)(mm) d£º ×îС¼ì²âÎïÌåµÄÖ±¾¶0.552 (inch)¡Ö14(mm) SF4B-F¡õ×îС¼ì²âÎïÌåµÄÖ±¾¶0.985 (inch)¡Ö25(mm) SF4B-H¡õ×îС¼ì²âÎïÌåµÄÖ±¾¶1.772 (inch)¡Ö45(mm) SF4B-A¡õ µ«ÊÇDpf Öµ²»¿ÉСÓÚµÈÓÚ£°¡£
Êä³ö²¨ÐΣۿØÖÆÊä³ö(OSSD1,OSSD2)ONʱ£Ý
¡¤´«¸ÐÆ÷´¦ÓÚÈë¹â״̬(ON״̬)ʱ£¬ÓÉÓÚÊܹâÆ÷Êä³öµç·½øÐÐ×ÔÎÒÕï¶Ï£¬Êä³ö¾§Ìå¹Ü´¦ÓÚÖÜÆÚÐÔOFF״̬¡£(²ÎÔÄÏÂͼÊä³ö״̬) Èç¹ûOFFÐźű»·´À¡£¬ÔòÊܹâÆ÷ÅжÏÊä³öµç·Õý³£¡£·´Ö®£¬ÔòÊܹâÆ÷ÅжÏÊä³öµç·»ò½ÓÏß¹ÊÕÏ£¬²¢½«¿ØÖÆÊä³ö(OSSD1,OSSD2)±£³ÖÔÚOFF״̬¡£ |
ÓÉÓÚ´Ë×°ÖõÄOFFÐźſÉÄܻᵼÖ»úеÎó²Ù×÷£¬Òò´ËÇë×¢ÒâÁ¬½ÓÔÚ´Ë×°ÖÃÉϵĻúеµÄÊäÈ뷴Ӧʱ¼ä£¬²¢±£³ÖÁ¬½Ó¡£
 |
Êä³ö²¨ÐΣۿØÖÆÊä³ö(OSSD1,OSSD2)ONʱ£Ý
×¢£º 1) ¼ì²â¾àÀëÒò´«¸ÐÆ÷ÖÖÀà¶øÒì¡£ÏêÇéÇë²ÎÔÄP.15¶©¹ºÖ¸ÄÏ¡£ 2) ´«¸ÐÆ÷µÄÓÐЧ¿ª¿Ú½Ç°´IEC 61496-2/UL 61496-2µÄÒªÇóÊÇ¡À2.5¡ã(L£¾3m)£¬µ«Ô¶Àë·´Éä±íÃæ°²×°£¬³¬¹ý¡À3¡ãʱ»áµ¼ÖÂ¶ÔÆë´íÎó¡£
¹ØÓÚÊÖ¶¯´«¸ÐÆ÷
±¾×°ÖÿÉʹÓÃÊÖ¶¯¿ØÖÆÆ÷SFB-HC(ÁíÊÛ)É趨¸÷ÖÖ¹¦ÄÜ¡££Ûµ«ÊÇ£¬Ê¹ÓÃSF4B-¡õ(²ÎÔÄP.15ʱ£¬²»ÄÜʹÓÃÊÖ¶¯¿ØÖÆÆ÷£Ý¡£¸÷¹¦ÄÜÖУ¬×îС¼ì²âÎïÌåµÄ³ß´çµÈÓйذ²È«¾àÀëµÄÄÚÈÝÊDZ仯µÄ¡£É趨¸÷¹¦ÄÜʱ£¬±ØÐëÖØÐ¼ÆË㰲ȫ¾àÀ벢ʼÖÕÁô³ö°²È«¾àÀëÒÔÉϵĿռ䡣ÈôûÓб£³Ö°²È«¾àÀ룬»áÒòÔÚµ½´ï»úÆ÷ΣÏÕ²¿·Öǰ²»Äܽô¼±Í£Ö¹£¬´Ó¶øµ¼ÖÂÖØÉËÉõÖÁËÀÍö¡£ ¡¤¹ØÓÚʹÓÃÊÖ¶¯¿ØÖÆÆ÷SFB-HC(ÁíÊÛ)É趨¹¦ÄܵÄÏêÇéÇë²ÎÔÄÊÖ¶¯¿ØÖÆÆ÷¸½´øµÄʹÓÃ˵Ã÷Êé¡£
¹ÊÕÏÆÁ±Î¼òÒ×È·Èϱí
| Êý×Ö´íÎóָʾµÆ |
Ô¡¡Òò |
 |
ÔëÒôµÈµÄÓ°Ïì¡£ ÊÖ¶¯¿ØÖÆÆ÷É趨´íÎó¡£
|
 |
Ͷ¹âÆ÷ºÍÊܹâÆ÷µÄ×éºÏ´íÎó(¹âÖáÊýµÈ)¡£ Êä³ö¼«ÐÔÉ趨Ïß(ÆÁ±ÎÏß)½ÓÏß´íÎó¡£ |
 |
´®ÁªµçÀ½ÓÏß´íÎó¡£ Éϲ¿´®ÁªµÄ¹âÄ»´«¸ÐÆ÷¹ÊÕÏ¡£ |
 |
´®Áª¹âÄ»´«¸ÐÆ÷Êý¼°×ܹâÖáÊý³¬³ö¹æ¸ñ·¶Î§¡£ |
 |
<Ͷ¹âÆ÷²àÁÁÆð> ÁªËøÉ趨ÊäÈ뼰Ͷ¹âÍ£Ö¹ÊäÈë/¸´¹éÊäÈë½ÓÏß´íÎó¡£ <ÊܹâÆ÷²àÁÁÆð> Íⲿ¹âÏßµÄÓ°Ïì»ò´¦ÓÚÏ໥¸ÉÈÅ״̬¡£ |
»ò |
<Ͷ¹âÆ÷²àÁÁÆð> ÆÁ±ÎµÆÊä³ö½ÓÏß´íÎó¡£ <ÊܹâÆ÷²àÁÁÆð> ¿ØÖÆÊä³ö(OSSD1,OSSD2)½ÓÏß´íÎó¡£ |
 |
Êä³ö¼«ÐÔÉ趨Ïß(ÆÁ±ÎÏß)½ÓÏß´íÎó¡£ |
 |
ÍⲿÉ豸¼à¿ØÊäÈë½ÓÏß´íÎó¡£Á¬½Ó¼ÌµçÆ÷¹ÊÕÏ¡£ |
 |
ͬ²½Ïß½ÓÏß´íÎó¡£ <Ͷ¹âÆ÷²àÁÁÆð> ÊܹâÆ÷²à¹ÊÕÏ¡£ <ÊܹâÆ÷²àÁÁÆð> Ͷ¹âÆ÷²à¹ÊÕÏ¡£ |
 |
ÔëÒôµÈµÄÓ°Ïì¡£Ïà¹ØµçÔ´¹ÊÕÏ¡£¹âÄ»´«¸ÐÆ÷¹ÊÕÏ¡£ ¡ùÇëÏò±¾¹«Ë¾×Éѯ¡£ |
 |
ÓÉÓÚ¼ì²âÃæÓÐÎÛ¹¸»ò¹âÖáδ¶ÔÆëµÈµ¼ÖÂÈë¹âÁ¿Ï½µ¡£ (¹âÖá´¦ÓÚÃãÇ¿Èë¹â״̬) |
 |
Ͷ¹âֹͣ״̬¡£ |
 |
ÁªËø×´Ì¬¡£ |
 |
¿ØÖÆÊä³öΪPNPÊä³öÉ趨״̬¡£ |
 |
¿ØÖÆÊä³öΪNPNÊä³öÉ趨״̬¡£ | ¡ùÏêÇéÇë²ÎÔÄʹÓÃ˵Ã÷Êé
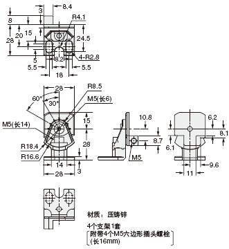
¹âÄ»´«¸ÐÆ÷ÓÃÓç½Ç¾µ
¡¤ÇëÎñ±Ø¸ù¾Ý¹âÄ»´«¸ÐÆ÷SF4B/SF2BϵÁеÄʹÓÃ˵Ã÷Êé½øÐÐά»¤¡£ ¡¤Èç¹û±¾²úÆ·µÄ·´ÉäÃæÉϸ½×ÅÎÛ¹¸¡¢Ë®¡¢Ó͵ÈÇëÎðʹÓá£Èç¹ûÀ©É¢»òÍäÇúÎÞ·¨È·±£ºÏÊʵļì²â·¶Î§ ¡¤ÇëÎñ±ØÔÚÁ˽â²úÆ·¸½´øµÄʹÓÃ˵Ã÷ÊéµÄ»ù´¡ÉÏ£¬ÔÙ¸ù¾Ý°²×°Ìõ¼þ°²×°±¾²úÆ·¼°¹âÄ»´«¸ÐÆ÷¡£Èç¹û²»Âú×ã°²×°Ìõ¼þ£¬ÓпÉÄܳÊÒâÏë²»µ½µÄ´íÎóÈë¹â״̬¡¢ÖØÉËÉõÖÁËÀÍö¡£ ¡¤Ê¹Óñ¾²úƷʱ£¬ÇëÎ𽫹âÄ»´«¸ÐÆ÷SF4B/SF2BϵÁÐ×÷Ϊ»Ø¹é·´ÉäÐÍʹÓᣠ¡¤±¾²úÆ·µÄ·´ÉäÃæ²ÄÖÊΪ²£Á§¡£ÆÆËðʱ»áÓÐËé²£Á§·É½¦£¬Çë×¢Òâ¡£
| ÖÖ Àà |
Óç½Ç¾µ |
| ÐÍ ºÅ |
RF-SFBH-¡õ |
| ¼ì²â¾àÀëË¥¼õÂÊ |
1¸öÓç½Ç¾µ£º90%£¬2¸öÓç½Ç¾µ£º80% |
ÄÍ »· ¾³ ÐÔ |
ÖÜΧÎÂ¶È |
£10¡«£«55¡ãC(²»¿É½á±ù¡¢½á¶)£¬´æ´¢£º£25¡«£«70¡ãC |
| ÖÜΧʪ¶È |
30¡«85%RH£¬´æ´¢£º30¡«95%RH |
| ÄÍÕñ¶¯ |
ƵÂÊ10¡«55Hz Ë«Õñ·ù0.75mm XYZ¸÷·½Ïò2Сʱ |
| Äͳå»÷ |
ƵÂÊ300m/s2(Ô¼30G) XYZ¸÷·½Ïò3´Î |
| ²ÄÖÊ |
Ö÷Ìå¿Ç£ºÂÁ£¬°²×°Ö§¼Ü£º²»Ðâ¸Ö Óç½Ç¾µ(·´Ãæ¾µ)£º²£Á§£¬²à¸Ç£ºEPDM |
| ¸½¼þ |
¼ÞÁ¬Ö§³ÅÖ§¼Ü RF-SFBH-40/48/56/64£º1Ì× RF-SFBH-72/80/88/96£º2Ì× |
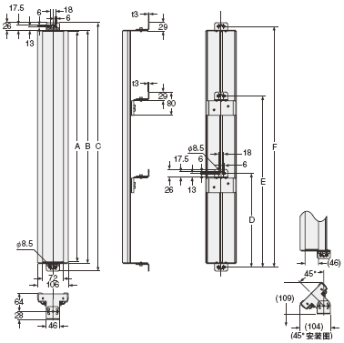
³ß´ç(µ¥Î»£ºmm)
SF4B-¡õ ¹âÄ»´«¸ÐÆ÷

| ÐͺŠ|
A |
B |
C |
D |
E |
F |
| SF4B-F23 |
SF4B-H12 |
SF4B-A6 |
230 |
270 |
286 |
¡ª |
¡ª |
¡ª |
| SF4B-F31 |
SF4B-H16 |
SF4B-A8 |
310 |
350 |
366 |
¡ª |
¡ª |
¡ª |
| SF4B-F39 |
SF4B-H20 |
SF4B-A10 |
390 |
430 |
446 |
¡ª |
¡ª |
¡ª |
| SF4B-F47 |
SF4B-H24 |
SF4B-A12 |
470 |
510 |
526 |
¡ª |
¡ª |
¡ª |
| SF4B-F55 |
SF4B-H28 |
SF4B-A14 |
550 |
590 |
606 |
¡ª |
¡ª |
¡ª |
| SF4B-F63 |
SF4B-H32 |
SF4B-A16 |
630 |
670 |
686 |
¡ª |
¡ª |
¡ª |
| SF4B-F71 |
SF4B-H36 |
SF4B-A18 |
710 |
750 |
766 |
¡ª |
¡ª |
¡ª |
| SF4B-F79 |
SF4B-H40 |
SF4B-A20 |
790 |
830 |
846 |
390 |
¡ª |
¡ª |
| SF4B-F95 |
SF4B-H48 |
SF4B-A24 |
950 |
990 |
1,006 |
470 |
¡ª |
¡ª |
| SF4B-F111 |
SF4B-H56 |
SF4B-A28 |
1,110 |
1,150 |
1,166 |
550 |
¡ª |
¡ª |
| SF4B-F127 |
SF4B-H64 |
SF4B-A32 |
1,270 |
1,310 |
1,326 |
418 |
842 |
¡ª |
| ¡ª |
SF4B-H72 |
SF4B-A36 |
1,430 |
1,470 |
1,486 |
472 |
948 |
¡ª |
| ¡ª |
SF4B-H80 |
SF4B-A40 |
1,590 |
1,630 |
1,646 |
525 |
1,055 |
¡ª |
| ¡ª |
SF4B-H88 |
SF4B-A44 |
1,750 |
1,790 |
1,806 |
433 |
870 |
1,308 |
| ¡ª |
SF4B-H96 |
SF4B-A48 |
1,910 |
1,950 |
1,966 |
473 |
950 |
1,428 | |
| ÐͺŠ|
A |
B |
| SF4B-F¡õ |
10 |
5 |
| SF4B-H¡õ |
20 |
5 |
| SF4B-A¡õ |
40 |
15 | |
ÎÞËÀ½Ç°²×°Ö§¼ÜMS-SFB-3ºÍ¼ÞÁ¬Ö§³ÅÖ§¼ÜµÄ°²×°Í¼¡£
| ÐͺŠ|
A |
B |
C |
D |
E |
F |
| SF4B-F23 |
SF4B-H12 |
SF4B-A6 |
230 |
209 |
201 |
¡ª |
¡ª |
¡ª |
| SF4B-F31 |
SF4B-H16 |
SF4B-A8 |
310 |
289 |
281 |
¡ª |
¡ª |
¡ª |
| SF4B-F39 |
SF4B-H20 |
SF4B-A10 |
390 |
369 |
361 |
¡ª |
¡ª |
¡ª |
| SF4B-F47 |
SF4B-H24 |
SF4B-A12 |
470 |
449 |
441 |
¡ª |
¡ª |
¡ª |
| SF4B-F55 |
SF4B-H28 |
SF4B-A14 |
550 |
529 |
521 |
¡ª |
¡ª |
¡ª |
| SF4B-F63 |
SF4B-H32 |
SF4B-A16 |
630 |
609 |
601 |
¡ª |
¡ª |
¡ª |
| SF4B-F71 |
SF4B-H36 |
SF4B-A18 |
710 |
689 |
681 |
¡ª |
¡ª |
¡ª |
| SF4B-F79 |
SF4B-H40 |
SF4B-A20 |
790 |
769 |
761 |
370 |
¡ª |
¡ª |
| SF4B-F95 |
SF4B-H48 |
SF4B-A24 |
950 |
929 |
921 |
450 |
¡ª |
¡ª |
| SF4B-F111 |
SF4B-H56 |
SF4B-A28 |
1,110 |
1,089 |
1,081 |
530 |
¡ª |
¡ª |
| SF4B-F127 |
SF4B-H64 |
SF4B-A32 |
1,270 |
1,249 |
1,241 |
398 |
822 |
¡ª |
| ¡ª |
SF4B-H72 |
SF4B-A36 |
1,430 |
1,409 |
1,401 |
452 |
928 |
¡ª |
| ¡ª |
SF4B-H80 |
SF4B-A40 |
1,590 |
1,569 |
1,561 |
505 |
1,035 |
¡ª |
| ¡ª |
SF4B-H88 |
SF4B-A44 |
1,750 |
1,729 |
1,721 |
413 |
850 |
1,288 |
| ¡ª |
SF4B-H96 |
SF4B-A48 |
1,910 |
1,889 |
1,881 |
453 |
930 |
1,428 | |
| ÐͺŠ|
A |
B |
| SF4B-F¡õ |
10 |
5 |
| SF4B-H¡õ |
20 |
5 |
| SF4B-A¡õ |
40 |
15 | |
±£»¤¸ËMC-SFBH-¡õµÄ°²×°Í¼¡£
 |
| ÐͺŠ|
ÊÊÓùâÄ»´«¸ÐÆ÷ÐͺŠ|
A |
B |
C |
D |
| MC-SFBH-12 |
SF4B-F23 |
SF4B-H12 |
SF4B-A6 |
230 |
279 |
296 |
250 |
| MC-SFBH-16 |
SF4B-F31 |
SF4B-H16 |
SF4B-A8 |
310 |
359 |
376
|
330 |
| MC-SFBH-20 |
SF4B-F39 |
SF4B-H20 |
SF4B-A10 |
390 |
439 |
456 |
410 |
| MC-SFBH-24 |
SF4B-F47 |
SF4B-H24 |
SF4B-A12 |
470 |
519 |
536 |
490 |
| MC-SFBH-28 |
SF4B-F55 |
SF4B-H28 |
SF4B-A14 |
550 |
599 |
616 |
570 |
| MC-SFBH-32 |
SF4B-F63 |
SF4B-H32 |
SF4B-A16 |
630 |
679 |
696 |
650 |
| MC-SFBH-36 |
SF4B-F71 |
SF4B-H36 |
SF4B-A18 |
710 |
759 |
776 |
730 |
| MC-SFBH-40 |
SF4B-F79 |
SF4B-H40 |
SF4B-A20 |
790 |
839 |
856 |
810 |
| MC-SFBH-48 |
SF4B-F95 |
SF4B-H48 |
SF4B-A24 |
950 |
999 |
1,016 |
970 |
| MC-SFBH-56 |
SF4B-F111 |
SF4B-H56 |
SF4B-A28 |
1,110 |
1,159 |
1,176 |
1,130 |
| MC-SFBH-64 |
SF4B-F127 |
SF4B-H64 |
SF4B-A32 |
1,270 |
1,319 |
1,336 |
1,290 |
| MC-SFBH-72 |
¡ª |
SF4B-H72 |
SF4B-A36 |
1,430 |
1,479 |
1,496 |
1,450 |
| MC-SFBH-80 |
¡ª |
SF4B-H80 |
SF4B-A40 |
1,590 |
1,639 |
1,656 |
1,610 |
| MC-SFBH-88 |
¡ª |
SF4B-H88 |
SF4B-A44 |
1,750 |
1,799 |
1,816 |
1,770 |
| MC-SFBH-96 |
¡ª |
SF4B-H96 |
SF4B-A48 |
1,910 |
1,959 |
1,976 |
1,930 | |
MS-SFB-1 ±ê×¼°²×°Ö§¼Ü(ÁíÊÛ)
MS-SFB-1-T M8°²×°Ö§¼Ü(ÁíÊÛ)
MS-SFB-2 ¼ÞÁ¬Ö§³ÅÖ§¼Ü(¹âÄ»´«¸ÐÆ÷¸½¼þ)
 |
×¢£º1)¼ÞÁ¬Ö§³ÅÖ§¼Ü(MS-SFB-2)ΪÏÂÁвú Æ·µÄ¸½¼þ¡£ÊýÁ¿Òò²úÆ·¶øÒì¡£ 1Ì×£ºSF4B-F¡õ¡79¡«111¹âÖá´«¸ÐÆ÷ SF4B-H¡õ¡40¡«56¹âÖá´«¸ÐÆ÷ SF4B-A¡õ¡20¡«28¹âÖá´«¸ÐÆ÷ 2Ì×£ºSF4B-F127 SF4B-H¡õ¡64¡«80¹âÖá´«¸ÐÆ÷ SF4B-A¡õ¡32¡«40¹âÖá´«¸ÐÆ÷ 3Ì×£ºSF4B-H¡õ¡88¡«96¹âÖá´«¸ÐÆ÷ SF4B-A¡õ¡44¡«48¹âÖá´«¸ÐÆ÷ |
MS-SFB-3 ÎÞËÀ½Ç°²×°Ö§¼Ü(ÁíÊÛ)
L×ÖÐΰ²×°
MS-SFB-4 ¼ä¾à±ä»»Ö§¼Ü(ÁíÊÛ)
MS-SFB-4-T M8¼ä¾à±ä»»Ö§¼Ü(ÁíÊÛ)
SFB-HC ÊÖ¶¯¿ØÖÆÆ÷(ÁíÊÛ) |
SF-LAT-2N ¼¤¹â¹âÖá¶ÔÆëÆ÷(ÁíÊÛ) |
 |
 |
SF-C11 ¿ØÖÆÆ÷(ÁíÊÛ)
SF-C12 ¿ØÖÆÆ÷(ÁíÊÛ)
SF-C13 ¿ØÖÆÆ÷(ÁíÊÛ) |
SF-IND-2 ¹âÄ»´«¸ÐÆ÷´óÏÔʾÆ÷(ÁíÊÛ) |
 |
 |
RF-SFBH-¡õ ¹âÄ»´«¸ÐÆ÷ÓÃÓç½Ç¾µ(ÁíÊÛ)
| ÐͺŠ|
A |
B |
C |
D |
E |
F |
Ö÷ÌåÖØÁ¿ |
| RF-SFBH-12 |
236 |
246 |
298 |
¡ª |
¡ª |
272 |
Ô¼970g |
| RF-SFBH-16 |
316 |
326 |
378 |
¡ª |
¡ª |
352 |
Ô¼1,170g |
| RF-SFBH-20 |
396 |
406 |
458 |
¡ª |
¡ª |
432 |
Ô¼1,370g |
| RF-SFBH-24 |
476 |
486 |
538 |
¡ª |
¡ª |
512 |
Ô¼1,570g |
| RF-SFBH-28 |
556 |
566 |
618 |
¡ª |
¡ª |
592 |
Ô¼1,770g |
| RF-SFBH-32 |
636 |
646 |
698 |
¡ª |
¡ª |
672 |
Ô¼1,970g |
| RF-SFBH-36 |
716 |
726 |
778 |
¡ª |
¡ª |
752 |
Ô¼2,170g |
| RF-SFBH-40 |
796 |
806 |
858 |
458¡À50 |
¡ª |
832 |
Ô¼2,660g |
| RF-SFBH-48 |
956 |
966 |
1,018 |
538¡À50 |
¡ª |
992 |
Ô¼3,060g |
| RF-SFBH-56 |
1,116 |
1,126 |
1,178 |
618¡À50 |
¡ª |
1,152 |
Ô¼3,460g |
| RF-SFBH-64 |
1,276 |
1,286 |
1,338 |
698¡À50 |
¡ª |
1,312 |
Ô¼3,890g |
| RF-SFBH-72 |
1,436 |
1,446 |
1,498 |
538¡À50 |
1,018¡À50 |
1,472 |
Ô¼4,550g |
| RF-SFBH-80 |
1,596 |
1,606 |
1,658 |
591¡À50 |
1,125¡À50 |
1,632 |
Ô¼4,950g |
| RF-SFBH-88 |
1,756 |
1,766 |
1,818 |
645¡À50 |
1,231¡À50 |
1,792 |
Ô¼5,350g |
| RF-SFBH-96 |
1,916 |
1,926 |
1,978 |
698¡À50 |
1,338¡À50 |
1,952 |
Ô¼5,750g |
|
|
|