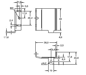
|
|
|
²úÆ·Ãû³Æ£º
|
ÉñÊÓSF2-NϵÁÐСÐ͹âÄ»´«¸ÐÆ÷
|
|
ÐÍ ºÅ£º
|
SF2-NϵÁÐ
|
|
¼Û ¸ñ£º
|
0.00
|
|
Æ· ÅÆ£º
|
ÉñÊÓ
|
|
|
|
СÐ͹âÄ»´«¸ÐÆ÷
SF2-NϵÁÐ ÌØµã£ºÌṩȫÇò±ê×¼°²È«ÐÔType2´®ÁªÁ¬½ÓÐÍ
²úÆ·ÌØµã:
IEC 61496(Type2)¹¤Òµ±ê×¼Ó¦Óà |
´ïµ½½Ï¸ß°²È«Ë®Æ½ |
| SF2-NϵÁÐÓëÔÓеÄ×Ô¶¯·À¹ÊÕÏÐÍÇøÓò´«¸ÐÆ÷¾ßͬµÈ°²È«ÐÔÇÒ·ûºÏÅ·Ö޺ͱ±ÃÀ°²È«±ê×¼£¬ËùÓпÉÒÔÔÚÊÀ½çÉÏÈκεط½Ê¹Óᣠ|
´«¸ÐÆ÷ÉèΪONʱ½øÐÐ×ÔÎÒÕï¶Ï¡£ Ͷ¹âÆ÷ÄÚ²¿µÄ¼à¿Øµ¥Ôª(CPU)²»Í£µØ¼ì²éͶ¹âµç·ºÍ¿ØÖƵç·¡£¶øÇÒ£¬ÊܹâÆ÷ÄÚ²¿µÄ¼à¿Øµ¥Ôª(CPU)Ò²²»Í£µØ¼ì²éÊܹâµç·£¬¿ØÖƵç·ºÍÊä³öµç·£¬ËùÒÔ¿ÉʼÖÕ±£³Ö½Ï¸ß°²È«Ë®Æ½¡£ |
 |
 |
ͨ¹ý´®ÁªÁ¬½ÓʵÏÖÊ¡ÅäÏß |
| ʹÓÃÁíÊ۵Ĵ®ÁªÁ¬½ÓµçÀ£¬×î¶àÈýÌ×´«¸ÐÆ÷×ܼÆ128¹âÖá(20mm¹âÖá¼ä¾àÐÍ)»ò64¹âÖá(40mm¹âÖá¼ä¾àÐÍ)¿ÉÒÔ´®ÁªÁ¬½Ó£¬ËùÒÔ£¬¼´Ê¹LÐκÍUÐÎÇøÓòÒ²ºÜÈÝÒ׸²¸Çµ½¡£ÒÔǰ£¬ÈýÌ×´«¸ÐÆ÷ÐèÒª·Ö±ð½ÓÏß¡£µ«ÊÇÏÖÔÚ£¬Ö»ÐèÒªÓÃÓÚÒ»Ì×µÄͬµÈ½ÓÏߣ¬Òò¶ø½ÚÊ¡ÁË·±ËöµÄÁ¬ÏߺͽµµÍÁ˳ɱ¾¡£ |
 |
СÐÍÉè¼Æ£¬28mm¿í£¬19mmºñ |
·½±ãµÄָʾµÆÊ¹¹âÖáÒ×ÓÚ¶ÔÆë |
| ½ö28mm¿í£¬19mmºñµÄСÐÍÉè¼Æ¡£½öÐèÉÙÁ¿¿Õ¼äʹ´«¸ÐÆ÷¿É×°±¸ÔÚ»úÆ÷ÖС£ |
¹âÖá¶ÔÆëָʾµÆ·Ö²¼ÔÚ´«¸ÐÆ÷µÄËĸö²¿·Ö¡£¹âÖá¶ÔÆëʱ£¬¸Ã²¿·ÖָʾµÆÁÁ³ÉºìÉ«£¬µ±ËùÓйâÖá¶ÔÆëʱ£¬Ö¸Ê¾µÆ¶¼ÁÁ³ÉÂÌÉ«¡£¹âÖá¶ÔÆëָʾµÆÔÚͶ¹âÆ÷ºÍÊܹâÆ÷É϶¼Óзֲ¼£¬¹Ê¶ÔÆëºÍδ¶ÔÆëµÄ¹âÖá¿ÉһĿÁËÈ»¡£ |
 |
 |
ʶ±ðÍⲿ¹âÏß²¢Ô¤·À¹ÊÕÏ |
²»Í¬µÄÆ·ÖÖÂú×㲻ͬµÄÐèÒª |
| ELC¹¦ÄÜÔ¤·ÀÓÉÓÚÍⲿ¹âÏßÈ總½ü¾¹ýµÄ´«¸ÐÆ÷£¬AGV£¬Ñ²Âß¹â»òй¶¹âÒýÆðµÄ¹ÊÕÏ¡£ |
¿ÉÓô«¸ÐÆ÷ÓйâÖá¼ä¾àΪ20mm(×îС¼ì²âÎïÌå¦Õ 30mm)ÇÒ±£»¤¸ß¶È´Ó190mm(8¹â Öá)¡«1,310mm(64¹âÖá)µÄ¡£»¹Óд«¸ÐÆ÷¹âÖá¼ä¾àΪ40mm(×îС¼ì²âÎïÌå¦Õ 50mm)ÇÒ±£»¤¸ß¶È´Ó190mm(4¹âÖá)¡«1,630mm(40¹âÖá)µÄ¡£Äã¿É´Ó¶àÖÖ²úÆ·ÖÐÑ¡ÔñÊʺϵġ£NPNÊä³öÐÍºÍ PNPÊä³öÐÍÊÊÓÃÓÚËùÓÐÐͺš£ |
| ¡¤ ELC(Extraneous Light Check)¹¦Äܴ˹¦ÄÜÇø·ÖÀ´×Ô´«¸ÐÆ÷×ÔÉíµÄ¹âºÍÍâ½çÀ´Ô´µÄ¹â£¬²¢ÇÒµ±Íâ½çÀ´Ô´¹â±»´«¸ÐÆ÷½ÓÊÕʱ¼õÇáÆäÔì³ÉµÄÓ°Ïì¡£ |
 |
 |
¼ì²â±íÃæµÄ·À½¦¹¦ÄÜ |
| ÏÖÔÚ¿ÉÀûÓ÷À½¦Ã±ÐÍÀ´±£»¤¼ì²â±íÃæÃâÊÜÀ´×Ôº¸½Ó»úÆ÷º¸ÒºµÄË𻵣¬¶øÇÒ°²×°ÔÚ´«¸ÐÆ÷ÄÚµÄÕýÃæ·À»¤ÕÖÒ²¿ÉÓÃÀ´ÍêÈ«·ÀÖ¹ÆÃ½¦Î︽×ÅÓÚ¼ì²â±íÃæ¡£´ËÍ⣬±»¼ì²âÎTʹ½Ó´¥´«¸ÐÆ÷£¬¼ì²â±íÃæÈÔ»áÊܵ½±£»¤¡£ |
  |
ÕýÃæ·À»¤ÕÖ±£»¤¼ì²â±íÃæ |
ÏÁ·ì͸¹âÕÖ¼ÓÇ¿¹¦ÄÜÐÔ |
| ¼´Ê¹ÔÚ¶ñÁӵĻ·¾³Ìõ¼þÏÂʹÓô«¸ÐÆ÷ʱ£¬ÁíÊÛµÄÕýÃæ·À»¤ÕÖ(FC-SF2N-A¡õ/FC-SF4A-H¡õ-H)ÈԿɰ²×°ÔÚ´«¸ÐÆ÷ÉÏÒÔ±£»¤¼ì²â±íÃæ¡£ |
ͨ¹ýʹÓÃÁíÊÛÏÁ·ì͸¹âÕÖ(OS-SF2N-A¡õ/OS-SF4A-H¡õ-H)£¬Í¶¹âºÍÊܹâÁ¿¿É±»ÒÖÖÆÒÔ¼õÉÙÀ´×ÔÆäËû´«¸ÐÆ÷µÈµÄÍâÀ´¹âµÄÓ°Ïì¡£ |
 |
 |
°²×°Ö§¼Üʹ¹âÖáÒ×ÓÚ¶ÔÆë |
¹âÖá¶ÔÆë¿ÉÔÚͨµçǰ¾«È·Íê³É |
| ¸½´øºó²¿°²×°Ö§¼Ü(MS-SF2N-1)£¬·½±ã½Ç¶Èµ÷Õû£¬´Ó¶øÊ¹¹âÖá¶ÔÆëºÜ¼òµ¥¡£´ËÍ⣬ »¹±¸ÓÐÁíÊ۵IJàÃæ°²×°Ö§¼Ü(MS-SF2N-3)¡£ |
Èç¹ûÔËÓÃSF-LAT-2N¼¤¹â¶ÔÆëÆ÷£¬²ÉÓÃÒ×¼ûµÄ¹âÖá¶ÔÆëÊӵ㣬¼´Ê¹ÊÇÔ¶¾àÀë°²×°Ò² ¿É¼òµ¥¿ìËÙÍê³É¡£´ËÍ⣬SF-LAT-2N¼¤¹â¶ÔÆëÆ÷ÊÇµç³Ø´ø¶¯µÄ£¬ËùÒÔ¹âÖá¶ÔÆë¿ÉÔÚ ¹âÄ»´«¸ÐÆ÷ʵ¼ÊͨµçǰÍê³É¡£ |
 |
 |
ÓÃ;
| ±£»¤ÌØÊâÓÃ;»úÆ÷ |
¶Ô½øÈë½ûÖ¹½øÈëÏߵļì²â |
¼Ó¹¤»úÇÖÈë¼ì²â |
   |
¶©¹ºÖ¸ÄÏ
| ÖÖ Àà |
ÐΡ¡×´ |
¼ì²â¾àÀë (×¢1) |
ÐÍ¡¡ºÅ |
¹âÖáÊý |
±£»¤¸ß¶È(mm) |
| NPNÊä³öÐÍ |
PNPÊä³öÐÍ |
| ÆÕͨºÐÐÍ |
20 mm ¹â Öá ¼ä ¾à |
 |
 0.3~7m |
SF2-NH8 |
SF2-NH8-PN |
8 |
190 |
| SF2-NH12 |
SF2-NH12-PN |
12 |
270 |
| SF2-NH16 |
SF2-NH16-PN |
16 |
350 |
| SF2-NH20 |
SF2-NH20-PN |
20 |
430 |
| SF2-NH24 |
SF2-NH24-PN |
24 |
510 |
| SF2-NH28 |
SF2-NH28-PN |
28 |
590 |
| SF2-NH32 |
SF2-NH32-PN |
32 |
670 |
| SF2-NH36 |
SF2-NH36-PN |
36 |
750 |
| SF2-NH40 |
SF2-NH40-PN |
40 |
830 |
| SF2-NH48 |
SF2-NH48-PN |
48 |
990 |
| SF2-NH56 |
SF2-NH56-PN |
56 |
1,150 |
| SF2-NH64 |
SF2-NH64-PN |
64 |
1,310 |
40 mm ¹â Öá ¼ä ¾à |
 |
SF2-NA4 |
SF2-NA4-PN |
4 |
190 |
| SF2-NA6 |
SF2-NA6-PN |
6 |
270 |
| SF2-NA8 |
SF2-NA8-PN |
8 |
350 |
| SF2-NA10 |
SF2-NA10-PN |
10 |
430 |
| SF2-NA12 |
SF2-NA12-PN |
12 |
510 |
| SF2-NA14 |
SF2-NA14-PN |
14 |
590 |
| SF2-NA16 |
SF2-NA16-PN |
16 |
670 |
| SF2-NA18 |
SF2-NA18-PN |
18 |
750 |
| SF2-NA20 |
SF2-NA20-PN |
20 |
830 |
| SF2-NA24 |
SF2-NA24-PN |
24 |
990 |
| SF2-NA28 |
SF2-NA28-PN |
28 |
1,150 |
| SF2-NA32 |
SF2-NA32-PN |
32 |
1,310 |
| SF2-NA36 |
SF2-NA36-PN |
36 |
1,470 |
| SF2-NA40 |
SF2-NA40-PN |
40 |
1,630 |
| ´ø·À½¦Ã±ÐÍ |
20 mm ¹â Öá ¼ä ¾à |
 |
 0.3~7m |
SF2-NH8-H |
SF2-NH8-PN-H |
8 |
190 |
| SF2-NH12-H |
SF2-NH12-PN-H |
12 |
270 |
| SF2-NH16-H |
SF2-NH16-PN-H |
16 |
350 |
| SF2-NH20-H |
SF2-NH20-PN-H |
20 |
430 |
| SF2-NH24-H |
SF2-NH24-PN-H |
24 |
510 |
| SF2-NH28-H |
SF2-NH28-PN-H |
28 |
590 |
| SF2-NH32-H |
SF2-NH32-PN-H |
32 |
670 |
| SF2-NH36-H |
SF2-NH36-PN-H |
36 |
750 |
| SF2-NH40-H |
SF2-NH40-PN-H |
40 |
830 |
| SF2-NH48-H |
SF2-NH48-PN-H |
48 |
990 |
| SF2-NH56-H |
SF2-NH56-PN-H |
56 |
1,150 |
| SF2-NH64-H |
SF2-NH64-PN-H |
64 |
1,310 |
40 mm ¹â Öá ¼ä ¾à |
 |
SF2-NA4-H |
SF2-NA4-PN-H |
4 |
190 |
| SF2-NA6-H |
SF2-NA6-PN-H |
6 |
270 |
| SF2-NA8-H |
SF2-NA8-PN-H |
8 |
350 |
| SF2-NA10-H |
SF2-NA10-PN-H |
10 |
430 |
| SF2-NA12-H |
SF2-NA12-PN-H |
12 |
510 |
| SF2-NA14-H |
SF2-NA14-PN-H |
14 |
590 |
| SF2-NA16-H |
SF2-NA16-PN-H |
16 |
670 |
| SF2-NA18-H |
SF2-NA18-PN-H |
18 |
750 |
| SF2-NA20-H |
SF2-NA20-PN-H |
20 |
830 |
| SF2-NA24-H |
SF2-NA24-PN-H |
24 |
990 |
| SF2-NA28-H |
SF2-NA28-PN-H |
28 |
1,150 |
| SF2-NA32-H |
SF2-NA32-PN-H |
32 |
1,310 |
| SF2-NA36-H |
SF2-NA36-PN-H |
36 |
1,470 |
| SF2-NA40-H |
SF2-NA40-PN-H |
40 |
1,630 |
×¢£º 1)¼ì²â¾àÀëÊÇͶ¹âÆ÷ºÍÊܹâÆ÷Ö®¼äµÄ¿ÉÉ趨·¶Î§¡£´«¸ÐÆ÷¿É¼ì²â0.3mÒÔÄÚµÄÎïÌå¡£ |
 |
| Æ· Ãû |
ÐÎ ×´ |
ÐÍ ºÅ |
˵ Ã÷ |
| ±¡ÐÍ¿ØÖƵ¥Ôª |
 |
SF-C13 |
·ûºÏ×î¸ß4Àà¿ØÖÆ(ÓëSF2-NϵÁÐ×éºÏÔòΪ2Àà¿ØÖÆ)¡£ | ×¢£º1)SF-C13µÄÏêÇéÇë²ÎÔÄPDF P.88¡£
| Æ· Ãû |
ÐÎ ×´ |
ÐÍ ºÅ |
˵ Ã÷ |
| Ò»¶Ë´øÁ¬½ÓÆ÷µÄµçÀ |
 |
SF2N-CC3 |
³¤¶È£º3m ÖØÁ¿£ºÔ¼400g(Ë«µçÀÂ) |
ÓÃÓÚ½ÓÏß¡£ 7оÆÁ±ÎµçÀÂ(Ͷ¹âÆ÷ÓÃ6о)£¬Ò»¶Ë´øÁ¬½ÓÆ÷£¬Ã¿Ì×2¸ù¡£ µçÀÂÍâ¾¶£º 6mm Á¬½ÓÆ÷Íâ¾¶£º×î´ó 14mm µçÀÂÑÕÉ«£º»ÒÉ«(ÓÃÓÚͶ¹âÆ÷)£¬»ÒÉ«´øºÚÏß(ÓÃÓÚÊܹâÆ÷) ×îСÍäÇú°ë¾¶£ºR30mm |
| SF2N-CC7 |
³¤¶È£º7m ÖØÁ¿£ºÔ¼870g(Ë«µçÀÂ) |
| SF2N-CC10 |
³¤¶È£º10m ÖØÁ¿£ºÔ¼1,200g(Ë«µçÀÂ) |
| Á½¶Ë¾ù´øÁ¬½ÓÆ÷µÄµçÀ |
 |
SF2N-CCJ10 |
³¤¶È£º10m ÖØÁ¿£ºÔ¼1,200g(Ë«µçÀÂ) |
ÓÃÓÚÑÓ³¤µçÀ¡£ ÆÁ±ÎµçÀ£¬Á½¶Ë¾ù´øÁ¬½ÓÆ÷ µçÀÂÍâ¾¶£º6mm Á¬½ÓÆ÷Íâ¾¶£º×î´ó14mm µçÀÂÑÕÉ«£º»ÒÉ«(ÓÃÓÚͶ¹âÆ÷)£¬»ÒÉ«´øºÚÏß(ÓÃÓÚÊܹâÆ÷) ×îСÍäÇú°ë¾¶£ºR30mm |
| ´®ÁªµçÀ |
 |
SF2N-CSL02 |
³¤¶È£º200m ÖØÁ¿£ºÔ¼80g(Ë«µçÀÂ) |
ÓÃÓÚ´®ÁªÁ¬½Ó´«¸ÐÆ÷ ÆÁ±ÎµçÀÂ,Á½¶Ë¾ù´øÁ¬½ÓÆ÷,ÿÌ×2¸ù ÿÌ×2¸ù (Ͷ¹âÆ÷ºÍÊܹâÆ÷Ïàͬ) µçÀÂÍâ¾¶: 6mm µçÀÂÑÕÉ«:»ÒÉ«(Ͷ¹âÆ÷ºÍÊܹâÆ÷Ïàͬ) ×îСÍäÇú°ë¾¶:R30mm |
| SF2N-CSL05 |
³¤¶È£º500m ÖØÁ¿£ºÔ¼110g(Ë«µçÀÂ) |
| ÓÃÓÚ´®ÁªÁ¬½ÓµÄµ×ñµçÀÂ(×¢) |
 |
SF2N-CB05 |
³¤¶È£º500m ÖØÁ¿£ºÔ¼120g(Ë«µçÀÂ) |
ÔÚ´®ÁªÁ¬½ÓÇé¿öÏÂ,Èç¹ûÁ¬½Ó3Ì×»ò×ܵĹâÖáÊý³¬¹ý48[SF2-NA¡õ(-PN)(-H):24¹âÖáÒÔÉÏ],½«´ËµçÀÂÁ¬½Óµ½ÖÕ¶Ë´«¸ÐÆ÷.ÆÁ±ÎµçÀÂ,Á½¶Ë´øÁ¬½ÓÆ÷,ÿÌ×2¸ù µçÀÂÍâ¾¶: 6mm µçÀÂÑÕÉ«:»ÒÉ«(ÓÃÓÚͶ¹âÆ÷),»ÒÉ«´øºÚÏß(ÓÃÓÚÊܹâÆ÷) ×îСÍäÇú°ë¾¶:R30mm | ×¢£º×¢Ò⵱ʹÓõ×ñµçÀ½øÐд®ÁªÁ¬½Ó(SF2N-CB05)ʱSF2-NϵÁгߴç»á¸Ä±ä¡£Çë²ÎÔÄPDF P.157ºÍP.158¡°³ß´ç¡±¡£
Èç¹ûSF2-NϵÁÐÔÚÏÂÊöÌõ¼þÏ´®ÁªÁ¬½Ó£¬¿ÉÓô®ÁªÁ¬½Ó(SF2N-CB05)ÓÃÁíÊÛµ×ñµçÀ¸ü»»SF2-NϵÁи½´øµÄµ×ñµçÀ¡£Èç¹û²»¸ü»»£¬SF2-NϵÁеÄÄÚ²¿±£»¤µç·¿ÉÄܹ¤×÷£¬´Ó¶øÒýÆð¹ÊÕÏ¡£ Èç¹û´®ÁªÁ¬½Ó3Ìס£ Èç¹û´®ÁªÁ¬½ÓµÄ×ܹâÖáÊý³¬¹ýÏÂÊö SF2-NH¡õ(-PN)(-H)£º48¹âÖá SF2-NA¡õ(-PN)(-H)£º24¹âÖá µ×ñµçÀ¸ü»»ÊµÀý
| ʹÓõIJúÆ·(×¢1) |
Ì× Êý |
×ܹâÖáÊý |
µ×ñµçÀ |
| SF2N-NH64 |
1Ì× |
64 |
¸½´øµÄµ×ñµçÀ |
SF2N-NH24 SF2N-NH24 |
2Ì× |
48 |
¸½´øµÄµ×ñµçÀ |
SF2N-NH24 SF2N-NH28 |
2Ì× |
52 |
ÓÃÓÚ´®ÁªÁ¬½ÓµÄÁíÊÛµ×ñµçÀÂ(SF2N-CB05)(×¢2) |
SF2N-NH24 SF2N-NH12 SF2N-NH12 |
3Ì× |
48 |
ÓÃÓÚ´®ÁªÁ¬½ÓµÄÁíÐŵ×ñµçÀÂ(SF2N-CB05)(×¢2) | ×¢£º 1)´®ÁªÁ¬½Ó²»ÊÊÓÃÓÚ20mm¹âÖá¼ä¾àÐÍ´«¸ÐÆ÷ºÍ40mm¹âÖá¼ä¾àÐÍ´«¸ÐÆ÷¡£ 2)×¢Ò⵱ʹÓõ×ñµçÀ½øÐд®ÁªÁ¬½Ó(SF2N-CB05)ʱSF2-NϵÁеijߴç»á¸Ä±ä¡£Çë²ÎÔÄPDF P.157ºÍPDF P.158¡°³ß´ç¡±¡£
| Æ· Ãû |
ÐÍ ºÅ |
˵ Ã÷ |
| ºó²¿°²×°Ö§¼Ü |
MS-SF2N-1 |
ÓÃÓÚ°Ñ´«¸ÐÆ÷°²×°ÓÚºó²¿(1Ì×ÓÃÓÚͶ¹âÆ÷ºÍÊܹâÆ÷) |
UÐκ󲿰²×°¼Þ Á¬Ö§³ÅÖ§¼Ü(×¢) |
MS-SF2N-2 |
ÓÃÓÚSF2-N¡õ(-PN) |
ÓÃÓÚ°Ñ´«¸ÐÆ÷¹Ì¶¨ÓÚÖв¿ÒÔ·ÀÕð(ºó²¿°²×°)(1Ì×ÓÃÓÚͶ¹âÆ÷ºÍÊܹâÆ÷) |
| MS-SF4A-H2 |
ÓÃÓÚSF2-N¡õ(-PN)-H |
|
LÐμÞÁ¬Ö§³Å
Ö§¼Ü(×¢) |
MS-SF2N-L |
ÓÃÓڰѼÞÁ¬Ö§³ÅÖ§¼Ü°²×°ÓÚǽÉϵÈλÖá£(1Ì×ÓÃÓÚͶ¹âÆ÷ºÍÊܹâÆ÷) |
| ²âÊÔ¸Ë |
SF2-NH-TR |
±ê×¼¼ì²âÒÔ¼ì²â¼«Ð¡ÎïÌå(30mm)£¬ÓÃÓÚ20mm¹âÖá¼ä¾à | ×¢£ºËùÐèÌ×Êý¸ù¾Ý²úÆ·¶ø²»Í¬£¬ÏêÇéÇë²ÎÔÄPDF P.159ºÍPDF P.160¡°³ß´ç¡±¡£
|
|
|
 |

|
×¢£º ÒÔÉÏͼÀýÖ»ÊÊÓÃÓÚMS-SF2N-2ÐÍ¡£MS-SF4A-H2ÐÎ×´Óë´Ë²»Í¬¡£ MS-SF2N-2/MS-SF4A-H2 1Ì×UÐκ󲿰²×°Ö§¼ÜºÍÍÐÅ̸÷2¸ö MS-SF2N-L 2¸öLÐΰ²×°Ö§¼Ü1Ì×[¸½´øM3ƽͷÂÝË¿(³¤10mm)£¬M4Áù±ßÐβåÍ·ÂÝË©(³¤10mm)ºÍÂÝĸ¸÷2¸ö] |
Åä¼þ(ÁíÊÛ)
ÊÊÓà ¹âÖá |
20mm ¹âÖá¼ä¾à |
8 ¹âÖá |
12 ¹âÖá |
16 ¹âÖá |
20 ¹âÖá |
24 ¹âÖá |
28 ¹âÖá |
32 ¹âÖá |
36 ¹âÖá |
40 ¹âÖá |
48 ¹âÖá |
56 ¹âÖá |
64 ¹âÖá |
---- |
---- |
| Æ· Ãû |
40mm ¹âÖá¼ä¾à |
4 ¹âÖá |
6 ¹âÖá |
8 ¹âÖá |
10 ¹âÖá |
12 ¹âÖá |
14 ¹âÖá |
16 ¹âÖá |
18 ¹âÖá |
20 ¹âÖá |
24 ¹âÖá |
28 ¹âÖá |
32 ¹âÖá |
36 ¹âÖá |
40 ¹âÖá |
| ÕýÃæ·À»¤ÕÖ |
ÓÃÓÚSF2- N¡õ(-PN) |
ÐͺŠ|
FC- SF2N- A4 |
FC- SF2N- A6 |
FC- SF2N- A8 |
FC- SF2N- A10 |
FC- SF2N- A12 |
FC- SF2N- A14 |
FC- SF2N- A16 |
FC- SF2N- A18 |
FC- SF2N- A20 |
FC- SF2N- A24 |
FC- SF2N- A28 |
FC- SF2N- A32 |
FC- SF2N- A36 |
FC- SF2N- A40 |
ÓÃÓÚSF2- N¡õ(-PN)-H |
ÐͺŠ|
FC- SF4A- H8-H |
FC- SF4A- H12-H |
FC- SF4A- H16-H |
FC- SF4A- H20-H |
FC- SF4A- H24-H |
FC- SF4A- H28-H |
FC- SF4A- H32-H |
FC- SF4A- H36-H |
FC- SF4A- H40-H |
FC- SF4A- H48-H |
FC- SF4A- H56-H |
FC- SF4A- H64-H |
FC- SF4A- H72-H |
FC- SF4A- H80-H |
| ÏÁ·ì͸¹âÕÖ |
ÓÃÓÚSF2- N¡õ(-PN) |
ÐͺŠ|
OS- SF2N- A4 |
OS- SF2N- A6 |
OS- SF2N- A8 |
OS- SF2N- A10 |
OS- SF2N- A12 |
OS- SF2N- A14 |
OS- SF2N- A16 |
OS- SF2N- A18 |
OS- SF2N- A20 |
OS- SF2N- A24 |
OS- SF2N- A28 |
OS- SF2N- A32 |
OS- SF2N- A36 |
OS- SF2N- A40 |
ÓÃÓÚSF2- N¡õ(-PN)-H |
ÐͺŠ|
OS- SF4A- H8-H |
OS- SF4A- H12-H |
OS- SF4A- H16-H |
OS- SF4A- H20-H |
OS- SF4A- H24-H |
OS- SF4A- H28-H |
OS- SF4A- H32-H |
OS- SF4A- H36-H |
OS- SF4A- H40-H |
OS- SF4A- H48-H |
OS- SF4A- H56-H |
OS- SF4A- H64-H |
OS- SF4A- H72-H |
OS- SF4A- H80-H |
×¢£ºÒÔÉÏÐͺŽöΪµ¥¼þ£¬¶ø·Ç³ÉÌײ¿¼þ£¬Í¶¹âÆ÷/ÊܹâÆ÷¶¼°²×°Ðè2¼þ(2Ì×)¡£
|
|
FC-SF2N-A¡õ
 |
FC-SF4A-H¡õ-H
 |
±£»¤¼ì²â±íÃæ¡£ ¼ì²â¾àÀë ÕýÃæ·À»¤ÕÖÔÚͶ¹â²à£º0.3~7m ÕýÃæ·À»¤ÕÖÔÚÊܹâ²à£º0.3~6m ÕýÃæ·À»¤ÕÖÔÚÁ½²à£º0.3~5m |
|
|
OS-SF2N-A¡õ
 |
OS-SF4A-H¡õ-H
 |
ÏÁ·ì͸¹âÕÖ¿ÉÏÞÖÆÍ¶¹â»òÊܹâÁ¿£¬Òò¶ø¼õÉÙ¸½½ü´«¸ÐÆ÷µÄ¸ÉÈÅ£¬ËüͬÑùÊÊÓÃÓÚ´©Í¸¼ì²âÎïÌåµÄ¹âÏßÇ¿¶È̫ǿµÄÇé¿ö¡£µ«Ê¹ÓÃÏÁ·ì͸¹âÕֺ󣬼ì²â¾àÀë»á¼õС¡£ ¼ì²â¾àÀë ÏÁ·ì͸¹âÕÖÔÚͶ¹â²à£º0.3~2.6m ÏÁ·ì͸¹âÕÖÔÚÊܹâ²à£º0.3~2.6m ÏÁ·ì͸¹âÕÖÔÚÁ½²à£º0.3~1.2m |
| Æ·¡¡Ãû |
ÐÍ¡¡ºÅ |
˵¡¡Ã÷ |
| ¹âÄ»´«¸ÐÆ÷´óÏÔʾÆ÷ |
SF-IND-2 |
´óÐÍָʾµÆ°²×°ÓÚ¹âÄ»´«¸ÐÆ÷ÉÏ£¬·½±ã´Ó¸÷½Ç¶È¹Û²ì¹¤×÷¡£ ¹æ¸ñ ¡¤µçÔ´µçѹ£º24V DC¡À15% ¡¤ÏûºÄµçÁ÷£º12mAÒÔÏ ¡¤Ö¸Ê¾µÆ£º ³ÈÉ«LED(Ðè8¸ö)[ÍⲿÁ¬½ÓΪONʱÁÁÆð] ¡¤ÖÜΧζȣº £10¡«£«55¡ãC¡¢(×¢Òâ²»¿É½á¶¡¢½á±ù) ¡¤²ÄÖÊ£º POM(¸Ç) ¾Û̼ËáÖ¬(ÕÖ) ÀäÔþ̼¸Ö(SPCC)(Ö§¼Ü) ¡¤µçÀ£º0.3mm2 2оÏðÆ¤µçÀ£¬³¤3m ¡¤ÖØÁ¿£ºÔ¼70g(°üÀ¨Ö§¼Ü) I/Oµç·ͼ <´øNPNÊä³öÐÍ>
 <´øPNPÊä³öÐÍ>
 |
| ²àÃæ°²×°Ö§¼Ü |
MS-SF2N-3 |
ÓÃÓÚ´«¸ÐÆ÷±ß²à°²×°(1Ì×4¸öÖ§¼ÜÓÃÓÚͶ¹âÆ÷ºÍÊܹâÆ÷) |
UÐβàÃæ°²×° ¼ÞÁ¬Ö§³ÅÖ§¼Ü(×¢1) |
MS-SF2N-4 |
ÓÃÓÚSF2-N¡õ(-PN) |
ÓÃÓÚ°Ñ´«¸ÐÆ÷¹Ì¶¨ÓÚÖмäλÖ÷ÀÕð(²àÃæ°²×°)(1Ì×ÓÃÓÚͶ¹âÆ÷ºÍÊܹâÆ÷) |
| MS-SF4A-H4 |
ÓÃÓÚSF2-N¡õ(-PN)-H |
ÖÐÐݲװ֧¼Ü (×¢2) |
MS-SF2N-5 |
ÓÃÓÚºó²¿Ò»µã°²×°£¬·½±ã°²×°ÓÚÂÁ¿ò¼ÜÉÏ(1Ì×4¸öÖ§¼ÜÓÃÓÚͶ¹âÆ÷ºÍÊܹâÆ÷) |
| ²âÊÔ¸Ë |
SF2-NA-TR |
ÓÃÓÚ¼ì²â×îСÎïÌå(¦Õ 50mm)µÄ±ê×¼¼ì²â£¬40mm¹âÖá¼ä¾à |
¼¤¹â¹âÖá¶ÔÆëÆ÷ (×¢3) |
SF-LAT-2N |
ÓÉÓÚ¼¤¹â¹âÖá¿ÉÊÓ£¬¹âÖá¶ÔÆëºÜÈÝÒס£ | ×¢£º 1) Ì×ÊýÊÓ²úÆ·¶ø¶¨£¬ÏêÇéÇë²ÎÔÄPDF P.161¡«¡°³ß´ç¡±¡£ 2) ¸´ºÏ¹âÖáÐŵÀ´«¸ÐÆ÷Ðè¼ÞÁ¬Ö§³ÅÖ§¼Ü(20mm¹âÖá¼ä¾àÐÍ£º36¹âÖáÒÔÉÏ£¬40mm¹âÖá¼ä¾àÐÍ18¹âÖáÒÔÉÏ)²»¿ÉÓÃÖÐÐݲװ¼Ü°²×°ÓÚÂÁÖÆ¿ò¼ÜÉÏ¡£ 3) Óйؼ¤¹â¹âÖá¶ÔÆëÆ÷ÏêÇéÇë²ÎÔÄPDF P.96¡«¡°SF4-AH¡±ÏµÁС£
|
|
|
 Á¬ÔÚ¹âÄ»´«¸ÐÆ÷µÄ¶¥¶Ë¡£ ¹Ì¶¨¹âÄ»´«¸ÐÆ÷µÄ°²×°Ö§¼ÜºÍSF-IND-2°²×°Ö§¼Ü¡£ |
 |
|
|
|
 |
 |
×¢£º 1)ͼʾΪMS-SF2N-4µÄÇéÐΡ£MS-SF4A-H4µÄ¿ª¹ØÓë´Ë²»Í¬¡£ 2)ËùÐèÌ×ÊýÒò²úÆ·¶øÒ죬ÈçÏÂËùʾ£º SF2-NH36(-PN) SF2-NH40(-PN) SF2-NA18(-PN) SF2-NA20(-PN)£º 1Ì× SF2-NH48(-PN) SF2-NA24(-PN)£º2Ì× SF2-NH56(-PN) SF2-NH64(-PN) SF2-NA28(-PN) SF2-NA32(-PN) SF2-NA36(-PN)£º3Ì× SF2-NA40(-PN)£º4Ì× MS-SF4A-H4£º SF2-NH36(-PN)-H SF2-NH40(-PN)-H SF2-NA18(-PN)-H SF2-NA20(-PN)-H£º1Ì× SF2-NH48(-PN)-H SF2-NA24(-PN)-H£º2Ì× SF2-NH56(-PN)-H SF2-NH65(-PN)-H SF2-NA28(-PN)-H SF2-NA32(-PN)-H SF2-NA36(-PN)-H£º3Ì× SF2-NA40(-PN)-H£º4Ì× |
|
|
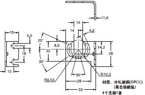
 | ¼¼ÊõÐÅÏ¢:
¹æ¸ñ
SF2-NH¡õ(-PN)(-H)
| ÖÖ¡¡Àà |
20mm¹âÖá¼ä¾àÐÍ |
| ÏîÄ¿ |
NPN Êä³öÐÍ |
SF2- NH8(-H) |
SF2- NH12(-H) |
SF2- NH16(-H) |
SF2- NH20(-H) |
SF2- NH24(-H) |
SF2- NH28(-H |
SF2- NH32(-H) |
SF2- NH36(-H) |
PNP Êä³öÐÍ |
SF2- NH8- PN(-H) |
SF2- NH12- PN(-H) |
SF2- NH16- PN(-H) |
SF2- NH20- PN(-H) |
SF2- NH24- PN(-H) |
SF2- NH28- PN(-H) |
SF2- NH32- PN(-H) |
SF2- NH36- PN(-H) |
| ¹âÖáÊý |
8 |
12 |
16 |
20 |
24 |
28 |
32 |
36 |
| ¹âÖá¼ä¾à |
20mm |
| ±£»¤¸ß¶È |
190mm |
270mm |
350mm |
430mm |
510mm |
590mm |
670mm |
750mm |
| ÏûºÄµçÁ÷ |
Ͷ¹âÆ÷£º60mAÒÔÏ£¬ÊܹâÆ÷£º100mAÒÔÏ |
Ͷ¹âÆ÷£º90mAÒÔÏ£¬ÊܹâÆ÷£º150mAÒÔÏ |
ÖØÁ¿ (º¬Í¶¹âÆ÷ºÍÊܹâÆ÷) |
SF2- NH¡õ(-PN) |
Ô¼390g |
Ô¼490g |
Ô¼580g |
Ô¼680g |
Ô¼790g |
Ô¼870g |
Ô¼980g |
Ô¼1,070g |
SF2- NH¡õ(-PN)-H |
Ô¼440g |
Ô¼590g |
Ô¼730g |
Ô¼890g |
Ô¼1,000g |
Ô¼1,200g |
Ô¼1,300g |
Ô¼1,500g |
| ÖÖ¡¡Àà |
20mm¹âÖá¼ä¾àÐÍ |
| Ïî¡¡Ä¿ |
NPNÊä³öÐÍ |
SF2-NH40(-H) |
SF2-NH48(-H) |
SF2-NH56(-H) |
SF2-NH64(-H) |
| PNPÊä³öÐÍ |
SF2-NH40-PN(-H) |
SF2-NH48-PN(-H) |
SF2-NH56-PN(-H) |
SF2-NH64-PN(-H) |
| ¹âÖáÊý |
40 |
48 |
56 |
64 |
| ¹âÖá¼ä¾à |
20mm |
| ±£»¤¸ß¶È |
830mm |
990mm |
1,150mm |
1,310mm |
| ÏûºÄµçÁ÷ |
Ͷ¹âÆ÷£º90mAÒÔÏ£¬ÊܹâÆ÷£º150mAÒÔÏ |
Ͷ¹âÆ÷£º120mAÒÔÏ£¬ÊܹâÆ÷£º220mAÒÔÏ |
| ÖØÁ¿(º¬Í¶¹âÆ÷ºÍÊܹâÆ÷) |
SF2-NH¡õ(-PN) |
Ô¼1,160g |
Ô¼1,370g |
Ô¼1,550g |
Ô¼1,800g |
| SF2-NH¡õ(-PN)-H |
Ô¼1,600g |
Ô¼1,900g |
Ô¼2,200g |
Ô¼2,500g | ×¢) ÔÚδָ¶¨µÄ²âÁ¿Ìõ¼þÏ£¬ÖÜΧζȣ½+20¡æ¡£ SF2-NA¡õ(-PN)(-H)
| ÖÖ¡¡Àà |
40mm¹âÖá¼ä¾àÐÍ |
| ÏîÄ¿ |
NPN Êä³öÐÍ |
SF2- NA4(-H) |
SF2- NA6(-H) |
SF2- NA8(-H) |
SF2- NA10(-H) |
SF2- NA12(-H) |
SF2- NA14(-H) |
SF2- NA16(-H) |
SF2- NA18(-H) |
PNP Êä³öÐÍ |
SF2- NA4- PN(-H) |
SF2- NA6- PN(-H) |
SF2- NA8- PN(-H) |
SF2- NA10- PN(-H) |
SF2- NA12- PN(-H) |
SF2- NA14- PN(-H) |
SF2- NA16- PN(-H) |
SF2- NA18- PN(-H) |
| ¹âÖáÊý |
4 |
6 |
8 |
10 |
12 |
14 |
16 |
18 |
| ¹âÖá¼ä¾à |
40mm |
| ±£»¤¸ß¶È |
190mm |
270mm |
350mm |
430mm |
510mm |
590mm |
670mm |
750mm |
| ÏûºÄµçÁ÷ |
Ͷ¹âÆ÷£º60mAÒÔÏ£¬ÊܹâÆ÷£º100mAÒÔÏ |
Ͷ¹âÆ÷£º90mAÒÔÏ£¬ÊܹâÆ÷£º150mAÒÔÏ |
ÖØÁ¿ (º¬Í¶¹âÆ÷ºÍÊܹâÆ÷) |
SF2- NA¡õ(-PN) |
Ô¼390g |
Ô¼490g |
Ô¼580g |
Ô¼680g |
Ô¼790g |
Ô¼870g |
Ô¼980g |
Ô¼1,070g |
SF2- NA¡õ(-PN)-H |
Ô¼440g |
Ô¼590g |
Ô¼730g |
Ô¼890g |
Ô¼1,000g |
Ô¼1,200g |
Ô¼1,300g |
Ô¼1,500g |
| ÖÖ¡¡Àà |
40mm¹âÖá¼ä¾àÐÍ |
| Ïî¡¡Ä¿ |
NPNÊä³öÐÍ |
SF2-NA20(-H) |
SF2-NA24(-H) |
SF2-NA28(-H) |
SF2-NA32(-H) |
SF2-NA36(-H) |
SF2-NA40(-H) |
| PNPÊä³öÐÍ |
SF2-NA20-PN(-H) |
SF2-NA24-PN(-H) |
SF2-NA28-PN(-H) |
SF2-NA32-PN(-H) |
SF2-NA36-PN(-H) |
SF2-NA40-PN(-H) |
| ¹âÖáÊý |
20 |
24 |
28 |
32 |
36 |
40 |
| ¹âÖá¼ä¾à |
40mm |
| ±£»¤¸ß¶È |
830mm |
990mm |
1,150mm |
1,310mm |
1,470mm |
1,630mm |
| ÏûºÄµçÁ÷ |
Ͷ¹âÆ÷£º90mAÒÔÏ£¬ÊܹâÆ÷£º150mAÒÔÏ |
Ͷ¹âÆ÷£º120mAÒÔÏ£¬ÊܹâÆ÷£º220mAÒÔÏ |
ÖØÁ¿ (º¬Í¶¹âÆ÷ºÍÊܹâÆ÷) |
SF2-NA¡õ(-PN) |
Ô¼1,160g |
Ô¼1,370g |
Ô¼1,550g |
Ô¼1,800g |
Ô¼1,940g |
Ô¼2,130g |
| SF2-NA¡õ(-PN)-H |
Ô¼1,600g |
Ô¼1,900g |
Ô¼2,200g |
Ô¼2,500g |
Ô¼2,800g |
Ô¼3,000g | ×¢) ÔÚδָ¶¨µÄ²âÁ¿Ìõ¼þÏ£¬ÖÜΧζȣ½+20¡æ¡£
| ÖÖ¡¡Àà |
20mm¹âÖá¼ä¾àÐÍ |
40mm¹âÖá¼ä¾àÐÍ |
| ÐÍ¡¡ºÅ |
NPNÊä³öÐÍ |
PNPÊä³öÐÍ |
NPNÊä³öÐÍ |
PNPÊä³öÐÍ |
| Ïî¡¡Ä¿ |
SF2-NH¡õ(-H) |
SF2-NH¡õ-PN(-H) |
SF2-NA¡õ(-H) |
SF2-NA¡õ-PN(-H) |
| ÊÊÓñê×¼ |
»ùÓÚEN 954-1(»ùÓÚIEC 61496-1/2µÄType2)µÄ2Àà |
| ¼ì²â¾àÀë(ÓÐЧ¾àÀë) |
0.3¡«7m |
| ×îС¼ì²âÎïÌå |
¦Õ 30mmµÄ²»Í¸Ã÷Ìå |
¦Õ 50mmµÄ²»Í¸Ã÷Ìå |
| ÓÐЧ¿ª¿Ú½Ç |
¡À5¡ãÒÔÏÂ[¼ì²â¾àÀ볬¹ý3mʱ(·ûºÏIEC 61496-2/UL 61496-2)] |
| µçÔ´µçѹ |
24V DC¡À15% Âö¶¯P-P10%ÒÔÏ |
| ¿ØÖÆÊä³ö(OSSD) |
|
|
| NP N¿ªÂ·¼¯µç¼«¾§Ìå¹Ü |
PN P¿ªÂ·¼¯µç¼«¾§Ìå¹Ü |
¡¤×î´óÁ÷ÈëµçÁ÷£º200mA ¡¤Íâ¼Óµçѹ£ºÍ¬µçÔ´µçѹ(¿ØÖÆÊä³öºÍ0VÖ®¼ä) ¡¤Ê£Óàµçѹ£º2.0VÒÔÏÂ(Á÷ÈëµçÁ÷Ϊ200mAʱ) |
¡¤×î´óÔ´µçÁ÷£º200mA ¡¤Íâ¼Óµçѹ£ºÍ¬µçÔ´µçѹ(¿ØÖÆÊä³öºÍ£«VÖ®¼ä) ¡¤Ê£Óàµçѹ£º2.5VÒÔÏÂ(Ô´µçÁ÷Ϊ200mAʱ) | |
| |
Êä³ö¹¤×÷ |
ËùÓйâÖáÈë¹âʱON£¬Ò»¸öÒÔÉϹâÖáÕÚ¹âʱOFF(´«¸ÐÆ÷»òͬ²½ÐźÅÓйÊÕÏʱOFF) |
| ¶Ì·±£»¤ |
×°¡¡±¸ |
| ·´Ó¦Ê±¼ä |
OFF·´Ó¦Ê±¼ä£º15msÒÔÏ£¬ON·´Ó¦Ê±¼ä£º28msÒÔÏÂ(Èë¹âÎȶ¨Ê±) |
| ¾¯±¨Êä³ö(Alarm) |
|
|
| NP N¿ªÂ·¼¯µç¼«¾§Ìå¹Ü |
PN P¿ªÂ·¼¯µç¼«¾§Ìå¹Ü |
¡¤×î´óÁ÷ÈëµçÁ÷£º60mA ¡¤Íâ¼Óµçѹ£ºÍ¬µçÔ´µçѹ(¾¯±¨Êä³öºÍ0VÖ®¼ä) ¡¤Ê£Óàµçѹ£º2.0VÒÔÏÂ(Á÷ÈëµçÁ÷Ϊ60mAʱ) |
¡¤×î´óÔ´µçÁ÷£º60mA ¡¤Íâ¼Óµçѹ£ºÍ¬µçÔ´µçѹ(¾¯±¨Êä³öºÍ£«VÖ®¼ä) ¡¤Ê£Óàµçѹ£º2.5VÒÔÏÂ(Ô´µçÁ÷Ϊ60mAʱ) | |
| |
Êä³ö¹¤×÷ |
Õý³£¹¤×÷£º¾¯±¨Êä³öON£¬Í¶¹âÍ£Ö¹¹ÊÕÏ»òÔËÓÃͶ¹âÍ£Ö¹ÊäÈëʱ£º¾¯±¨Êä³öOFF |
| ¶Ì·±£»¤ |
×°¡¡±¸ |
| ָʾµÆ |
Ͷ¹âÆ÷ |
¹âÖá¶ÔÆëָʾµÆ£ºË«É«(ºìÉ«/ÂÌÉ«)LED¡Á4(ÿһ¸ö¹âÖáÈë¹âʱºìÉ«µÆÁÁÆð£¬ËùÓйâÖáÈë¹âʱÂÌÉ«µÆÁÁÆð) ¹¤×÷״ָ̬ʾµÆ(×¢1)£ºË«É«(ºìÉ«/ÂÌÉ«)LED[¿ØÖÆÊä³ö(OSSD)ΪOFFʱºìÉ«µÆÁÁÆð£¬¿ØÖÆÊä³ö(OSSD)ΪONʱÂÌÉ«µÆÁÁÆð] Ͷ¹âָֹͣʾµÆ£º³ÈÉ«LED(Ͷ¹âֹͣʱÁÁÆð) ´íÎóָʾµÆ£º»ÆÉ«LED(´«¸ÐÆ÷³öÏÖ´íÎóʱÁÁÆð»òÉÁ˸) |
| ÊܹâÆ÷ |
¹âÖá¶ÔÆëָʾµÆ£ºË«É«(ºìÉ«/ÂÌÉ«)LED¡Á4(ÿһ¸ö¹âÖáÈë¹âʱºìÉ«µÆÁÁÆð£¬ËùÓйâÖáÈë¹âʱÂÌÉ«µÆÁÁÆð) OSSDָʾµÆ£ºË«É«(ºìÉ«/ÂÌÉ«)LED[¿ØÖÆÊä³ö(OSSD)OFFʱºìÉ«µÆÁÁÆð£¬¿ØÖÆÊä³ö(OSSD)ΪONʱÂÌÉ«µÆÁÁÆð]£¬ ²»Îȶ¨Í¶¹âָʾµÆ£º³ÈÉ«LED(ÊܹⲻÎȶ¨Ê±ÁÁÆð) ´íÎóָʾµÆ£º»ÆÉ«LED(´«¸ÐÆ÷³öÏÖ´íÎóʱÁÁÆð»òÉÁ˸) |
| Ͷ¹âÍ£Ö¹¹¦ÄÜ |
×°¡¡±¸ |
| Ö÷/¸±Ñ¡ÔñÊäÈë |
Á¬½Óµ½0V(µÍ)£ºÖ÷ģʽ¹¤×÷ ¿ªÂ·(¸ß)£º¸±Ä£Ê½¹¤×÷ |
| ·À¸ÉÈŹ¦ÄÜ |
×°±¸ [´®ÁªÁ¬½Óʱ£º×î¶à3Ì×[SF2-NH¡õ(-PN)(-H)£º×ܼÆ×î¶à128¹âÖᣬSF2-NA¡õ(-PN)(-H)£º×ܼÆ×î¶à64¹âÖá ²¢ÁªÁ¬½Óʱ£º×î¶à2Ì× ´®ÁªºÍ²¢Áª»ìºÏÁ¬½Ó£º¿Éͬʱ½øÐÐ×î¶à3Ì×´®ÁªÁ¬½Ó£¬×î¶à2Ìײ¢Áª20mm¹âÖá¼ä¾àÐͺÍ40mm¹âÖá¼ä¾àÐͲ»¿É´®ÁªÁ¬½ÓÔÚÒ»Æð] |
| »·¾³ÐÔÄÜ |
±£»¤¹¹Ôì |
IP65 (IEC) |
| ÖÜΧζÈ/ÖÜΧʪ¶È |
£10¡«£«55¡ãC(×¢Òâ²»¿É½á¶¡¢½á±ù)£¬´æ´¢£º£25¡«£«70¡ãC/30¡«85%RH£¬´æ´¢£º30¡«95%RH |
| ÖÜΧÕÕÃ÷¶È |
°×³ã¹â£ºÊܹâÃæÕÕÃ÷¶È3,500Rx |
| Ä͵çѹ/¾øÔµµç×è |
AC1,000V 1·ÖÖÓ£¬ËùÓеçÔ´Á¬½Ó¶Ë×ÓÓëÍâ¿ÇÖ®¼ä(×¢2)/20M¦¸ÒÔÉÏ£¬ËùÓеçÔ´Á¬½Ó¶Ë×ÓºÍÍâ¿ÇÖ®¼ä£¬»ùÓÚDC 500VµÄ¸ß×è±í(×¢2) |
| ÄÍÕñ¶¯/Äͳå»÷ |
ƵÂÊ£º10¡«55Hz£¬Ë«Õñ·ù£º0.75mm£¬X£¬YºÍZ¸÷·½Ïò2Сʱ¼ÓËÙ¶È£º300m/s2(Ô¼30G)£¬X£¬YºÍZ¸÷·½Ïò3´Î |
| Ͷ¹â¶þ¼«Ìå |
ºìÍâÏßLED(Ͷ¹â²¨·å²¨³¤£º870nm) |
| ²ÄÖÊ |
Íâ¿Ç£ºÂÁ£¬Ê÷Ö¬¸Ç£ºABS£¬Í¸¾µ£º¾Û̼Ëáõ¥£¬Ã±£ºPBT |
| µçÀ |
Ͷ¹âÆ÷£º6о(0.3mm2¡Á4о, 0.2mm2¡Á2о)ÆÁ±ÎµçÀ£¬Ò»¶Ë´øÁ¬½ÓÆ÷£¬³¤0.5m ÊܹâÆ÷£º7о(0.3mm2¡Á5о, 0.2mm2¡Á2о)ÆÁ±ÎµçÀ£¬Ò»¶Ë´øÁ¬½ÓÆ÷£¬³¤0.5m |
| µçÀÂÑÓ³¤ |
ÓÃÁíÊÛÆ¥ÅäµçÀÂÈ«³¤¿ÉÑÓ³¤ÖÁ20.5m£¬ÓÃÓÚͶ¹âÆ÷ºÍÊܹâÆ÷ |
| ¸½¼þ |
MS-SF2N-1(ºó²¿°²×°Ö§¼Ü)£º1Ì×ÓÃÓÚͶ¹âÆ÷ºÍÊܹâÆ÷ MS-SF2N-2(UÐκ󲿰²×°¼ÞÁ¬Ö§³ÅÖ§¼Ü£¬MS-SF4A-H2ÓÃÓÚ¡°-H¡±ÐÍ)£º(×¢3) MS-SF2N-L(LÐμÞÁ¬Ö§³ÅÖ§¼Ü)£º(×¢3) SF2-NH-TR(²âÊÔ¸Ë)£º1¸ö[½öSF2-NH¡õ(-PN)(-H)] | ×¢£º 1) ÓÉÓÚ¹¤×÷״ָ̬ʾµÆÑÕÉ«ÒÀ¾Ý¿ØÖÆÊä³ö(OSSD1£¬OSSD2)µÄON£¬OFF״̬¶ø±ä»¯£¬´«¸ÐÆ÷ÉϹ¤×÷״ָ̬ʾµÆ±êעΪ¡°OSSD¡±¡£ 2) µçÓ¿ÎüÊÕÆ÷Á¬ÓÚ»úÆ÷Ö÷ÌåÍâ¿ÇºÍµçÔ´¶Ëµã¼ä£¬ÒÔ±ÜÃâµçÓ¿ÒýÆðµÄ´íÎó¹¤×÷¡£Òò´Ë¸ø³öÁËÔÚµçÓ¿ÎüÊÕÆ÷±»ÒÆÈ¥µÄÌØ¶¨Çé¿öϵÄÄ͵çѹºÍ¾øÔµµç×è¡£ 3) UÐκ󲿰²×°¼ÞÁ¬Ö§³ÅÖ§¼Ü(MS-SF2N-2»òMS-SF4A-H2)ºÍLÐμÞÁ¬Ö§³ÅÖ§¼Ü(MS-SF2N-L)¸½´øÓÚÒÔÏ´«¸ÐÆ÷ÉÏ¡£¾ßÌåÊýÄ¿ÒÀ¾Ý´«¸ÐÆ÷¶ø¶¨£º SF2-NH36(-PN)(-H)£¬SF2-NH40(-PN)(-H)£¬SF2-NA18(-PN)(-H)£¬SF2-NA20(-PN)(-H)£º1Ì×£¬SF2-NH48(-PN)(-H)£¬SF2-NA24(-PN)(-H)£º2Ì× SF2-NH56(-PN)(-H)£¬SF2-NH64(-PN)(-H)£¬SF2-NA28(-PN)(-H)£¬SF2-NA32(-PN)(-H)£¬SF2-NA36(-PN)(-H)£º3Ì×£¬SF2-NA40(-PN)(-H)£º4Ì×
I/Oµç·ͼºÍÏß·ͼ
ʹÓÃÖ¸ÄÏ
|
|
 |
| |
|
˵¡¡Ã÷ |
¹¦¡¡ÄÜ |
| Ͷ¹âÆ÷ |
1 |
¹âÖá¶ÔÆëָʾµÆ [RECEPTION] (ºìÉ«/ÂÌÉ«LED) |
Éϲ¿£º´«¸ÐÆ÷Éϲ¿Èë¹âʱºìÉ«µÆÁÁÆð ÖÐÉϲ¿£º´«¸ÐÆ÷ÖÐÉϲ¿Èë¹âʱºìÉ«µÆÁÁÆð¡£ ÖÐϲ¿£º´«¸ÐÆ÷ÖÐϲ¿Èë¹âʱºìÉ«µÆÁÁÆð¡£ ϲ¿£º´«¸ÐÆ÷ϲ¿Èë¹âʱºìÉ«µÆÁÁÆð¡£ ËùÓйâÖáÈë¹âʱ(Éϲ¿£¬ÖÐÉϲ¿£¬ÖÐϲ¿£¬Ï²¿)ÂÌÉ«µÆÁÁÆð¡£ |
| 2 |
¹¤×÷״ָ̬ʾµÆ [OSSD] (×¢1) (ºìÉ«/ÂÌÉ«LED) |
¿ØÖÆÊä³ö(OSSD)ΪOFFʱºìÉ«µÆÁÁÆð£¬¿ØÖÆÊä³ö(OSSD)ΪONʱÂÌÉ«µÆÁÁÆð¡£ |
| 3 |
Ͷ¹âָֹͣʾµÆ [HALT] (³ÈÉ«LED) |
Ͷ¹âֹͣʱÁÁÆð |
| 4 |
´íÎóָʾµÆ [FAULT] (»ÆÉ«LED) |
´«¸ÐÆ÷³öÏÖ´íÎóʱÁÁÆð»òÉÁ˸¡£(×¢2) 1´ÎÉÁ˸£º¹âÖáºÅ´íÎó(µ×ñÁ¬½Ó´íÎó)¡£ 2´ÎÉÁ˸£º´®ÁªÁ¬½Ó´íÎó(ÓÃÓÚ´®ÁªÁ¬½ÓµÄµçÀÂÁ¬½Ó´íÎó)¡£ 3´ÎÉÁ˸£ºËùÓв¿¼þºÅºÍËùÓйâÖáºÅ´íÎó(³¬¹ý3Ì×´«¸ÐÆ÷´®ÁªÁ¬½Ó»ò×ܼƳ¬¹ý128¹âÖá[SF2-NA¡õ(-PN)(-H)£º64¹âÖá]¡£) 4´ÎÉÁ˸ÒÔÉÏ»òÁÁÆð£ºÆäËû(ÇëÓë¾ÏúÉÌÁªÏµ)¡£ |
| ÊܹâÆ÷ |
1 |
¹âÖá¶ÔÆëָʾµÆ [RECEPTION] (ºìÉ«/ÂÌÉ«LED) |
Éϲ¿£º´«¸ÐÆ÷Éϲ¿Èë¹âʱºìÉ«µÆÁÁÆð ÖÐÉϲ¿£º´«¸ÐÆ÷ÖÐÉϲ¿Èë¹âʱºìÉ«µÆÁÁÆð ÖÐϲ¿£º´«¸ÐÆ÷ÖÐϲ¿Èë¹âʱºìÉ«µÆÁÁÆð ϲ¿£º´«¸ÐÆ÷ϲ¿Èë¹âʱºìÉ«µÆÁÁÆð ËùÓйâÖáÈë¹âʱ(Éϲ¿£¬ÖÐÉϲ¿£¬ÖÐϲ¿£¬Ï²¿)ÂÌÉ«µÆÁÁÆð¡£ |
| 2 |
OSSDָʾµÆ(×¢3) [OSSD] (ºìÉ«/ÂÌÉ«LED) |
¿ØÖÆÊä³öΪ(OSSD)OFFʱºìÉ«µÆÁÁÆð£¬¿ØÖÆÊä³ö(OSSD)ΪONʱÂÌÉ«µÆÁÁÆð¡£ |
| 3 |
²»Îȶ¨Èë¹âָʾµÆ [STB.] (³ÈÉ«LED) |
Èë¹â²»Îȶ¨Ê±ÁÁÆð |
| 4 |
´íÎóָʾµÆ [FAULT] (»ÆÉ«LED) |
´«¸ÐÆ÷³öÏÖ´íÎóʱÁÁÆð»òÉÁ˸¡£(×¢2) ÁÁÆð£º¿ØÖÆÊä³ö(OSSD)xÏßÁ¬½Ó²»°²È« 1´ÎÉÁ˸£º¹âÖáºÅ´íÎó(µ×ñÁ¬½Ó´íÎó)¡£ 2´ÎÉÁ˸£º´®ÁªÁ¬½Ó´íÎó(ÓÃÓÚ´®ÁªÁ¬½ÓµÄµçÀÂÁ¬½Ó´íÎó)¡£ 3´ÎÉÁ˸£ºËùÓв¿¼þºÅºÍËùÓйâÖáºÅ´íÎó(³¬¹ý3Ì×´«¸ÐÆ÷´®ÁªÁ¬½Ó»ò×ܼƳ¬¹ý128¹âÖá[SF2-NA¡õ(-PN)(-H)£º64¹âÖá]¡£) 4´ÎÉÁ˸£ºÊܵ½ÍâÀ´¹âµÄ´íÎó 5´ÎÉÁ˸ÒÔÉÏ£ºÆäËû(ÇëÓë¾ÏúÉÌÁªÏµ)¡£ | |
×¢£º 1)¹¤×÷״ָ̬ʾµÆÑÕÉ«¸ù¾ÝOSSDµÄON/OFF״̬±ä»¯£¬¹Ê´«¸ÐÆ÷ÉϹ¤×÷״ָ̬ʾµÆ±êΪOSSD¡£ 2)´íÎóָʾµÆÉÁ˸ÖÜÆÚÈçÏ¡£ÉÁ˸´ÎÊý±íʾÊǺÎÖÖ´íÎó·¢Éú£¬ÉÁ˸¼ä¸ôԼΪ1Ãë¡£ |
|
| |
|
|
|
²ÎÕÕʹÓñ¾×°ÖõØÇøµÄÏàÓ¦¹æ¸ñ¡£´ËÍ⣬ȷ±£²ÉÈ¡ËùÓбØÒª´ëÊ©ÒÔ±ÜÃâÓÉÓڽӵشíÎó¶ø¿ÉÄÜÒýÆðµÄΣÏÕ²Ù×÷´íÎó¡£ |
ÇëÈ·ÈÏÔÚµçÔ´¹Ø±ÕµÄ״̬ϽøÐнÓÏß¡£ ÇëÈ·ÈϵçÔ´µçѹµÄ±ä»¯²»³¬³ö¶î¶¨·¶Î§¡£ Èç¹ûµçÔ´ÊÇÓÉÉÌÓÿª¹Øµ÷½ÚÆ÷Ìṩ£¬ÇëÈ·±£µçÔ´»ú¼Ü½ÓµØ¶Ë×Ó(F.G.)½ÓµØ¡£ Èç¹ûÔڸô«¸ÐÆ÷¸½½üʹÓòúÉúÔëÒôµÄÉ豸(¿ª¹Øµ÷½ÚÆ÷¡¢×ª»»·¢¶¯»úµÈ)£¬Ç뽫É豸ÆÁ±ÎµØÏß¶Ë×Ó(F.G.)½ÓµØ¡£ ÇëÎ𽫵çÏßÓë¸ßѹÏß»òµçÔ´ÏßÒ»Æð»òÔÚͬһ¹ÜÏßÄÚÔËÐÐÏß·£¬Õâ¿ÉÄÜ»áÓÉÓÚ¸ÐÓ¦¶øÒýÆð¹ÊÕÏ¡£ |
|
|
µçÔ´½ÓͨºóµÄ¶Ìʱ¼ä(2Ãë)ÄÚ£¬ÇëÎðʹÓᣠ±ÜÃâ»Ò³¾£¬ÎÛ¹¸ºÍË®ÕôÆø¡£ ÇëÎ𽫴«¸ÐÆ÷ÓëË®¡¢ÓÍ¡¢ÓÍÖ¬»òÓлúÈÜÒº£¬ÈçÏ¡ÊͼÁµÈÖ±½Ó½Ó´¥¡£ ÇëÎ𽫴«¸ÐÆ÷Ö±½Ó±©Â¶ÓÚ¿ìËÙÆô¶¯µÆ»ò¸ßƵÕÕÃ÷É豸µÄÓ«¹âÏ£¬Õâ»áÓ°Ïì¼ì²âÐÔÄÜ¡£ |
|
ÔÚ¡°PSDIģʽ¡±Ï£¬±¾×°Öò»¿ÉÒÔ×÷Ϊ»úÆ÷µÄÆð¶¯×°ÖÃʹÓᣠ¸Ã´«¸ÐÆ÷ÊÇType2µç¸Ð±£»¤É豸£¬Òò´ËÖ»¿ÉÔÚʵÏÖÁËÅ·ÖÞ±ê×¼EN954-1µÄ2,1ºÍBÀà¿ØÖÆ(¿ØÖÆÏµÍ³Ïà¹Ø°²È«Ä¿Â¼)µÄÇé¿öÏÂʹÓÃ,¸Ã´«¸ÐÆ÷¾ö²»¿ÉÒÔÓÃÓÚÈκÎ4ÀàÉ豸,È簴ѹ»úÆ÷,Ò²²»¿ÉÓÃÓÚ3ÀàÉ豸. |
| ´ËĿ¼ÊÇÑ¡ÔñºÏÊʲúÆ·µÄÏòµ¼.ʹÓòúƷǰÇë²ÎÔIJúÆ·¸½´øµÄʹÓÃ˵Ã÷Êé. | |
Õý³£Ê¹ÓÃǰÎñ±Ø¼ì²âÔËÐÐ. ¸Ã°²È«ÏµÍ³½öÓÃÓÚͨ¹ý½ô¼±Í£Ö¹²¿¼þ»ò¹Ø±ÕµçÔ´²ú¼´¿ÉֹͣΣÏÕ²¿¼þ¹¤×÷µÄ»úÆ÷.ÇÐÎðʹÓù¤×÷µÄÑ»·Öв»¿ÉÍ£Ö¹µÄ»úÆ÷ϵͳ. |
|
|
|
°²×°»úÆ÷ʱ,È·±£ÈËÌ屨Ð밲ȫͨ¹ý¼ì²âÇø²ÅÄܵ½´ï»úÆ÷ΣÏÕ´¦.Èç¹ûδ¼ì²âµ½ÈËÌå»áµ¼ÖÂÖØÉËÉõÖÁËÀÍö. ÇëÎðʹÓÃÈκη´ÉäÐÍ»ò»Ø¹é·´ÉäÐÍÉ豸. |
ÕýÈ·µÄ°²×°·½·¨
 |
´íÎóµÄ°²×°·½·¨
 |
|
|
|
ÕýÈ·¼ÆË㰲ȫ¾àÀë,¼ì²âÁìÓò¼°»úÆ÷ΣÏÕ²¿·ÖӦʼÖÕ±£³Ö°²È«¾àÀë»ò´óÓÚ°²È«¾àÀë. Èô´íÎó¼ÆË㰲ȫ¾àÀë»òûÓб£³Ö°²È«¾àÀë,»áµ¼ÖÂÖØÉËÉõÖÁËÀÍö. Éè¼ÆÏµÍ³Ê±,Çë²ÎÔݲװʹÓÃÉ豸µÄÏà¹ØµØÇø±ê×¼. |
|
| µ±ÈË´¹Ö±ÒÆÏò(Õý³£½øÈë)´«¸ÐÆ÷¼ì²âÇøÊ±,°²È«¾àÀëµÄ¼ÆËãÒÀ¾ÝÒÔÏ·½³Ìʽ.(¹ØÓÚ·½³Ìʽ,Çë¸ù¾Ý×îÐµĹæ¸ñÈ·ÈÏ.) |
ÊÊÓÃÓÚÅ·ÖÞ(¸ù¾ÝEN999)
 |
ÊÊÓÃÓÚÃÀ¹ú(¸ù¾ÝANSI B11.19)
 |
|
|
|
°²×°´«¸ÐÆ÷ʱӦ¿¼ÂÇÖÜΧ·´Éä±íÃæµÄÓ°Ïì²¢²ÉÈ¡Êʵ±µÄ´ëÊ©,·ñÔòÈô´«¸ÐÆ÷¼ì²â²»µ½,»áµ¼ÖÂÖØÉËÉõÖÁËÀÍö. |
| ÇëÔÚ´«¸ÐÆ÷ºÍ·´ÉäÃæÖ®¼äÌåÖÊÒÔϸø³öµÄ×îС¾àÀë. |
| ²àÊÓ½ç |
¶¥ÊÓ½ç |
 |
 |
| Ͷ¹âÆ÷ºÍÊܹâÆ÷Ö®¼äµÄ¾àÀëL |
ÔÊÐíÉ趨¾àÀëD |
| 0.3¡«3m |
0.31m |
| 3¡«7m |
L¡Átan¦È ¦È £½6¡ã£½L¡Á0.105(m) | |
 |
| ×¢:´«¸ÐÆ÷µÄÓÐЧ¿ª¿Ú½Ç°´IEC61496-2/UL61496-2µÄÒªÇóÊÇ¡À5¡ã(L>3m)£¬µ«Ô¶Àë·´Éä±íÃæ°²×°Ê±£¬³¬¹ý¡À6¡ãʱ»áµ¼ÖÂ¶ÔÆë´íÎó¡£ |
|
|
| ¡¤ µçÀµÄ×îСÍäÇú°ë¾¶ÎªR30mm¡£°²×°´«¸ÐÆ÷ʱӦ¿¼ÂǵçÀÂÍäÇú°ë¾¶¡£ |
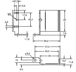
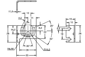
| ´«¸ÐÆ÷°²×°Ö§¼Ü(MS-SF2N-1/3/5)µÄ°²×° |
| ¡¤ ¾Ý°²×°·½Ïò(²àÃæ»òºó²¿)Ñ¡Ôñ´«¸ÐÆ÷°²×°Ö§¼Ü£¬ÔÝʱÓÃ2¸öM3Áù±ßÐβåÍ·ÂÝ˨(³¤5mm)¹Ì¶¨Ö§¼ÜÒÔ±ãµ÷Õû½Ç¶È¡£¹âÖá¶ÔÆëºóÔÙÍêȫš½ô¡£°²×°´«¸ÐÆ÷ʱ£¬½ô¹ÌŤ¾ØÓ¦Îª0.6N¡¤mÒÔÏ¡£ |
| <ºó²¿°²×°> |
<²àÃæ°²×°> |
 |
 |
| <ÖÐÐݲװ֧¼Ü> |
°²×°µ÷½Ú·¶Î§ |
 |
| °²×°±íÃæÉÏ´«¸ÐÆ÷Ë®Æ½ÃæµÄ½Ç¶Èµ÷½Ú·¶Î§ÊÇ¡À5¡ã. |
 | |
| ×¢£º ¸´ºÏ¹âÖá´«¸ÐÆ÷Ðè¼ÞÁ¬Ö§³ÅÖ§¼Ü(20mm¹âÖá¼ä¾àÐÍ£º36¹âÖáÒÔÉÏ£¬40mm¹âÖá¼ä¾àÐÍ£º 1 8 ¹âÖáÒÔÉÏ) £¬ ²»¿É½«Ðݲװ֧¼Ü(MS-SF2N-5)°²×°ÓÚÂÁ¼ÜÉÏ¡£ |
| ¼ÞÁ¬Ö§³ÅÖ§¼Ü(MS-SF2N-2/4£¬MS-SF4A-H2/H4)µÄ°²×° |
1 .°ÑÍÐÅÌ·ÅÖÃÔÚUÐκó²¿/²àÃæÖ§³ÅÖ§¼ÜÉÏ£¬ÓÃM3ƽͷÂÝË¿(³¤10mm)ÔÝʱ¹Ì¶¨¡£ 2 .ÓÃM4Áù±ßÐβåÍ·ÂÝ˨(³¤10mm)ÔÝʱ°ÑLÐμÞÁ¬Ö§³ÅÖ§¼Ü¹Ì¶¨ÔÚUÐκó²¿/²àÃæÉÏ¡£ |
<ºó²¿°²×°> MS-SF2N-2/MS-SF4A-H2 (UÐκó²¿Ö§³ÅÖ§¼Ü¡¢ÍÐÅÌ) |
<²àÃæ°²×°> MS-SF2N-4/MS-SF4A-H4 (UÐβàÃæÖ§³ÅÖ§¼Ü¡¢ÍÐÅÌ) |
 |
 |
| ×¢£ºÒÔÉÏͼÀýÖ»ÊÊÓÃÓÚMS-SF2N-2/4¡£MS-SF4A-H2/H4ÐÎ×´²»Í¬¡£ |
| 3.ÓÃUÐκó²¿/²àÃæÖ§³ÅÖ§¼Ü¼Ð½ô´«¸ÐÆ÷Ö÷Ìå,Íêȫš½ô¹Ì¶¨ÍÐÅ̵ÄM3ƽͷÂÝË¿.(½ô¹ÌŤ¾Ø:0.4N mÒÔÏÂ) ¹âÖá¶ÔÆëºó,È·ÈÏÓÃÀ´ÔÝʱ°ÑLÐμÞÁ¬Ö§³ÅÖ§¼Ü¹Ì¶¨ÓÚUÐκó²¿/²àÃæÖ§³ÅÖ§¼ÜµÄM4Áù±ßÐβåÍ·ÂÝ˨ӦÍêÈ«¹Ì¶¨.(½ô¹ÌŤ¾Ø:1.8N mÒÔÏÂ) |
| <ºó²¿°²×°> |
<²àÃæ°²×°> |
 |
 |
| ×¢:ÉÏͼËùʾΪ°ÑͶ¹âÆ÷°²×°ÔÚ¼ÞÁ¬Ö§³ÅÖ§¼ÜÉϵķ½·¨.×¢Òâ,Èô°ÑÊܹâÆ÷°²×°ÓÚÖ§¼ÜÉÏ,¶¥²¿ºÍµ×²¿·½Ïòµßµ¹. |
|
|
|
ΪÁ˱£Ö¤°²È«£¬ÖÁÉÙÒ»Ìì×ÔÎÒÕï¶ÏÒ»´Î¡£ |
Èç¹û¼ì²âÊäÈ뿪Æô28msÒÔÉÏ,Õý³£¹¤×÷ʱ³ýÁËÄÚ²¿×ÔÎÒÕï¶Ï,»¹½øÐÐϸ½Ú×ÔÎÒÕï¶Ï.×ÔÎÒÕï¶ÏʱÈôδ·¢ÏÖ²»Õý³£Çé¿ö,´ËºóͶ¹âÍ£Ö¹ÊäÈëÈôÈÔ³ÖÐø¿ªÍ¨,¾Í½øÈëͶ¹âֹͣ״̬.×ÔÎÒÕï¶ÏʱÈô·¢ÏÖ²»Õý³£Çé¿ö,É豸»áÁ¢¼´½øÈëËø¶¨×´Ì¬,¿ØÖÆÊä³ö(OSSD)ºÍ¾¯±¨Êä³ö¹Ì¶¨ÔÚOFF״̬. ×ÔÎÒÕï¶ÏʱÈôδ·¢ÏÖ²»Õý³£Çé¿ö,´ËºóͶ¹âÍ£Ö¹ÊäÈëÈôÈÔ³ÖÐø¿ªÍ¨,¾Í½øÈëͶ¹âֹͣ״̬.Ͷ¹âֹͣʱ,¿ØÖÆÊä³ö(OSSD)ºÍ¾¯±¨Êä³ö±äΪOFF.ͨ¹ýÕâ¸ö¹¦ÄÜ,ÍⲿÔëÒô,¿ØÖÆÊä³ö(OSSD)ºÍ¾¯±¨Êä³öµÄ²»Õý³£×´¿öËùÒýÆðµÄ¹ÊÕϾͿÉÒÔ´Ó×°±¸¶ËÈ·¶¨ÏÂÀ´. |
ʱ¼ä±í
 |
|
|
|
Îñ±ØÊ¹Óþ¯±¨Êä³ö¡£ |
| ¡¤ ÓÉÓÚ¿ØÖÆÊä³ö(OSSD)²»¿É°ÑÔ´ÓÚÍⲿ¶Ì·ËùÒýÆðµÄ´íÎó´«´ï¸ø×°±¸¶Ë£¬¾¯±¨Êä³ö¾Í·¢³ö¾¯±¨Ðźš£Éè¼ÆÒ»¸öÔÚÊä³ö¿ØÖÆÊä³ö(OSSD)»ò¾¯±¨Êä³öʱ¿ÉÍ£Ö¹É豸µÄϵͳ¡£ |
ʱ¼ä±í
 |
|
|
¡¤ ´®ÁªÁ¬½Óʱ£¬×î¶à¿ÉÒÔ·ÀÖ¹3Ì×Ö®¼äµÄ¸ÉÈÅ[SF2-NH¡õ(-PN)(-H)£º×î¶à×ܼÆ128¹âÖᣬSF2-NA¡õ(-PN)(-H)£º×î¶à×ܼÆ64¹âÖá]£»²¢ ÁªÊ±£¬×î¶à¿ÉÒÔ·ÀÖ¹2Ì×Ö®¼äµÄ¸ÉÈÅ£»»ìºÏÁ¬½Óʱ£¬×î¶à´®ÁªÁ¬½Ó3Ì׺Ͳ¢Áª2Ì×Ö®¼äµÄ¸ÉÈſɷÀÖ¹¡£ÔÚÕâÖÖÇé¿öÏ£¬Á¬½Ó´«¸ÐÆ÷ A(Ö÷)µÄ·À¸ÉÈÅÊä³ö(»ÒÉ«)ºÍ´«¸ÐÆ÷B(¸±)µÄͶ¹âÍ£Ö¹ÊäÈë(»ÒÉ«)¡£ |
 |
|
|
¡¤ ÒÔ²¢Áª»ò²¢Áª¡¢´®Áª»ìºÏÁ¬½ÓΪÀý£¬ÔÚ´ò¿ªµçԴ֮ǰ£¬½«Ö÷´«¸ÐÆ÷AµÄÖ÷/¸±Ñ¡ÔñÊäÈë(×Ï)Á¬½ÓÖÁ0V£¬²¢½«¸±´«¸ÐÆ÷BµÄÖ÷/¸±Ñ¡ÔñÊäÈë(×Ï)Á¬½Óµ½£«V»ò¿ªÂ·¡£Ö÷/¸±µÄÑ¡ÔñÔÚ´ò¿ªµçԴʱֻÄܽøÐÐÒ»´Î¡£ÈçÑ¡ÔñÊÇÔÚ´ò¿ªµçÔ´ºó½øÐУ¬ÔòÎÞ·¨¸ü¸Ä¡£ÁíÍ⣬µ±´«¸ÐÆ÷ÉèΪ¸±Ê±£¬Ö÷/¸±Ñ¡ÔñÊäÈë±£³Ö¿ªÂ·£¬ÇëÈ·±£Æä¾øÔµÐÔ¡£ ¡¤ µ±´®ÁªÁ¬½Ó»ò×÷Ϊ1Ì×ʹÓÃʱ£¬½«Ö÷´«¸ÐÆ÷µÄÖ÷/¸±Ñ¡ÔñÊäÈë(×Ï)Á¬½Óµ½0V¡£ |
 |
|
|
| ´®ÁªÁ¬½Ó [×î¶à3Ì×(SF2-NH¡õ(-PN)(-H)£º×î¶à128¹âÖᣬSF2-NA¡õ(-PN)(-H)£º×î¶à64¹âÖá)] |
| ¡¤ µ±¿É´Ó2¸öÒÔÉϵķ½Ïò½Ó½üΣÏÕÇøÓòʱ£¬¶àÌ×Ͷ¹âÆ÷ºÍÊܹâÆ÷Ó¦´®ÁªÁ¬½Ó¡£µ±ÈκÎÒ»Ì׵ĹâÊø±»¸ÉÈÅʱ£¬Êä³ö±äΪOFF¡£ |
 |
| ²¢ÁªÁ¬½Ó (×î¶à¿ÉÁ¬½Ó2Ì×) |
¡¤ ʹÓò¢Áª·¨Ê±£¬2Ì×Ͷ¹âÆ÷ºÍÊܹâÆ÷²¢Áª¡£Ö÷´«¸ÐÆ÷AµÄ·À¸ÉÈÅÊä³ö(»ÒÉ«)±ØÐëÁ¬½Óµ½¸±´«¸ÐÆ÷BµÄͶ¹âÍ£Ö¹ÊäÈë(»ÒÉ«)¡£µ±ÓÐÁ½¸ö ΣÏÕÇøÓò²¢ÇÒÿ¸ö¶¼±ØÐë¶ÀÁ¢¼à¿ØÊ±£¬Ê¹Óô˷½·¨¡£ÓÉÓÚ¸÷Êä³ö¶¼»¥Ïà¶ÀÁ¢£¬Èç¹û½ö´ÓÒ»¶Ô´«¸ÐÆ÷³öÀ´µÄ¹âÊø±»¸ÉÈÅ£¬ÆäËû´«¸Ð Æ÷×éµÄÊä³ö²»»áÊܵ½Ó°Ïì¡£ |
 |
| ´®Áª/²¢Áª»ìºÏÁ¬½Ó (´®ÁªÁ¬½Ó£º3Ì×£»²¢ÁªÁ¬½Ó£º2Ì×) |
¡¤ ´®Áª/²¢Áª»ìºÏÁ¬½ÓÖ§³Ö¶àÌ×Ͷ¹âÆ÷ºÍÊܹâÆ÷µÄʹÓã¬ËüÊÇ´®ÁªºÍ²¢ÁªµÄ½áºÏ¡£µ±ÓÐÁ½¸öΣÏÕÇøÓò»òÓÐÁ½¸öÒÔÉϽøÈëΣÏÕÇøÓòµÄÈë ¿Úʱ£¬Ê¹Óô˷½·¨¡£¶ÔÓÚËùÓеĴ®ÁªÁ¬½Ó£¬Èç¹ûÓÐÈκιâÖáµÄ¹âÊø±»¸ÉÈÅ£¬Êä³ö¾ÍÒÆµ½OFF״̬¡£µ«ÊÇ£¬ÓÉÓÚ²¢ÁªµÄÊä³öÊÇ·Ö¿ª µÄ£¬Èç¹û´ÓÈκδ«¸ÐÆ÷×é³öÀ´µÄ¹âÊø±»¸ÉÈÅ£¬ÆäËû´«¸ÐÆ÷×éµÄÊä³ö²»»áÊܵ½Ó°Ïì¡£ |
 |
| ×¢£º µ±3Ì×»ò¹âÖá×ÜÊý³¬¹ý48[SF2-NA¡õ(-PN)(-H)£º24¹âÖáÒÔÉÏ]´®ÁªÁ¬½Óʱ£¬ÐèÒªÓÃÓÚ´®ÁªÁ¬½ÓµÄµ×ñµçÀ¡£Çë×¢ÒâʹÓõ×ñµçÀ½øÐд®ÁªÁ¬½Óʱ£¬³ß´ç»á¸Ä±ä¡£ |
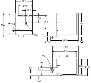
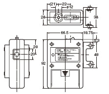
³ß´ç(µ¥Î»£ºmm)
SF2-NH¡õ(-PN) SF2-NA¡õ(-PN) ´«¸ÐÆ÷
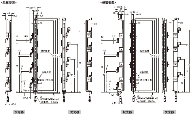
| ´«¸ÐÆ÷°²×°Ö§¼ÜºÍ¼ÞÁ¬Ö§³ÅÖ§¼ÜµÄ°²×°Í¼¡£ÐèÒª´®ÁªÊ±Çë²ÎÕÕPDF P.157ºÍPDF P.158¡£ |
 |
| ºó²¿°²×° |
| ÐÍ ºÅ |
A |
B |
C |
D |
E |
F |
G |
H |
J |
K |
L |
M |
SF2-NH8(-PN) SF2-NA4(-PN) |
190 |
202 |
222 |
232 |
-- |
-- |
-- |
-- |
-- |
-- |
-- |
-- |
SF2-NH12(-PN) SF2-NA6(-PN) |
270 |
282 |
302 |
312 |
-- |
-- |
-- |
-- |
-- |
-- |
-- |
-- |
SF2-NH16(-PN) SF2-NA8(-PN) |
350 |
362 |
382 |
392 |
-- |
-- |
-- |
-- |
-- |
-- |
-- |
-- |
SF2-NH20(-PN) SF2-NA10(-PN) |
430 |
442 |
462 |
472 |
-- |
-- |
-- |
-- |
-- |
-- |
-- |
-- |
SF2-NH24(-PN) SF2-NA12(-PN) |
510 |
522 |
542 |
552 |
-- |
-- |
-- |
-- |
-- |
-- |
-- |
-- |
SF2-NH28(-PN) SF2-NA14(-PN) |
590 |
602 |
622 |
632 |
-- |
-- |
-- |
-- |
-- |
-- |
-- |
-- |
SF2-NH32(-PN) SF2-NA16(-PN) |
670 |
682 |
702 |
712 |
-- |
-- |
---- |
---- |
---- |
---- |
---- |
---- |
SF2-NH36(-PN) SF2-NA18(-PN) |
750 |
762 |
782 |
792 |
337 |
-- |
-- |
-- |
433 |
-- |
-- |
-- |
SF2-NH40(-PN) SF2-NA20(-PN) |
830 |
842 |
862 |
872 |
377 |
-- |
-- |
-- |
473 |
-- |
-- |
-- |
SF2-NH48(-PN) SF2-NA24(-PN) |
990 |
1,002 |
1,022 |
1,032 |
377 |
537 |
-- |
-- |
473 |
633 |
-- |
-- |
SF2-NH56(-PN) SF2-NA28(-PN) |
1,150 |
1,162 |
1,182 |
1,192 |
377 |
537<, /TD>
| 697 |
-- |
473 |
633 |
793 |
-- |
SF2-NH64(-PN) SF2-NA32(-PN) |
1,310 |
1,322 |
1,342 |
1,352 |
457 |
617 |
777 |
-- |
553 |
713 |
873 |
-- |
| SF2-NA36(-PN) |
1,470 |
1,482 |
1,502 |
1,512 |
537 |
697 |
857 |
-- |
633 |
793 |
953 |
-- |
| SF2-NA40(-PN) |
1,630 |
1,642 |
1,662 |
1,672 |
537 |
697 |
857 |
1,017 |
633 |
793 |
953 |
1,113 | |
| ²àÃæ°²×° |
| ÐÍ ºÅ |
A |
B |
C |
D |
N |
P |
Q |
R |
S |
T |
U |
V |
SF2-NH8(-PN) SF2-NA4(-PN) |
190 |
202 |
222 |
232 |
-- |
-- |
-- |
-- |
-- |
-- |
-- |
-- |
SF2-NH12(-PN) SF2-NA6(-PN) |
270 |
282 |
302 |
312 |
-- |
-- |
-- |
-- |
-- |
-- |
-- |
-- |
SF2-NH16(-PN) SF2-NA8(-PN) |
350 |
362 |
382 |
392 |
-- |
-- |
-- |
-- |
-- |
-- |
-- |
-- |
SF2-NH20(-PN) SF2-NA10(-PN) |
430 |
442 |
462 |
472 |
-- |
-- |
-- |
-- |
-- |
-- |
-- |
-- |
SF2-NH24(-PN) SF2-NA12(-PN) |
510 |
522 |
542 |
552 |
-- |
-- |
-- |
-- |
-- |
-- |
-- |
-- |
SF2-NH28(-PN) SF2-NA14(-PN) |
590 |
602 |
622 |
632 |
-- |
-- |
-- |
-- |
-- |
-- |
-- |
-- |
SF2-NH32(-PN) SF2-NA16(-PN) |
670 |
682 |
702 |
712 |
-- |
-- |
---- |
---- |
---- |
---- |
---- |
---- |
SF2-NH36(-PN) SF2-NA18(-PN) |
750 |
762 |
782 |
792 |
340 |
-- |
-- |
-- |
430 |
-- |
-- |
-- |
SF2-NH40(-PN) SF2-NA20(-PN) |
830 |
842 |
862 |
872 |
380 |
-- |
-- |
-- |
470 |
-- |
-- |
-- |
SF2-NH48(-PN) SF2-NA24(-PN) |
990 |
1,002 |
1,022 |
1,032 |
380 |
540 |
-- |
-- |
470 |
630 |
-- |
-- |
SF2-NH56(-PN) SF2-NA28(-PN) |
1,150 |
1,162 |
1,182 |
1,192 |
380 |
540 |
700 |
-- |
470 |
630 |
790 |
-- |
SF2-NH64(-PN) SF2-NA32(-PN) |
1,310 |
1,322 |
1,342 |
1,352 |
460 |
620 |
780 |
-- |
550 |
710 |
870 |
-- |
| SF2-NA36(-PN) |
1,470 |
1,482 |
1,502 |
1,512 |
540 |
700 |
860 |
-- |
630 |
790 |
950 |
-- |
| SF2-NA40(-PN) |
1,630 |
1,642 |
1,662 |
1,672 |
540 |
700 |
860 |
1,020 |
630 |
790 |
950 |
1,110 | |
SF2-NH¡õ(-PN)-H SF2-NA¡õ(-PN)-H ´«¸ÐÆ÷ |
|
|
| ´«¸ÐÆ÷°²×°Ö§¼ÜºÍ¼ÞÁ¬Ö§³ÅÖ§¼ÜµÄ°²×°Í¼¡£ÐèÒª´®ÁªÊ±Çë²ÎÕÕPDF P.157ºÍPDF P.158¡£ |
 |
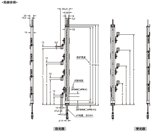
SF2-NH¡õ(-PN)(-H) SF2-NA¡õ(-PN)(-H) ´«¸ÐÆ÷ |
|
|
´®ÁªÁ¬½ÓÓõ×ñµçÀ£¬´®ÁªÁ¬½ÓÓõçÀ£¬°²×°Ö§¼ÜºÍ¼ÞÁ¬Ö§³ÅÖ§¼ÜµÄÆÕͨÌ×Ð͵ݲװͼ¡£ ´ø·À½¦Ã±Ð͵ijߴ粻ͬ¡£ÏÂͼËùʾ³ß´çÓëÆÕͨÌ×ÐÍÏàͬ¡£ |
 |
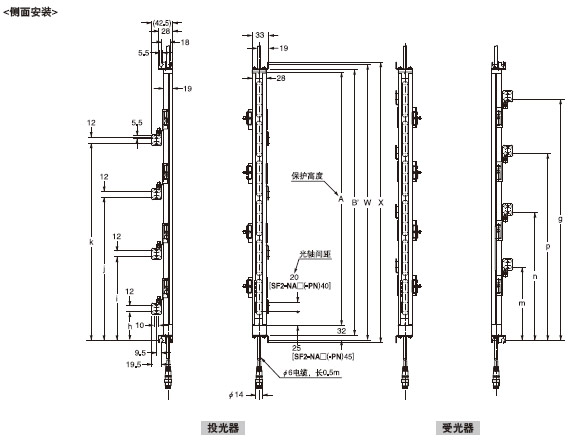
SF2-NH¡õ(-PN)(-H) SF2-NA¡õ(-PN)(-H) ´«¸ÐÆ÷ |
|
|
´®ÁªÁ¬½ÓÓõ×ñµçÀ£¬´®ÁªÁ¬½ÓÓõçÀ£¬°²×°Ö§¼ÜºÍ¼ÞÁ¬Ö§³ÅÖ§¼ÜµÄÆÕͨÌ×Ð͵ݲװͼ¡£ ´ø·À½¦Ã±Ð͵ijߴ粻ͬ¡£ÏÂͼËùʾ³ß´çÓëÆÕͨÌ×ÐÍÏàͬ¡£ |
 |
MS-SF2N-1 ºó²¿°²×°Ö§¼Ü(¸½¼þ) |
MS-SF2N-LLÐμÞÁ¬Ö§³ÅÖ§¼Ü[SF2-NH¡õ(-PN)(-H)¸½¼þ£¬¾ßÓÐ36¹âÖáÒÔÉÏ£¬SF2-NA¡õ(-PN)(-H)18¹âÖáÒÔÉÏ] |
 |
 |
×¢£º ´«¸ÐÆ÷×î´ó½Ç¶Èµ÷½Ú·¶Î§ÊÇ¡À15¡ã¡£ÏêÇéÇë²ÎÔÄPDF P.153 ¡°Ê¹ÓÃÖ¸ÄÏ¡±Öеġ°°²×°¡±¡£ |
×¢£º MS-SF2N-L(LÐμÞÁ¬Ö§³ÅÖ§¼Ü)¸½´øÓÚÒÔÏ´«¸ÐÆ÷ÉÏ£¬ÊýÄ¿ËæÖ®±ä»¯¡£ SF2-NH36(-PN)(-H)£¬SF2-NH40(-PN)(-H)£¬SF2-NA18(-PN)(-H)£¬SF2-NA20(-PN)(-H)£º1Ì× SF2-NH48(-PN)(-H)£¬SF2-NA24(-PN)(-H)£º2Ì× SF2-NH56(-PN)(-H)£¬SF2-NH64(-PN)(-H)£¬SF2-NA28(-PN)(-H)£¬SF2-NA32(-PN)(-H)£¬SF2-NA36(-PN)(-H)£º3Ì× SF2-NA40(-PN)(-H)£º4Ì× |
MS-SF2N-2ÓÃÓÚSF2-NH¡õ/NA¡õ(-PN)µÄUÐκ󲿰²×°¼ÞÁ¬Ö§³ÅÖ§¼Ü[SF2-NH¡õ(-PN)¸½¼þ£¬¾ßÓÐ36¹âÖáÒÔÉÏ£¬SF2-NA¡õ(-PN)18¹âÖáÒÔÉÏ] |
| UÐκ󲿰²×°Ö§³ÅÖ§¼Ü |
ÍÐÅÌ |
 |
 |
×¢£º MS-SF2N-2(UÐκ󲿰²×°¼ÞÁ¬Ö§³ÅÖ§¼Ü)¸½´øÓÚÒÔÏ´«¸ÐÆ÷ÉÏ£¬ÊýÄ¿ËæÖ®±ä»¯¡£ SF2-NH36(-PN)£¬SF2-NH40(-PN)£¬SF2-NA18(-PN)£¬SF2-NA20(-PN)£º1Ì× SF2-NH48(-PN)£¬SF2-NA24(-PN)£º2Ì× SF2-NH56(-PN)£¬SF2-NH64(-PN)£¬SF2-NA28(-PN)£¬SF2-NA32(-PN)£¬SF2-NA36(-PN)£º3Ì× SF2-NA40(-PN)£º4Ì× |
MS-SF4A-H2ÓÃÓÚSF2-NH¡õ/NA¡õ(-PN)-HµÄUÐκ󲿰²×°¼ÞÁ¬Ö§³ÅÖ§¼Ü[SF2-NH¡õ-H¸½¼þ£¬¾ßÓÐ36¹âÖáÒÔÉÏ£¬SF2-NA¡õ(-PN)-H18¹âÖáÒÔÉÏ] |
| UÐκ󲿰²×°Ö§³ÅÖ§¼Ü |
ÍÐÅÌ |
 |
 |
×¢£º MS-SF4A-H2(UÐκ󲿰²×°¼ÞÁ¬Ö§³ÅÖ§¼Ü)¸½´øÓÚÒÔÏ´«¸ÐÆ÷ÉÏ£¬ÊýÄ¿ËæÖ®±ä»¯¡£ SF2-NH36(-PN)-H£¬SF2-NH40(-PN)-H£¬SF2-NA18(-PN)-H£¬SF2-NA20(-PN)-H£º1Ì× SF2-NH48(-PN)-H£¬SF2-NA24(-PN)-H£º2Ì× SF2-NH56(-PN)-H£¬SF2-NH64(-PN)-H£¬SF2-NA28(-PN)-H£¬SF2-NA32(-PN)-H£¬SF2-NA36(-PN)-H£º3Ì× SF2-NA40(-PN)-H£º4Ì× |
MS-SF2N-5 ÖÐÐݲװ֧¼Ü(ÁíÊÛ) |
 |
| ×¢£º ´«¸ÐÆ÷×î´ó½Ç¶Èµ÷½Ú·¶Î§ÊÇ¡À15¡ã£¬ÏêÇéÇë²ÎÔÄPDF P.153¡°Ê¹ÓÃÖ¸ÄÏ¡±Öеġ°°²×°¡±¡£ |
MS-SF2N-3 ²àÃæ°²×°Ö§¼Ü(ÁíÊÛ) |
| ´«¸ÐÆ÷ÓҲలװ |
´«¸ÐÆ÷×ó²à°²×° |
 |
 |
| ×¢£º ´«¸ÐÆ÷×î´ó½Ç¶Èµ÷½Ú·¶Î§ÊÇ¡À15¡ã£¬ÏêÇéÇë²ÎÔÄPDF P.153¡°Ê¹ÓÃÖ¸ÄÏ¡±Öеġ°°²×°¡±¡£ |
MS-SF2N-4 ÓÃÓÚSF2-NH¡õ/NA¡õ(-PN)µÄUÐβàÃæ°²×°¼ÞÁ¬Ö§³ÅÖ§¼Ü(ÁíÊÛ) |
| UÐκ󲿰²×°Ö§³ÅÖ§¼Ü |
ÍÐÅÌ |
 |
 |
×¢£º MS-SF2N-4(UÐβàÃæ°²×°¼ÞÁ¬Ö§³ÅÖ§¼Ü)¸½´øÓÚÒÔÏ´«¸ÐÆ÷ÉÏ£¬ÊýÄ¿ËæÖ®±ä»¯¡£ SF2-NH36(-PN)£¬SF2-NH40(-PN)£¬SF2-NA18(-PN)£¬SF2-NA20(-PN)£º1Ì× SF2-NH48(-PN)£¬SF2-NA24(-PN)£º2Ì× SF2-NH56(-PN)£¬SF2-NH64(-PN)£¬SF2-NA28(-PN)£¬SF2-NA32(-PN)£¬SF2-NA36(-PN)£º3Ì× SF2-NA40(-PN)£º4Ì× |
MS-SF4A-H4 ÓÃÓÚSF2-NH¡õ/NA¡õ(-PN)-HµÄUÐβàÃæ°²×°¼ÞÁ¬Ö§³ÅÖ§¼Ü(ÁíÊÛ) |
|
ÍÐÅÌ |
|
 |
×¢£º MS-SF4A-H4(UÐβàÃæ°²×°¼ÞÁ¬Ö§³ÅÖ§¼Ü)¸½´øÓÚÒÔÏ´«¸ÐÆ÷ÉÏ£¬ÊýÄ¿ËæÖ®±ä»¯¡£ SF2-NH36(-PN)-H£¬SF2-NH40(-PN)-H£¬SF2-NA18(-PN)-H£¬SF2-NA20(-PN)-H£º1Ì× SF2-NH48(-PN)-H£¬SF2-NA24(-PN)-H£º2Ì× SF2-NH56(-PN)-H£¬SF2-NH64(-PN)-H£¬SF2-NA28(-PN)-H£¬SF2-NA32(-PN)£¬SF2-NA36(-PN)-H£º3Ì× SF2-NA40(-PN)-H£º4Ì× |
SF-LAT-2N ¼¤¹â¹âÖá¶ÔÆëÆ÷(ÁíÊÛ) |
SF-IND-2 ¹âÄ»´«¸ÐÆ÷´óÏÔʾÆ÷(ÁíÊÛ) |
 |
 |
|
|
|