|
|
|
²úÆ·Ãû³Æ£º
|
ÉñÊÓHL-C1³¬¸ßËÙ¼¤¹â±äλ´«¸ÐÆ÷
|
|
ÐÍ ºÅ£º
|
HL-C1
|
|
¼Û ¸ñ£º
|
0.00
|
|
Æ· ÅÆ£º
|
ÉñÊÓ
|
|
|
|
³¬¸ßËÙ¼¤¹â±äλ´«¸ÐÆ÷ [CCDÐÍ]
HL-C1
ÌØµã£º100¦Ìs£¬¶àÖÖ²âÁ¿ÎïÌåµÄ³¬¸ßËÙ&Îȶ¨¼ì²â
²úÆ·ÌØµã:
100¦Ì s£¬´Ë²úÆ·¼¶±ðÖÐ×î¿ìÈ¡ÑùÂÊ
| ʹÓÃÏßÐÔͼÏñ´«¸ÐÆ÷µÄ±äλ´«¸ÐÆ÷ÒÑʵÏÖÁËÐÐÒµÄÚ×îÁîÈË³ÆÆæµÄ³¬¸ßËÙÈ¡Ñù£¬ÕâÑù¾ÍÈ·±£Á˳¬¸ßËÙ¼ì²âÐýת£¬Õñ¶¯ºÍÒÆ¶¯µÄÎïÌå¡£(³ýHL-C1C-GS) |
¸ß¾«¶È¼ì²â±äµÃ¿ÉÄÜ£¬²»Êܼì²âÎïÌå±íÃæµÄÓ°Ïì
| ËùÓÐÔÚÔÏÈPSD¼ì²â·¨ÄڵIJ»×ãÏÖÔÚÍêÈ«½â¾öÁË¡£PSD¼ì²â´ÓÓëÿ¸ö¹âÔ´Á¬½ÓµÄ¹âµã·¢Éä³öµÄÈ«²¿¹âÁ¿ÖØÐĵÄλÖÃÐÅÏ¢£¬¶øÏßÐÔͼÏñ¼ì²â·¨¼ì²â¹âµã±¾ÉíµÄ·åÖµ¡£´ËÏî½ø²½Ê¹µÃ¸ß¾«¶È¼ì²â³ÉΪ¿ÉÄÜ£¬²»¹ÜÎïÌåµÄ±íÃæÊÇ·ñÓнðÊô·¢ÏßÁÑ·ì»òÊDz»·´ÉäºÚÏ𽺱íÃæ¡£ |
|
|
 |
 |
½âÎö¶È1¦Ìm£¬ÏßÐÔ¡À0.1%F.S.
| ÏÖÔھ߱¸³¬¾«È·1¦Ìm½âÎö¼ì²âÄÜÁ¦(HL-C105B-BK£¬HL-C105FBK£¬HL-C105B£¬HL-C105F)ºÍ¡À0.1%F.S.µÄÏßÐÔ(ÊÊÓÃÓÚËùÓÐÐͺÅ)¡£(HL-C102A¡À0.05%F.S) |
±¸ÓÐFDA±ê×¼ÈÏÖ¤ÐÍ
| ±¸ÓÐ×îÊʺÏÓÚÔÚÃÀ¹úʹÓõÄFDA±ê×¼ÈÏÖ¤ÐÍ(¼¶±ðII)¡£ |
|
|

 |
ÓÃÓÚ¼ì²âVÐͰ¼²Û ÓÉÓÚ´«¸ÐÆ÷¼ì²â¹âµãµÄ·åÖµ²»Êܼä½Ó·´Éä¹âµÄÓ°Ï죬²»»á²úÉú´íÎó¡£
 ÓÉÓÚ´«¸ÐÆ÷¼ì²âËùÓйâµã¹âÁ¿·´Éä¹âµÄÖØÐÄ×÷ΪλÖÃÐÅÏ¢£¬»á»ØÎª¼ä½Ó·´Éä¹âµÄ´æÔÚ¶ø²úÉú´íÎó¡£
 |
ÓÃ;
| ¶¨Î»¾§Æ¬ |
¼ì²â²£Á§µ×²ãºñ¶È |
¼ì²âICÕë |
¼ì²â½ðÊôÖáµÄÆ«ÐÄÂÊ |
 |
 |
 |
 |
| ¼ì²âÊ÷Ö¬²ãµÄ´æÔÚ |
¼ì²âÔ²ÅÌ»¬Âֵĺñ¶È |
¼ì²éÂÖÌ¥ÐÎ×´ |
¼ì²âƤ´øµÄ¼ä¸ô¿Õ¼ä |
 |
 |
 |
 |
±¸ÓÐ8ÖÖ»úÐÍÊÊÓÃÓÚ²»Í¬µÄ²â¶¨¹¤¼þ
| ¸ù¾Ý²»Í¬µÄ²â¶¨ÎïÌå(ËÜÁÏ¡¢Ï𽺡¢½ðÊôµÈÀ©É¢·´É乤¼þÓÃÒÔ¼°¾µÃæÌ塢͸Ã÷ÌåµÈÕý·´É乤¼þÓÃ)¼°¼ì²â¾àÀ룬±¸ÓÐÁù´óÀà¡¢°Ë¸ö±ê×¼»úÐÍ¡£ÊµÏÖÁ˹㷺µÄ²â¶¨·¶Î§£¬¿ÉÓ¦¶Ô¸÷ÖÖÀàÐ͵Ť¼þ¼°°²×°Ìõ¼þ¡£ |
ʵÏÖÁ˳¬¸ß¾«¶ÈµÄ¼ä϶²â¶¨ (¼ì²âÍ·HL-C102A ¿ØÖÆÆ÷HL-C1C-GS)
ʹÓÃ1¸ö¼ì²âÍ·¼´¿ÉÎȶ¨¼ì²â³öÁ½Æ¬²£Á§¼ä½ö45¦ÌmµÄ¼ä϶£¡¿É²â¶¨½ö0.15mmµÄ²£Á§ºñ¶È ±¾²úÆ·¾ßÓÐ0.3¦Ì mµÄ·Ö±æÂʺ͡À0.05%F.S.µÄÏßÐÔ¶È£¬ÐÔÄÜ´ó´óÌá¸ß¡£Í¨¹ý²ÉÓÃÏßÐÔͼÏñ´«¸ÐÆ÷ºÍ¶À´´µÄ¼¤¹â¹âѧϵͳ£¬½ö1¸ö¼ì²âÍ·¾Í¿ÉÒÔ¼ì²â³ö×î¶à4ÖÖ²¨ÐεķåÖµ¡£ |
 |
¿ÉÎȶ¨²â¶¨±íÃæ´Ö²ÚµÄ¹¤¼þ (¼ì²âÍ· HL-C108B-MK¡¢HL-C105B-MK¿ØÖÆÆ÷HL-C1C)
| ͨ¹ý±¾¹«Ë¾¶À´´µÄ¹âѧϵͳʵÏÖÁ˹âµãµÄÏßÐÔ»¯¡£¿ÉÒÔ½«½ðÊô¹¤¼þµÄÎÆÑù»¯±íÃæ¡¢ÇÐÏ÷¼Ó¹¤ÃæµÈ´Ö²Ú±íÃæÉϵÄ΢С°¼Í¹ËùÔì³ÉµÄÓ°ÏìÆ½¾ù»¯²¢Ê¹Ö®¼õÇᣬ´Ó¶øÊµÏÖ±ÈÒÔÍù¼ì²âÍ·Îó²îСÇÒ¸üΪÎȶ¨µÄ²â¶¨¡£ |
 |
Á¿³Ì³¤ÓÖ¿í (¼ì²âÍ· HL-C135C-BK10 ¿ØÖÆÆ÷HL-C1C-WL)
¿É²â¶¨³¤¾àÀë¡¢´ó·¶Î§µÄ±ä»¯ ²â¶¨Á¿³ÌΪ350mm¡À200mm£¬¿É²â¶¨½Ï´óµÄ±ä»¯¡£¼´Ê¹¹¤¼þλÖ÷¢Éú±ä»¯£¬Ò²ÎÞÐë¶Ô¼ì²âÍ·ÖØÐÂÉ趨»ò¸Ä±äÆäλÖᣠ|
Á¿³Ì¹ã¡¢ÇÒ¿ÉÓó¬Ð¡Ðͼì²âÍ·½øÐиßËÙ¡¢¸ß¾«¶È²â¶¨ W26.6¡ÁH82¡ÁD87mm³¬Ð¡Ð͹æ¸ñ£¬µ«È´ÓµÓиßËÙ¡¢¸ß¾«¶ÈµÄ׿ԽÐÔÄÜ£¬È¡ÑùÂÊΪ 100¦Ì s¡¢·Ö±æÂÊΪ10¦Ìm¡¢ÏßÐÔ¶ÈΪ¡À0.1%F.S.¡£ |
 |
Å䱸´®ÐÐÊäÈëÊä³ö |
±¸Óз½±ãµÄÖÇÄÜ¼à¿ØÆ÷(HL-C1AiM)(Ñ¡¹º¼þ) |
¿Éͨ¹ýRS-232C½Ó¿Ú½øÐд®ÐÐÊäÈëÊä³ö£¬¿ÉÒÔ¶ÁÈ¡ºÍдÈëÉè ¶¨ÒÔ¼°¶ÁÈ¡²â¶¨Öµ¡£ ×°±¸Á¬ÐøÊäÈë/Êä³ö ÌṩRS-232C½Ó¿ÚÓÃÓÚÁ¬ÐøÊäÈëºÍÊä³ö£¬Òò´ËÉ趨¿É¼ìË÷²¢ ±£´æ¡£Ò²¿É¼ìË÷¼ì²â¡£ |
±¸Óз½±ãµÄÖÇÄÜ¼à¿ØÆ÷£¬¿ÉÒÔ½øÐи÷ÖֲⶨÌõ¼þµÄÉ趨¡¢ÏÔʾ²â¶¨ÖµµÄ²¨ÐΡ¢¼à¿Ø²â¶¨ÖµÊý¾Ý¼°ÊܹâÁ¿Êý¾Ý¡£ÒÔÍùÖ»ÓÐÓÃʾ²¨Æ÷²ÅÄÜʵÏֵIJ¨ÐÎ¼à¿ØÒÔ¼°¸÷ÖÖÌõ¼þÉ趨¡¢¹¦ÄÜÉ趨ÏÖÔÚ¿ÉÔÚµçÄÔÉϼòµ¥ÊµÏÖ¡£ |



 |
¿ÉÁ¬½Ó2¸ö¼ì²âÍ·£¡½µµÍ³É±¾£¬½ÚÊ¡¿Õ¼ä ¿ØÖÆÆ÷×°±¸ÁË2¸öµ¥¶ÀµÄÊäÈë/Êä³öÐŵÀ£¬¿ÉÁ¬½Ó2¸ö¼ì²âÍ·¡£ ÎÞÐèµÚ¶þ¸ö¿ØÖÆÆ÷£¬ÎÞÂÛºÎʱʹÓÃ2¸ö¼ì²âÍ·£¬´ËÌØÕ÷¶¼½ÚÔ¼Á˳ɱ¾ºÍ¿Õ¼ä¡£ |
´¥ÃþÅ̲Ù×÷£¬¼òµ¥£¬Ð¡ÐÍ ¿É¼òµ¥ÏÔʾ¶àÖÖÉ趨ºÍ¼ì²âÊý¾Ý¡£(¿ÉÑ¡) |
·ÀË®¼ì²âÍ·£¬±£»¤¼¶±ð´ïIP67 |
¼ì²âÍ·¾ßÓмæÈÝÐÔ£¬±£Ñø¼òµ¥ |
HL-C1ϵÁпɷÀֹˮµÄµÎ½¦¡£
 ×¢£ºÈç¹û¼ì²âÍ·µÄ¼ì²â´°ÉÏÓÐË®£¬½«²»ÄܽøÐÐÕýÈ·¼ì²â¡£ |
´ó´óÌá¸ß¿Éά»¤ÐÔ¡£ÕýÈ·Êý¾Ý°²×°µ½¼ì²âÍ·ÄÚºóʵÏÖ¼æÈÝÐÔ¡£´ËÐÂÐÍ´«¸ÐÆ÷ϵÁв»ÔÙÐèÒª´Ë¼¶±ðÖÐÔÏȵıäλ´«¸ÐÆ÷ËùÐèµÄά»¤´ÎÊý¡£¿ÉʹÓÃÏàͬµÄ¿ØÖÆÆ÷£¬¼´Ê¹¼ì²âÍ·±»²»Í¬ÐͺŵĴúÌæ¡£Í¬Ê±£¬ÔÚÁ¬½Ó2¸ö¼ì²âͷʱ²»ÐèרÓÃÁ¬½Ó¶Ë¿Ú¡£ |
ʹÓÃ2¸ö´«¸ÐÆ÷ʱ¿É½øÐмÆËã |
СÐÍ¿ØÖÆÆ÷ºÍǰÁ¬½Ó½ÚÊ¡°²×°¿Õ¼ä |
ÄÚÖüÆË㹦Äܿɼì²â¼ä¸ôºÍºñ¶È£¬²»ÐèÊý×ÖÅÌ¿ØÖÆÆ÷£¬ÕâÑù ¾Í½ÚÔ¼Á˳ɱ¾ºÍ¿Õ¼ä¡£ |
³¬Ð¡¿ØÖÆÆ÷³ß´ç½öΪW40¡ÁH120¡ÁD74mm£¬½ÚÊ¡Á˰²×°¿Õ¼ä¡£Ò²¿É½øÐÐÌù½ü°²×°¡£¶øÇÒ£¬µçÀ¿ÉÖ±½ÓÁ¬½Ó»òÁ¬½ÓÖÁÒ»¿ÉÒÆ¶¯Öն˽ÓÏß°å²¢ÇÒËùÓÐÁ¬½Ó¶¼ÊÇͬһ·½Ïò£¬Òò´Ë¿É½øÒ»²½½ÚÊ¡¿Õ¼ä¡£ |
 |
 |
¼ÓÇ¿¹¦ÄÜ |
| HL-C1×°±¸Á˶àÖÖÓÐÓù¦ÄÜ£¬°üÀ¨±£³Ö¹¦ÄÜ£¬¼ÆË㹦ÄÜ£¬Â˲¨¹¦ÄܺʹÅÖÍÉ趨¹¦ÄÜ£¬Ê¹µÃÔÚ¶àÖÖÓ¦ÓÃÖоùÄÜ·½±ãµÄʹÓᣠ|
|
|
|
| ÀýÈ磬Èç¹ûÒ»½ðÊôÎïÌåµÄ±íÃæ»á²úÉú¸ÉÈÅÕýÈ·¼ì²âµÄÔëÒô£¬Ê¹ÓõÍͨÂ˲¨¹¦ÄܻήµÍÔëÒôµÄÓ°Ï죬ÕâÑù¾ÍÄܽøÐÐÎȶ¨µÄ±äλ¼ì²â¡£ |
¼ì²â¹ý³ÌÖУ¬Èç¹ûÓÉÓÚ¹ýÁ¿»ò²»×ãµÄÈëÉä¹â(¾¯¸æÊä³öʱ)¶øµ¼ÖÂÎÞ·¨¼ì²â£¬´Ë¹¦ÄÜ¿ÉÔÊÐíת»»Ä£ÄâÊä³öÖÁ±£ÁôÒÔǰ¼ì²âµ½µÄÊý¾Ý»òÖÁÊä³öÒ»¸ö¹Ì¶¨Öµ¡£Èç¹ûÑ¡ÔñÁ˹̶¨Öµ£¬Á½ÖÖÑ¡ÔñÖÐÖ®Ò»¿ÉÒÔѡΪģÄâÊä³ö£¬¾¯¸æÊä³ö¹ý³ÌÖÐ:×î´óÖµµÄÊä³ö(µçѹÊä³ö:+10.9V£¬µçÁ÷Êä³ö:29.5mA)»ò×îСֵµÄÊä³ö(µçѹÊä³ö:£10.9V£¬µçÁ÷Êä³ö:0mA)¡£ |
 |
 |
| ÔÚ¼ì²âÐýתÌåµÄ½Ó·ìºÍ¼ä¸ôʱ£¬Èç¹ûÐýתÌ寫ÐÄ¡¢Õñ¶¯»òÇãбµÈÎ»ÒÆ±ä»¯½Ï´ó£¬´Ë¹¦ÄܿɼõСÕâЩ²¨¶¯´øÀ´µÄÓ°Ï죬ȷ±£½Ó·ìºÍ¼ä¸ôµÄÎȶ¨¼ì²â¡£ |
HL-C1ϵÁÐ×°±¸4ÖÖ¿ØÖÆÄ£Ê½¡£
NORM (²»¿ØÖÆ) |
´ËģʽʵʱÊä³ö´Ó¼ì²âÖÐÐľàÀëµÄ±äλÁ¿¡£´ËģʽÓÃÓÚÆÕͨ²Ù×÷¡£ |
| P-P |
´Ëģʽ¿ØÖÆ×î´óºÍ×îС¼ì²âÖµÖ®¼ä²»Í¬µÄÊä³ö¡£´ËģʽÓÃÓÚÕñ¶¯»òÆ«ÐÄÂʼì²â¡£ |
| PEAK |
´ËģʽÔÚ×î´ó¼ì²âÖµ¿ØÖÆÊä³ö¡£ |
| VALLEY |
´ËģʽÔÚ×îС¼ì²âÖµ¿ØÖÆÊä³ö¡£ | |
 |
ΪÁ˽«²â¶¨Êý¾Ýµ¼ÈëµçÄÔ£¬¿ÉÒÔÏÈÔÝʱ½«Æä±£´æÔÚ¿ØÖÆÆ÷ÖУ¬¿ØÖÆÆ÷×î¶à¿É±£´æ48,000·ÝÊý¾Ý¡£±£´æÔÚ¿ØÖÆÆ÷ÖеÄËùÓÐÊý¾Ý¿ÉÒÔ¹ýºóͨ¹ýͨÐÅ»òÖÇÄÜ¼à¿ØÆ÷HL-C1AiMµ¼ÈëµçÄÔ¡£´Ë¹¦ÄÜ¿ÉÓÃÓÚµ¼Èë²â¶¨Êý¾ÝµÄÈ·ÈÏ¡¢²â¶¨ºóËùÓÐÊý¾ÝµÄ¶ÁÈ¡¼°±£´æ¡£ |
¶©¹ºÖ¸ÄÏ
¼ì²âÍ· |
| ÖÖÀà |
ÐÎ×´ |
¼ì²âÖÐÐľàÀë |
·Ö±æÂÊ (×¢1)(×¢2) |
ÐͺŠ|
×éºÏ¿ØÖÆÆ÷ |
×éºÏ²Ù×÷ÅÌ |
ÊÊÓñê×¼ |
À© É¢ ·´ Éä ÐÍ |
¿íÁ¿³Ì |
 |
 350mm¡¡¡¡ (²â¶¨·¶Î§¡À200mm) |
10¦Ìm |
HL-C135C-BK10 |
HL-C1C-WL HL-C1C-M-WL |
HL-C1DP-WL HL-C1DP-E-WL |
JIS/IEC /FDA |
| ͨÓà |
 |
 85mm¡¡¡¡¡¡ (²â¶¨·¶Î§¡À20mm) |
2¦Ìm |
HL-C108B-BK |
HL-C1C HL-C1C-M |
HL-C1DP HL-C1DP-E |
JIS/IEC |
| HL-C108F-BK |
FDA |
´Ö²Ú±íÃæ ¹¤¼þÓà |
HL-C108B-MK |
JIS/IEC |
| ¸ß¾«¶È |
 |
 50mm (²â¶¨·¶Î§¡À5mm) |
1¦Ìm |
HL-C105B-BK |
JIS/IEC |
| HL-C105F-BK |
FDA |
´Ö²Ú±íÃæ ¹¤¼þÓà |
HL-C105B-MK |
JIS/IEC |
Õý ·´ Éä ÐÍ |
ͨÓà |
 |
 50mm (²â¶¨·¶Î§¡À5mm) |
2¦Ìm |
HL-C108B |
JIS/IEC |
| HL-C108F |
FDA |
| ¸ß¾«¶È |
 |
 46mm (²â¶¨·¶Î§¡À4mm) |
1¦Ìm |
HL-C105B |
JIS/IEC |
| HL-C105F |
FDA |
³¬¸ß¾«¶È ¼ä϶²â¶¨ |
 |
 25mm (²â¶¨·¶Î§¡À1mm) |
0.3¦Ìm |
HL-C102A |
HL-C1C-GS HL-C1C-M-GS |
HL-C1DP-GS HL-C1DP-E-GS |
JIS/IEC | |
×¢£º 1) ͨ¹ý½«P-PÖµ»»Ëã³É¾àÀëµÃµ½ÕâЩֵ¡£P-PÖµ±íÃ÷ͨ¹ý¼ì²âÖÐÐľàÀë²â¶¨ÖµµÄ·Ö²¼¡£ 2) ²ÉÓñ¾¹«Ë¾±ê×¼µÄ°×ÌմɲⶨÎïÌå(Õý·´ÉäÐÍʹÓÃÂÁÕôÆûÅç¶Æ±íÃæ·´Éä¾µ)¡¢Æ½¾ùÑùÆ·ÊýΪ256ʱ¡£ |
¿ØÖÆÆ÷ |
СÐͲÙ×÷ÅÌ |
| ÖÖÀà |
ÐÎ×´ |
ÐͺŠ|
ÅжÏÊä³ö |
| ±ê×¼ÐÍ |
 |
HL-C1C |
NͨµÀ ¿ªÂ© |
| HL-C1C-M |
¹âµç¼ÌµçÆ÷ |
| HL-C102AרÓà |
HL-C1C-GS |
NͨµÀ¿ªÂ© |
| HL-C1C-M-GS |
¹âµç¼ÌµçÆ÷ |
HL-C135C-BK10 רÓà |
 |
HL-C1C-WL |
NͨµÀ¿ªÂ© |
| HL-C1C-M-WL |
¹âµç¼ÌµçÆ÷ | |
| ÖÖÀà |
ÐÎ×´ |
ÐͺŠ|
| ±ê×¼ÐÍ |
ÈÕÎİæ |
 |
HL-C1DP |
| Ó¢Îİæ |
HL-C1DP-E |
HL-C1C-GS (HL-C102A)רÓà |
ÈÕÎİæ |
HL-C1DP-GS |
| Ó¢Îİæ |
HL-C1DP-E-GS |
HL-C1C-WL (HL-C135C-BK10) רÓà |
ÈÕÎİæ |
HL-C1DP-WL |
| Ó¢Îİæ |
HL-C1DP-E-WL | |
¼ì²âÍ·ÑÓ³¤µçÀ |
| ÐÎ×´ |
ÐͺŠ|
˵Ã÷ |
 |
HL-C1CCJ2 |
³¤2Ãס¢±¾ÌåÖØÔ¼160g |
Á½¶Ë´øÁ¬½ÓÆ÷µÄ¾øÔµÏ𽺵çÀ µçÀÂÍâ¾¶£º¦Õ7mm Á¬½ÓÆ÷×î´óÍâ¾¶£º¦Õ 14.7mm |
| HL-C1CCJ5 |
³¤5Ãס¢±¾ÌåÖØÔ¼350g |
| HL-C1CCJ10 |
³¤10Ãס¢±¾ÌåÖØÔ¼700g |
| HL-C1CCJ20 |
³¤20Ãס¢±¾ÌåÖØÔ¼1,400g |
| HL-C1CCJ30 |
³¤30Ãס¢±¾ÌåÖØÔ¼2,000g | |
ÖÇÄÜ¼à¿ØÆ÷ |
| ÐÎ×´ |
ÐͺŠ|
˵Ã÷ |
 |
HL-C1AiM |
¿ÉÒÔ½øÐи÷ÖֲⶨÌõ¼þµÄÉ趨¡¢ÏÔʾ²â¶¨ ÖµµÄ²¨ÐΡ¢¼à¿Ø²â¶¨ÖµÊý¾Ý¼°ÊܹâÁ¿Êý¾Ý¡£ ´øÒ»¸ùËÉϵ繤(Öê)ÖÆCOM¶Ë¿ÚÁ¬½ÓµçÀ | | ¼¼ÊõÐÅÏ¢:
¹æ¸ñ
¼ì²âÍ·
| ÖÖÀà |
À©É¢·´ÉäÐÍ |
| ¿íÁ¿³Ì |
ͨÓà |
´Ö²Ú±íÃæ¹¤¼þÓà |
¸ß¾«¶È |
´Ö²Ú±íÃæ¹¤¼þÓà |
| ÏîÄ¿ |
·ûºÏJIS/IEC ±ê×¼µÄ»úÐÍ |
HL-C135C-BK10 |
HL-C108B-BK |
HL-C108B-MK |
HL-C105B-BK |
HL-C105B-MK |
·ûºÏFDA ±ê×¼µÄ»úÐÍ |
HL-C108F-BK |
------ |
HL-C105F-BK |
------ |
| ¼ì²âÖÐÐľàÀë |
350mm |
85mm |
50mm |
| ²â¶¨·¶Î§ |
¡À200mm |
¡À20mm |
¡À5mm |
| ·Ö±æÂÊ(×¢2)(×¢3) |
10¦Ì£í |
2¦Ì£í |
1¦Ì£í |
| ÏßÐÔ¶È(×¢4) |
¡À0.1% F.S. |
| ζÈÌØÐÔ |
0.02% F.S./¡ãC |
| ¼¤¹âͶ¹âָʾµÆ |
ÂÌÉ«LED(¼¤¹âͶ¹âʱ»ò¼¤¹âͶ¹âǰһ¿ÌÁÁÆð) |
| ²â¶¨·¶Î§Ö¸Ê¾µÆ |
»ÆÉ«LED(¼ì²â·¶Î§ÄÚÉÁ˸£¬½Ó½ü¼ì²âÖÐÐľàÀëʱÁÁÆð) |
»· ¾³ ÐÔ ÄÜ |
±£»¤¹¹Ôì |
IP67(IEC)¡¢·À½þÐÍ(JIS)(³ýÁ¬½ÓÆ÷²¿) |
| ÖÜΧÎÂ¶È |
0¡«£«45¡ãC(×¢Òâ²»¿É½á¶)¡¢±£´æÊ±£º£20¡«£«70¡ãC |
| ÖÜΧʪ¶È |
35¡«85%RH¡¢±£´æÊ±£º35¡«85%RH |
| ÖÜΧÕÕÃ÷¶È |
°×³ãµÆ£ºÊܹâÃæÕÕÃ÷¶È3,000RxÒÔÏ |
| Ä͵çѹ |
AC500V 1·ÖÖÓ ×¨ÓÿØÖÆÆ÷µçÔ´ÊäÈ벿ºÍ¼ì²âÍ·Íâ¿ÇÖ®¼ä |
| ¾øÔµ×迹 |
20M¦¸ÒÔÉÏ »ùÓÚDC500VµÄ¸ß×è±í רÓÿØÖÆÆ÷µçÔ´ÊäÈ벿·ÖºÍ¼ì²âÍ·Íâ¿ÇÖ®¼ä |
| ÄÍÕñ¶¯ |
ƵÂÊ£º10¡«55Hz(ÖÜÆÚ£º1·ÖÖÓ)£¬Ë«Õñ·ù£º1.5mm X,Y,Z·½Ïò¸÷2Сʱ |
| Äͳå»÷ |
¼ÓËÙ¶È£º196m/s2(Ô¼20G) X,Y,Z·½Ïò¸÷3´Î |
| ¹âÔ´ |
ºìÉ«°ëµ¼Ì弤¹â ¼¶±ð3B(FDA±ê×¼ÈÏÖ¤ÐÍ ¼¶±ðIIIb) (×î´óÊä³ö£º10mW¡¢ ·å²¨³¤¶È£º658nm) |
ºìÉ«°ëµ¼Ì弤¹â£¬¼¶±ð2(FDA±ê×¼ÈÏÖ¤ÐÍ ¼¶±ðII) (JIS/IEC±ê×¼ÈÏÖ¤ÐÍ£ºJIS/IEC¡¢FDA±ê×¼ÈÏÖ¤ÐÍ£ºJIS/IEC/FDA) (×î´óÊä³ö£º1mW¡¢·å²¨³¤¶È£º658nm) |
| ¹âÊøÖ±¾¶(×¢5) |
Ô¼400¡Á200¦Ìm |
Ô¼100¡Á140¦Ìm |
Ô¼100¡Á1,200¦Ìm |
Ô¼70¡Á120¦Ìm |
Ô¼70¡Á1,000¦Ìm |
| Êܹâ¶þ¼«Ìå |
ÏßÐÔͼÏñ´«¸ÐÆ÷ |
| Íâ¿Ç½ÓµØ |
²»¹Ì¶¨ |
| ²ÄÖÊ |
±¾ÌåÍâ¿Ç£ºÑ¹ÖýÂÁ£¬±¾ÌåÍâÕÖ£ºÑ¹ÖýÂÁ£¬Ç°¸Ç£º²£Á§
|
| µçÀ |
¾øÔµÏ𽺵çÀ£¬0.5m³¤£¬´øÁ¬½ÓÆ÷ |
| µçÀ³¤¶È |
ÓÿÉÑ¡µçÀÂÈ«³¤¿ÉÑÓ³¤ÖÁ30m |
| ÖØÁ¿ |
±¾ÌåÖØÁ¿£ºÔ¼300g |
| ¸½¼þ |
Ó¢Îľ¯¸æ±êÇ©£º1Ì×(FDA±ê×¼ÈÏÖ¤Ð͸½´øJIS(ÈÕÎÄ)ºÍIEC(Ó¢ÎÄ)±êÇ©¸÷1Ì×) |
×¢£º 1) µ±Î´Ã÷È·Ö¸¶¨²â¶¨Ìõ¼þʱ£¬Ê¹ÓÃÌõ¼þÈçÏ£ºµçÔ´µçѹ24V DC¡¢ÖÜΧζȣ½+20¡ãC¡¢È¡ÑùÂÊ100¦Ìs¡¢Æ½¾ùÑùÆ·Êý256(HL-C135C-BKΪ512)¡¢¼ì²âÖÐÐľàÀ룬Óɰ×ÌÕ´ÉÖÆ³ÉµÄ²â¶¨ÎïÌå¡£ÏßÐÔ¶ÈÈ¡¾öÓڲⶨÎïÌåµÄÌØÕ÷¡£ 2) ͨ¹ý½«P-PÖµ»»Ëã³É¾àÀëµÃµ½ÕâЩֵ¡£P-PÖµ±íÃ÷ͨ¹ý¼ì²âÖÐÐľàÀë²â¶¨ÖµµÄ·Ö²¼¡£ 3) ²ÉÓñ¾¹«Ë¾µÄ±ê×¼°×ÌմɲⶨÎïÌ壬ƽ¾ùÑùÆ·ÊýΪ256(HL-C135C-BKΪ512)ʱ¡£ 4) ´ËÖµÏÔʾ²ÉÓñ¾¹«Ë¾µÄ±ê×¼°×ÌÕ´ÉÖÆ³ÉµÄÎïÌå½øÐмì²âʱ£¬ÀíÏëÏßÐÔ±äλÊä³öµÄ´íÎó·¶Î§¡£´ËÖµ»á¸ù¾Ý²â¶¨ÎïÌåµÄÌØÕ÷¶ø¸Ä±ä¡£ 5) ʹÓÃÖÐÐĹâÁ¿µÄ1/e2(Ô¼13.5%)¶¨ÒåÕâЩֵ¡£Èç¹ûÕý³£¹âµãÖ±¾¶ÍâÓÐ΢СµÄ¹âй©£¬²¢ÇÒ¼ì²âµãÍâΧÓиßÓÚ¼ì²âµã±¾ÉíµÄÇ¿·´É䣬½á¹û¿ÉÄܻᱻӰÏì¡£
¼ì²âÍ·
| ÖÖÀà |
À©É¢·´ÉäÐÍ |
| ͨÓà |
¸ß¾«¶È |
³¬¸ß¾«¶È¼ä϶²â¶¨ |
| ÏîÄ¿ |
·ûºÏJIS/IEC ±ê×¼µÄ»úÐÍ |
HL-C108B |
HL-C105B |
HL-C102A |
·ûºÏFDA ±ê×¼µÄ»úÐÍ |
HL-C108F |
HL-C105F |
------ |
| ¼ì²âÖÐÐľàÀë |
81.4mm |
46mm |
25mm |
| ²â¶¨·¶Î§ |
¡À16mm |
¡À4mm |
¡À1mm |
| ·Ö±æÂÊ(×¢2)(×¢3) |
2¦Ì£í |
1¦Ì£í |
0.3¦Ì£í |
| ÏßÐÔ¶È(×¢4) |
¡À0.1% F.S. |
¡À0.05% F.S.(¡À1¦Ì£í) |
| ζÈÌØÐÔ |
0.02% F.S./¡ãC |
0.04% F.S./¡ãC |
| ¼¤¹âͶ¹âָʾµÆ |
ÂÌÉ«LED(¼¤¹âͶ¹âʱ»ò¼¤¹âͶ¹âǰһ¿ÌÁÁÆð) |
| ²â¶¨·¶Î§Ö¸Ê¾µÆ |
»ÆÉ«LED(¼ì²â·¶Î§ÄÚÉÁ˸£¬½Ó½ü¼ì²âÖÐÐľàÀëʱÁÁÆð) |
»· ¾³ ÐÔ ÄÜ |
±£»¤¹¹Ôì |
IP67(IEC)¡¢·À½þÐÍ(JIS)(³ýÁ¬½ÓÆ÷²¿) |
| ÖÜΧÎÂ¶È |
0¡«£«45¡ãC(×¢Òâ²»¿É½á¶)¡¢±£´æÊ±£º£20¡«£«70¡ãC |
| ÖÜΧʪ¶È |
35¡«85%RH¡¢±£´æÊ±£º35¡«85%RH |
| ÖÜΧÕÕÃ÷¶È |
°×³ãµÆ£ºÊܹâÃæÕÕÃ÷¶È3,000RxÒÔÏ |
| Ä͵çѹ |
AC500V 1·ÖÖÓ ×¨ÓÿØÖÆÆ÷µçÔ´ÊäÈ벿ºÍ¼ì²âÍ·Íâ¿ÇÖ®¼ä |
| ¾øÔµ×迹 |
20M¦¸ÒÔÉÏ »ùÓÚDC500VµÄ¸ß×è±í רÓÿØÖÆÆ÷µçÔ´ÊäÈ벿·ÖºÍ¼ì²âÍ·Íâ¿ÇÖ®¼ä |
| ÄÍÕñ¶¯ |
ƵÂÊ£º10¡«55Hz(ÖÜÆÚ£º1·ÖÖÓ)£¬Ë«Õñ·ù£º1.5mm X,Y,Z·½Ïò¸÷2Сʱ |
| Äͳå»÷ |
¼ÓËÙ¶È£º196m/s2(Ô¼20G) X,Y,Z·½Ïò¸÷3´Î |
| ¹âÔ´ |
ºìÉ«°ëµ¼Ì弤¹â ¼¶±ð3B(FDA±ê×¼ÈÏÖ¤ÐÍ ¼¶±ðIIIb) (×î´óÊä³ö£º10mW¡¢ ·å²¨³¤¶È£º658nm) |
ºìÉ«°ëµ¼Ì弤¹â ¼¶±ð1(JIS/IEC) (×î´óÊä³ö70¦ÌW¡¢·å²¨³¤¶È£º685nm) |
| ¹âÊøÖ±¾¶(×¢5) |
Ô¼100¡Á140¦Ìm |
Ô¼70¡Á120¦Ìm |
Ô¼30¡Á50¦Ìm |
| Êܹâ¶þ¼«Ìå |
ÏßÐÔͼÏñ´«¸ÐÆ÷ |
| Íâ¿Ç½ÓµØ |
²»¹Ì¶¨ |
| ²ÄÖÊ |
±¾ÌåÍâ¿Ç£ºÑ¹ÖýÂÁ£¬±¾ÌåÍâÕÖ£ºÑ¹ÖýÂÁ£¬Ç°¸Ç£º²£Á§
|
| µçÀ |
¾øÔµÏ𽺵çÀ£¬0.5m³¤£¬´øÁ¬½ÓÆ÷ |
| µçÀ³¤¶È |
ÓÿÉÑ¡µçÀÂÈ«³¤¿ÉÑÓ³¤ÖÁ30m |
| ÖØÁ¿ |
±¾ÌåÖØÁ¿£ºÔ¼300g |
| ¸½¼þ |
Ó¢Îľ¯¸æ±êÇ©£º1Ì×(FDA±ê×¼ÈÏÖ¤Ð͸½´øJIS(ÈÕÎÄ)ºÍIEC(Ó¢ÎÄ)±êÇ©¸÷1Ì×) |
×¢£º 1) µ±Î´Ã÷È·Ö¸¶¨²â¶¨Ìõ¼þʱ£¬Ê¹ÓÃÌõ¼þÈçÏ£ºµçÔ´µçѹ24V DC¡¢ÖÜΧζȣ½+20¡ãC¡¢È¡ÑùÂÊ100¦Ìs¡¢Æ½¾ùÑùÆ·Êý256(HL-C135C-BKΪ512)¡¢¼ì²âÖÐÐľàÀ룬Óɰ×ÌÕ´ÉÖÆ³ÉµÄ²â¶¨ÎïÌå¡£ÏßÐÔ¶ÈÈ¡¾öÓڲⶨÎïÌåµÄÌØÕ÷¡£ 2) ͨ¹ý½«P-PÖµ»»Ëã³É¾àÀëµÃµ½ÕâЩֵ¡£P-PÖµ±íÃ÷ͨ¹ý¼ì²âÖÐÐľàÀë²â¶¨ÖµµÄ·Ö²¼¡£ 3) ²ÉÓñ¾¹«Ë¾µÄ±ê×¼°×ÌմɲⶨÎïÌ壬ƽ¾ùÑùÆ·ÊýΪ256(HL-C135C-BKΪ512)ʱ¡£ 4) ´ËÖµÏÔʾ²ÉÓñ¾¹«Ë¾µÄ±ê×¼°×ÌÕ´ÉÖÆ³ÉµÄÎïÌå½øÐмì²âʱ£¬ÀíÏëÏßÐÔ±äλÊä³öµÄ´íÎó·¶Î§¡£´ËÖµ»á¸ù¾Ý²â¶¨ÎïÌåµÄÌØÕ÷¶ø¸Ä±ä¡£ 5) ʹÓÃÖÐÐĹâÁ¿µÄ1/e2(Ô¼13.5%)¶¨ÒåÕâЩֵ¡£Èç¹ûÕý³£¹âµãÖ±¾¶ÍâÓÐ΢СµÄ¹âй©£¬²¢ÇÒ¼ì²âµãÍâΧÓиßÓÚ¼ì²âµã±¾ÉíµÄÇ¿·´É䣬½á¹û¿ÉÄܻᱻӰÏì¡£
¿ØÖÆÆ÷
| ÏîÄ¿ |
ÖÖÀà |
NPNÊä³ö |
¹âµç¼ÌµçÆ÷Êä³ö |
| ±ê×¼ÐÍ |
HL-C102AÓÃ |
HL-C135C-BK10ÓÃ |
±ê×¼ÐÍ |
HL-C102AÓÃ |
HL-C135C-BK10ÓÃ |
| ÐͺŠ|
HL-C1C |
HL-C1C-GS |
HL-C1C-WL |
HL-C1C-M |
HL-C1C-M-GS |
HL-C1C-M-WL |
| ×éºÏ¼ì²âÍ· |
×î¶à2¸ö¼ì²âÍ· |
| µçÔ´µçѹ |
24V DC ¡À10% °üÀ¨Âö¶¯0.5V(P-P) |
| µçÁ÷ÏûºÄ |
Á¬½Ó1¸ö¼ì²âͷʱ£ºÔ¼430mA£¬Á¬½Ó2¸ö¼ì²âͷʱ£ºÔ¼550mA |
| È¡ÑùÂÊ |
¿É´Ó100¦Ìs/144¦Ìs/200¦Ìs/255¦Ìs/332¦Ìs/498¦Ìs/1,000¦ÌsÖÐÑ¡Ôñ [HL-C1C(-M)-GS¿É´Ó200¦Ì s/332¦Ì s/498¦Ì s/1,000¦Ì s(²âÁ¿·åֵʱ»¹¿ÉÉ趨Ϊ100¦Ì s/144¦Ì s£¬Á¬½Ó2¸ö¼ì²âͷʱ¿ÉÉ趨Ϊ332¦Ì s/498 ¦Ì s/1,000¦Ì s)ÖÐÑ¡Ôñ] |
| ζÈÌØÐÔ |
¡À0.01%F.S./¡ãC |
| Ä£ÄâÊä³ö |
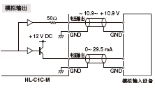
µçѹ |
Êä³öµçѹ£º¡À5V/F.S¡². Ñ¡ÔñÀ©É¢·´ÉäģʽʱĬÈÏÉ趨(×¢2)¡³ Êä³ö·¶Î§£º£10.9¡«£«10.9V Êä³öµçÁ÷£º×î´ó2mA¡¢Êä³ö×迹£º50¦¸ |
| µçÁ÷(×¢3) |
Êä³öµçÁ÷£º4¡«20mA/F.S¡². Ñ¡ÔñÀ©É¢·´ÉäģʽʱĬÈÏÉ趨(×¢4)¡³ Êä³ö·¶Î§£º0¡«29.5mA(×î´ó¸ºÔØ×迹ʱ×î´ó25mA) ¸ºÔØ×迹£º250¦¸ÒÔÏ |
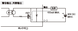
| ¾¯¸æÊä³ö |
N ͨµÀ¿ªÂ© ¡¤×î´óÁ÷ÈëµçÁ÷£º100mA ¡¤Íâ¼Óµçѹ£º30V DCÒÔÏ (¾¯¸æÊä³öºÍÍⲿ¾øÔµGNDÖ®¼ä) ¡¤ON×迹£º5¦¸ÒÔÏ |
¹âµç¼ÌµçÆ÷ ¡¤×î´ó¸ºÔصçÁ÷£º50mA ¡¤Íâ¼Óµçѹ£º30V DCÒÔÏÂ(¾¯¸æÊä³öºÍÊä³öCOMÖ®¼ä) ¡¤ON×迹£º35¦¸ÒÔÏ ¡¤¶¯×÷ʱ¼ä£º×î´ó2ms |
| |
Êä³ö²Ù×÷ |
¹âÁ¿¹ý¶à»ò²»×ãʱ¿ªÂ· |
| |
¶Ì·±£»¤ |
×°±¸ |
ÅжÏÊä³ö (O1¡¢O2) |
N ͨµÀ¿ªÂ© ¡¤×î´óÁ÷ÈëµçÁ÷£º100mA ¡¤Íâ¼Óµçѹ£º30V DCÒÔÏ (ÅжÏÊä³öºÍÍⲿ¾øÔµGNDÖ®¼ä) ¡¤ON×迹£º5¦¸ÒÔÏ |
¹âµç¼ÌµçÆ÷ ¡¤×î´ó¸ºÔصçÁ÷£º50mA ¡¤Íâ¼Óµçѹ£º30V DCÒÔÏÂ(ÅжÏÊä³öºÍÊä³öCOMÖ®¼ä) ¡¤ON×迹£º35¦¸ÒÔÏ ¡¤²Ù×÷ʱ¼ä£º×î´ó2ms |
| |
Êä³ö²Ù×÷ |
´ïµ½ãÐֵʱ¿ªÂ·»ò±Õ·¡£ÓÉÅжÏÊä³öģʽѡÔñ¡£(ãÐÖµ¸ù¾Ý´ÅÖÍÉ趨¸Ä±ä¡£) |
| |
¶Ì·±£»¤ |
×°±¸ |
| ´®ÐÐÊäÈë/Êä³ö |
RS-232C |
ͬ²½ÊäÈë (¼¤¹âͶ¹â) |
¶Ì·»ò¿ªÂ·Ê±£ºÓÉÊäÈëģʽѡÔñ¾ö¶¨¼¤¹âͶ¹âÍ£Ö¹»ò¼ÌÐø |
------ |
µ±µçѹÊÇÊäÈë(ʹÓÃÊäÈëµçѹ£º12-24V DC¡¢×î´óÊäÈëµçѹ£º30V DC)»òµç·ÊÇ¿ªÂ·Ê±£ºÓÉÊäÈëģʽѡÔñ¾ö¶¨¼¤¹âͶ¹âÍ£Ö¹»ò¼ÌÐø |
------ |
| Ò£¿Ø»¥ËøÊäÈë |
------ |
¿ªÂ·Ê±£º¼¤¹âͶ¹âÍ£Ö¹ |
------ |
¿ªÂ·Ê±£º¼¤¹âͶ¹âÍ£Ö¹ |
| ÁãÉè ONÊäÈë |
¶Ì·ʱÁãÉèON |
ÁãÉ裺µ±µçѹÊÇÊäÈë(ʹÓÃÊäÈëµçѹ£º12¡«24V DC¡¢×î´óÊäÈëµçѹ£º30V DC)ʱON |
| ÁãÉè OFFÊäÈë |
¶Ì·ʱÁãÉèOFF |
ÁãÉ裺µ±µçѹÊÇÊäÈë(ʹÓÃÊäÈëµçѹ£º12¡«24V DC¡¢×î´óÊäÈëµçѹ£º30V DC)ʱOFF |
| ָʾµÆ |
¼¤¹âͶ¹â |
ÂÌÉ«LED(´Ó¼ì²âÍ·1»ò¼ì²âÍ·2·¢³ö¼¤¹âͶ¹âʱÁÁÆð£¬»ò¼¤¹âͶ¹âǰһ¿ÌÁÁÆð) |
| BRIGHT |
ºìÉ«LED(ÓÉÓÚ¼ì²âÍ·1»ò¼ì²âÍ·2¹âÁ¿¹ý×ã²»ÄܽøÐмì²âʱÁÁÆð) |
| DARK |
ºìÉ«LED(ÓÉÓÚ¼ì²âÍ·1»ò¼ì²âÍ·2¹âÁ¿²»×ã²»ÄܽøÐмì²âʱÁÁÆð) |
| É趨/Êý¾ÝÏÔʾ |
СÐͲÙ×÷ÅÌ(¿ÉÑ¡) |
| ¿Ì¶È(×¢5) |
ÒÆÎ» |
¡À20.0000mm |
¡À200.0000mm |
¡À20.0000mm |
¡À200.0000mm |
| ¿ç¶È |
0.9000¡«1.1000 |
| ƽ¾ùÑùÆ·Êý(×¢5) |
OFF¡¢2¡«32,768´Î(16²½) |
| Êý×ÖÂ˲¨Æ÷(×¢5) |
¸ßͨ£ºOFF¡¢10¡«2,000Hz(9²½)£¬µÍͨ£ºOFF¡¢10¡«2,000Hz(9²½) |
| ¼ÆË㹦ÄÜ(×¢5) |
L¡ÀKA¡¢L¡ÀKB¡¢L¡ÀK(A¡ÀB) A£º¼ì²âÍ·1¼ì²âÖµ£¬B£º¼ì²âÍ·2¼ì²âÖµ£¬L£½¡À999.9999¡¢K£½0.0001¡«99.9999 |
| Ö§³Ö¹¦ÄÜ(×¢5) |
¿É´ÓNORMAL/P-P/PEAK/VALLEYÖÐÑ¡Ôñ |
»· ¾³ ÐÔ ÄÜ |
ÖÜΧÎÂ¶È |
0¡«+50¡ãC(×¢Òâ²»¿É½á¶)£¬±£´æÊ±£º£20¡«+70¡ãC |
| ÖÜΧʪ¶È |
35¡«85%RH¡¢±£´æÊ±£º35¡«85%RH |
| Ä͵çѹ |
AC 500V 1·ÖÖÓ µçÔ´ÊäÈ벿·ÖºÍÍâ¿ÇÖ®¼ä |
| ¾øÔµ×迹 |
20M¦¸ÒÔÉÏ »ùÓÚDC500VµÄ¸ß×è±í µçÔ´ÊäÈ벿·ÖºÍÍâ¿ÇÖ®¼ä |
| ÄÍÕñ¶¯ |
ƵÂÊ£º10¡«55Hz(ÖÜÆÚ£º1·ÖÖÓ)£¬Ë«Õñ·ù£º0.75mm£¬X,Y,Z·½Ïò¸÷30·ÖÖÓ |
| Äͳå»÷ |
¼ÓËÙ¶È£º196m/s2(Ô¼20G)£¬X,Y,Z·½Ïò¸÷3´Î |
| µçÀÂ×ܳ¤¶È |
µçÔ´Ïߣº10mÒÔÏ£¬ÐźÅÏߣº30mÒÔÏ |
| ±¾ÌåÖØÁ¿ |
±¾ÌåÖØÁ¿£ºÔ¼300g |
| ¸½¼þ |
------ |
Ô¿³×£º2¸ö |
------ |
Ô¿³×£º2¸ö |
×¢£º 1) µ±Î´Ã÷È·Ö¸¶¨²â¶¨Ìõ¼þʱ£¬Ê¹ÓÃÌõ¼þÈçÏ£ºµçÔ´µçѹ24V DC¡¢ÖÜΧζȣ½+20¡ãC¡¢È¡ÑùÂÊ100¦Ìs(HL-C1C(-M)-GSΪ332¦Ìs)¡¢Æ½¾ùÑùÆ·Êý256[HL-C1C(-M)- WLΪ512]¡¢¼ì²âÖÐÐľàÀë¡£ 2) Èç¹ûÑ¡ÔñÕý·´Éäģʽ£¬Ä¬ÈÏÉ趨ÊÇ¡À4V/F.S. 3) ×î´óÄ£ÄâÊä³öµçÁ÷¸ù¾Ý¸ºÔØ×迹¸Ä±ä¡£ 4) Èç¹ûÑ¡ÔñÕý·´Éäģʽ£¬Ä¬ÈÏÉ趨ÊÇ5.6¡«18.4mA/F.S.¡£ 5) ʹÓÃͨ¹ýСÐͲÙ×÷Å̺ÍRS-232C½Ó¿ÚµÄÍⲿÉ豸µÄÃüÁîÊäÈëÕâЩֵ¡£
СÐͲÙ×÷ÅÌ
| ÏîÄ¿ |
ÖÖÀà |
ÏîÄ¿ |
HL-C1C-GS(HL-C102A)רÓà |
HL-C1C-WL(HL-C135C-BK10)רÓà |
| ÈÕÎİæ |
Ó¢Îİæ |
ÈÕÎİæ |
Ó¢Îİæ |
ÈÕÎİæ |
Ó¢Îİæ |
| ÐͺŠ|
HL-C1DP |
HL-C1DP-E |
HL-C1DP-GS |
HL-C1DP-E-GS |
HL-C1DP-WL |
HL-C1DP-E-WL |
| µçÔ´µçѹ |
24V DC¡À10%¡¡°üÀ¨Âö¶¯0.5V(P-P) |
| µçÁ÷ÏûºÄ |
200mAÒÔÏÂ |
ÏÔ Ê¾ |
ÏÔʾԪ¼þ |
STNµ¥É«LCD |
| ±³µÆ |
ÂÌÉ«LED |
| LCDÊÙÃü |
ƽ¾ù50,000Сʱ(×¢2) |
| ÏÔʾ·¶Î§ |
£99.9999¡«99.9999 |
´¥ Ãþ ÅÌ |
²Ù×÷ѹÁ¦ |
0.98NÒÔÏÂ |
| ÊÙÃü |
100Íò´ÎÒÔÉÏ |
»· ¾³ ÐÔ ÄÜ |
±£»¤¹¹Ôì |
IP65(IEC)¡¢·ÀÅçÁ÷ÐÍ(JIS)(³õʼ״̬ÏÂ)(×¢3) ½ö²Ù×÷Å̵ÄÇ°Ãæ·À³¾ºÍ·ÀË®¡£(²Ù×÷Å̱íÃæÊ¹Ó÷ÀË®°ü×°¡£) |
| ÖÜΧÎÂ¶È |
0¡«£«40¡ãC(×¢Òâ²»¿É½á¶)£¬±£´æÊ±£º£20¡«£«60¡ãC |
| ÖÜΧʪ¶È |
20¡«85%RH¡¢±£´æÊ±£º10¡«85%RH |
| Ë«ÖØÄÍÔëÒô |
1,000V(P-P)ÒÔÉÏ£¬µçÔ´¶Ë×ÓÖ®¼äÂö³å50nsºÍ1¦Ìs |
| ¾²µçÄÍÔëÒô |
5,000VÒÔÉÏ(²Ù×÷Å̵ıíÃæ) |
| ÄÍÕñ¶¯ |
ƵÂÊ£º10¡«55Hz£¬Ë«Õñ·ù£º0.75mm£¬X,Y,Z·½Ïò¸÷10·ÖÖÓ |
| Äͳå»÷ |
¼ÓËÙ¶È£º98m/s2(Ô¼10G)£¬X,Y,Z·½Ïò¸÷4´Î |
| ÖØÁ¿ |
±¾ÌåÖØÁ¿£ºÔ¼260g |
| ¸½¼þ |
ÓÃÓÚÁ¬½Ó¿ØÖÆÆ÷ºÍ²Ù×÷Å̵ÄÁ¬½ÓµçÀ£º1¸ù |
×¢£º 1) ÎÞÖ¸¶¨²âÁ¿Ìõ¼þÊÇÖ¸ÖÜΧζȣ½£«20¡ãCʱµÄÌõ¼þ¡£ 2) ´ËÖµÖ¸Õý³£Î¶È25¡ãCÏÂÔª¼þµÄƽ¾ùÊÙÃü¡£ 3) ÖØÐ°²×°²Ù×÷ÅÌʱ£¬¸ü»»·ÀË®°ü×°¡£
I/Oµç·ͼºÍÏß·ͼ
NPNÊä³öÐÍ ¿ØÖÆÆ÷
ÊäÈëµç·
 |
¶Ë×ÓÅÅÁÐ
 ×¢£º 1) HL-C1C-WLΪIL1£ºÒ£¿Ø»¥ËøÊäÈë(¼ì²âÍ·1)¡£ 2) HL-C1C-WLΪIL2£ºÒ£¿Ø»¥ËøÊäÈë(¼ì²âÍ·2)¡£ 3) ²»Ê¹ÓñêÓС°¡¤¡±µÄ¶Ë×Ó¡£ÓÐЩÁ¬½ÓÖÁÄÚ²¿µç·£¬²»ÄÜ×÷Ϊ²¼ÏßµÄÑÓ³Ù¶Ë×ÓµÈʹÓᣠ|
Êä³öµç·

 |
×¢£º 1) ÇëÎð¶Ì·ģÄâÊä³ö¶Ë×Ó»òÍâ¼Óµçѹ¡£ 2) Ä£ÄâÊä³öʹÓ÷À»¤Ïß¡£ |
|
¹âµç¼ÌµçÆ÷Êä³öÐÍ
ÊäÈëµç·

 |
Êä³öµç· ¾¯¸æÊä³ö¡¢ÅжÏÊä³ö

|
¶Ë×ÓÅÅÁÐ

|
 |
×¢£º 1) HL-C1C-M-WLΪIL1£ºÒ£¿Ø»¥ËøÊäÈë(¼ì²âÍ·1)¡£ 2) HL-C1C-M-WLΪIL2£ºÒ£¿Ø»¥ËøÊäÈë(¼ì²âÍ·2)¡£ 3) ²»Ê¹ÓñêÓС°¡¤¡±µÄ¶Ë×Ó¡£ÓÐЩÁ¬½ÓÖÁÄÚ²¿µç·£¬²»ÄÜ×÷Ϊ²¼ÏßµÄת½Ó¶Ë×ÓµÈʹÓᣠ|
¼ì²âÌØÐÔ(µäÐÍ)
HL-C135C-BK10 À©É¢·´ÉäÐÍ
HL-C108¡õ-BK HL-C108B-MK
HL-C105¡õ-BK HL-C105B-MK
HL-C108B HL-C108F
HL-C105B HL-C105F
HL-C102A Õý·´ÉäÐÍ
ʹÓÃÖ¸ÄÏ
| ¡¤ ±¾²úƷĿ¼ÊÇÓÃÓÚÑ¡¶¨²úÆ·µÄÖ¸ÄÏ¡£Ê¹ÓòúƷǰÇëÎñ±ØÔĶÁ²úÆ·¸½´øµÄʹÓÃ˵Ã÷Êé¡£ |
¡¤ ÇëÎ𽫱¾²úÆ·×÷Ϊ±£»¤ÈËÉí°²È«µÄ¼ì²â×°ÖÃʹÓᣠ¡¤ ÒÔ±£»¤ÈËÌåΪĿµÄµÄ¼ì²â×°Öã¬ÇëʹÓ÷ûºÏOSHA¡¢ANSIÒÔ¼°IECµÈ¸÷¹úÓйØÈËÌå±£»¤ÓÃÆ··¨Âɺͱê×¼µÄ²úÆ·¡£
¡¤ Èô·Ç²úÆ·¸½´øµÄʹÓÃ˵Ã÷ÊéÖмÇÔØµÄ²Ù×÷·½·¨£¬Çë²»Òª²ÉÓá£Èô²ÉÓù涨ÒÔÍâµÄ·½·¨½øÐпØÖÆ»òµ÷Õû£¬¿ÉÄÜ»áÊܵ½Î£ÏյķÅÉäÐÔ¼¤¹âµÄÕÕÉä¡£ ¡¤ ±¾²úÆ·Ìù¸½×Ÿ÷ÖÖÄÚÈݵıêÇ©¡£Çë¸ù¾Ý±êǩָʾ½øÐвÙ×÷¡£(»¹¸½´øÓÐÓ¢ÎıêÇ©) ¡¤ ·ûºÏFDA±ê×¼µÄÐͺÅÉÏÌùÓлùÓÚFDA±ê×¼µÄÓ¢ÎıêÇ©¡£
 ·ûºÏFDA±ê×¼µÄ»úÐÍÉÏÌùÓлùÓÚFDA±ê×¼µÄÓ¢ÎıêÇ©¡£ (´«¸ÐÆ÷°ü×°Öи½´øÓ¢ÎıêÇ©¡£) |
HL-C108¡õ HL-C105¡õ ¡¤ ±¾²úƷΪJIS/IEC±ê×¼µÄ2¼¶¼¤¹â²úÆ·¡£¸Ã²úÆ·´æÔÚÒ»¶¨Î£ÏÕ£¬ÇëÎðÖ±ÊÓ¼¤¹â»òͨ¹ý͸¾µµÈ¹Û²ì¹âѧϵͳ½øÐй۲졣 ¡¤ ±¾²úÆ·Õ³ÌùÓÐÒÔÏÂÄÚÈݵıêÇ©¡£ÇëÒÀ¾Ý±êÇ©ÄÚÈÝÍ×ÉÆ´¦Àí¡£ |
 (´«¸ÐÆ÷°ü×°Öи½´øÓ¢ÎıêÇ©¡£) |
HL-C102A ¡¤ ±¾²úƷΪJIS/IEC±ê×¼µÄ1¼¶¼¤¹â²úÆ·¡£¸Ã²úÆ·´æÔÚÒ»¶¨Î£ÏÕ£¬ÇëÎðͨ¹ý͸¾µµÈ¹Û²ì¹âѧϵͳ¹Û²ì¼¤¹â¡£ ¡¤ ±¾²úÆ·Õ³ÌùÓÐÒÔÏÂÄÚÈݵıêÇ©¡£ÇëÒÀ¾Ý±êÇ©ÄÚÈÝÍ×ÉÆ´¦Àí¡£ |
 ²úÆ·Öл¹¸½´ø·ûºÏFDA±ê×¼µÄÓ¢ÎıêÇ©¡£ (´«¸ÐÆ÷°ü×°Öи½´øÓ¢ÎıêÇ©¡£) |
HL-C135C-BK10 ¡¤ ±¾²úƷΪJIS/IEC±ê×¼µÄ3¼¶¼¤¹â²úÆ·¡£¸Ã²úÆ·´æÔÚÒ»¶¨Î£ÏÕ£¬ÇëÎð¹Û²ì»ò½Ó´¥¼¤¹âµÄÖ±Éä¹âÊø»ò·´Éä¹âÊø¡£ ¡¤ ±¾²úÆ·Õ³ÌùÓÐÒÔÏÂÄÚÈݵıêÇ©¡£ÇëÒÀ¾Ý±êÇ©ÄÚÈÝÍ×ÉÆ´¦Àí¡£ |
Ó¦¶ÔÅ·ÖÞEMCÖ¸ÁîµÄ·ûºÏÌõ¼þ[HL-C1C(-M)-WL] |
¼ì²âÍ·°²×°·½Ïò |
×÷ΪӦ¶ÔÅ·ÖÞEMCÖ¸ÁîµÄ·ûºÏÌõ¼þ£¬ÇëÈçÏÂͼËùʾÄÇÑù£¬ÔÚÁ¬½Ó¶Ë×Ó×ùµÄ½ÓÏßÖÐÐè×°ÈëÌúÑõÌå´Åо¡£ ÍÆ¼öÌúÑõÌå´Åо£ºÐǺ͵ç»ú(Öê)ÖÆE04RC281613µÄͬµÈ²úÆ·ÖñÄÚ¹¤Òµ(Öê)ÖÆTFT-152613µÄͬµÈ²úÆ· |
ΪÁËʵÏָ߾«¶È¼ì²â£¬Ïà¶ÔÓÚÒÆ¶¯ÎïÌ壬¼ì²âÍ·Ó¦ÈçÏÂͼËùʾµÄ·½Ïò°²×°¡£
ÐýתÎïÌå |
![Ó¦¶ÔÅ·ÖÞEMCÖ¸ÁîµÄ·ûºÏÌõ¼þ[HL-C1C(-M)-WL]](/Editor/UploadFiles/products02/20081225104319353.gif) |
 ̨½×¡¢°¼²ÛºÍÑÕÉ«²î±ðºÜ´óµÄÎïÌå
 |
¼¤¹â²úÆ·µÄ°²È«±ê×¼
ÓÉÓÚ¼¤¹âµÄÄÜÁ¿ÃܶȺܸߣ¬¿ÉÄܶÔÑÛ¾¦¡¢Æ¤·ôµÈµÄÈËÌåÆ÷¹ÙÓк¦£¬Òò´ËÔÚJIS¼°IEC±ê×¼ÖУ¬¹æ¶¨Á˽«¼¤¹â²úÆ·°´ÕÕ°²È«ÐÔ½øÐзּ¶¹ÜÀíµÈ·½·¨¡£ HL-C108¡õ¡¢HL-C105¡õ£º2¼¶¼¤¹â²úÆ· HL-C102A£º1¼¶¼¤¹â²úÆ· HL-C135C-BK10£º3¼¶B¼¤¹â²úÆ· °´ÕÕJIS C 6802-2005(IEC 60825-1-2001)±ê×¼µÄ·Ö¼¶ |
| ¼¶±ð |
˵Ã÷ |
| 1¼¶ |
¸ÃÀ༤¹âÔÚºÏÀíµÄ¿ÉÔ¤¼ûµÄÔËÐÐÌõ¼þϰ²È«ÎÞº¦¡£ |
| 1¼¶M |
¸ÃÀ༤¹âÔÚºÏÀíµÄ¿ÉÔ¤¼ûµÄÔËÐÐÌõ¼þÏ£¬·¢³ö°²È«µÄ²¨³¤Îª302.5nm¡«4,000nm·¶Î§ÄڵĹâÊø¡£Ê¹ÓÃÕßÔÚ´ËÀ༤¹âµÄ¹âÊøÄÚʹÓùâѧÒÇÆ÷ÔòÓÐΣÏÕÐÔ¡£ |
| 2¼¶ |
¸ÃÀ༤¹â·¢³ö²¨³¤Îª400 nm¡«700 nm·¶Î§ÄڵĿÉÊӹ⣬ͨ¹ýÕ£Ñ۵ȱ£»¤·´Ó¦(»Ø±Ü)¿ÉÒÔ±£»¤ÑÛ¾¦¡£ |
| 2¼¶M |
¸ÃÀ༤¹â·¢³ö²¨³¤Îª400 nm¡«700 nm·¶Î§ÄڵĿÉÊӹ⣬ͨ¹ýÕ£Ñ۵ȱ£»¤·´Ó¦(»Ø±Ü)¿ÉÒÔ±£»¤ÑÛ¾¦¡£Ê¹ÓÃÕßÔÚ´ËÀ༤¹âµÄ¹âÊøÄÚʹÓùâѧÒÇÆ÷ÔòÓÐΣÏÕÐÔ¡£ |
| 3¼¶R |
¸ÃÀ༤¹â·¢³ö²¨³¤Îª302.5nm¡«106nm·¶Î§ÄڵĹâÊø£¬ÈôÖ±½ÓÔÚ¹âÊøÄڹ۲죬»áÓÐDZÔÚµÄΣÏÕ¡£ |
| 3¼¶B |
¸ÃÀ༤¹âÈôÖ±½ÓÔÚ¹âÊøÄڹ۲죬ʼÖÕ´æÔÚΣÏÕ¡£µ«Í¨¹ýÀ©É¢·´Éä½øÐй۲죬Ôòͨ³£Êǰ²È«µÄ¡£ |
| 4¼¶ |
¸ÃÀ༤¹â»áÒýÆðΣÏÕµÄÀ©É¢·´Éä¡£²»½ö»áÔì³ÉƤ·ôËðÉË£¬»¹¿ÉÄÜÒý·¢»ðÔÖ¡£ | |
¼¤¹âµÄ°²È«´ëÊ©
ΪÁËÈ·±£¼¤¹â²úÆ·µÄ°²È«Ê¹Óã¬JIS C 6802-2005(IEC60825-1-2001)Öй涨ÁË¡°¼¤¹â²úÆ·µÄ°²È«±ê×¼¡±¡£Ê¹ÓÃǰÇëÈ·ÈÏÆäÄÚÈÝ¡£ ʹÓÃÕßµÄÔ¤·À´ëÊ©(¸ÅÒª)JIS C 6802-2005(IEC 60825-1-2001) |
| ¡ù¼¤¹â²úÆ·µÄ°²È«±ê×¼ Õª×Ô¸½±íD.3 |
| ¼¶±ð |
1¼¶ |
1¼¶M |
2¼¶ |
2¼¶M |
3¼¶R |
3¼¶B |
4¼¶ |
| ¼¤¹â°²È«¹ÜÀíÕß |
Ëä²»ÐèÒª£¬µ«½¨ÒéÔÚÒªÖ±½Ó¹Û ²ì¼¤¹â¹âÊøµÄÓÃ;ʱÐèÅ䱸¡£ |
¿ÉÊÓ»¯Í¶Éäʱ²»ÐèÒª¡£ ·Ç¿ÉÊÓ»¯Í¶ ÉäʱÐèÒª¡£ |
ÐèÒª |
| Ò£¿Ø»¥Ëø |
²»Òª |
Á¬½ÓÓÚ·¿¼äµç·»òÃŵç·ÉÏ¡£ |
| Ô¿³×¿ØÖÆ |
²»Òª |
²»Ê¹ÓÃʱ£¬ÇëÊÂÏȰÎÏÂÔ¿³×¡£ |
| ¹âÊøË¥¼õÆ÷ |
²»Òª |
ʹÓÃʱ£¬Çë±ÜÃâÎÞÒâÖеÄÕÕÉä¡£ |
| ·ÅÉä±êʾװÖà |
²»Òª |
Ìáʾ¼¤¹âÒÔ·Ç ¿ÉÊÓ»¯²¨³¤ÔËÐС£ |
Ìáʾ¼¤¹âÕýÔÚÔËÐÐÖС£ |
| ¾¯±¨±êʶ |
²»Òª |
×ñÕÕ¾¯¸æ±êÇ©ÉϵÄÔ¤·À´ëÊ© |
| ¹âÊøµÄ¹â³Ì |
²»Òª |
1¼¶M(×¢1)ºÍ3¼¶BÏàͬ |
²»Òª |
2¼¶M(×¢2)Óë3¼¶BÏàͬ |
ÀûÓÃÓÐЧ³¤¶ÈµÄ¶Ë²¿£¬ ½«¹âÊø×÷ΪÖÕ¶Ë¡£ |
| ¾µÃæ·´Éä |
ÎÞËùÐèÊÂÏî |
1¼¶M(×¢1)ºÍ3¼¶BÏàͬ |
ÎÞËùÐè ÊÂÏî |
2¼¶M(×¢2)Óë3¼¶RÏàͬ |
±ÜÃâÎÞÄ¿µÄµÄ·´Éä¡£ |
| ÑÛ¾¦±£»¤ |
ÎÞËùÐèÊÂÏî |
ÎÞ·¨Ö´Ðм¼ÊõºÍ¹ÜÀí·½Ãæ µÄ²½Ö裬ÇÒ³¬¹ýMPEʱÐèÒª¡£ |
| ·À»¤·þ×° |
ÎÞËùÐèÊÂÏî |
ÓÐʱÐèÒªÐèÒª |
ÌØ±ðָʾ |
| Åàѵ |
ÎÞËùÐèÊÂÏî |
1¼¶M(×¢1)ºÍ3¼¶RÏàͬ |
ÎÞËùÐè ÊÂÏî |
2¼¶M(×¢2)Óë3¼¶BÏàͬ |
±ØÐë¶ÔËùÓвÙ×÷ÈËÔ± ºÍ±£ÑøÈËÔ±½øÐÐÅàѵ | |
×¢£º 1) ÊÇÎÞ·¨Âú×ã±í10ÖÐÌõ¼þ1(²ÎÔıê×¼ÕýÎÄ)µÄ1¼¶M¼¤¹â²úÆ·¡£ÎÞ·¨Âú×ã±í10ÖÐÌõ¼þ2(²ÎÔıê×¼ÕýÎÄ)µÄ1¼¶M¼¤¹â²úÆ·Ôò²»ÐèÒª¡£ 2) ÊÇÎÞ·¨Âú×ã±í10ÖÐÌõ¼þ1(²ÎÔıê×¼ÕýÎÄ)µÄ2¼¶M¼¤¹â²úÆ·¡£ÎÞ·¨Âú×ã±í10ÖÐÌõ¼þ2(²ÎÔıê×¼ÕýÎÄ)µÄ2¼¶M¼¤¹â²úÆ·Ôò²»ÐèÒª¡£ ±¸×¢£º ΪÁË·½±ã£¬±¾±íËùÁÐÄÚÈÝΪËùÐèÊÂÏîµÄ¸ÅÒª¡£ÓйØÍêÕûµÄËùÐèÊÂÏÇë²ÎÔıê×¼ÕýÎÄ¡£ |
¹ØÓÚÏ໥¸ÉÈÅ
| µ±2¸öÒÔÉϼì²âÍ·¿¿½ü°²×°Ê±£¬Èç¹ûÁíÒ»¸ö¼ì²âÍ·µÄ¼¤¹â¹âµã²»ÂäÔÚÏÂͼËùʾµÄÒõÓ°ÇøÓòÄÚ£¬¾Í²»»á²úÉúÏ໥¸ÉÈÅ¡£°²×°Ê±ÇëÎðʹÁíÒ»¸ö¼ì²âÍ·µÄ¼¤¹â¹âµã½øÈëÒõÓ°ÇøÓòÄÚ¡£2¸ö¼ì²âÍ·Á¬½ÓÔÚһ̨¿ØÖÆÆ÷ÉÏʹÓÃʱ£¬¿ÉÒÔʹÓ÷ÀÖ¹Ï໥¸ÉÈŹ¦ÄÜ£¬ÎÞÐèÒÔϵĴëÊ©¡£ |
HL-C108¡õ
 |
HL-C105¡õ
 |
HL-C135C-BK10
 |
¸÷²¿·ÖÃû³ÆºÍ¹¦ÄÜ
¼ì²âÍ·

|
| |
Æ·Ãû |
¹¦ÄÜ |
| 1 |
¼¤¹âͶ¹âָʾµÆ(ÂÌÉ«LED) |
¼¤¹âͶ¹âʱ£¬»ò¼´½«Í¶¹âʱÁÁÆð¡£ |
| 2 |
¼ì²â·¶Î§Ö¸Ê¾µÆ(»ÆÉ«LED) |
ÔÚ¼ì²â·¶Î§ÄÚÉÁ˸£¬½Ó½ü¼ì²âÖÐÐÄʱÁÁÆð¡£ |
| 3 |
¾¯¸æ±êÇ© |
Ìáʾ¼¤¹âͶ¹âµÄλÖᣠ| |
¿ØÖÆÆ÷ |
| |
Æ·Ãû |
¹¦ÄÜ |
| 1 |
¼¤¹âͶ¹âָʾµÆ (LASER)(ÂÌÉ«LED) |
¼ì²âÍ·1»ò¼ì²âÍ·2µÄ¼¤¹âͶ¹âʱ£¬»ò¼´½«Í¶ ¹âʱÁÁÆð¡£ |
| 2 |
BRIGHTָʾµÆ (ºìÉ«LED) |
ÓÉÓÚ¼ì²âÍ·1»ò¼ì²âÍ·2µÄ¹âÁ¿¹ý¶È¶ø²»ÄÜ¼ì ²âʱÁÁÆð¡£ |
| 3 |
DARKָʾµÆ (ºìÉ«LED) |
ÓÉÓÚ¼ì²âÍ·1»ò¼ì²âÍ·2µÄ¹âÁ¿²»×ã¶ø²»ÄÜ¼ì ²âʱÁÁÆð¡£ |
| 4 |
------ |
²»ÄÜʹÓᣴ˶˿ÚÓÃÓÚ³ö³§Ç°µÄµ÷½Ú¡£ |
| 5 |
COM.¶Ë¿Ú |
ÓÃÓÚRS-232CºÍ¼ÆËã»úµÄͨÐÅ¡£ |
| 6 |
СÐͲÙ×÷ÅÌ µÄÁ¬½ÓÆ÷ |
ÓûʹÓÃСÐͲÙ×÷ÅÌÏÔʾ¼ì²âÖµ¡¢»ò½øÐи÷ÖÖÉè ¶¨Ê±£¬ÓøÃÁ¬½ÓÆ÷Á¬½ÓСÐͲÙ×÷ÅÌרÓÃÁ¬½Ó µçÀ¡£ |
| 7 |
------ |
²»ÄÜʹÓᣴ˶˿ÚÓÃÓÚ³ö³§Ç°µÄµ÷½Ú¡£ |
| 8 |
¼ì²âÍ·1Á¬½ÓÆ÷ |
¿ØÖÆÆ÷½«Á¬½ÓÔÚ´ËÁ¬½ÓÆ÷Éϵļì²âÍ·×÷Ϊ¼ì ²âÍ·1¶ø¶¯×÷¡£ |
| 9 |
¼ì²âÍ·2Á¬½ÓÆ÷ |
¿ØÖÆÆ÷½«Á¬½ÓÔÚ´ËÁ¬½ÓÆ÷Éϵļì²âÍ·×÷Ϊ¼ì ²âÍ·2¶ø¶¯×÷¡£ |
| 10 |
µçÔ´¶Ë×Ó |
¹©¸ø24V DCµÄµçÔ´¡£µçÔ´µçѹ¶Ë×ÓÔÚÊäÈë¶Ë×Ó×ùÉÏ¡£ |
| 11 |
Íâ½ÓÊä³ö¶Ë×Ó |
------ |
| 12 |
Íâ½ÓÊäÈë¶Ë×Ó |
------ |
| 13 |
DINµ¼¹ì°²×°¹³ |
¿É¿ìËÙ°²×°ÔÚ35mm¿íDINµ¼¹ìÉÏ¡£ |
| 14 |
Ô¿³×¿ª¹Ø |
Ô¿³×¿ª¹ØÎªONʱµçÔ´½Óͨ¡£²»Ê¹ÓÃʱÇ뽫Կ³×°ÎÏ¡£ | |
¹¦ÄÜÒ»ÀÀ±í
| ¹¦ÄÜ |
ÃèÊö |
| Êý¾Ý»º³å¹¦ÄÜ |
¡¤ ΪÁ˽«¼ì²âÊý¾ÝÊäÈëµçÄÔ£¬¿ÉÒÔÁÙʱÐԵĽ«×î¶à48,000ÌõÊý¾ÝÔÝ´æÔÚ¿ØÖÆÆ÷ÖС£Ëù±£´æµÄÊý¾ÝÒÔºó¿ÉÒÔͨ¹ýͨÐÅ»òÖÇÄÜ¼à¿ØÆ÷HL-C1AiMÊäÈëµçÄÔ¡£´Ë¹¦ÄÜ¿ÉÓÃÓÚ¶Ôµ¼Èëʱ¼ì²âÊý¾ÝµÄÈ·ÈÏ¡¢¼ì²âºóËùÓÐÊý¾ÝµÄ¶ÁÈ¡¼°±£´æµÈÓÃ;¡£ |
| ±£³Ö¹¦ÄÜ |
¡¤ NORM.(ÎÞ±£³Ö)£ºÊµÊ±Êä³ö×Ô¼ì²âÖÐÐľàÀëµÄ±äλÁ¿¡£Í¨³£Ê¹ÓôËģʽ¡£ ¡¤ P-P£º¶Ô×î´óÖµºÍ×îСֵµÄ²î½øÐб£³ÖÊä³ö£¬ÓÃÓÚÕñ¶¯¼ì²âºÍÆ«Ðļì²â¡£ ¡¤PEAK£º¶Ô¼ì²âÖµµÄ×î´óÖµ½øÐб£³ÖÊä³ö¡£ ¡¤VALLEY£º¶Ô¼ì²âÖµµÄ×îСֵ½øÐб£³ÖÊä³ö¡£ |
| ÁãÉ蹦ÄÜ |
¡¤ ½«ÁãÉèʱµÄ¼ì²âÖµºÍÄ£ÄâÊä³öÇ¿ÖÆÖÃÁ㡣ʹÓô˹¦Äܽ«²ÎÕÕÎïÌåµÄ¼ì²âÖµÉ趨ΪÁ㣬²¢¼ì²â×Ըô¦µÄ±äλÁ¿»ò½øÐÐÉÏÏÂÏÞµÄÅжϡ£ |
¼ÆÊ±¹¦ÄÜ (³ýHL-C1C(-M)-WLÍâ) |
¡¤ ÔÚ¼ÆÊ±ÊäÈëµÄ״̬£¬½«±£³Ö½øÈë´Ë״̬ʱµÄÅжÏÊä³ö(O1ºÍO2)¡¢¼ì²âÖµÒÔ¼°Ä£ÄâÊä³ö¡£¿É¶Ô¼¤¹âͶ¹âÉ趨Ϊֹͣ»ò¼ÌÐø¡£ÔÚ¼ì²â»òÅжÏÒÔÍâµÄ״̬ϽøÐÐÊäÈ룬¿É±ÜÃâ²»±ØÒªµÄÊä³ö±ä»¯»ò¼¤¹â·øÉä¡£ |
Ò£¿Ø»¥Ëø¹¦ÄÜ (½öHL-C1C(-M)-WL) |
¡¤ Í£Ö¹¼¤¹âͶ¹â¡£Ò£¿Ø»¥ËøÊäÈëONʱ£¬½«±£³ÖÅжÏÊä³ö£¬¼ì²âÖµ»òÄ£ÄâÊä³ö»òÕß±£³Ö´ËǰµÄÖµ£¬»òÕßÊä³ö¹Ì¶¨Öµ¡£ |
| ÏÔʾ±£³Ö¹¦ÄÜ |
¡¤ Ö»±£³ÖÏÔʾÔÚСÐͲÙ×÷ÅÌÉϵļì²âÖµ¡£Ê¹Óô˹¦ÄܶÁȡ˲¼äµÄ¼ì²âÖµ¡£ |
| È¡ÑùÂʵÄת»»¹¦ÄÜ |
¡¤ Èç¹û¼ì²âµÍ·´ÉäÂʵÄÎïÌåÈçºÚÏ𽺵ȣ¬Ö»ÐèÑÓ³¤È¡ÑùÖÜÆÚ²¢È·±£´«¸ÐÆ÷ÄܽÓÊܵ½×ã¹»µÄ¹âÁ¿¾ÍÄܽøÐÐÎȶ¨¼ì²â¡£Èç¹ûÈ¡ÑùÖÜÆÚºÜ¶Ì¶øÇÒ½ÓÊܵĹâÁ¿²»×㣬´«¸ÐÆ÷»á½øÈ뾯¸æ×´Ì¬£¬Òò´Ë±ØÐë°ÑÈ¡ÑùÖÜÆÚת»»Îª¸ü³¤Ð©¡£È¡ÑùÖÜÆÚ¿É½øÐÐ7¼¶×ª»»¡£(100¦Ìs/144¦Ìs/200¦Ìs/255¦Ìs/322¦Ìs/498¦Ìs/1,000¦Ìs) |
| ¼ÆË㹦ÄÜ |
¡¤ ´Ë¹¦ÄÜÈ·±£É豸½øÐÐÒÔϼÆË㣺 <½øÐжÀÁ¢¼ì²âʱµÄ¼ÆË㹫ʽ> L1£«K1A£ºÕý³£Êä³ö״̬ L2£«K2B£ºÕý³£Êä³ö״̬ L1£K1A£ºµßµ¹¼ì²âÖµµÄ¼«ÐÔ L2£K2B£ºµßµ¹¼ì²âÖµµÄ¼«ÐÔ <½øÐмÆËã¼ì²âʱµÄ¼ÆË㹫ʽ> L£«K(A£«B)£º¼Óʽ L£K(A£«B)£º¼ì²âºñ¶ÈʱʹÓà L£«K(A£B)£º¼õʽ£¬¼ì²â¸ßµÍ²îʱʹÓà L£K(A£B)£ºµßµ¹¼õʽÊä³öµÄ¼«ÐÔʱʹÓà A£º¼ì²âÍ·1µÄ¼ì²âÖµ L£º¼ì²âÖµµÄÆ«ÒÆÁ¿ B£º¼ì²âÍ·2µÄ¼ì²âÖµ K£ºµ÷½Ú±äλÂʵÄϵÊý |
| ¼ì²âģʽµÄת»»¹¦ÄÜ |
¡¤ ¼ì²âģʽ¿É¸ù¾ÝÓɱ»²â¶ÔÏóÎïËùÑ¡µÄ¼ì²âÍ·£¬ÔÚÁ½ ÖÖģʽ(À©É¢·´Éä/¾µÃæ·´Éä)ÖÐת»»¡£ À©É¢·´Éäģʽ£º¼ì²â·Ç¾µÃæ»ò͸Ã÷ÎïʱʹÓᣠ¾µÃæ·´Éäģʽ£º¼ì²â¾µÃæ»ò͸Ã÷ÎïʱʹÓᣠÔÚ¾µÃæ·´ÉäģʽÖУ¬¿É´ÓÒÔÏÂÑ¡Ôñ¼ì²âÎïÌ壺 ÔÚ¾µÃæ·´ÉäģʽÖУ¬¿É´ÓÒÔÏÂÑ¡Ôñ¼ì²âÎïÌ壺 ±ê×¼£º¼ì²â²»Í¸Ã÷ÎïÌåÈç½ðÊôµÈµÄ¾µÃæÊ±Ê¹Óá£ Ç°Ãæ£º¼ì²â͸Ã÷ÎïÌåÈç²£Á§µÈµÄ±íÃæÊ±Ê¹ÓᣠºóÃæ£º ¼ì²â͸Ã÷ÎïÌåÈç²£Á§µÈµÄºó±íÃæÊ±Ê¹Óᣠ¼ì²âÖÐÐľàÀëÒÆÎ»¡£ ºñ¶È£º¼ì²â͸Ã÷ÎïÌåÈç²£Á§Ê±Ê¹Óá£
ÕÛÉäÂʱ»ÐÞÕýΪ1.55¡£ ²£Á§µÈµÄ¿É¼ì²âºñ¶ÈÓÐÏÞÖÆ¡£ ¿ÉÒÔ¼ì²âµÄ²£Á§µÈºñ¶ÈÓÐÏÞÖ¹£¬ ÆÕͨ²£Á§°åµÄ¿É¼ì²âºñ¶È´óÖÂÈçÏ£º ͨÓÃÐÍ£ººñ¶È1.2mmÒÔÉÏ ¸ß¾«¶ÈÐÍ£ººñ¶È0.5mmÒÔÉÏ¡£ |
 | |
| µÍͨÂ˲¨¹¦ÄÜ |
¡¤ ÀýÈ磬Èç¹ûÒ»½ðÊôÎïÌåµÄ¼Ó¹¤±íÃæ»á²úÉú¸ÉÈÅÕýÈ·¼ì²âµÄÔëÒôʱ£¬Ê¹ÓõÍͨÂ˲¨¹¦ÄܿɽµµÍÔëÒôµÄÓ°Ï죬´Ó¶ø¾ÍÄܽøÐÐÎȶ¨µÄ±äλ¼ì²â¡£½ØÖ¹ÆµÂʿɴÓOFF»ò10¡«2,000Hz·Ö9¼¶½øÐÐÉ趨¡£
 |
| ¹¦ÄÜ |
ÃèÊö |
| ¸ßͨÂ˲¨¹¦ÄÜ |
¡¤ µ±¼ì²âÒòÐýתÎïÌåµÄÆ«ÐĵÈÒýÆðµÄÕñ¶¯»òÇãб¶ø¾ÊÜ´ó±äλ±ä»¯µÄÎïÌåÄڵĽӷìºÍ²Û·ìʱ£¬´Ë¹¦Äܽ«¼õСÕâЩ²¨¶¯µÄÓ°Ï죬ȷ±£½Ó·ìºÍ²Û·ìµÄÎȶ¨¼ì²â¡£½ØÖ¹ÆµÂʿɴÓOFF»ò10¡«2,000Hz·Ö9¼¶½øÐÐÉ趨¡£
 |
| ƽ¾ù´ÎÊýµÄת»»¹¦ÄÜ |
Èç¹û¼ì²âÖµ·¢Éú¼±¾ç±ä»¯£¬ÄÇôÔö¼Óƽ¾ù´ÎÊýµÄÉ趨¿ÉÒÔʹ¼±¾çµÄ±ä»¯±»ºöÂÔ£¬È·±£»ñµÃÎȶ¨µÄ¼ì²â½á¹û¡£¿ÉÒÔ´ÓOFF¡«32,768´Î£¬·Ö16¼¶½øÐÐÉ趨¡£ |
| ÅжÏÊä³öÑ¡Ôñ¹¦ÄÜ |
¡¤ ¿É´ÓϱíÖÐÑ¡Ôñ4ÖÖÅжÏÊä³öO1,O2(NC)¡£
 |
| ¹¦ÄÜ |
ÃèÊö |
| ´ÅÖÍÉ趨¹¦ÄÜ |
¡¤ ¿ÉÉ趨Ïà¶ÔÓÚÉÏ¡¢ÏÂÏÞÖµµÄÈÎÒâ´ÅÖÍÖµ¡£ |
Ä£ÄâÊä³öÉ趨 ¹¦ÄÜ |
¡¤ ´Ë¹¦ÄÜʹģÄâÊä³öÔÚ£«5V(20mA)ºÍ£5V(4mA)ʱµÄ¼ì²âÖµÓ¦¶ÔÈÎÒâÖµ¡£¿ÉÓÃÓÚÄ£ÄâÊä³öµÄ¶¨±ê»òʹÊä³ö·Å´ó»òËõСµÈÓÃ;¡£ÀýÈ磬Ïà¶ÔÓÚ70¡«90mm·¶Î§Äڱ仯µÄ¼ì²âÖµ£¬70mmʱʹ֮Êä³öΪ£5V£¬90mmʱÊä³öΪ+5VµÈ¡£¿ÉÒÔʹģÄâÊä³öÉ趨ΪÓë¼ì²âÖµÏà¶ÔÓ¦¡£ |
¾¯¸æÊ±µÄÄ£Äâ Êä³öת»»¹¦ÄÜ |
¡¤ ÓÉÓÚ¹âÁ¿¹ý¶È»ò²»×ãÒÔ¼°Æ«Àë¼ì²â·¶Î§¶øµ¼Ö²»ÄܽøÐмì²â(´ø¾¯¸æÊä³ö)ʱ£¬Ä£ÄâÊä³ö¿ÉÒÔÔÚ±£³Ö¼´¿ÌǰµÄÊý¾Ý»¹ÊÇÊä³ö¹Ì¶¨ÖµÖ®¼ä½øÐÐÇл»¡£µ±Ñ¡ÔñÊä³ö¹Ì¶¨ÖµÊ±£¬¿ÉÒÔÑ¡Ôñ¾¯¸æÊ±Êä³öÄ£ÄâÊä³öµÄ×î´óÖµ(µçѹÊä³ö£º£«10.9V£¬µçÁ÷Êä³ö£º29.5mA)»¹ÊÇ×îСֵ(µçѹÊä³ö£º£10.9V£¬µçÁ÷Êä³ö£º0mA)¡£ |
| ÊäÈëÑ¡Ôñ¹¦ÄÜ |
¡¤ ¶Ë×ÓÉϵļÆÊ±ÊäÈëÐźÅÔÚ³õʼÉ趨ÖÐÉ趨Ϊ¶Ì·ʱÊäÈ룬ÈçÐè¸ù¾ÝÍⲿÊäÈëÉ豸µÄ¶¯×÷¹æ¸ñÒªÇó£¬Ôò¿ÉÒÔͨ¹ý´Ë¹¦Äܽ«ÆäÇл»Îª¿ªÂ·Ê±ÊäÈë¡£ |
| У׼¹¦ÄÜ |
¡¤ ¼ì²âÎïÌåµÄÑÕÉ«¡¢²ÄÖÊ»ò±íÃæÇé¿ö¿ÉÄܻᵼÖ¼ì²âֵƫ²î¡£ÕâЩƫ²î¿Éͨ¹ýУ׼À´ÃÖ²¹¡£Ð£×¼¹¦ÄÜÔÊÐíÿ¸ö¼ì²âÍ·É趨·ù¶ÈºÍÒÆÎ»¡£ÓÐÁ½ÖÖ·½·¨É趨ÕâЩֵ£¬Ò»ÊÇÒÆ¶¯ÎïÌå½øÐÐ×Ô¶¯É趨£¬¶þÊÇÖ±½ÓÊäÈëÈÎÒâÖµ¡£ |
| ÏÔʾÊܹ⹦ÄÜ |
¡¤ ´Ë¹¦ÄÜÏÔʾ²âÊÔµãÉÏÊܹâÁ¿µÄ·åÖµ¡£°²×°¼ì²âͷʱʹÓô˹¦ÄÜ£¬¿ÉʹÓÃÓÚ¼ì²âµÄÊܹâÁ¿Óà¶È±£³Ö×îÊÊÒ˵ij̶ȡ£ |
| ±£´æ¹¦ÄÜ |
¡¤ ´Ë¹¦Äܿɱ£´æ³ý¼ÆÊ±ÊäÈë״̬ºÍÏÔʾ±£³Ö״̬ÒÔÍâµÄËùÓÐÉ趨Êý¾Ý¡£ |
³ß´ç(µ¥Î»£ºmm)
HL-C108¡õ-BK HL-C108B-MK¼ì²âÍ· |
HL-C108B HL-C108F¼ì²âÍ· |
 |
 |
×¢£º 1) JIS/IEC±ê×¼ÈÏÖ¤»úÐÍÎÞ¹âÊøË¥¼õÆ÷¡£ 2) HL-C108B-MKΪ13.3mm¡£ |
×¢£º 1) JIS/IEC±ê×¼ÈÏÖ¤»úÐÍÎÞ¹âÊøË¥¼õÆ÷¡£ 2) ¾àÀë°²×°»ù×¼ÃæµÄ³ß´ç¡£ |
HL-C105¡õ-BK HL-C105B-MK¼ì²âÍ· |
HL-C105B HL-C105F¼ì²âÍ· |
 |
 |
×¢£º 1) JIS/IEC±ê×¼ÈÏÖ¤»úÐÍÎÞ¹âÊøË¥¼õÆ÷¡£ 2) HL-C105B-MKΪ13.3mm¡£ |
×¢£º 1) JIS/IEC±ê×¼ÈÏÖ¤»úÐÍÎÞ¹âÊøË¥¼õÆ÷¡£ 2) ¾àÀë°²×°»ù×¼ÃæµÄ³ß´ç¡£ |
HL-C102A¼ì²âÍ· |
HL-C135C-BK10¼ì²âÍ· |
 |
 |
| ×¢£º 1) ¾àÀë°²×°»ù×¼ÃæµÄ³ß´ç¡£ |
|
HL-C1C(-M) HL-C1C(-M)-GS¿ØÖÆÆ÷ |
HL-C1C-WL HL-C1C-M-WL¿ØÖÆÆ÷ |
 |
 |
HL-C1DP¡õ HL-C1DP-E¡õСÐͲÙ×÷ÅÌ |
HL-C1CCJ¡õÑÓ³¤µçÀ |
 |
 ¡¤³¤¶ÈL
| ÐͺŠ|
L(mm) |
| HL-C1CCJ2 |
2,000 |
| HL-C1CCJ5 |
5,000 |
| HL-C1CCJ10 |
10,000 |
| HL-C1CCJ20 |
20,000 |
| HL-C1CCJ30 |
30,000 | |
|
|
|