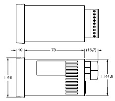
·ûºÏCEµÄʹÓÃÌõ¼þ |
| ¡¤ ±¾´«¸ÐÆ÷ÊÇ·ûºÏEMCÖ¸ÁîµÄCEÑéÖ¤²úÆ·¡£Óë±¾²úÆ·µÄ¿¹ÈÅÐÔÏàÊʵÄÒ»Ö±ê׼ΪEN 61000-6-2(×¢)£¬ÒÔÏÂÌõ¼þ±ØÐë·ûºÏ±ê×¼¡£ |
|
|
¡¤ ¿ØÖÆÆ÷ºÍµçÔ´¼äµÄ¾àÀëÓ¦ÔÚ10mÒÔÏ¡£ ¡¤ Óë¿ØÖÆÆ÷Á¬½ÓµÄÐźÅÏßÓ¦ÔÚ30mÒÔÏ¡£ ¡¤ ÌúÑõÌåÏ߼оàÀëÓÃÓÚBCDÊä³öµ¥ÔªµÄÒ»¶Ë´øÁ¬½ÓÆ÷µÄGP-XBCC3µçÀÂÁ¬½ÓÆ÷²»³¬¹ý10mm¡£ ×¢£º ÒÔǰÓÃÓÚ±¾²úÆ·µÄ·ûºÏEMCÖ¸ÁîµÄEN 50082-2´Ó2002Äê4ÔÂ1ºÅÆð±»EN 61000-6-2ËùÌæ´ú¡£ |
Ô²ÅÌÐλòÔ²ÖùÐÎÎïÌåµÄÏßÐÔ¶È |
¡¤ Èç¹û¼ì²âÎïÌåÊÇÔ²ÅÌÐλòÔ²ÖùÐΣ¬ÏßÐÔ¶ÈÒò¼ì²âÎïÌå³ß´ç¶ø²»Í¬¡£Èç¹û¼ì²âÎïÌå±ÈϱíÖ¸¶¨µÄ³ß´ç´ó£¬ÔÚʹÓÿ̶ȹ¦ÄܽÓͨʱ£¬Ïß ÐԶȹæ¸ñ(¡À0.3%F.SÒÔÄÚ)¿Éͨ¹ýÁãµ÷½ÚºÍ·ù¶Èµ÷½ÚÀ´ÊµÏÖ¡£ |
| ¼ì²âÍ· |
Ô²ÅÌÖ±¾¶¦Õ (mm) |
Ô²ÖùÖ±¾¶¦Õ (mm) |
| GP-X3SE |
6 |
16 |
| GP-X5SE |
8 |
16 |
| GP-X8S |
12 |
50 |
| GP-X10M |
12 |
50 |
| GP-X12ML |
25 |
55 |
| GP-X22KL |
30 |
165 | |
<Ô²ÅÌÐÎ> |
<Ô²ÖùÐÎ> |
¼ì²âÍ·°²×° |
| ¡¤ ½ô¹ÌŤ¾ØÓ¦Ð¡ÓÚÒÔÏÂËù¸øµÄÖµ¡£ |
|
|
| ¡¤ È·±£Ê¹ÓÃM3»ò¸üСÇÒ´ø±µãµÄ¹Ì¶¨ÂÝË¿¡£ |
 |
| ÐÍ¡¡ºÅ |
A(mm) |
½ô¹ÌŤ¾Ø |
| GP-X3SE |
4¡«16 |
0.10N¡¤mÒÔÏ |
| GP-X5SE |
5¡«16 |
0.44N¡¤mÒÔÏ |
| GP-X8S |
0.58N¡¤mÒÔÏ | |
|
|
|
|
|
| ÐÍ¡¡ºÅ |
A(mm) |
½ô¹ÌŤ¾Ø |
| GP-X10M |
7ÒÔÉÏ
|
9.8N¡¤mÒÔÏ |
| GP-X12ML |
14ÒÔÉÏ |
20N¡¤mÒÔÏ |
| GP-X22KL |
20ÒÔÉÏ(×¢1) |
20N¡¤mÒÔÏ | ×¢£º 1) ÎÞÂÝĸ¡£Èç¹û°²×°ÁËÂÝĸ£¬¹æ¸ñΪ23.5mmÒÔÉÏ¡£ 2) ÂÝĸ°²×°ºó²»¿É´ÓÂÝÎÆ²¿·ÖÍ»³ö¡£ |
 |
 |
 |
|
|
| ¡¤ ÓÉÓÚ´«¸ÐÆ÷ÖÜΧµÄ½ðÊô¿ÉÄÜÓ°Ïì¼ì²âÐÔÄÜ£¬Çë×¢ÒâÒÔÏÂÒªµã¡£ |
| <¼ì²âͷǶÈë½ðÊôÖÐ> |
| ¡¤ Èç¹û¼ì²âÍ·ÍêȫǶÈë½ðÊôÖпÉÄܸıäÄ£ÄâÊä³ö£¬ËùÒÔ±£³ÖÏÂ±í¹æ¶¨µÄ×îС¾àÀë¡£ |
 |
| ¼ì²âÍ· |
C(mm) |
D(mm) |
| GP-X3SE |
¦Õ 10 |
3 |
| GP-X5SE |
| GP-X8S |
¦Õ 18 |
| GP-X10M |
¦Õ 14 |
| GP-X12ML |
¦Õ 50 |
14 |
| GP-X22KL |
¦Õ 50 |
20 | |
|
|
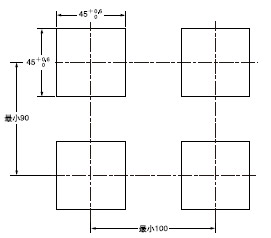
| ¡¤ Èç¹û¼¸¸ö¼ì²âÍ·Ìù½ü°²×°ÔÚÒ»Æð£¬Ò»Ð©¹æ¸ñ¿ÉÄÜÎÞ·¨ÊµÏÖ¡£ËùÒÔ¿ÉʹÓ÷À¸ÉÈŹ¦Äܿ˷þ¡£·À¸ÉÈŹ¦ÄÜͨ¹ý¸Ä±ä´«¸ÐÆ÷Õñ¶¯¿ÉÏû³ý´«¸ÐÆ÷¼ä¸ÉÈÅ¡£Ê±¼ä±íµÈµÄÏêϸ˵Ã÷ÇëÓë¾ÏúÉÌÁªÏµ¡£Èç¹ûδʹÓ÷À¸ÉÈŹ¦ÄÜ£¬±£³ÖϱíËù¸øÖµÒÔÉϵľàÀë¡£ |
<Ãæ¶ÔÃæ°²×°>
|
| ¼ì²âÍ· |
E(mm) |
F(mm) |
| GP-X3SE |
15 |
9 |
| GP-X5SE |
30 |
11 |
| GP-X8S |
40 |
15 |
| GP-X10M |
40 |
15 |
| GP-X12ML |
170 |
50 |
| GP-X22KL |
200 |
200 | |
¼ì²â¾àÀë |
¡¤ ÌØ¶¨¼ì²â¾àÀëרÓÃÓÚ±ê×¼¼ì²âÎïÌå[²»Ðâ¸Ö(SUS304)/Ìú£¬60¡Á60¡Át 1mm]¡£¼ì²â½ðÊôÖеķDZê×¼ÎïÌåʱ£¬ÇëʹÓÃÒÔϵÄУÕýϵÊý×÷Ϊָµ¼¡£Ê¹ÓÃǰÇëÓÃʵ¼Ê´«¸ÐÆ÷½øÐÐÑéÖ¤¡£
|
|
|
| |
¼ì²âÍ·ºÍ¿ØÖÆÆ÷Á¬½Ó |
| ¡¤ ÇëÔÚµçÔ´¹Ø±Õ״̬ÏÂÁ¬½Ó¼ì²âÍ·ºÍ¿ØÖÆÆ÷¡£ |
|
|
|
¡¤ ÎÕס¼ì²âÍ·Á¬½ÓÆ÷Íâ»·²åÈëµ½¿ØÖÆÆ÷ÉϵÄÁ¬½ÓÆ÷Àֱµ½Ìýµ½¿¨àªÉù¡£
|
¡¤ ÎÕסÁ¬½ÓÆ÷Íâ»·Ö±½ÓÀ³ö¡£ |
|
|
| ¡¤ ʹÓüì²âÍ·ÑÓ³¤µçÀÂʱ£¬¹Ø±ÕµçÔ´²¢°Ñ¼ì²âÍ·µçÀ³¤¶Èת»»¿ª¹Ø¶ËÐýתµ½¿ØÖÆÆ÷¼ì²âÍ·Á¬½ÓÆ÷ÖÁ¡°3m£«7m¡±´¦£¬È»ºóÖØÐ½ÓͨµçÔ´¡£ |
 |
| ¡¤ ÑÓ³¤µçÀµĹ²Öá½ÓÍ·Á¬½Óµ½0VµçÔ´ÉÏ¡£Èç¹û°²×°µ½½ðÊô°å»òÀàËÆÎïÌåÉÏ£¬Çë°Ñ½ÓÍ·¾øÔµ¡£ |
¼ì²âÍ·ºÍ¿ØÖÆÆ÷Á¬½Ó |
| ¡¤ ʹÓø½´øµÄ¿ØÖÆÆ÷°²×°¿ò(ATA4811)£¬Å¡½ô¿òÂÝË¿ÒÔ°Ñ¿ØÖÆÆ÷°²×°µ½Ãæ°åÉÏ¡£ |
 |
¡¤ Ãæ°å·Ö¸î³ß´çÇë²ÎÔÄ¡°³ß´ç¡±(PDF P.86)¡£ ¡¤ ¿É°²×°Ãæ°åºñ¶ÈΪ1¡«5mm¡£µ«ÊÇ£¬Èç¹ûʹÓÃÁË¿ØÖÆÆ÷ͨÐŵ¥Ôª»òBCDÊä³öµ¥Ôª£¬Ãæ°åºñ¶ÈÔÚ1¡«2.5mmÖ®¼ä¡£ |
½ÓÏß |
¡¤ ÇëÈ·ÈÏÔÚµçÔ´¹Ø±Õ״̬ϽøÐнÓÏß¡£ ¡¤ ×¢Òâ´íÎó½ÓÏß»áË𻵼ì²âÍ·»ò¿ØÖÆÆ÷¡£ ¡¤ ÇëÈ·ÈϵçÔ´µçѹÔڶ·¶Î§Äڱ仯¡£ ¡¤ Èç¹ûµçÔ´ÊÇÓÉÉÌÓÿª¹Øµ÷½ÚÆ÷Ìṩ£¬ÇëÈ·±£µçÔ´ÆÁ±ÎµØÏß¶Ë×Ó(F.G.)½ÓµØ¡£ ¡¤ Èç¹ûÔÚ¼ì²âÍ·»ò¿ØÖÆÆ÷¸½½üʹÓòúÉúÔëÒôµÄÉ豸(¿ª¹Øµ÷½ÚÆ÷£¬×ª»»·¢¶¯»úµÈ)£¬Ç뽫É豸ÆÁ±ÎµØÏß¶Ë×Ó(F.G.)½ÓµØ¡£ ¡¤ ÇëÎ𽫵çÏßÓë¸ßѹÏß»òµçÔ´ÏßÒ»Æð»òÔÚͬһ¹ÜÏßÄÚÔËÐÐÏß·£¬Õâ¿ÉÄÜ»áÓÉÓÚ¸ÐÓ¦¶øÒýÆð¹ÊÕÏ¡£ ¡¤ ÇëÈ·ÈÏDCµçԴʹÓÃÒ»¸ôÀë±äѹÆ÷¡£Èç¹ûʹÓÃ×Ôñî±äѹÆ÷(µ¥ÏßȦ±äѹÆ÷)£¬¿ÉÄÜË𻵱¾²úÆ·»òµçÔ´¡£ ¡¤ Èç¹ûʹÓõçÔ´ÖвúÉúµçÓ¿£¬ÇëÓëµçÔ´Á¬½ÓÒ»¸öµçÓ¿ÎüÊÕÆ÷ÒÔÎüÊÕµçÓ¿¡£ ¡¤ Ä£ÄâÊä³ö²»×°±¸¶Ì·±£»¤µç·£¬ÇëÎð½«ËüÓëµçÔ´»òÈÝÁ¿¸ººÉÖ±½ÓÁ¬½Ó¡£ ¡¤ È·±£²»¿ÉÖ±½ÓÇ¿Á¦ÍäÇú»òÀÉì´«¸ÐÆ÷µçÀÂÁ¬½Ó´¦¡£ ¡¤ Èç¹û¶à¿ØÖÆÆ÷ʹÓöÀÁ¢µçÔ´£¬ËùÓеĿØÖÆÆ÷¶¼Ó¦Ê¹ÓÃͬÑùµÄ£«V»ò0VµçÔ´¡£ |
ÆäËû |
¡¤ µçÔ´½ÓͨºóµÄ¶Ìʱ¼ä(Ô¼2Ãë)ÄÚ£¬ÇëÎðʹÓᣠ¡¤ ±¾´«¸ÐÆ÷½öÊÊÓÚÊÒÄÚʹÓᣠ¡¤ ±ÜÃâ»Ò³¾¡¢ÎÛ¹¸ºÍË®ÕôÆø¡£ ¡¤ ÇëÎ𽫴«¸ÐÆ÷ÓëË®¡¢ÓÍ¡¢ÓÍÖ¬»òÓлúÈÜÒº£¬ÈçÏ¡ÊͼÁµÈÖ±½Ó½Ó´¥¡£ |