ÌØµã£º¾ßÓÐʵÏÖ¸ßËÙÓ¦´ðºÍÓÅÁ¼µÄÊ©¹¤ÐÔ
ÊÊÓÃÓÚ¸ßËÙ¼ì²â
ʵÏָߴï3.3kHzµÄ·´Ó¦ÆµÂÊ¡£¼´Ê¹ÊǸßËÙÒÆ¶¯µÄÎïÌåÒ²Äܼì²â¡£
IP67g(JEM)µÄ¼ì²âÍ·Æ·ÖÖ·±¶à
Óдӳ¬Ð¡Ð͵Ä"2.8mmµ½·À½¦ÐÍÒ»¹²5ÖÖ¼ì²âÍ·¡£¶øÇÒ£¬ÓÉÓÚÊÇIP67g(JEM)µÄÄÍÓÍÐÍ(GH-2SE³ýÍâ)£¬Òò´ËÔÚ¶ñÁÓ»·¾³ÖÐÒ²ÄÜ·ÅÐÄʹÓá£
ÓÃ;
°²×°¡¢±£Ñø¡¢Î¬»¤
¼«¼ÑµÄÊ©¹¤ÐÔ¡¤Î¬»¤ÐÔ
²ÉÓÃÓë¹âÏË´«¸ÐÆ÷FX-300ϵÁÐͬÑùµÄÑùʽ£¬ÓÉÓÚµ¥´¥Ê½µçÀµÄÐÎ×´Ò²Ïàͬ£¬¿É½«¹âÏË´«¸ÐÆ÷
Ó뼤¹â´«¸ÐÆ÷»ìºÏʹÓ㬴Ӷø¿É½ÚÊ¡µçÔ´½ÓÏß¡£
ÅäÖÿÉÓÃÐÔÔöÇ¿¹¦ÄÜ
µ¥´¥Ê½Á¬½Ó
²ÉÓõ¥´¥Ê½Á¬½ÓÆ÷Á¬½Ó¼ì²âÍ·ºÍ·Å´óÆ÷¡£ÎÞÐèÔÙÏñÒÔǰһÑùÓÃÂÝË¿µ¶½øÐнÓÏß×÷Òµ¡£
¹¦ÄÜ
×°±¸¶ÏÏß¾¯¸æÖ¸Ê¾µÆ
¶©¹ºÖ¸ÄÏ
¼ì²âÍ·
| ÖÖ Àà |
ÐÎ ×´ (mm) |
¼ì²â¾àÀë(×¢1) |
ÐÍ ºÅ |
Ó¦ ²î(´ÅÖÍÏÖÏó) |
| Ô²ÖùÐÍ |
 |
×î´ó¹¤×÷¾àÀë-->1.2mm Îȶ¨¼ì²â·¶Î§-->(0¡«0.6mm) |
GH-2SE |
0.07mmÒÔÏÂ |
 |
1.8mm(0¡«0.8mm) |
GH-3SE |
0.05mmÒÔÏÂ |
 |
2.4mm(0¡«1.0mm) |
GH-5SE |
| ·À²âÐÍ |
 |
4.0mm(0¡«2.0mm) |
GH-8SE |
0.04mmÒÔÏÂ |
| GH-F8SE |
×¢:
1) Îȶ¨¼ì²â·¶Î§ÊÇÖ¸´«¸ÐÆ÷ÄÜÂú×ã±ê×¼¼ì²âÎïÌåËùÓйæ¸ñµÄ¼ì²â·¶Î§¡£
×î´ó¹¤×÷¾àÀëÊÇÖ¸´«¸ÐÆ÷(ÔÚ+20¡ãCÎȶ¨Î¶ÈÏÂ)¼ì²â±ê×¼¼ì²âÎïÌåµÄ×î´ó¾àÀë¡£
ÔÚÎȶ¨¼ì²â·¶Î§ÄÚʹÓÃÊÊÓÃÓÚ¾«È·¼ì²â¡£
·Å´óÆ÷(·Å´óÆ÷±¾Ìå²»¸½´øµ¥´¥Ê½µçÀ£¬ÇëÁíÐж©¹º¡£)
| ÖÖ Àà |
ÐÎ ×´ |
ÐÍ ºÅ |
Êä ³ö |
| Á¬½ÓÆ÷ÐÍ |
 |
GA-311 |
NPN¿ªÂ·¼¯µç¼«¾§Ìå¹Ü |
µ¥´¥Ê½µçÀÂ(·Å´óÆ÷±¾Ìå²»¸½´øµ¥´¥Ê½µçÀ£¬ÇëÁíÐж©¹º¡£)
| ÖÖ Àà |
ÐÎ ×´ |
ÐÍ ºÅ |
Êä ³ö |
| ĸµçÀ (3о) |
CN-73-C1 |
³¤¶È1m |
0.15mm2 3оƬ²àÁ¬½ÓÆ÷´øÏ𽺾øÔµµçÀ µçÀÂÍâ¾¶£º ¦Õ3.0mm |
| CN-73-C2 |
³¤¶È2m |
| CN-73-C5 |
³¤¶È5m |
| ×ÓµçÀ (1о) |
CN-71-C1 |
³¤¶È1m |
0.15mm2 1оƬ²àÁ¬½ÓÆ÷´øÏ𽺾øÔµµçÀ µçÀÂÍâ¾¶£º¦Õ3.0mm |
| CN-71-C2 |
³¤¶È2m |
| CN-71-C5 |
³¤¶È5m |
βÅÌ(·Å´óÆ÷±¾Ìå²»¸½´øÎ²ÅÌ£¬ÔÚʵ¼Ê°²×°Ê±£¬ÇëÁíÐж©¹º¡£)
| ÐÎ ×´ |
ÐÍ ºÅ |
ÄÚ ÈÝ |
 |
MS-DIN-E |
µ±´®ÁªÁ¬½Ó¶à¸ö·Å´óÆ÷£¬»òÔÚDINµ¼¹ìÉÏÒÆ¶¯·Å´óÆ÷ʱ£¬ÕâЩβÅÌÈ·±£ËùÓеķŴóÆ÷°²È«°²×°²¢³ä·ÖÁ¬(ÿÌ×2¸ö) |
ĸµçÀ |
×ÓµçÀ |
| ¡¤CN-73-C¡õ |
¡¤CN-71-C¡õ |
 |
 |
Åä¼þ(ÁíÊÛ)
| Æ· Ãû |
ÐÍ ºÅ |
ÄÚ ÈÝ |
| ·Å´óÆ÷°²×°Ö§¼Ü |
MS-DIN-2 |
·Å´óÆ÷רÓõÄÖ§¼Ü¡£ |
| ¼ì²âÍ· °²×°Ö§¼Ü |
MS-SS3 |
ÓÃÓÚGH-3SEµÄ°²×°Ö§¼Ü |
| MS-SS5 |
sÓÃÓÚGH-5SEµÄ°²×°Ö§¼Ü |
| MS-SS8 |
ÓÃÓÚGH-8SEµÄ°²×°Ö§¼Ü |
·Å´óÆ÷°²×°Ö§¼Ü |
¼ì²âÍ·°²×°Ö§¼Ü |
| MS-DIN-2 |
MS-SS¡õ ¿É·½±ãµØ¹Ì¶¨¼ì²âÍ·¡£ |
 |
 |
¹æ¸ñ
¼ì²âÍ·
| ÖÖ Àà |
Ô² Öù ÐÍ |
·À½¦ÐÍ |
| ÐÍ ºÅ |
GH-2SE |
GH-3SE |
GH-5SE |
GH-8SE |
GH-F8SE |
×éºÏ·Å´óÆ÷
|
GA-311 |
| Îȶ¨¼ì²â·¶Î§(×¢1) |
0¡«0.6mm |
0¡«0.8mm |
0¡«1.0mm |
0¡«2.0mm |
| ×î´ó¹¤×÷¾àÀë(×¢1) |
1.2mm |
1.8mm |
2.4mm |
4.0mm |
| ±ê×¼¼ì²âÎïÌå |
Ìú°å5¡Á5¡Át1mm |
Ìú°å10¡Á10¡Át1mm |
| Ó¦²î(×¢2) |
0.07mmÒÔÏÂ |
0.05mmÒÔÏÂ |
0.04mmÒÔÏÂ |
| ÖØ¸´¾«¶È(×¢2) |
ÑØ¼ì²âÖᣬ´¹Ö±ÓÚ¼ì²âÖ᣺1 mÒÔÏ |
| |
±£»¤¹¹Ôì |
IP50(IEC) |
IP67(IEC)IP67g(JEM) |
ÄÍ »· ¾³ ÐÔ ÄÜ |
ÖÜΧζÈ
|
£10¡«£«60¡ãC¡¢´æ´¢Ê±£º£20¡«£«70¡ãC |
| ÖÜΧʪ¶È |
35¡«85%RH¡¢´æ´¢Ê±£º35¡«85%RH |
| ÄÍÕñ¶¯ |
ƵÂÊ:10¡«55Hz Ë«Õñ·ù1.5mm X, YºÍZ¸÷·½Ïò2Сʱ |
| Äͳå»÷ |
¼ÓËÙ¶È500m/s2 (Ô¼50G) X, YºÍZ¸÷·½Ïò5´Î |
| ζÈÌØÐÔ(×¢3) |
¡À7%ÒÔÄÚ |
¡À5%ÒÔÄÚ |
¡À4%ÒÔÄÚ |
| ²ÄÖÊ |
Íâ¿Ç£º²»Ðâ¸Ö(SUS303) ¼ì²â²¿£ºPVC |
Íâ¿Ç£º²»Ðâ¸Ö(SUS303) ¼ì²â²¿£ºABS |
Íâ¿Ç£º²»Ðâ¸Ö(SUS303) ¼ì²â²¿£ºPAR |
Íâ¿Ç£º²»Ðâ¸Ö(SUS303) ¼ì²â²¿£ºABS |
Íâ¿Ç£º²»Ðâ¸Ö(SUS303) ¼ì²â²¿£º·ú»¯Ê÷Ö¬ |
| µçÀÂ(×¢4) |
´øÁ¬½ÓÆ÷ÄÍÓÍÐÔ¸ßÆµÂʹ²ÖáµçÀ£¬³¤3m |
·À½¦µçÀÂ(µçÀ±»¸²£º ·ú»¯Ê÷Ö¬)£¬³¤3m |
| ÖØÁ¿ |
±¾ÌåÖØÁ¿ £ºÔ¼15g¡¢À¦°üÖØÁ¿ £ºÔ¼30g |
±¾ÌåÖØÁ¿£ºÔ¼35g¡¢À¦°üÖØÁ¿£ºÔ¼45g |
±¾ÌåÖØÁ¿ £ºÔ¼40g¡¢À¦°üÖØÁ¿ £ºÔ¼55g |
±¾ÌåÖØÁ¿ £ºÔ¼55g¡¢À¦°üÖØÁ¿£ºÔ¼70g |
×¢£º
1) Îȶ¨¼ì²â·¶Î§ÊÇÖ¸´«¸ÐÆ÷ÄÜÂú×ã±ê×¼¼ì²âÎïÌåËùÓйæ¸ñµÄ¼ì²â·¶Î§¡£
×î´ó¹¤×÷¾àÀëÊÇÖ¸´«¸ÐÆ÷(ÔÚ+20¡ãCÎȶ¨Î¶ÈÏÂ)¼ì²â±ê×¼¼ì²âÎïÌåµÄ×î´ó¾àÀë¡£
ÔÚÎȶ¨¼ì²â·¶Î§ÄÚʹÓÃÊÊÓÃÓÚ¾«È·¼ì²â¡£
2) ÔÚÎȶ¨¼ì²â·¶Î§ÄÚµÄÊý¾Ý¡£
3) Ö¸ÔÚ0¡«+55¡ãC¡¢+20¡ãCʱÎȶ¨¼ì²â·¶Î§ÄڵŤ×÷¾àÀë±ä¶¯¡£(µ¥¶À¼ì²âÍ·µÄÊý¾Ý)
4) ÇëÎð±ä¸ü¼ì²âÍ·µÄµçÀ³¤¶È¡£
·Å´óÆ÷
| ÐÍ ºÅ |
GA-311 |
×éºÏ¼ì²âÍ·
|
GH-¡õSE |
| µçÔ´µçѹ |
12¡«24V DC¡À10% Âö¶¯P-P10%ÒÔÏ |
| ÏûºÄµçÁ÷ |
25mAÒÔÏÂ |
| Êä³ö |
NPN¿ªÂ·¼¯µç¼«¾§Ìå¹Ü ×î´óÁ÷ÈëµçÁ÷£º100mA(Á¬½Ó5̨ÒÔÉÏʱΪ50mA) Íâ¼Óµçѹ£º30V DCÒÔÏÂ(Êä³öºÍ0VÖ®¼ä) Ê£Óàµçѹ£º1VÒÔÏÂ(Á÷ÈëµçÁ÷Ϊ100mAʱ¡¢Á¬½Ó5̨ÒÔÉÏʱΪ50mA) |
Êä³ö¹¤×÷
|
³£¿ªÐÍ/³£±ÕÐÍ ¿Éͨ¹ý¿ª¹ØÑ¡Ôñ |
| ¶Ì·±£»¤ |
×°±¸ |
×î´ó·´Ó¦ÆµÂÊ
|
3.3kHz |
| ¹¤×÷״ָ̬ʾµÆ |
³ÈÉ«LED(Êä³öONʱÁÁÆð) |
| ¶ÏÏß¾¯¸æÖ¸Ê¾µÆ |
ºìÉ«LED(¼ì²âÍ·¶ÏÏßʱ¡¢½Ó´¥²»Á¼Ê±ÁÁÆð) |
| ÁéÃô¶Èµ÷½ÚÆ÷ |
±¸ÓÐ18»Ø×ªµ÷½ÚÆ÷ |
ÄÍ »· ¾³ ÐÔ ÄÜ |
ÖÜΧζÈ
|
£10¡«£«60¡ãC(4¡«7̨Á¬½Óʱ£º£10¡«£«50¡ãC¡¢8¡«16̨Á¬½Óʱ£º£10¡«£«45¡ãC)(×¢Òâ²»¿É½á¶¡¢½á±ù)¡¢´æ´¢Ê±£º£20¡«£«70¡ãC |
| ÖÜΧʪ¶È |
35¡«85%RH¡¢´æ´¢Ê±£º35¡«85%RH |
| Ä͵çѹ |
AC1,000V 1·ÖÖÓ, ËùÓеçÔ´Á¬½Ó¶Ë×ÓÓëÍâ¿ÇÖ®¼ä |
| ¾øÔµµç×è |
ËùÓеçÔ´Á¬½Ó¶Ë×ÓÓëÍâ¿ÇÖ®¼ä, 20M¦¸ÒÔÉÏ, »ùÓÚDC250VµÄ¸ß×è±í |
| ÄÍÕñ¶¯ |
ƵÂÊ£º10¡«150Hz Ë«Õñ·ù£º0.75mm X, YºÍZ¸÷·½Ïò2Сʱ |
| Äͳå»÷ |
¼ÓËÙ¶È£º100m/s2(Ô¼10G) X, YºÍZ¸÷·½Ïò3´Î |
ζÈÌØÐÔ(×¢1)
|
¡À5%ÒÔÄÚ |
| ²ÄÖÊ |
Íâ¿Ç£ºÄÍÈÈABS¡¢Íâ¿ÇÕÖ£º¾Û̼Ëáõ¥ |
| Á¬½Ó·½Ê½ |
Á¬½ÓÆ÷Á¬½Ó(×¢2) |
| µçÀÂÑÓ³¤ |
0.3mm2 ÒÔÉϵĵçÀÂÈ«³¤¿ÉÑÓ³¤ÖÁ100m(À©Õ¹5¡«8̨ʱ£º50m¡¢À©Õ¹9¡«16̨ʱ£º20m) |
| µçÖØÁ¿ |
±¾ÌåÖØÁ¿£ºÔ¼15g¡¢À¦°üÖØÁ¿£ºÔ¼40g |
×¢£º
1)Ö¸ÔÚ0¡«+55¡ãC¡¢+20¡ãCʱÎȶ¨¼ì²â·¶Î§ÄڵŤ×÷¾àÀë±ä¶¯(·Å´óÆ÷µ¥Î»µÄÖµ)¡£
2)²»¸½´øµ¥´¥Ê½µçÀ¡£ÇëÎñ±ØÁíÐж©¹º¡£
ĸµçÀÂ(3о)£ºCN-73-C1(µçÀ³¤1m)¡¢CN-73-C2(µçÀ³¤2m)¡¢CN-73-C5(µçÀ³¤5m)
×ÓµçÀÂ(1о)£ºCN-71-C1(µçÀ³¤1m)¡¢CN-71-C2(µçÀ³¤2m)¡¢CN-71-C5(µçÀ³¤5m)
I/Oµç·ÓëÁ¬½Ó
I/Oµç·ͼ |
½ÓÏßͼ |

|
 |
¼ì²âÌØÐÔͼ(µäÐÍ)
GH-2SE |
|
|
|
 |
×óͼΪ¾¹ýÁéÃô¶Èµ÷½Úºó£¬ÕýºÃ¼ì²âÉ趨¾àÀëΪ0.6mm£¬³ß´çΪ 5¡Á5¡Át1mmµÄÌú°åµÄÇé¿ö¡£ |
 |
µ±¼ì²âÎïÌå³ß´çСÓÚ±ê×¼³ß´ç (Ìú°å5¡Á5¡Át1mm)ʱ£¬¼ì²â¾à ÀëÈç×óͼËùʾËõ¶Ì¡£ ×óͼΪ¾¹ýÁéÃô¶Èµ÷½Úºó£¬ÕýºÃ¼ì²âÉ趨¾àÀëΪ0.6mm£¬³ß´çΪ5¡Á5¡Át1mmµÄÌú°åµÄÇé¿ö¡£ |
GH-3SE |
|
|
|
 |
×óͼΪ¾¹ýÁéÃô¶Èµ÷½Úºó£¬ÕýºÃ ¼ì²âÉ趨¾àÀëΪ0.8mm£¬³ß´çΪ 5¡Á5¡Át1mmµÄÌú°åµÄÇé¿ö¡£ |
 |
µ±¼ì²âÎïÌå³ß´çСÓÚ±ê×¼³ß´ç (Ìú°å5¡Á5¡Át1mm)ʱ£¬¼ì²â¾à ÀëÈç×óͼËùʾËõ¶Ì¡£ ×óͼΪ¾¹ýÁéÃô¶Èµ÷½Úºó£¬ÕýºÃ ¼ì²âÉ趨¾àÀëΪ0.8mm£¬³ß´çΪ 5¡Á5¡Át1mmµÄÌú°åµÄÇé¿ö¡£ |
GH-5SE |
|
|
|
 |
×óͼΪ¾¹ýÁéÃô¶Èµ÷½Úºó£¬ÕýºÃ¼ì²âÉ趨¾àÀëΪ1mm£¬³ß´çΪ 5¡Á5¡Át1mmµÄÌú°åµÄÇé¿ö¡£ |
 |
µ±¼ì²âÎïÌå³ß´çСÓÚ±ê×¼³ß´ç (Ìú°å5¡Á5¡Át1mm)ʱ£¬¼ì²â¾à ÀëÈç×óͼËùʾËõ¶Ì¡£ ×óͼΪ¾¹ýÁéÃô¶Èµ÷½Úºó£¬ÕýºÃ¼ì²âÉ趨¾àÀëΪ1mm£¬³ß´çΪ5¡Á5¡Át1mmµÄÌú°åµÄÇé¿ö¡£ |
GH-8SE GH-F8SE |
|
|
|
 |
×óͼΪ¾¹ýÁéÃô¶Èµ÷½Úºó£¬ÕýºÃ¼ì²âÉ趨¾àÀëΪ2mm£¬³ß´çΪ 10¡Á10¡Át1mmµÄÌú°åµÄÇé¿ö¡£ |
 |
µ±¼ì²âÎïÌå³ß´çСÓÚ±ê×¼³ß´ç (Ìú°å10¡Á10¡Át1mm)ʱ£¬¼ì²â ¾àÀëÈç×óͼËùʾËõ¶Ì¡£ ×óͼΪ¾¹ýÁéÃô¶Èµ÷½Úºó£¬ÕýºÃ ¼ì²âÉ趨¾àÀëΪ2mm£¬³ß´çΪ 10¡Á10¡Át1mmµÄÌú°åµÄÇé¿ö¡£ |
ʹÓÃÖ¸ÄÏ
ÇëÎ𽫱¾²úÆ·×÷ΪÈËÌå±£»¤Óõļì²â×°ÖᣠÈçÒÔÈËÌå±£»¤ÎªÄ¿µÄ£¬ÇëʹÓÃOSHA¡¢ANSI¼°IEC µÈ¸÷¹úÊÊÓÃÓÚÈËÌå±£»¤ÓõIJúÆ·¡£
¼ì²âÍ·Óë·Å´óÆ÷±ØÐèÅäÌ×ʹÓá£
ÇëÎð±ä¸ü¼ì²âÍ·µçÀµij¤¶È¡£
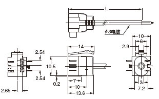
³ß´ç(µ¥Î»£ºmm)
GA-311(´«¸ÐÆ÷) |
GH-2SE GH-3SE GH-5SE GH-8SE GH-F8SE(¼ì²âÍ·) |

|
| ÐÍ ºÅ |
A |
B |
C |
| GH-2SE |
¦Õ2.8 |
12 |
¦Õ1.6 |
| GH-3SE |
¦Õ3.8 |
15 |
¦Õ2.5 |
| GH-5SE |
¦Õ5.4 |
15 |
¦Õ2.5 |
| GH-8SE |
¦Õ8.0 |
15 |
¦Õ2.5 |
| GH-F8SE |
¦Õ8.0 |
15 |
¦Õ2.65 | |
×¢£º ´ËÕýÃæÍ¼ÊÇÒѰ²×°¼ì²âÍ·Á¬½ÓÆ÷¼°µ¥´¥µçÀÂÁ¬½ÓÆ÷µÄͼ¡£ ÉÏͼΪÎÞ¼ì²âÍ·Á¬½ÓÆ÷¡¢ µ¥´¥µçÀÂÁ¬½ÓÆ÷¼°ÎÞÕÖµÄ״̬¡£ |
|
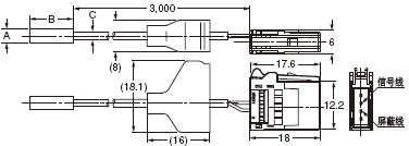
CN-73-C1 CN-73-C2 CN-73-C5 (ĸµçÀÂ(ÁíÊÛ)) |
MS-DIN-2 (·Å´óÆ÷°²×°Ö§¼Ü(ÁíÊÛ)) |
 ¡¤³¤¶È(L)
| ÐÍ ºÅ |
³¤¶È(mm) |
| CN-73-C1 |
1,000 |
| CN-73-C2 |
2,000 |
| CN-73-C5 |
5,000 | |
 |
CN-71-C1 CN-71-C2 CN-71-C5 (×ÓµçÀÂ(ÁíÊÛ)) |
MS-DIN-E(βÅÌ(ÁíÊÛ)) |
 ¡¤³¤¶È(L)
| ÐÍ ºÅ |
³¤¶È(mm) |
| CN-73-C1 |
1,000 |
| CN-73-C2 |
2,000 |
| CN-73-C5 |
5,000 | |
 |
MS-SS3 MS-SS5 MS-SS8 (¼ì²âÍ·°²×°Ö§¼Ü(ÁíÊÛ)) |

|
| ÐÍ ºÅ |
MS-SS3 |
MS-SS5 |
MS-SS8 |
| D |
16 |
18 |
20 |
| E |
9 |
10 |
11 |
| F |
6.3 |
8.3 |
10.3 |
| G |
4.9 |
6.1 |
6.5 |
| ÊÊÓüì²âÍ·ÐͺŠ|
GH-3SE |
GH-5SE |
GH-8SE | |