|
±¾²úÆ·ÓÃ×÷¹¤ÒµµçºÉÐ¶ÔØ£¬²»¾ß±¸Ô¤·Àµ¼ÖÂÈËÉíÉ˷ŵçÕëµÄÇå½à²½Ö躦»ò²Æ²úËðʧµÄʹʣ¬»òÓÃÓÚ°²È«¡¢Î¬»¤ËùÐèµÄ¿ØÖƹ¦ÄÜ¡£ |
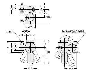
°²×° |
¡¤ °Ñ±¾²úÆ·×°µ½»úÌåÉÏʱ£¬ÇëʹÓÃM4ÂÝË¿(ÇëÁíÐÐ×¼±¸)¡£ ¡¤ Èç¹û2̨ÒÔÉÏ¿¿½ü°²×°£¬±Ë´Ë¼ä¸ôÓ¦ÔÚ5mmÒÔÉÏ¡£Èç¹û¼ä¾àÔÚ5mmÒÔÏÂʱ£¬µçºÉÐ¶ÔØÐÔÄÜ¿ÉÄÜ»áÊÜÓ°Ïì¡£ ¡¤ È·±£ÓÐ×ã¹»µÄ¿Õ¼ä¿É½øÐÐÈÕ³£¼ì²éºÍά»¤¡£ ¡¤ È·±£½ÓµØ¶Ë×ӽӵء£Èç¹û½ÓµØ²»³ä·Ö£¬µçºÉÐ¶ÔØÐÔÄܽ«ÏÔÖøÏ½µ¡£(DÖֽӵػòµçÔ´ÆÕͨ½ÓµØ¡£) ¡¤ Èç¹ûʹÓÃÁËÁíÊÛµÄACÊÊÅäÆ÷ER-VAPS1£¬È·±£°Ñ½ÓµØ¶Ë×ÓÁ¬½Óµ½µçÔ´ÆÕͨ½ÓµØ¶Ë×ÓÉÏ¡£ ¡¤ Èç¹û´øµçÎïÌå´¦ÓÚÓëÆäËüÎïÌå½Ó½ü»ò½Ó´¥µÄ״̬£¬¼´Ê¹ÏòÆäÅçÉäÀë×ÓÒ²ÎÞ·¨»ñµÃµçºÉÐ¶ÔØÐ§¹û¡£Òò´Ë±¾²úÆ·µÄÉèÖÃλÖã¬Ó¦±£Ö¤ÔÚ´øµçÎïÌåÔ¶ÀëÆäËüÎïÌå»òÐü¸¡ÔÚ¿ÕÖеÄ״̬Ï£¬Àë×ÓÄÜÅçÉäµ½´øµçÎïÌåÉÏ¡£ |
 |
¹ØÓÚÅç×ì |
|
¡¤ µçÀëÆ÷²»¿Éµ¥¶ÀʹÓá£ÇëÎñ±ØÔÚ×°ÉÏÁíÊÛµÄÅç×ìºóÔÙʹÓᣠ¡¤ ÇÐÎð¶ÔÁíÊÛµÄÅç×ì½øÐиÄÔì¡£ÈçʹÓøÄÔì¹ýµÄÅç×죬Åç×ìÄÚ²¿µÄѹÁ¦»áÉÏÉý£¬µ¼Ö·ŵ粿µÄ¼àÊÓ¹¦ÄÜÆô¶¯£¬²¢Êä³ö¼ì²éÐźš£ ¡¤ ÓйØÁíÊÛÅç×ìµÄÏêϸÄÚÈÝ£¬Çë²ÎÔÄÅç×츽´øµÄʹÓÃ˵Ã÷Êé¡£ |
¡¤±¸ÓÐ10ÖÖÅç×ì(2005Äê5ÔÂÖ¹)£¬Çë¸ù¾ÝÓÃ;ѡÔñ¡£ ¡¤¸÷ÖÖÅç×ìÇëÔÚÏàÓ¦µÄ¹æ¶¨ÆøÑ¹ÏÂʹÓᣠ¡¤°²×°Åç×ìʱ£¬ÇëÒ»Ö±ÐýÈëÖÁ±¾²úÆ·µÄ¸ù²¿¡£ |
Åä¹Ü |
¡¤°²×°ÖÁ±¾²úÆ·¿ÕÆøÈë¿Ú²¿µÄ¿ÕÆøµ¼¹Ü£¬Í⾶ӦΪ¦Õ6mm¡£ ¡¤ÇëÏò±¾²úÆ·¹©Ó¦Çå½à¿ÕÆø(²»º¬Ë®¡¢ÓÍ»ò»Ò³¾µÈÔÓÖÊ)¡£ |
±£Ñø¡¤Î¬»¤ |
|
¡¤¼ì²éºÍÇå½àʱ£¬ÇëÎñ±ØÏÈÇжϵçÔ´ºÍ¿ÕÆø¹©Ó¦¡£ ¡¤·ÅµçÕëǰ¶Ë¼âÈñ£¬Çå½àʱÇë³ä·Ö×¢Òⰲȫ¡£ |
¡¤ Èç¹û·ÅµçÕëǰ¶ËÓÐÎÛ¹¸¸¶×Å£¬µçºÉÐ¶ÔØÐ§¹û½«Ï½µ¡£Óмì²éÐźÅÊä³öʱ£¬ÇëÇå½à·ÅµçÕë¡£ ¡¤ ¼´Ê¹ÎÞ¼ì²éÐźÅÊä³ö£¬Ò²Çë½øÐж¨ÆÚÇå½à¡£ ¡¤ ·ÅµçÕëÓÐʹÓÃÊÙÃü¡£½¨ÒéʹÓÃÁËÔ¼10000Сʱºó½øÐиü»»¡£ÇëʹÓÃER-VANTÐͷŵçÕë¡£ ¡¤ Çå½à¹ý·ÅµçÕëÖ®ºóÈç¹ûÈÔÓмì²éÐźÅÊä³ö£¬Çë¸ü»»·ÅµçÕë¡£ ¡¤ ÓдíÎóÐźÅÊä³öʱ£¬¿ÉÄÜÕýÔÚ·¢ÉúÒì³£·Åµç¡£ ´ËʱÇë¼ì²éÒÔÏÂÏîÄ¿¡£ 1.È·ÈϵçÔ´µçѹÊÇ·ñÔÚ¹æ¸ñ·¶Î§ÄÚ¡£ 2. ¼ì²é·ÅµçÕëÉÏÓÐÎÞȱËð»òÎÛ¹¸£¬·ÅµçÕë×é¼þÊÇ·ñÕý³£µØ°²×°ÔÚÖ÷ÌåÉÏ¡£Èç¹û·ÅµçÕëÉÏÓÐȱËð»òÒìÎÇë½øÐÐÇå½à»ò¸ü»»¡£ 3.¼ì²éÅç×ìÄÚ²¿ÓÐÎÞÒìÎÅç×ìµÄ°²×°¡¢ÉèÖÃÊÇ·ñÕý³£¡£ 4.¼ì²é½ÓµØ¶Ë×ӵĽӵØÊÇ·ñ¿É¿¿¡£ ¡¤ ÔÚÊä³ö´íÎóÐźźó£¬Òª¸´Î»Ê±ÇëÊäÈ븴λÐźš£ |
|
|
1.È·ÈϵçÔ´ºÍ¿ÕÆø¹©Ó¦ÒÑÇжϡ£ 2.´ÓÖ÷Ìåºó²à²ðÏ·ŵçÕë¡£ 3.ÓÃÕºÓоƾ«µÄÃÞ°ôµÈÇå½à·ÅµçÕë¼°ÆäÖÜΧµÄÒìÎï¡£ 4.ÔÙ´ÎÈ·ÈϷŵçÕëÉÏÒÑÎÞÏßÍ·µÈÒìÎ︽×Å¡£ 5.Çå½àÍê³Éºó£¬×°ºÃ·ÅµçÕë¡£ |
|
|
1.È·ÈϵçÔ´ºÍ¿ÕÆø¹©Ó¦ÒÑÇжϡ£ 2. ´ÓÖ÷»úºó²à²ðÏ·ŵçÕë¡£ 3.È·ÈÏзŵçÕë¼°ÆäÖÜΧûÓÐÎÛ¹¸¸½×ź󣬰²×°Åç×ì¡£ |
½ÓÏß |
¡¤ ÇëÎñ±ØÔÚµçÔ´ÇжϵÄ״̬ϽøÐнÓÏß×÷Òµ£¬·ñÔò»áÓд¥µçµÄΣÏÕ¡£ ¡¤ ½ÓÏßÍê³Éºó½ÓͨµçԴ֮ǰ£¬Çë¼ì²éÈ·Èϵç·Á¬½ÓÊÇ·ñÕýÈ·¡£ ¡¤ Èç¹û½ÓÏßÓÐÎ󣬻ᵼÖ¹ÊÕÏ·¢Éú¡£ ¡¤ ÇëÈ·ÈϵçÔ´±ä¶¯Çé¿ö£¬È·±£µçÔ´ÊäÈëÔڶ·¶Î§ÄÚ¡£ ¡¤ ÇëÎðÓë¸ßѹÏß¡¢¶¯Á¦Ï߯½Ðв¼Ïß»òʹÓÃͬһ¸ùµçÏß¹Ü×ßÏߣ¬·ñÔò¿ÉÄÜ»áÓÉÓÚ¸ÐÓ¦¶øµ¼ÖÂÎó¶¯×÷¡£ |
ÆäËü |
¡¤ Á¬½Ó±¾²úÆ·µÄÖ±Á÷µçÔ´£¬ÇëÎñ±Ø²ÉÓøôÀë±äѹÆ÷µÈ½øÐиôÀ룬»òÕßʹÓÃÑ¡¹ºµÄACÊÊÅäÆ÷ER-VAPS1¡£ ¡¤ ±¾²úÆ·Èç¹ûʹÓÃ×Ôñî±äѹÆ÷µÈ±äѹ£¬Ö÷ÌåºÍµçÔ´¿ÉÄÜ»áÒò¶Ì·¶øÊÜËð¡£ | |
¡¤ ÇëÎðÔÚ¹æ¸ñ·¶Î§ÒÔÍâʹÓñ¾²úÆ·£¬·ñÔò¿ÉÄܵ¼Ö¹ÊÕÏ»òʹʣ¬²¢ÑÏÖØËõ¶Ì²úÆ·ÊÙÃü¡£ ¡¤ ÇÐÎð¶Ô±¾²úÆ·½øÐзֽ⡢ÐÞÀí¡¢¸ÄÔ죬·ñÔò¿ÉÄܵ¼Ö¹ÊÕÏ»òʹʡ£ ¡¤ ÇëÎ𽫱¾²úÆ·ÈÓ½ø»ðÖУ¬·ñÔò¿ÉÄܵ¼Ö²úÆ·±¬ÁÑ»ò²úÉúÓж¾ÆøÌå¡£ ¡¤ ·ÅµçÕëÉϵçѹºÜ¸ß£¬ÇëÎðʹÊÖÖ¸¡¢ÉíÌåÆäËü²¿Î»¡¢ÒÔ¼°ÌúË¿¡¢¹¤¾ßµÈ½ðÊôÎïÆ·¿¿½ü¡£·ñÔò¿ÉÄܵ¼Ö´¥µç»ò¹ÊÕÏ¡£ ¡¤ ±¾²úÆ·²¢·Ç·À±¬¹æ¸ñ£¬ÇëÎðÔÚÒ×ȼÎï¡¢¿ÉȼÎïµÈ´æÔÚµÄΣÏÕÐÔ»·¾³ÖÐʹÓ᣷ñÔò¿ÉÄܵ¼ÖÂÆð»ð¡£ ¡¤ ±¾²úÆ·»áÔÚ´óÆøÖÐÊͷųôÑõ£¬¸Ð¾õµ½³ôÑõµÄÆøÎ¶Ê±£¬Çë×¢Òâͨ·ç»»Æø¡£Èç³ôÑõ´æÁô¹ý¾Ã£¬¿ÉÄܵ¼Ö½ðÊôµÈÑõ»¯¡¢¸¯Ê´¡£ ´ËÍ⣬ÇëÎð½«Á³²¿¿¿½üÅç×ì¿Ú»òÆøÁ÷³ö¿Ú¸½½üÈ·ÈϳôÑõÆøÎ¶£¬·ñÔò¿ÉÄܵ¼Ö±ǡ¢ºíÊÜÉË¡£ ¡¤ Çë±ÜÃâÔÚÕôÆû¡¢»Ò³¾µÈ½Ï¶àµÄ³¡Ëù¡¢ÒÔ¼°Ë®¡¢ÓÍ¡¢º¸Ôü»áÖ±½Ó·É½¦µ½µÄ³¡ËùʹÓñ¾²úÆ·¡£ ¡¤ ÇжϵçÔ´ºóÈç¹ûÁ¢¼´ÖØÐ½Óͨ£¬¿ÉÄܻᷢÉúÒì³£Êä³ö¡£Òò´ËÇжϵçÔ´ºóÓûÖØÐ½Óͨʱ£¬Ðë¼ä¸ô1ÃëÒÔÉÏ¡£ ¡¤ ½ÓͨµçÔ´¡¢¹©Ó¦¿ÕÆøÖ®Ç°£¬ÇëÏÈÈ·ÈϽÓÏß¡¢Åä¹ÜµÄ״̬ÊÇ·ñÕý³£¡£Èç¹û½ÓÏß¡¢Åä¹ÜÓÐÎ󣬽«»áµ¼Ö¹ÊÕÏ¡£ ¡¤ ÇëÎ𽫱¾²úÆ·ÓÃÓÚµçºÉÐ¶ÔØÒÔÍâµÄÆäËüÄ¿µÄ¡£ ¡¤ ±¾²úÆ·²»ÄÜʹÓᢻò²»ÔÙÐèҪʱ£¬Çë×÷Ϊ¹¤Òµ±¨·ÏÎï°´ÕÕÏà¹Ø¹æ¶¨½øÐд¦Àí¡£ ¡¤ ʹÓõç´Å·§µÈ¶Ô¹©¸ø±¾²úÆ·µÄ¿ÕÆø½øÐÐON/OFF¿ØÖÆÊ±£¬Çëͬʱ¶Ô·ÅµçÍ£Ö¹ÊäÈë½øÐÐON/OFF¿ØÖÆ¡£ ¡¤ Á÷ÌåÇëʹÓøÉÔïÇå½àµÄ¿ÕÆø£¬Èç¹ûʹÓøÉÔïÇå½à¿ÕÆøÒÔÍâµÄÆäËüÁ÷Ìå»òº¬Óи¯Ê´ÐÔÆøÌåµÈµÄÁ÷Ì壬½«»áµ¼ÖÂʹʻò¹ÊÕÏ¡£ ¡¤ ÇëÎðʹÓú¬ÓÐ̼·Û¡¢»Ò³¾µÈÒìÎïÒÔ¼°Ë®¡¢ÓÍµÄ¿ÕÆø£¬·ñÔò¿ÉÄܵ¼Ö´¥µç»ò¹ÊÕÏ¡£±ØÒªÊ±£¬ÇëÉèÖÃ¿ÕÆø¹ýÂËÆ÷¡¢¿ÕÆø¸ÉÔïÆ÷µÈ¶Ô¿ÕÆø½øÐÐÊʵ±µÄ´¦Àí¡£ |