Ê×Ò³
-
ÐÂÎÅ
-
ÕÐÆ¸
-
ÏÂÔØ
-
²úÆ·
-
³§ÉÌ
-
·½°¸
-
ÎÄÕª
-
Çó¹º
-
Õ¹ÀÀ
Ãâ·Ñ×¢²á
|
¹ã¸æ·þÎñ
|
¿Í·þÖÐÐÄ
PLC
|
±äƵÓë´«¶¯
|
´« ¸Ð Æ÷
|
ÏÖ³¡¼ì²âÒDZí
|
¹¤¿ØÈí¼þ
|
ÈË»ú½çÃæ
|
Ô˶¯ËÅ·þ
|
ǶÈëʽ
|
¹¤ÒµµçÔ´
|
»ú¹ñÏäÌå
|
»ú Æ÷ ÈË
DCS
|
¹¤ÒµÒÔÌ«Íø
|
ÏÖ³¡×ÜÏß
|
ÏÔʾµ÷½ÚÒDZí
|
Êý¾Ý²É¼¯
|
Êý´«²â¿Ø
|
¹¤Òµ°²È«
|
¹¤¿Ø»ú
|
µÍѹµçÆ÷
|
»úÆ÷ÊÓ¾õ
|
Ö´Ðлú¹¹
Öлª¹¤¿ØÍø
¡ú
¹¤¿Ø²úÆ·
¡ú JWSK-6+VS-6ÊÒÍâÐÍÎÂʪ¶È±äËÍÆ÷Ì××°
²úÆ·Ãû³Æ£º
JWSK-6+VS-6ÊÒÍâÐÍÎÂʪ¶È±äËÍÆ÷Ì××°
ÐÍ ºÅ£º
JWSK-6+VS-6
¼Û ¸ñ£º
0.00
Æ· ÅÆ£º
ϵÁмò½é¼°ËµÃ÷
±¾ÏµÁвúƷΪ¹¤Òµ¼¶²úÆ·.¿ÉÒÔÕë¶Ô-40¡æ¡«+120¡æ·¶Î§ÄÚµÄΡ¢Êª¶È½øÐвâÁ¿¡£´«¸ÐÆ÷ÐÔÄܿɿ¿£¬Ê¹ÓÃÊÙÃü³¤£¬ÏìÓ¦Ëٶȿ죬ʪ¶È²âÁ¿µÄζȷ¶Î§¿í¡£¾ßÓÐͬÀà²úÆ·Öеͼ۸ñºÍ¸ß¾«¶ÈµÄÌØµã¡£Ì½Í·¿¹½á¶¡£
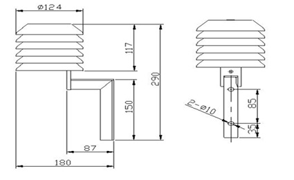
JWSK-6½á¹¹³ß´ç£º
VS-6·À»¤Õֽṹ³ß´ç£º
ϵÁÐÓÃ;
ÓÃÓÚÐèÒª¸ß¾«¶ÈºÍ¸ßεIJâÁ¿³¡ºÏ¡£ÌرðÕë¶Ô¸ßΡ¢·À³¾¡¢·ÀˮҪÇóµÄ¹¤ÒµÓ¦Óó¡ºÏ¡£ÔÚ¶ñÁÓµÄÌìÆøÖиø±äËÍÆ÷Ìṩ×îºÃµÄ±£»¤£¬¿¹·ç¡¢µ²Óê¡£Ò»°ãÔÚÆøÏóÓ¦Óá£
²úÆ·ÌØµã
JWSK-6£º
ʪ¶È²âÁ¿µÄζȷ¶Î§¿í£¨-40¡æ¡«+120¡æ£©
¾«¶È¸ß
µÍÆ¯ÒÆ
ÏìÓ¦ËÙ¶È¿ì
Ìå»ýС
°²×°·½±ã
ÐÔÄÜÎȶ¨
ʹÓÃÊÙÃü³¤
¿¹¸ÉÈÅÄÜÁ¦Ç¿
¶ÀÓеĹýÂËÍøµÄÉè¼Æ£¬¿ÉÒÔÓÐЧµÄ¼õС·çËÙ¶Ô²âÁ¿µÄÎó²î£¬ÑÓ³¤Ì½Í·µÄʹÓÃÊÙÃü¡£
´ïµ½·À±¬²úÆ·ÐÔÄÜÒªÇ󣬷À±¬µÈ¼¶ÎªExiaIICT6
VS-6£º
1¡¢ÈÝÒ×°²×°
2¡¢ÌØÊâ²ÄÖÊÉè¼Æ£¬·ÀÖ¹Ñô¹â·øÉä
3¡¢¿ÉËæÒâÔö¼õ¸ß¶È
¼¼Êõ²ÎÊý
¹© µç
Ö±Á÷¹©µç:DC 24V£¨22V¡«26V£©(ĬÈÏ)
½»Á÷¹©µç:AC 24V£¨18V¡«24V£©·À±¬ÐͲ»º¬½»Á÷¹©µç
Á¿ ³Ì
0%RH¡«100%RH
-40¡æ¡«120¡æ
A¼¶¾«¶È
ʪ¶È:¡À 2%(25¡æ,5%RH¡«95%RH)
ζÈ:40¡æ¡«120¡æ
B¼¶¾«¶È
ʪ¶È:¡À 3%(25¡æ,5%RH¡«95%RH)
ζÈ:¡À 0.5¡æ(-20¡æ¡«60¡æ)
±äË͵ç·¹¤×÷ζÈ
-20¡æ¡«60¡æ
̽ͷ¹¤×÷ζÈ
-40¡æ¡«120¡æ
³¤ÆÚÎȶ¨ÐÔ
ʪ¶È:<1%/y
ζÈ:<0.1¡æ/y
ÏìӦʱ¼ä
ʪ¶È:<4s
ζÈ:<15s
Êä³öÐźÅ
µçÁ÷Êä³ö:ÈýÏß 4¡«20mA»ò 0¡«10mA»ò£°¡«20mA
µçѹÊä³ö:ÈýÏß 0¡«5V»ò 0¡«10V
ÍøÂç×ÜÏßÊä³ö:RS485»ò RS232
¸ºÔØÄÜÁ¦
µçÁ÷Êä³ö:¡Ü 500¦¸
µçѹÊä³ö:Êä³ö×迹¡Ü 250¦¸
·À±¬µÈ¼¶
Exia¢òCT6
¹æ¸ñÑ¡ÐÍ
JWSK-6·ÖÌåʽÎÂʪ¶È£º
VS-6×ÔȻͨ·ç·À»¤ÕÖ£º
¹¤×÷·¶Î§£º-30¡æ¡«60¡æ
²Ä ÖÊ£ºPCËÜÁÏ
ÑÕ É«£º°×É«
¹«Ë¾¼ò½é
²úƷĿ¼
¹©Ó¦ÐÅÏ¢
¹«Ë¾Ãû³Æ£º
±±¾©À¥Âغ£°¶´«¸Ð¼¼ÊõÓÐÏÞ¹«Ë¾
µç »°£º
010 82671108 / À¥Âغ£°¶ÏúÊÛ²¿
ÊÖ»ú£º
4008158881
µØ Ö·£º
±±¾©Êк£µíÇøÉϵØÐÅϢ·¼×28ºÅ¿ÆÊµ´óÏÃC×ù8²ãCÇø
ÓÊ ±à£º
100085
Ö÷ Ò³£º
http://www.klha.cn
¸Ã³§ÉÌÏà¹Ø²úÆ·£º
½¦É䱡ĤѹÁ¦ÒºÎ»±äËÍÆ÷
JYK-K01ÖÇÄÜÐÍѹÁ¦¿ª¹Ø
KL-H1200ÎïÁªÍøÍø¹Ø£¨3G°æ£©
JQAW-3xx-BϵÁо¼ÃÐͶþÑõ»¯Ì¼±äËÍÆ÷
JQAW-12xx-BϵÁо¼ÃÐͶþÑõ»¯Ì¼±äËÍÆ÷
Ò°ÍⳬµÍÎÂÈ«·À»¤ÐÍѹÁ¦±äËÍÆ÷
¸ô±¬ÐÍѹÁ¦±äËÍÆ÷
JQAW-12ϵÁжþÑõ»¯Ì¼±äËÍÆ÷
JQAW-8ϵÁж๦ÄܶþÑõ»¯Ì¼±äËÍÆ÷
JQAW-5ϵÁйܵÀÐͶþÑõ»¯Ì¼±äËÍÆ÷
¸ü¶à²úÆ·...
¹ØÓÚÎÒÃÇ
|
ÁªÏµÎÒÃÇ
|
¹ã¸æ·þÎñ
|
±¾Õ¾¶¯Ì¬
|
ÓÑÇéÁ´½Ó
|
·¨ÂÉÉùÃ÷
|
·Ç·¨ºÍ²»Á¼ÐÅÏ¢¾Ù±¨
¹¤¿ØÍø¿Í·þÈÈÏߣº
°æÈ¨ËùÓÐ ¹¤¿ØÍø Copyright@ Gkong.com, All Rights Reserved