ŷ½EUROTHERMÖ±Á÷µ÷ËÙÆ÷ER-PL¼°ER-PLX
¹¦ÂÊ·¶Î§ 15KW-980KW (×î´óµçÁ÷2250A£©
ER-PL ºÍ ER-PLX Êý×ÖÖ±Á÷µ÷ËÙÆ÷¿ÉÄÜÊǵ±½ñÊг¡ÉϹ¦ÄÜ×îÇ¿´óµÄ²úÆ·¡£Æ¾½è¸÷ÖÖ±ê×¼Èí¼þÄ£¿é£¬ÕâЩÇý¶¯Æ÷Äܹ»¿ØÖÆÒªÇó×îÑÏ¿ÁµÄÔ˶¯×÷Òµ¡£ËùÓÐÐͺžù°üº¬Ò»¸ö 40 ×Ö·û¼°×ÖĸÊý×Ö±³¹âÏÔʾÆ÷£»È«Ì×ÖÐÐľíȡģ¿éºÍÒ»Èõ´Å¹¦ÄÜ¿éÒÔÀ©Õ¹ËÙ¶È·¶Î§¡£¸Ã²úÆ·Ìṩ 2 ÏóÏÞºÍ 4 ÏóÏÞ°æ±¾£¬ÓÉ 3 Öַdz£½ô´ÕµÄµ×ÅÌ×é³É¡£ÍêÈ«µçÔ´»ØÂ·¾øÔµ £¨SELV£©
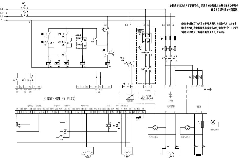
¿ØÖÆ»ØÂ· ¡¡ ¡¡
È«¿ØÈýÏà¿É¿Ø¹èÇÅ
1Ï࣬100µ½240 V ac£¬+/-10%£»50-60Hz ¶ÔÏàÐòûÓÐÒªÇó
¿ØÖƹ¦ÄÜ ¡¡ ¡¡
È«Êý×Öʽ
ÏȽøPIµ÷½Ú¼ÓÉϵçÁ÷»·×ÔÊÊÓ¦¹¦ÄÜÒÔ´ï×î¼Ñ
ÀûÓá°×ÔÕû¶¨¡±Ëã·¨À´×Ôµ÷µçÁ÷»·µÄP£¬I³£ÊýºÍµçÁ÷¶ÏÐøµã
ËÙ¶È»·µÄP£¬I²ÎÊý¿Éµ÷£¬¾ßÓлý·Ö·ÖÀ빦ÄÜ
ËÙ¶È¿ØÖÆ ¡¡ ¡¡
º¬IR²¹³¥µÄµçÊàµÄµçѹ·´À¡
¹âÂëÅÌ·´À¡Ê±»ò²âËÙ·¢µç»ú·´À¡
ËÙ¶È±È ¡¡ ¡¡
²âËÙ·¢µç»ú·´À¡Ê±ÓÅÓÚ100£º1
ÎÈ̬¾«¶È ¡¡ ¡¡
¹âÂëÅÌ·´À¡²¢ÓÃÊý×Ö¸ø¶¨Ê±0.01%
²âËÙ·¢µç»ú·´À¡Ê±ÓÅÓÚ0.1%
µçѹ·´À¡Ê±ÓÅÓÚ2%
µ±Ê¹ÓÃQUADRALOC MK 11 5720Êý×Ö¿ØÖÆÆ÷ʱ¾ø¶ÔΪÁã
µ÷Õû ¡¡ ¡¡
ËùÓжÔÈí¼þµÄµ÷Õû¶¼¿Éͨ¹ý²Ù×÷ÅÌ»ò´®ÐÐͨѶ¿ÚÀ´Ð޸ġ£
²Ù×÷Å̳ýÒ»°ãÕï¶Ï¹¦ÄÜÍ⣬²¢¿ÉÓüàÊÓ£¬Ð޸IJÎÊýÓÃ
±£»¤ ¡¡ ¡¡
¹ýÁ÷ (150% / 25s ·´Ïòʱ¼ä) ÄÚÏßÒÇÆ÷ÍøÂç
¸ßÄÜMOV Ïß¼Ê×°ÖÃÍøÂç
ËÙ¶È·´À¡¹ÊÕÏ Ë²¼ä¹ýµçÁ÷
µçÊà¹ýѹ Êý×ÖÊä³ö¶Ì·
Ö÷µçÔ´²»Í¬²½ ¿É¿Ø¹è¡®´¥·¢¡¯¹ÊÕÏ
Ö÷µçԴȱÏà ¾²Ö¹Âß¼µç·
µç»ú³¬Î ´Å³¡¹ÊÕÏÓë¹ýµçÁ÷
¿É¿Ø¹è×é¼þ¹ýÈÈ ¶Âת±£»¤
Õï¶Ï ¡¡ ¡¡
È«¼ÆËãÆ÷»¯´¦Àí£¬ËøËÀµÚÒ»¸ö¹ÊÕÏ×Ô¶¯ÏÔʾ
Êý×ÖʽLCD¼àÊÓ
ͨ¹ýRS422/RS485¿Ú¿ÉµÃµ½È«²¿Õï¶ÏÐÅÏ¢
LEDµç·״ָ̬ʾµÆ
ÐͺÅÁÐ±í£º

µäÐÍÁ¬½Ó£º

| Ó¦Óãº
³öÄ£»ú ±ÃºÍ·çÉÈ Ó¡Ë¢»ú ÔìÖ½»ú »ú´²É豸 ½Á°è»ú ѹ¹â»ú ÊÕ¾í»ú ¿ª¾í»ú ´«ËÍ»ú Äëѹ»ú ÊÔÑę́ µçÏߺ͵çÀ Ï𽺽Á°è»ú ·ÄÖ¯»úе ÆðÖØ»ú ÒÔ¼°¸ü¶àÓ¦ÓÃ... |