1 ¸ÅÊö
AMC16BϵÁÐ¶à»ØÂ·¼à¿Ø×°ÖÃÖ÷ÒªÓ¦ÓÃÓÚ¶à¸öÅä³ö»ØÂ·µÄµç²ÎÊýµÄ¼à²â£¬Ëü½«»ØÂ·ÖеÄĸÏßµçѹ¡¢¶à¸öÅä³ö»ØÂ·µÄµçÁ÷¡¢¹¦ÂÊ¡¢µçÄܼ¯ÖвâÁ¿ºÍÏÔʾ£¬²¢¿É¶Ô¸÷¸ö»ØÂ·µÄ¿ª¹Ø×´Ì¬¼¯Öмà²âºÍÏÔʾ£¬ÒÔÉϸ÷²ÎÁ¿»¹¿ÉͨѶÊä³ö£¬ÊµÏÖÁË¶Ô¼à¿ØÒªÇó½Ï¼òµ¥µÄÅäµç³öÏß»ØÂ·µÄ¼¯ÖвâÁ¿ºÍ¼àÊÓ¡£Ò»¸öAMC16B¶à»ØÂ·¼à¿Ø×°ÖþÍÄÜʵÏÖ¶Ô¶à¸ö»ØÂ·µÄµç²ÎÁ¿µÄ²âÁ¿ºÍ¿ª¹Ø×´Ì¬µÄ¼à²â£¬´ó´ó·½±ãÁËϵͳµÄ½ÓÏß¡¢°²×°¡¢µ÷ÊÔ£»½ÚÔ¼ÁËÓû§µÄͶ×Ê£¬½µµÍÁËϵͳ³É±¾¡£
2 ÐͺÅ˵Ã÷

3 ¼¼Êõ²ÎÊý
|
ÐÍ ºÅ
|
AMC16(B)-1
|
AMC16(B)-3
|
|
Åäµçϵͳ
|
µÍѹµ¥ÏàÅä³ö»ØÂ·
|
µÍѹÈýÏàÅä³ö»ØÂ·
|
|
²âÁ¿²ÎÊý
|
µçѹ¡¢µçÁ÷¡¢¹¦ÂÊ¡¢¹¦ÂÊÒòÊý¡¢µçÄÜ¡¢¿ª¹ØÁ¿
|
|
ĸÏßµçѹ
|
ÊäÈë¶î¶¨
|
220V AC
|
|
²âÁ¿·¶Î§
|
40-400V AC
|
|
¹ýÔØ
|
˲ʱµçѹ2±¶/30Ãë
|
|
µçÁ÷»ØÂ·
|
¸ºÔØÂ·Êý
|
9·µ¥Ïà
|
3·ÈýÏࣨ9¸öµçÁ÷£©
|
|
CT
|
Ò»´Î²à5A-10000A ¶þ´Î²à¶î¶¨Öµ5A
|
|
ÊäÈë
|
0-5A
|
|
¹ýÔØ
|
³ÖÐø1.2±¶£¬Ë²Ê±µçÁ÷10±¶/5Ãë
|
|
ÊäÈëÆµÂÊ
|
45Hz-60Hz
|
|
¿ª¹ØÁ¿Ö¸Ê¾
|
ÊäÈë
|
16BÐÍ—9·¿ª¹ØÁ¿Ò£ÐÅÊäÈë
|
|
Êä³ö
|
1·¼ÌµçÆ÷Êä³ö 5A 250VAC/5A 30VDC
|
|
¸¨ÖúµçÔ´
|
AC85V-265V DC100V-350V
|
|
²âÁ¿¾«¶È
|
µçÁ÷¡¢µçѹ0.5¼¶£¬¹¦ÂÊ¡¢µçÄÜ1.0¼¶
|
|
¹¦ºÄ
|
£¼3VA
|
|
¾øÔµµç×è
|
≥100MΩ
|
|
¹¤ÆµÄÍѹ
|
µçÔ´/ÊäÈë/Êä³ö ¶Ë¿ÚÖ®¼äAC2kV/1min 50Hz
|
|
»·¾³
|
ζÈ
|
¹¤×÷ζȣº-15¡æ~+55¡æ Öü´æÎ¶ȣº-25¡æ~+70¡æ
|
|
ʪ¶È
|
Ïà¶Ôʪ¶È≤93%£¨ÎÞÄý¶£©
|
|
º£°Î
|
≤2500m
|
|
ÏÔʾ
|
16BÐÍ-LCDÖÐÎÄÒº¾§ÏÔʾ
|
|
RS485ͨѶ½Ó¿Ú
|
2Ïߣ¬Modbus-RTU
|
|
°²×°·½Ê½
|
16BÐÍ—µ¼¹ìʽ°²×°
|
| |
|
|
|
|
4 ²úÆ·¹æ¸ñ
|
ÐͺÅ
|
¹¦ÄÜ
|
¿ª¹ØÁ¿£¨¿ÉÑ¡£©
|
|
µ¥Ïà
|
AMC16B-1I9/*
|
µ¥ÏàULN£¬9·µ¥ÏàI£¬RS485/Modbus
|
9DI/1DO
|
|
AMC16B-1E9/*
|
µ¥ÏàULN£¬9·µ¥ÏàI¡¢kW¡¢kVAR¡¢COSΦ¡¢kWh¡¢kVARh£¬RS485/Modbus
|
9DI/1DO
|
|
ÈýÏà
|
AMC16B-3I3/*
|
ÈýÏàU£¬3·ÈýÏàI£¬RS485/Modbus
|
9DI/1DO
|
|
AMC16B-3E3/*
|
ÈýÏàU£¬3·ÈýÏàI¡¢kW¡¢kVAR¡¢COSΦ¡¢kWh¡¢kVARh£¬RS485/Modbus
|
9DI/1DO
|
5 ÍâÐμ°³ß´ç(mm)

AMC16B¶à»ØÂ·¼à¿Ø×°ÖÃ

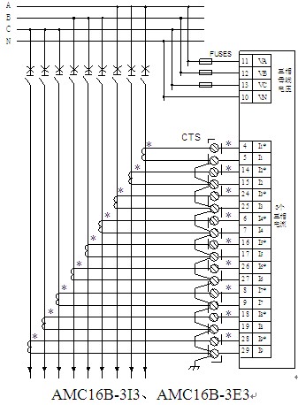
6.½ÓÏß¶Ë×Ó


