|
|
|
²úÆ·Ãû³Æ£º
|
U55LE-32(ÏàÏß+ÖÐÐÔÏß+©µç£©±£»¤¶Ï·Æ÷
|
|
ÐÍ ºÅ£º
|
U55LE-32
|
|
¼Û ¸ñ£º
|
0.00
|
|
Æ· ÅÆ£º
|
|
|
|
|
|
|
²úÆ·¸ÅÊö
Ò»¡¢ÊÊÓ÷¶Î§
U55LE-32(ÏàÏß+ÖÐÐÔÏß+©µç£©±£»¤¶Ï·Æ÷ÊÊÓÃÓÚ½»Á÷50Hz£¬¶î¶¨µçѹÔÚ230VµÄµ¥ÏàסլÏß·ÖУ¬×÷Ϊ©µç±£»¤Ö®Ó㬲¢¶ÔÃñÓÃµçÆøÏߺôµÄ¹ýÔØºÍ¶Ì·½øÐб£»¤£¬¸Ã²úÆ·¾ßÓÐÌå»ýС£¬·Ö¶ÏÄÜÁ¦¸ß£»Áã¡¢»ðÏßͬʱÇжϣ¬²¢ÔÚ»ðÏß½Ó·´µÄÇé¿öÏÂÈÔÄܶÔ©µç½øÐб£»¤¡££¨¿É¸ù¾Ý¿Í»§ÒªÇóÔö¼Óѹ±£»¤£©
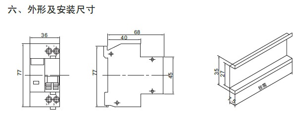
¶þ¡¢¼¼Êõ²ÎÊý
|
¶î¶¨¹¤×÷µçѹ£¨V£© |
¼«Êý |
¿Ç¼ÜµÈ¼¶¶î¶¨µçÁ÷£¨A£© |
¶î¶¨µçÁ÷£¨A£© |
¶î¶¨Â©µç¶¯×÷µçÁ÷£¨mA£© |
¶î¶¨Â©µç¶¯×÷µçÁ÷£¨mA£© |
¶î¶¨Â©·Ö¶Îʱ¼ä£¨S£© |
·Ö¶ÏÄÜÁ¦£¨A£© |
|
230 |
1+N |
32 |
6£¬10£¬16£¬20£¬25£¬32 |
30 |
15 |
£¼0.1 |
40000 |
Èý¡¢¹ýµçÁ÷ÍÑ¿ÛÌØÐÔ±í
|
ÊÔÑéµçÁ÷£¨A£© |
¶î¶¨µçѹ£¨V£© |
¹æ¶¨Ê±¼ä |
Ô¤ÆÚЧ¹û |
Æðʼ״̬ |
±¸×¢ |
|
1.13ln |
ËùÓÐÖµ |
t¡Ý1h |
²»ÍÑ¿Û |
Àä̬ |
|
|
1.45ln |
ËùÓÐÖµ |
t£¼1h |
ÍÑ¿Û |
ÈÈ̬ |
µçÁ÷ÔÚ5sÄÚÎȶ¨µØÉÏÉýÖÁ¹æ¶¨Öµ |
|
2.55ln |
ËùÓÐÖµ |
1£¼t£¼60s |
ÍÑ¿Û |
Àä̬ |
±ÕºÏ¸¨Öú¿ª¹Ø½ÓͨµçÔ´ |
|
5ln |
ËùÓÐÖµ |
t¡Ý0.1s |
²»ÍÑ¿Û |
Àä̬ |
±ÕºÏ¸¨Öú¿ª¹Ø½ÓͨµçÔ´ |
|
10ln |
ËùÓÐÖµ |
t£¼0.1s |
ÍÑ¿Û |
Àä̬ |
±ÕºÏ¸¨Öú¿ª¹Ø½ÓͨµçÔ´ |



|
|
|
|