²úÆ·Ïêϸ¸ÅÊö£¬µäÐÍÓ¦Óã¬Ìص㣬¼¼Êõ×ÊÁÏ£¬¾«Ñ¡Ðͺţ¬ÊÛºó·þÎñ£¬ÖÊÁ¿±£Ö¤£¬°ü×°·½Ê½£¬·¢»õ·½Ê½µÈÈçÏ£º
²úÆ·ÌØµã£º
¡ñ¡¡¶þÏßÖÆ´«¸ÐÆ÷µçѹÐźŸôÀëÅäµçת»»
¡ñ¡¡¾«¶ÈÎó²îµÈ¼¶£º·Ç¸ôÀëÐÍ0.1¼¶£»¸ôÀëÐÍ0.2¼¶
¡ñ¡¡ÄÚÖÃÏßÐÔ»¯´¦ÀíºÍ³¤Ïß²¹³¥µç·£¨·ÇÏßÐÔ¶È<0.05%£©
¡ñ¡¡ÐźÅÊäÈëÓëÊä³ö3KVDC¸ôÀ루ȫ¸ôÀëÐÍ£©
¡ñ¡¡¸ø´«¸ÐÆ÷¹©µçµçѹ·¶Î§12-32VDC
¡ñ¡¡ ÊäÈëµÈЧµç×èС¡¢ÏßÐԶȸß
¡ñ¡¡µÍ³É±¾¡¢Ð¡Ìå»ýIC·â×°ºÍDIN35µ¼¹ì°²×°·½Ê½
¡ñ¡¡¹¤Òµ¼¶Î¶ȷ¶Î§£º- 40 ~ + 85 ¡æ
µäÐÍÓ¦Óãº
¡ñ¡¡PLC/DCS´Ó´«¸ÐÆ÷Ö±½Ó»ñÈ¡µçѹÐźÅ
¡ñ¡¡Î»ÒÆ¡¢µçλÆ÷ÐźŲɼ¯¸ôÀëÓë¿ØÖÆ
¡ñ¡¡¹¤ÒµÏÖ³¡µØÏ߸ÉÈÅÒÖÖÆ
¡ñ¡¡³ÆÖØÐźÅת»»³É±ê×¼4-20mAÄ£ÄâÐźÅ
¡ñ¡¡Ñ¹Á¦´«¸ÐÆ÷ÐźŲɼ¯¼°Åäµç
¡ñ¡¡Ä£ÄâÐźÅÔ¶³ÌÎÞÊ§Õæ´«Êä
¡ñ¡¡µçÇÅ£¨³ÆÖØ£©¼ì²âµç·µÄµçѹÐźÅÅäËÍ
²úÆ·Êۺ󣺼¯Ñз¢-Éú²ú-ÏúÊÛ-ÊÛºó Ò»ÌõÁúÈ«·½Î»·þÎñ£¬²úÆ·µÄÖÊÁ¿ÊÇÎÒÃǵÄ×ðÑϺÍÉúÃü¡£
2ÄêÄÚ³öÏÖÈκÎÖÊÁ¿ÎÊÌ⣬·µ³§±£ÐÞ/»»¡£
˳Դ10Ä꣬ÖÊÁ¿ÊÛºóÆ·Öʾø¶Ô±£Ö¤¡£
²úÆ·³ö³§¾¹ý3´ÎÖÊÁ¿¼ì²é£¬48СʱÀÏ»¯£¬Äõ½Äú¿ÉÖ±½ÓʹÓ㬷½±ã¿ì½Ý¡£
°ü×°·½Ê½£º¸ù¾ÝÊýÁ¿À´Ñ¡Ôñ°ü×°£¬Ö½Ïä°ü×°£¬°ü×°Á¼ºÃ¡£Ë³·á¿ìµÝ£¬´ÎÈվ͵½¡£
¸ÅÊö£º
¡¡¡¡SunYuan¡¡SIP12 Pin·â×°µÄ¶þÏßÖÆµçѹÐźŸôÀëÅäµçÆ÷£ºISO V-4-20mA£¬ÊǶþÏßÖÆµçѹÐźŸôÀëÅäµçÄ£¿é£¬¿ÉʵÏÖÁ½ÏßÖÆµçѹÊäÈëÅäµçÐÍ´«¸ÐÆ÷ºÍµçÇÅ£¨³ÆÖØ£©¼ì²âµç·µÄµçѹÐźÅÅäËÍ¡£
²úÆ·Éè¼ÆÎªµÍ³É±¾¡¢Ð¡Ìå»ýµÄ±ê×¼SIP12 Pin×èȼIC·â×°£¬ÄÚ²¿°üº¬µçÁ÷Ðźŵ÷ÖÆµç·£¬µç´Å¸ôÀë±ä»»µç·¼°ÐźŻ¹Ô½âµ÷µç·¡£¹©µçµçѹ·¶Î§12-32VDC£¬ÊäÈëµÈЧµç×èС¡¢ÏßÐԶȸߣ¬ÐźÅÊäÈëÓëÊä³öÖ®¼ä¿É´ïµ½2500VAC¸ôÀëÄÍѹ¡£²úƷʹÓÃÊ®·Ö·½±ã£¬¿Í»§Ö»ÐèÔÚ²úƷǰ¶Ë¼ÓÉÏÉÙÁ¿ÍâΧÆ÷¼þ£¬¼´¿ÉʵÏÖÁ½ÏßÖÆµçѹÊäÈëÅäµçÐÍ´«¸ÐÆ÷ºÍµçÇÅ£¨³ÆÖØ£©¼ì²âµç·µÄµçѹÐźŸôÀëÊä³ö¹¦ÄÜ£¬Óû§Éè¼ÆÊ±¿É²Î¿¼µäÐÍÓ¦Óõç·ͼ¡£
SMD¹¤Òսṹ¼°Ð¼¼Êõ¸ôÀë´ëʩʹ¸ÃÆ÷¼þÄÜ´ïµ½£ºÐźÅÊäÈëÓëÊä³ö3KVDC¸ôÀ루ȫ¸ôÀëÐÍ£©£¬²¢ÇÒÄÜÂú×㹤ҵ¼¶¿íζȡ¢³±Êª¡¢Õ𶯵ÄÏÖ³¡¶ñÁÓ¹¤×÷»·¾³ÒªÇ󡣡¡
ISO V-4-20mA¶þÏßÖÆµçѹÐźŸôÀëÅäµçÆ÷ʹÓ÷dz£·½±ã£¬Ö»ÐèºÜÉÙÍⲿԪ¼þ£¬¿ÉʵÏÖÁ½ÏßÖÆµçѹÊäÈëÅäµçÐÍ´«¸ÐÆ÷ºÍµçÇÅ£¨³ÆÖØ£©¼ì²âµç·µÄµçѹÐźÅÅäËÍ¡£
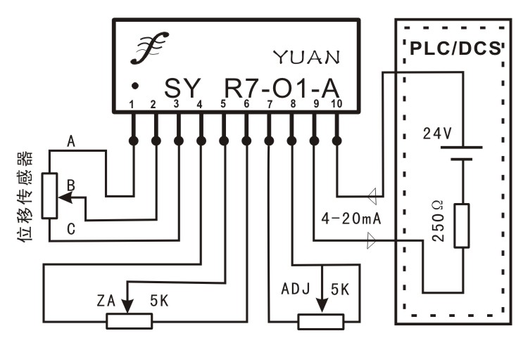
SYϵÁеÄÊäÈë¡¢Êä³ö·Ç¸ôÀëÐͲúÆ·£¬¾ßÓкܸߵľ«¶ÈºÍÏßÐÔ¶È£¨ÓÅÓÚ0.05F.S£©£¬³£ÓÃÔÚÄÚÖÃʽµç×ӳߡ¢½ÇÎ»ÒÆÐźűäËÍÆ÷µÈ¾«ÃܲâÁ¿ÒÇÆ÷ÒDZíÖС£²úÆ·Ìå»ýС¡¢°²×°·½±ã£¬¿É°²ÖÃÔÚ´«¸ÐÆ÷ÄÚ²¿Ö±½Ó½«Î»ÒÆ¡¢½Ç¶ÈÐźÅת»»³É±ê×¼µÄ4-20mAÐźţ¬Âú¶ÈºÍÁãµã¶¼¿ÉÓÉÓû§Í¨¹ýÍâ½ÓµçλÆ÷µ÷½Ú¡¢Ð£×¼¡£
²úÆ·Ó¦ÓþÙÀý
Ò»¡¢¸ôÀëÐÍÁ½ÏßÖÆµçѹÐźÅÅäµçÆ÷ IC£ºISO V-4-20mA (Sip12 Pin)
1¡¢¶þÏßÖÆµçѹÐźŴ«¸ÐÆ÷¸ôÀëÅäµçµäÐÍÓ¦ÓÃ

2¡¢µçÇÅ£¨³ÆÖØ£©¼ì²âµç·µçѹÐźŸôÀëÅäË͵äÐÍÓ¦ÓÃ
¶þ¡¢·Ç¸ôÀëÐ͸߾«¶ÈµçѹÐźÅÎÞÔ´ÅäµçÆ÷ IC£ºSY¡¡R-P-O (Sip10Pin) ¡¡¡¡¡¡¡¡¡¡¡¡¡¡¡¡¡¡¡¡¡¡¡¡¡¡¡¡¡¡¡¡¡¡¡¡¡¡¡¡¡¡¡¡¡¡¡¡¡¡¡¡¡¡¡¡¡¡¡¡¡¡¡¡¡¡¡¡¡¡Ó¦Á¦¡¢µç×èÐźÅÎÞÔ´Åäµç·Å´óÆ÷SY¡¡R-P-OϵÁвúÆ·£¬¿É½«Ñ¹Á¦¡¢³ÆÖØ¡¢Ö±Ïß»ò½ÇÎ»ÒÆ´«¸ÐÆ÷Êä³öÐźŽøÐи߾«¶È·Å´ó²¢×ª»»³É±ê×¼µÄÁ½ÏßÖÆ4-20mAÄ£ÄâÐźţ¬Âú¶ÈºÍÁãµã¶¼¿ÉÓÉÓû§Í¨¹ýÍâ½ÓµçλÆ÷µ÷½Ú¡¢Ð£×¼¡£1¡¢µç×èÐźÅÎÞÔ´Åäµç·Å´óÆ÷µäÐÍÓ¦ÓÃͼ
Ïêϸ¼¼Êõ×ÊÁÏ£ºhttp://www.sun-yuan.com/download/201211620134794717.pdf