Ê×Ò³ - ÐÂÎÅ - ÕÐÆ¸ - ÏÂÔØ - ²úÆ· - ³§ÉÌ - ·½°¸ - ÎÄÕª - Çó¹º - Õ¹ÀÀ
Ãâ·Ñ×¢²á µÇ¼ | ¹ã¸æ·þÎñ | ¿Í·þÖÐÐÄ
Öлª¹¤¿ØÍø ¡ú ¹¤¿Ø²úÆ· ¡ú ¸ôÀë·Å´óÆ÷/Î»ÒÆµç×èÐźűäËÍÆ÷
²úÆ·Ãû³Æ£º ¸ôÀë·Å´óÆ÷/Î»ÒÆµç×èÐźűäËÍÆ÷
ÐÍ ºÅ£º ISO R9-P1-O1-A
¼Û ¸ñ£º
Æ· ÅÆ£º 922
 
Êղش˲úÆ·     ²é¿´ÊÕ²Ø
²úÆ·ÌØµã£º
¡ñ¡¡µç×è¡¢µç×ӳ߻òÎ»ÒÆ´«¸ÐÆ÷ÐźÅÖ±½ÓÊäÈë

¡ñ¡¡¾«¶ÈÎó²îµÈ¼¶£º·Ç¸ôÀëÐÍ0.1¼¶£»¸ôÀëÐÍ0.2¼¶
¡ñ¡¡ÄÚÖÃÏßÐÔ»¯´¦ÀíºÍ³¤Ïß²¹³¥µç·£¨·ÇÏßÐÔ¶È<0.05%£©
¡ñ¡¡¸¨ÖúµçÔ´ÓëÐźÅÊäÈë¡¢Êä³ö3KVDCÈý¸ôÀ루ȫ¸ôÀëÐÍ£©
¡ñ¡¡¸¨ÖúµçÔ´£º5V¡¢12V¡¢15V»ò24VÖ±Á÷µ¥µçÔ´¹©µç
¡ñ¡¡ÊäÈëµçλÆ÷Ðźţº0-50¦¸/0-500¦¸/0-2K¦¸/0-10K¦¸µÈ
¡¡¡¡Êä³ö±ê×¼µçѹÐźţº0-2.5V/0-5V/0-10V/1-5V/µÈ
¡¡¡¡Êä³ö±ê×¼µçÁ÷Ðźţº0-10mA/0-20mA/4-20mAµÈ
¡ñ¡¡ICÄ£¿é¡¢µç×Ó³ßÄÚǶ¡¢·ÀË®ºÐºÍDIN35µ¼¹ì°²×°·½Ê½
¡ñ¡¡¹¤Òµ¼¶Î¶ȷ¶Î§£º- 40 ~ + 85 ¡æ 

µäÐÍÓ¦Óãº
¡ñ¡¡µç×ӳߡ¢½Ç¶È´«¸ÐÆ÷ÐźŸôÀë¡¢²É¼¯¼°±ä»»
¡ñ¡¡Î»ÒÆ¡¢µçλÆ÷ÐźŲɼ¯¸ôÀëÓë¿ØÖÆ
¡ñ¡¡¹¤ÒµÏÖ³¡µØÏ߸ÉÈÅÒÖÖÆ
¡ñ¡¡µç×èÐźÅת»»³É±ê׼ģÄâÐźÅ
¡ñ¡¡¾àÀë²âÁ¿Ó뱨¾¯
¡ñ¡¡Ä£ÄâÐźÅÔ¶³ÌÎÞÊ§Õæ´«Êä
¡ñ¡¡Êý¿Ø»ú´²¡¢¹ìµÀ½»Í¨Éè±¸Î»ÒÆ¿ØÖƸôÀ밲ȫդ

¸ÅÊö£º
¡¡¡¡SunYuan¡¡ISO V-4-20mA ºÍISO R-P-OϵÁиôÀë±äËÍÆ÷ÊÇÒ»ÖÖ½«Î»ÒƵç×èÐźŰ´±ä»¯´óС¸ôÀëת»»³ÉÓë×èÖµ³ÉÏßÐÔ±ê×¼ÐźŵĻìºÏ¼¯³Éµç·¡£¸Ãµç·ÔÚͬһоƬÉϼ¯³ÉÁËÒ»×é¶à·¸ß¸ôÀëµÄDC/DCµçÔ´£¬¼¸¸ö¸ßÐÔÄܵÄÐźŸôÀëÆ÷ºÍµç×èÏßÐÔ»¯¡¢³¤Ïß²¹³¥¡¢¸ÉÈÅÒÖÖÆµç·£¬ÌرðÊÊÓÃÓÚ½«µç×èÐźŸôÀëת»»³É±ê×¼Ðźţ¬Î»ÒÆÐźŵıäËÍÓëÎÞÊ§ÕæÔ¶´«£¬¹¤ÒµÏÖ³¡µç×ӳߡ¢½Ç¶È´«¸ÐÆ÷ÐźŸôÀë¡¢²É¼¯¼°±ä»»¡£
оƬÄÚ²¿¼¯³ÉÁ˸ßЧÂʵÄDC-DC£¬ÄܲúÉúÁ½×黥Ïà¸ôÀëµÄµçÔ´·Ö±ð¸øÄÚ²¿ÊäÈë¶Ë·Å´óµç·¡¢µ÷ÖÆµç·¹©µçºÍÊä³ö¶Ë½âµ÷µç·¡¢×ª»»µç·¡¢Â˲¨µç·¹©µç¡£SMD¹¤Òսṹ¼°Ð¼¼Êõ¸ôÀë´ëʩʹ¸ÃÆ÷¼þÄÜ´ïµ½£º¹¤×÷µçÔ´¡¢ÐźÅÊäÈëºÍÊä³öÖ®¼äµÄ2500VACÈý¸ôÀ룬²¢ÇÒÄÜÂú×㹤ҵ¼¶¿íζȡ¢³±Êª¡¢Õ𶯵ÄÏÖ³¡¶ñÁÓ¹¤×÷»·¾³ÒªÇ󡣡¡ 
¡¡¡¡ISO V-4-20mA ºÍISO R-P-OϵÁÐÎ»ÒÆÐźŸôÀë·Å´óÆ÷ʹÓ÷dz£·½±ã£¬Ö»ÐèºÜÉÙÍⲿԪ¼þ£¬¼´¿ÉʵÏÖÎ»ÒÆµç×èÐźŵĸôÀë±äËÍ¡£²¢¿ÉÒÔʵÏÖ¹¤ÒµÏÖ³¡Î»ÒÆ¿ØÖÆÐźÅÒ»½øÁ½³ö¡¢Ò»½øËijöµÄ¹¦ÄÜ¡£
SYϵÁеÄÊäÈë¡¢Êä³ö·Ç¸ôÀëÐͲúÆ·£¬¾ßÓкܸߵľ«¶ÈºÍÏßÐÔ¶È£¨ÓÅÓÚ0.05F.S£©£¬³£ÓÃÔÚÄÚÖÃʽµç×ӳߡ¢½ÇÎ»ÒÆÐźűäËÍÆ÷µÈ¾«ÃܲâÁ¿ÒÇÆ÷ÒDZíÖС£²úÆ·Ìå»ýС¡¢°²×°·½±ã£¬¿É°²ÖÃÔÚ´«¸ÐÆ÷ÄÚ²¿Ö±½Ó½«Î»ÒÆ¡¢½Ç¶ÈÐźÅת»»³É±ê×¼µÄ4-20mAÐźţ¬Âú¶ÈºÍÁãµã¶¼¿ÉÓÉÓû§Í¨¹ýÍâ½ÓµçλÆ÷µ÷½Ú¡¢Ð£×¼¡£

²úÆ·Ó¦Ó÷½°¸¾ÙÀý£º
¡¡¡¡SunyuanÎ»ÒÆ´«¸ÐÆ÷רÓñäËÍÆ÷²ÉÓÃÊäÈëÂ˲¨¡¢ÊäÈë±£»¤µç·£¬¸ß¾«¶ÈÎÈѹ»ù×¼ICµçÔ´µç·£¬·Å´óת»»µç·£¬ÁãλÂú¶Èµ÷½Úµç·µÈ±ä»»µç·£¬Íâ½ÓµçÔ´¿ÉÑ¡Óý»Á÷»òÖ±Á÷µçÔ´¹©µç¡£

Ò»¡¢Á½ÏßÖÆµçѹÐźŸôÀëÅäµçÄ£¿é£¨IC·â×°£© 
¡¡¡¡SIP12 Pin·â×°µÄ¶þÏßÖÆµçѹÐźŸôÀëÅäµçÆ÷£ºISO V-4-20mA£¬ÊǶþÏßÖÆµçѹÐźŸôÀëÅäµçÄ£¿é£¬¿ÉʵÏÖÁ½ÏßÖÆµçѹÊäÈëÅäµçÐÍ´«¸ÐÆ÷ºÍµçÇÅ£¨³ÆÖØ£©¼ì²âµç·µÄµçѹÐźÅÅäËÍ¡£

²úÆ·Éè¼ÆÎªµÍ³É±¾¡¢Ð¡Ìå»ýµÄ±ê×¼SIP12 Pin×èȼIC·â×°£¬ÄÚ²¿°üº¬µçÁ÷Ðźŵ÷ÖÆµç·£¬µç´Å¸ôÀë±ä»»µç·¼°ÐźŻ¹Ô­½âµ÷µç·¡£¹©µçµçѹ·¶Î§12-32VDC£¬ÊäÈëµÈЧµç×èС¡¢ÏßÐԶȸߣ¬ÐźÅÊäÈëÓëÊä³öÖ®¼ä¿É´ïµ½2500VAC¸ôÀëÄÍѹ¡£²úƷʹÓÃÊ®·Ö·½±ã£¬¿Í»§Ö»ÐèÔÚ²úƷǰ¶Ë¼ÓÉÏÉÙÁ¿ÍâΧÆ÷¼þ£¬¼´¿ÉʵÏÖÁ½ÏßÖÆµçѹÊäÈëÅäµçÐÍ´«¸ÐÆ÷ºÍµçÇÅ£¨³ÆÖØ£©¼ì²âµç·µÄµçѹÐźŸôÀëÊä³ö¹¦ÄÜ£¬Óû§Éè¼ÆÊ±¿É²Î¿¼µäÐÍÓ¦Óõç·ͼ¡£

1¡¢ISO V-4-20mA²úÆ·²úÆ·µäÐÍÓ¦ÓÃͼ
¶þÏßÖÆµçѹÐźŴ«¸ÐÆ÷¸ôÀëÅäµçµäÐÍÓ¦ÓÃ


µçÇÅ£¨³ÆÖØ£©¼ì²âµç·µçѹÐźŸôÀëÅäË͵äÐÍÓ¦ÓÃ


¶þ¡¢¸ôÀëÐ͵ç×èÐźŸôÀë±äËÍÆ÷ IC
¡¡¡¡¡¡IC·â×°µÄµç×èÐźŸôÀë·Å´óÆ÷ISO R-P-O-AϵÁвúÆ·¿ÉʵÏÖµç×èÐźŵĸôÀë¡¢·Å´óºÍ±ä»»¡£¹¤×÷µçÔ´¡¢ÐźÅÊäÈëºÍÊä³öÖ®¼äµÄ3000VDCÈý¸ôÀë¡£

µç×èÐźŸôÀë·Å´óÆ÷ISO R-P-O-A²úÆ·µäÐÍÓ¦ÓÃͼ


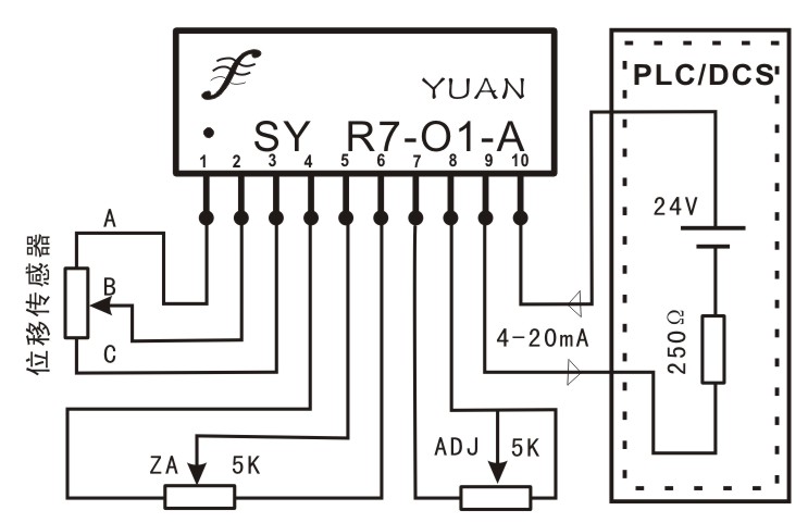
Èý¡¢·Ç¸ôÀëÐÍSY¡¡R-P-O£¨Sip10 Pin£© µç×èÐźÅת»»·Å´óÆ÷ IC
¡¡¡¡¡¡ Î»ÒÆÐźÅת»»·Å´óÆ÷SY¡¡R-P-OϵÁвúÆ·£¬¿É½«Ö±Ïß»ò½ÇÎ»ÒÆ´«¸ÐÆ÷Êä³öÐźŽøÐи߾«¶È·Å´ó²¢×ª»»³É±ê×¼µÄÁ½ÏßÖÆ4-20mAÄ£ÄâÐźţ¬Âú¶ÈºÍÁãµã¶¼¿ÉÓÉÓû§Í¨¹ýÍâ½ÓµçλÆ÷µ÷½Ú¡¢Ð£×¼¡£
1¡¢µç×èÐźŷǸôÀë·Å´óÆ÷SY¡¡R-P-O²úÆ·µäÐÍÓ¦ÓÃͼ


Ïêϸ¼¼Êõ×ÊÁÏ£º
http://www.sun-yuan.com/download/20121121924799405.pdf
 


¹«Ë¾¼ò½é
²úƷĿ¼
¹©Ó¦ÐÅÏ¢

¹«Ë¾Ãû³Æ£º ÉîÛÚÊÐ˳Դ¿Æ¼¼ÓÐÏÞ¹«Ë¾
µç »°£º 0755 83100110-808 / ÓÚÒ»Ãù
ÊÖ»ú£º 18038180680
µØ Ö·£º ÉîÛÚÊи£ÌïÇøÃ·Ðã·É¿Æ¼¼Ô°1¶°2Â¥¶«
ÓÊ ±à£º 518049
Ö÷ Ò³£º http://www.sun-yuan.com

¸Ã³§ÉÌÏà¹Ø²úÆ·£º
  • ǶÈëʽ¿É±à³Ì¿ØÖÆ4-20mA»ØÂ·ÊýÏÔ±í
  •  
  • ÎÞÔ´ÐͿɱà³Ì¿ØÖÆ4-20mA»ØÂ·ÊýÏÔ±í
  •  
  • Á½ÏßÎÞÔ´ÖÇÄÜ»ØÂ·µçÁ÷£¨LED£©ÊýÏÔ±í
  •  
  • Èȵç×èÐźÅÏÔʾ¿ØÖƸôÀë±äËÍÆ÷
  •  
  • µçλÆ÷¡¢µçÇŵȵçѹ´«¸ÐÆ÷ÐźÅ
  •  
  • ¶þÏßÖÆ½»Á÷ÐźÅÏÔʾ¿ØÖÆÖÇÄܱí
  •  
  • DIN 1X1 ISO 4-20mA-O£¨LED1£©
  •  
  • »ØÂ·À¡µç4-20mAÏÔʾ¿ØÖƱäËÍÆ÷
  •  
  • 4-20mAÓÐÔ´Ðźŵ÷¿ØPLC/DCS
  •  
  • Á½ÏßÖÆÎÞÔ´ÐÍ4-20mAÖÇÄܸôÀëÆ÷
  •  
    ¸ü¶à²úÆ·...
      ¹ØÓÚÎÒÃÇ | ÁªÏµÎÒÃÇ | ¹ã¸æ·þÎñ | ±¾Õ¾¶¯Ì¬ | ÓÑÇéÁ´½Ó | ·¨ÂÉÉùÃ÷ | ·Ç·¨ºÍ²»Á¼ÐÅÏ¢¾Ù±¨  
    ¹¤¿ØÍø¿Í·þÈÈÏߣº
    °æÈ¨ËùÓÐ ¹¤¿ØÍø Copyright@ Gkong.com, All Rights Reserved