|
|
|
²úÆ·Ãû³Æ£º
|
Î»ÒÆµç×èÐźűäËÍÆ÷IC
|
|
ÐÍ ºÅ£º
|
ISO R-P-O-A
|
|
¼Û ¸ñ£º
|
|
|
Æ· ÅÆ£º
|
|
|
|
|
| Ãû ³Æ£º |
Î»ÒÆµç×èÐźűäËÍÆ÷IC (˳ԴµÚ¶þ´ú²úÆ·£© |
 |
| ϵ ÁУº |
¸ôÀë·Å´óÆ÷£ºISOϵÁÐ |
| Àà ±ð£º |
¸ôÀë·Å´óÆ÷ |
| ·¢²¼Ê±¼ä£º |
11/6/2012 7:07:21 PM |
| Ïà¹ØÁ´½Ó£º |
¡üÉÏÒ»¸ö²úÆ· ¡ýÏÂÒ»¸ö²úÆ· |
| ²úÆ·ÏêÇ飺 |
²úÆ·ÌØµã£º ¡ñ¡¡µç×è¡¢µç×ӳ߻òÎ»ÒÆ´«¸ÐÆ÷ÐźÅÖ±½ÓÊäÈë ¡ñ¡¡¾«¶ÈÎó²îµÈ¼¶£º·Ç¸ôÀëÐÍ0.1¼¶£»¸ôÀëÐÍ0.2¼¶ ¡ñ¡¡ÄÚÖÃÏßÐÔ»¯´¦ÀíºÍ³¤Ïß²¹³¥µç·£¨·ÇÏßÐÔ¶È<0.05%£© ¡ñ¡¡¸¨ÖúµçÔ´ÓëÐźÅÊäÈë¡¢Êä³ö3KVDCÈý¸ôÀ루ȫ¸ôÀëÐÍ£© ¡ñ¡¡¸¨ÖúµçÔ´£º5V¡¢12V¡¢15V»ò24VÖ±Á÷µ¥µçÔ´¹©µç ¡ñ¡¡ÊäÈëµçλÆ÷Ðźţº0-50¦¸/0-500¦¸/0-2K¦¸/0-10K¦¸µÈ ¡¡¡¡Êä³ö±ê×¼µçѹÐźţº0-2.5V/0-5V/0-10V/1-5V/µÈ ¡¡¡¡Êä³ö±ê×¼µçÁ÷Ðźţº0-10mA/0-20mA/4-20mAµÈ ¡ñ¡¡ICÄ£¿é¡¢µç×Ó³ßÄÚǶ¡¢·ÀË®ºÐºÍDIN35µ¼¹ì°²×°·½Ê½ ¡ñ¡¡¹¤Òµ¼¶Î¶ȷ¶Î§£º- 40 ~ + 85 ¡æ
µäÐÍÓ¦Ó㺠¡ñ¡¡µç×ӳߡ¢½Ç¶È´«¸ÐÆ÷ÐźŸôÀë¡¢²É¼¯¼°±ä»» ¡ñ¡¡Î»ÒÆ¡¢µçλÆ÷ÐźŲɼ¯¸ôÀëÓë¿ØÖÆ ¡ñ¡¡¹¤ÒµÏÖ³¡µØÏ߸ÉÈÅÒÖÖÆ ¡ñ¡¡µç×èÐźÅת»»³É±ê׼ģÄâÐźŠ¡ñ¡¡¾àÀë²âÁ¿Ó뱨¾¯ ¡ñ¡¡Ä£ÄâÐźÅÔ¶³ÌÎÞÊ§Õæ´«Êä ¡ñ¡¡Êý¿Ø»ú´²¡¢¹ìµÀ½»Í¨Éè±¸Î»ÒÆ¿ØÖƸôÀ밲ȫդ
¸ÅÊö£º ¡¡¡¡SunYuan¡¡ISO V-4-20mA ºÍISO R-P-OϵÁиôÀë±äËÍÆ÷ÊÇÒ»ÖÖ½«Î»ÒƵç×èÐźŰ´±ä»¯´óС¸ôÀëת»»³ÉÓë×èÖµ³ÉÏßÐÔ±ê×¼ÐźŵĻìºÏ¼¯³Éµç·¡£¸Ãµç·ÔÚͬһоƬÉϼ¯³ÉÁËÒ»×é¶à·¸ß¸ôÀëµÄDC/DCµçÔ´£¬¼¸¸ö¸ßÐÔÄܵÄÐźŸôÀëÆ÷ºÍµç×èÏßÐÔ»¯¡¢³¤Ïß²¹³¥¡¢¸ÉÈÅÒÖÖÆµç·£¬ÌرðÊÊÓÃÓÚ½«µç×èÐźŸôÀëת»»³É±ê×¼Ðźţ¬Î»ÒÆÐźŵıäËÍÓëÎÞÊ§ÕæÔ¶´«£¬¹¤ÒµÏÖ³¡µç×ӳߡ¢½Ç¶È´«¸ÐÆ÷ÐźŸôÀë¡¢²É¼¯¼°±ä»»¡£ оƬÄÚ²¿¼¯³ÉÁ˸ßЧÂʵÄDC-DC£¬ÄܲúÉúÁ½×黥Ïà¸ôÀëµÄµçÔ´·Ö±ð¸øÄÚ²¿ÊäÈë¶Ë·Å´óµç·¡¢µ÷ÖÆµç·¹©µçºÍÊä³ö¶Ë½âµ÷µç·¡¢×ª»»µç·¡¢Â˲¨µç·¹©µç¡£SMD¹¤Òսṹ¼°Ð¼¼Êõ¸ôÀë´ëʩʹ¸ÃÆ÷¼þÄÜ´ïµ½£º¹¤×÷µçÔ´¡¢ÐźÅÊäÈëºÍÊä³öÖ®¼äµÄ2500VACÈý¸ôÀ룬²¢ÇÒÄÜÂú×㹤ҵ¼¶¿íζȡ¢³±Êª¡¢Õ𶯵ÄÏÖ³¡¶ñÁÓ¹¤×÷»·¾³ÒªÇ󡣡¡ ¡¡¡¡ISO V-4-20mA ºÍISO R-P-OϵÁÐÎ»ÒÆÐźŸôÀë·Å´óÆ÷ʹÓ÷dz£·½±ã£¬Ö»ÐèºÜÉÙÍⲿԪ¼þ£¬¼´¿ÉʵÏÖÎ»ÒÆµç×èÐźŵĸôÀë±äËÍ¡£²¢¿ÉÒÔʵÏÖ¹¤ÒµÏÖ³¡Î»ÒÆ¿ØÖÆÐźÅÒ»½øÁ½³ö¡¢Ò»½øËijöµÄ¹¦ÄÜ¡£ SYϵÁеÄÊäÈë¡¢Êä³ö·Ç¸ôÀëÐͲúÆ·£¬¾ßÓкܸߵľ«¶ÈºÍÏßÐÔ¶È£¨ÓÅÓÚ0.05F.S£©£¬³£ÓÃÔÚÄÚÖÃʽµç×ӳߡ¢½ÇÎ»ÒÆÐźűäËÍÆ÷µÈ¾«ÃܲâÁ¿ÒÇÆ÷ÒDZíÖС£²úÆ·Ìå»ýС¡¢°²×°·½±ã£¬¿É°²ÖÃÔÚ´«¸ÐÆ÷ÄÚ²¿Ö±½Ó½«Î»ÒÆ¡¢½Ç¶ÈÐźÅת»»³É±ê×¼µÄ4-20mAÐźţ¬Âú¶ÈºÍÁãµã¶¼¿ÉÓÉÓû§Í¨¹ýÍâ½ÓµçλÆ÷µ÷½Ú¡¢Ð£×¼¡£
²úÆ·Ó¦Ó÷½°¸¾ÙÀý£º ¡¡¡¡SunyuanÎ»ÒÆ´«¸ÐÆ÷רÓñäËÍÆ÷²ÉÓÃÊäÈëÂ˲¨¡¢ÊäÈë±£»¤µç·£¬¸ß¾«¶ÈÎÈѹ»ù×¼ICµçÔ´µç·£¬·Å´óת»»µç·£¬ÁãλÂú¶Èµ÷½Úµç·µÈ±ä»»µç·£¬Íâ½ÓµçÔ´¿ÉÑ¡Óý»Á÷»òÖ±Á÷µçÔ´¹©µç¡£
Ò»¡¢Á½ÏßÖÆµçѹÐźŸôÀëÅäµçÄ£¿é£¨IC·â×°£© ¡¡¡¡SIP12 Pin·â×°µÄ¶þÏßÖÆµçѹÐźŸôÀëÅäµçÆ÷£ºISO V-4-20mA£¬ÊǶþÏßÖÆµçѹÐźŸôÀëÅäµçÄ£¿é£¬¿ÉʵÏÖÁ½ÏßÖÆµçѹÊäÈëÅäµçÐÍ´«¸ÐÆ÷ºÍµçÇÅ£¨³ÆÖØ£©¼ì²âµç·µÄµçѹÐźÅÅäËÍ¡£ ²úÆ·Éè¼ÆÎªµÍ³É±¾¡¢Ð¡Ìå»ýµÄ±ê×¼SIP12 Pin×èȼIC·â×°£¬ÄÚ²¿°üº¬µçÁ÷Ðźŵ÷ÖÆµç·£¬µç´Å¸ôÀë±ä»»µç·¼°ÐźŻ¹Ô½âµ÷µç·¡£¹©µçµçѹ·¶Î§12-32VDC£¬ÊäÈëµÈЧµç×èС¡¢ÏßÐԶȸߣ¬ÐźÅÊäÈëÓëÊä³öÖ®¼ä¿É´ïµ½2500VAC¸ôÀëÄÍѹ¡£²úƷʹÓÃÊ®·Ö·½±ã£¬¿Í»§Ö»ÐèÔÚ²úƷǰ¶Ë¼ÓÉÏÉÙÁ¿ÍâΧÆ÷¼þ£¬¼´¿ÉʵÏÖÁ½ÏßÖÆµçѹÊäÈëÅäµçÐÍ´«¸ÐÆ÷ºÍµçÇÅ£¨³ÆÖØ£©¼ì²âµç·µÄµçѹÐźŸôÀëÊä³ö¹¦ÄÜ£¬Óû§Éè¼ÆÊ±¿É²Î¿¼µäÐÍÓ¦Óõç·ͼ¡£
1¡¢ISO V-4-20mA²úÆ·²úÆ·µäÐÍÓ¦ÓÃͼ ¶þÏßÖÆµçѹÐźŴ«¸ÐÆ÷¸ôÀëÅäµçµäÐÍÓ¦ÓÃ
µçÇÅ£¨³ÆÖØ£©¼ì²âµç·µçѹÐźŸôÀëÅäË͵äÐÍÓ¦ÓÃ
¶þ¡¢¸ôÀëÐ͵ç×èÐźŸôÀë±äËÍÆ÷ IC ¡¡¡¡¡¡IC·â×°µÄµç×èÐźŸôÀë·Å´óÆ÷ISO R-P-O-AϵÁвúÆ·¿ÉʵÏÖµç×èÐźŵĸôÀë¡¢·Å´óºÍ±ä»»¡£¹¤×÷µçÔ´¡¢ÐźÅÊäÈëºÍÊä³öÖ®¼äµÄ3000VDCÈý¸ôÀë¡£
µç×èÐźŸôÀë·Å´óÆ÷ISO R-P-O-A²úÆ·µäÐÍÓ¦ÓÃͼ
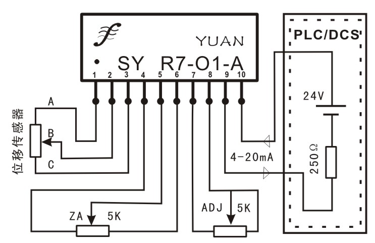
Èý¡¢·Ç¸ôÀëÐÍSY¡¡R-P-O£¨Sip10 Pin£© µç×èÐźÅת»»·Å´óÆ÷ IC ¡¡¡¡¡¡ Î»ÒÆÐźÅת»»·Å´óÆ÷SY¡¡R-P-OϵÁвúÆ·£¬¿É½«Ö±Ïß»ò½ÇÎ»ÒÆ´«¸ÐÆ÷Êä³öÐźŽøÐи߾«¶È·Å´ó²¢×ª»»³É±ê×¼µÄÁ½ÏßÖÆ4-20mAÄ£ÄâÐźţ¬Âú¶ÈºÍÁãµã¶¼¿ÉÓÉÓû§Í¨¹ýÍâ½ÓµçλÆ÷µ÷½Ú¡¢Ð£×¼¡£ 1¡¢µç×èÐźŷǸôÀë·Å´óÆ÷SY¡¡R-P-O²úÆ·µäÐÍÓ¦ÓÃͼ
Ïêϸ¼¼Êõ×ÊÁÏ£º http://www.sun-yuan.com/download/20121121924799405.pdf
|
|
|
|