1 ¡¡¸ÅÊö
¡¡¡¡ASDϵÁпª¹Ø¹ñ×ÛºÏ²â¿Ø×°ÖÃÓÃÓÚ3¡«35kV»§ÄÚ¿ª¹Ø¹ñ£¬ÊÊÓÃÓÚÖÐÖùñ¡¢ÊÖ³µ¹ñ¡¢¹Ì¶¨¹ñ¡¢»·Íø¹ñµÈ¶àÖÖ¿ª¹Ø¹ñ¡£¾ßÓÐÒ»´Î»ØÂ·Ä£Äâͼ¼°¿ª¹Ø×´Ì¬Ö¸Ê¾£¬¸ßѹ´øµçÏÔʾ£¬×Ô¶¯ÎÂʪ¶È¿ØÖÆ£¬ÈËÌå¸ÐÓ¦×Ô¶¯ÕÕÃ÷£¬ÓïÒôÌáʾ£¬µç²ÎÊý²âÁ¿¼°RS485ͨѶ½Ó¿ÚµÈÖڶ๦ÄÜ£¬¼¯²Ù×÷¡¢ÏÔʾÓÚÒ»Ìå¡£
2 ¡¡ÐͺÅ˵Ã÷
¡¡¡¡
3 ¡¡¼¼Êõ²ÎÊý
| Ïî Ä¿ |
Ö¸ ±ê |
| ASD300 |
ASD200 |
ASD100 |
| ¶î¶¨ÊäÈë |
½ÓÏß·½Ê½ |
3P3L»ò3P4L |
—— |
—— |
| µçѹ |
100V |
—— |
—— |
| µçÁ÷ |
5A |
—— |
—— |
| ƵÂÊ |
50Hz |
—— |
—— |
| ׼ȷ¶È |
µçÁ÷¡¢µçѹ |
0.5¼¶ |
—— |
—— |
| Óй¦¹¦ÂÊ¡¢ÎÞ¹¦¹¦ÂÊ |
0.5¼¶ |
—— |
—— |
| µçÄÜ |
0.5¼¶ |
—— |
—— |
| ζȣ¨@25ÉãÊ϶ȣ© |
±1¡æ |
±1¡æ |
±2¡æ |
| Ïà¶Ôʪ¶È |
±5£¥ |
±5£¥ |
±5£¥ |
| ¹¦ºÄ |
¸¨ÖúµçÔ´ |
≤8VA |
≤6VA |
≤5VA |
| µçѹÊäÈë |
≤0.5VA |
—— |
—— |
| µçÁ÷ÊäÈë |
≤1VA |
—— |
—— |
| ͨѶ |
ÐÒé |
MODBUS-RTU |
¡¡ |
¡¡ |
| ²¨ÌØÂÊ(bps) |
2400¡¢4800¡¢ |
2400¡¢4800¡¢ |
2400¡¢4800¡¢ |
| 9600¡¢19200 |
9600¡¢19200 |
9600¡¢19200 |
| ƽ¾ùÎÞ¹ÊÕϹ¤×÷ʱ¼ä(h) |
≥50000 |
≥50000 |
≥50000 |
4 ¡¡¹¦ÄÜÅäÖÃ

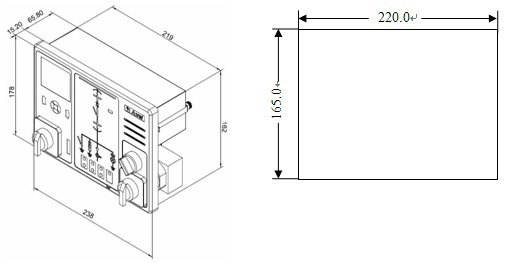
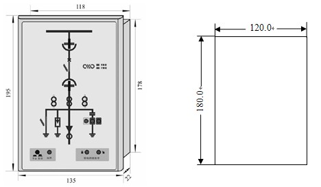
5 ¡¡ÍâÐμ°³ß´ç£¨mm£©
5.1 ASD200¡¢ASD300

5.2 ASD100

5.3 ÎÂʪ¶È´«¸ÐÆ÷£¨ÅäÌ׸½¼þ£©

6 ¡¡½ÓÏß¶Ë×Ó
6.1 ASD300

6.2 ASD200

6.3 ASD100
