首頁
新聞
工控搜
論壇
廠商論壇
產品
方案
廠商
人才
文摘
下載
展覽
P L C
|
變頻器與傳動
|
傳感器
|
現場檢測儀表
|
工控軟件
|
人機界麵
|
運動控製
D C S
|
工業以太網
|
現場總線
|
顯示調節儀表
|
數據采集
|
數傳測控
|
工業安全
電 源
|
嵌入式係統
|
PC based
|
機櫃箱體殼體
|
低壓電器
|
機器視覺
工控搜索 快.專.準
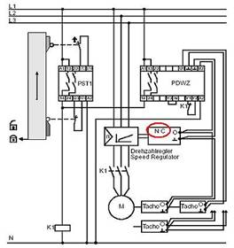
在PDWZ的速度監控器的操作指南“NC”代表?
皮爾磁中國
Q:在PDWZ的速度監控器的操作指南的連接圖上有一個標有“NC”的方塊圖,請問這個“NC”是什麼意思?
A:它代表的意思是數字控製器(NC)。
狀 態: 離線
公司簡介
產品目錄
公司名稱:
皮爾磁中國
聯 係 人:
銷售谘詢
電 話:
021-60880878
傳 真:
地 址:
上海市浦東新區龍陽路2277號永達國際大廈1702-1704室
郵 編:
201204
主 頁:
www.pilz.com.cn
該廠商相關技術文摘:
安全利用風能-----機械指令也適用於風機
Pilz正拓展其自動化係統PSS4000的編程工具: 全新(梯形圖)編輯器 PAS LD可供選擇
全新光柵設備PSENopt――無死角監控
通過RTFL實現快速實時通信
Pilz 2014全新操作模式選擇開關PITmode:安全的操作模式選擇
皮爾磁: 機械設計中關於人體工程學的考慮
安全地執行--機器連接時符合所有的標準
PSS 4000安全速度監控以及安全位置監控
皮爾磁安全繼電器的網絡化應用
皮爾磁推出PSS 4000安全模擬量輸入模塊
緊湊型模塊化安全繼電器PNOZmulti Mini取得巨大成功
用於折彎機的安全保護和測量係統PSENvip
更多文摘...
立即發送詢問信息在線聯係該技術文摘廠商:
用戶名:
密碼:
免費注冊為中華工控網會員
請留下您的有效聯係方式,以方便我們及時與您聯絡
關於我們
|
聯係我們
|
廣告服務
|
本站動態
|
友情鏈接
|
法律聲明
|
不良信息舉報
工控網客服熱線:
版權所有 中華工控網 Copyright©2022 Gkong.com, All Rights Reserved
經營許可證編號:粵B2-20130035
粵公網安備 :44030502000203號