首頁 新聞 工控搜 論壇 廠商論壇 產品 方案 廠商 人才 文摘 下載 展覽
中華工控網首頁
  P L C | 變頻器與傳動 | 傳感器 | 現場檢測儀表 | 工控軟件 | 人機界麵 | 運動控製
  D C S | 工業以太網 | 現場總線 | 顯示調節儀表 | 數據采集 | 數傳測控 | 工業安全
  電 源 | 嵌入式係統 | PC based | 機櫃箱體殼體 | 低壓電器 | 機器視覺
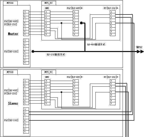
MT500係列觸摸屏與PLC的一機多屏連接方式
威綸通科技有限公司
收藏本文     查看收藏

    觸摸屏對每一台它所支持的PLC都可以支持【主機-副機】通信方式。所有的觸摸屏一台連著一台,而第一台和PLC連接。和PLC直接相連接的第一台觸摸屏必須【多台人機互連】設置為【主機】,所有其它的不跟PLC直接相連的應【多台人機互連】設置為【副機】,它們可以通過第一台觸摸屏來獲得PLC數據。理論上對連接的觸摸屏的數目是沒有限製的,但是連接的觸摸屏超過3台時,係統響應的速度可能會較慢。 
    在多台觸摸屏互連時,下載到主機和副機的工程程序其內容都是一樣的,都是在EB500組態軟件中設計好的,但是在下載時,下載到主機(即和PLC連接的第一台觸摸屏)的程序必須把【係統參數】中的【多台人機互連】設為【主機】,下載到其它觸摸屏的程序則應在此設為【副機】。 

注意:所有的相連的觸摸屏必須設置為相同的速率,當觸摸屏被設置為【副機】時,觸摸屏將會忽略它和PLC 之間的通信參數(串口,波特率, ...),而始終使用PLC【RS-232】口來接收從第一台觸摸屏傳來的數據.如下所示:   

    關於多台人機互連的通信參數的設置請參看【係統參數】的【PLC設置】部分內容。  
    主機和PLC之間的連接方式和一般情況下的連接方式是一樣的,因此可以參照附錄I的連接方式來連接主機和PLC。而從機的連接方式有2種情況。  

    多台觸摸屏互連的方式有兩種,一種是PLC為RS-232方式,另一種為RS-485方式。其原理圖都是一樣的,如下圖所示:   



   
1、連接PLC的通信口為RS-232(例如OMRON的PLC).示意圖如下:  
5  
                       接各種類型PLC

觸摸屏之間互聯的連線方式:  

副機

PLC[RS-232]9針母座

主機

PC[RS-232] 9針公座

2  TD

 8  RD

3  RD

 7  TD

5  GND

 5  GND



   
2、連接PLC的通信口為RS-422、485(例如三菱PLC),示意圖如下  

             接各種類型PLC
觸摸屏之間互聯的連線方式:  
連線方式1:  

副機

PLC[RS-232]9針母座

主機

PC[RS-232] 9針公座

2  TD

 8  RD

3  RD

 7  TD

5  GND

 5  GND

連線方式2:  

副機

PLC[RS-232]9針母座

主機

MT5_PC電纜線PC 9針母座

2  TD

 3  RD

3  RD

 2  TD

5  GND

 5  GND


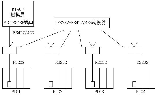
EasyView MT500係列觸摸屏與PLC的“一屏多機”連接方式  

    EasyView MT500係列觸摸屏支持“擴展”的地址操作模式,可以直接支持與PLC的“一屏多機”的連接方式,即一台觸摸屏人機界麵可以直接操作與之通過RS422/485相連的多台PLC的寄存器地址,必需注意的是這多台的PLC必須屬於相同的廠牌,或者支持相同的通訊協議和寄存器地址類型。有關”擴展”的地址操作模式請參考說明書的第7章“係統參數”裏的論述,本章主要介紹如何進行“一屏多機”係統的硬件連接。  
    首先需要說明的是:並不是所有的能夠與MT500觸摸屏進行單機通訊的PLC都可以支持“一屏多機”係統的連接,因為在一些PLC控製器的通訊協議中不包含PLC站號的信息,或者雖然有站號信息但不支持組成多台互聯的網絡係統。目前,支持與MT500觸摸屏構成“一屏多機”的PLC類型有如下幾種:  

  

 

OMRON

CPM / CQM / C200H係列

歐姆龍 HostLink通訊協議

 

Modicon

Compact(A/E984) / Momentum / Quantum係列

施奈德 Modbus RTU通訊協議

 

Mitsubishi

FX係列

三菱 ComputerLink通訊協議

FX係列的通訊BD模塊支持ComputerLink通訊協議

Idec

Micro3 / OpenNet係列

和泉 DataLink通訊協議

 

Facon

FB係列

永宏 Fatek專用通訊協議

 

LG

Master-K / GLOFA係列

LG Cnet通訊協議

Master-K係列的K10S/30S/ 60S不支持Cnet通訊協議

Delta

DVP係列

台達 DVP編程專用協議

 



    由於RS232無法支持多點(multi-drop)的連接方式,所以當“一屏多機”係統中的PLC沒有RS422/485端口時,必須配置通訊適配器將RS232轉換成為RS422/485信號才能連接。具體的係統硬件連接隨著采用的PLC的不同而不同,下麵是兩個通用的圖例:  
1.    PLC為RS232通訊端口:   
   
2.    PLC為RS422/485端口   
   
    各個廠商的通訊協議支持的站點數量不同,請不要超過他們限製的範圍,另外各個PLC生產廠家都會提供RS232-RS422/485的轉換器,或者將專用接口轉換為RS422/485的通訊適配器,您可以根據廠家的建議來組成以上的“一屏多機”係統,也可以采用自己選擇的轉換器和適配器來連接,但需要注意參考硬件的使用手冊,以避免接線的錯誤造成無法通訊。  

下麵是以OMRON 係列PLC為例的兩種具體接線圖:  
1.    利用HostLink協議通過PLC或模塊的RS232端口經RS232-RS422/485轉換器連接   


    說明:OMRON的HostLink協議允許最大連接32個站點,NT-AL001-E Link適配器是OMRON提供的一種RS232-RS422通訊轉換器,它需要5Vdezhiliudianyuancainenggongzuo,dianyuankeyilaiziwaibugongying,yekeyilaizimouxietigongdianyuanzhenjiaodetongxunmokuai,qingzhuyishiyongshideyouguanbomakaiguandesheding,tuijiandeshedingruxia:  
DIP Switch Setting:  
Pin 1: ON  
Pin2: ON  
Pin3: OFF  
Pin4: OFF  
Pin5: OFF  
Pin6: ON  
具體撥碼開關的含義請參考OMRON的使用說明書。  
    經過轉換後的RS422就可以實現多台的並接了,為了方便客戶的連接,OMRON也提供了一個內部並接的分配器3G2A9-AL001-E Link Adapter,請參考OMRON的型錄選購。  
    在觸摸屏的軟件設定中,隻需要改變通訊口類型為RS485,並設定使用擴展地址方式,就可以利用一台觸摸屏操作不同站號的PLC中的地址,具體設定如下:  
EasyBuilder500軟件設置:  

參數項

推薦設置

可選設置

注意事項

PLC類型

OMRON

OMRON / OMRON(485 2W)

 

通信口類型

RS485

RS232/RS485

 

數據位

7

7 or 8

必須與PLC通信口設定相同

停止位

2

1 or 2

必須與PLC通信口設定相同

波特率

9600

9600/19200/38400/

57600/115200

必須與PLC通信口設定相同

校驗

偶檢驗

偶檢驗/奇校驗/

必須與PLC通信口設定相同

人機站號

0

0-255

對此協議不需要設定

PLC站號

0

0-255

多台連接時不需要設定

多台人機互連

關閉

關閉/主機/副機

僅用於多台人機互連

人機互連通信速度

115200

38400/115200

僅用於多台人機互連

PLC超時常數

3.0

1.5-5.0

請采用默認設定

PLC數據包

0

0-10

建議在0-10範圍內設置


2.    利用HostLink協議通過PLC或模塊的RS422/485端口連接   
   

說明:請注意有關通訊模塊的撥碼開關的設定,可以通過撥碼開關設定選擇四線式或者兩線式,如果選擇兩線式,則必須在軟件中需要設定PLC類型為OMRON (485 2W)。 


 

狀 態: 離線

公司簡介
產品目錄

公司名稱: 威綸通科技有限公司
聯 係 人: 市場部
電  話: 0512-62998932
傳  真:
地  址: 蘇州工業園區萬盛街28號郵政大樓7層
郵  編: 215000
主  頁:
 
該廠商相關技術文摘:
一不留神,cMT係列又多了一位新夥伴!
新"VNC Viewer"來了,給你個"偷懶"的理由!
【威課堂】教你輕鬆設置VNC Viewer玩轉遠程協助!
cMT智慧型人機+cMT人機界麵――智慧工廠應用最佳解決方案
cMT-G01智慧通訊網關,加速物聯網環境建設
運行EasyAccess2.0,這些幹貨你必須知道
簡單到沒朋友,四步暢享遠程監控!
妖妖零嗎?這裏有一群蔬菜成精了!
【威課堂】敢不敢跟我學一次網絡流媒體?
與EasyAccess2.0一起愉快的玩耍![使用篇]
與EasyAccess2.0的第一次親密接觸! [注冊篇]
【威課堂】能源管理---智能電表應用解析
更多文摘...
立即發送詢問信息在線聯係該技術文摘廠商:
用戶名: 密碼: 免費注冊為中華工控網會員
請留下您的有效聯係方式,以方便我們及時與您聯絡

關於我們 | 聯係我們 | 廣告服務 | 本站動態 | 友情鏈接 | 法律聲明 | 不良信息舉報
工控網客服熱線:
版權所有 中華工控網 Copyright©2022 Gkong.com, All Rights Reserved