http://www.kadhoai.com.cn 2026-04-08 23:02:27 來源:中華工控網
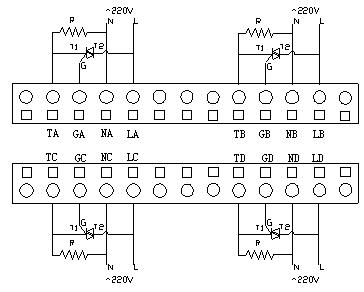
可控矽(SCR)是在工業自動化領域使用廣泛的電壓控製功率器件。控製可控矽的導通角使可控矽輸出電壓連續可調,因此大量應用於溫度控製、燈光調節、電(dian)機(ji)調(tiao)速(su)等(deng)領(ling)域(yu)。當(dang)用(yong)於(yu)溫(wen)度(du)控(kong)製(zhi)時(shi),通(tong)過(guo)可(ke)控(kong)矽(gui)輸(shu)出(chu)連(lian)續(xu)可(ke)變(bian)電(dian)壓(ya),改(gai)變(bian)加(jia)熱(re)器(qi)的(de)輸(shu)出(chu)功(gong)率(lv),從(cong)而(er)達(da)到(dao)控(kong)製(zhi)溫(wen)度(du)的(de)目(mu)的(de)。傳(chuan)統(tong)的(de)可(ke)控(kong)矽(gui)溫(wen)度(du)控(kong)製(zhi)方(fang)式(shi)一(yi)般(ban)是(shi)采(cai)用(yong)支(zhi)持(chi)可(ke)控(kong)矽(gui)輸(shu)出(chu)的(de)溫(wen)控(kong)儀(yi)表(biao),這(zhe)在(zai)機(ji)器(qi)自(zi)動(dong)化(hua)中(zhong)已(yi)廣(guang)泛(fan)使(shi)用(yong)。但(dan)這(zhe)種(zhong)方(fang)式(shi)不(bu)能(neng)將(jiang)溫(wen)度(du)控(kong)製(zhi)與(yu)邏(luo)輯(ji)控(kong)製(zhi)結(jie)合(he),溫(wen)度(du)的(de)顯(xian)示(shi)和(he)調(tiao)節(jie)也(ye)脫(tuo)離(li)PLC係統。凱迪恩公司受某廠家委托,專門開發了可控矽調壓模塊(FM351)。
該模塊是KDN-K3係列PLC的擴展功能模塊,可以同時觸發4路可控矽,連接在CPU的擴展總線上。CPU通過擴展總線向該模塊發送控製方式和各通道輸出電壓值,調節過程由該模塊自身完成,並且將實際輸出值反饋給CPU。可控矽調壓模塊能夠實現自動過零檢測、短路保護、斷路檢測等功能。
可控矽調壓模塊的開發成功,使得KDN-K3係列PLC成為唯一支持可控矽輸出的PLC產品。


