http://www.kadhoai.com.cn 2026-04-07 14:54:12 來源:中國自動化學會專家谘詢工作委員會
(1)
(2)
(3)
、
的範圍可事先確定;
)等於1時,係數之和等於1。
,將此關係代入式(3),可得係數之和等於1。
(4)
(5)
(6)
、
)都可在線辨識並可收斂到“真值”,為參數估計和控製器設計帶來了極大方便。
、
)範圍可事先確定
(7)
,
。經過大量仿真與實際應用的驗證,表明本自適應控製律具有特殊的優越性,即很強的魯棒穩定性。1992年在理論上又進一步證明了上述黃金分割自適應控製律的魯棒穩定性,即對可寫成(1)式且又能簡化為二階模型形式的對象,按係數之和等於1設計,並取(
、
)的範圍作參數估計的約束條件,不管參數估計是否收斂到“真值”,都可保證係統在過渡過程階段閉環穩定。
圖1 爐體示意圖
圖2 工藝曲線
每一個溫區都可用一個帶滯後二階差分方程描述,溫區間的互相影響可作幹擾處理,對象方程可寫作如下形式:
(8)
⑵ 測定最小等效時間常數
,根據實際過程經驗可估計
。
⑶ 選擇采樣周期
,一般取
。
(9)
⑷ 一次性確定滯後時間
在開始控製時,加額定功率控製量使溫度開始上升至穩態誤差值
的 值時的時間
,由
可計算
取整,本係統
。
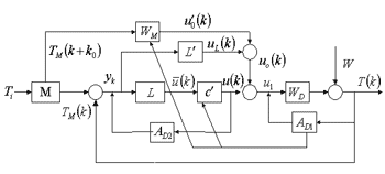
⑸ 控製方法設計原理見圖3。它由參考模型
、全量參數估計
和誤差方程參數估計
、輸出預報、控製決策四部分組成。控製決策包括跟蹤控製律
、邏輯積分律
、反饋控製律
、輸入變換即靜態增益倒數
。
為使跟蹤工藝曲線理想和消除回路間幹擾,本係統加入了簡單的邏輯積分律。
整個係統設計簡單、調試方便,深受工程技術人員的歡迎,該係統從1990年開始一直運行至今,取得很好的經濟效益。

圖3 控製方法設計原理框圖
4 結束語
全quan係xi數shu自zi適shi應ying控kong製zhi方fang法fa理li論lun上shang證zheng明ming了le在zai線xian性xing定ding常chang情qing況kuang下xia可ke用yong,而er實shi際ji工gong程cheng中zhong一yi批pi非fei線xian性xing對dui象xiang也ye取qu得de了le很hen好hao的de應ying用yong結jie果guo。特te別bie說shuo明ming的de是shi在zai本ben方fang法fa基ji礎chu上shang最zui近jin又you發fa展zhan了le一yi種zhong新xin的de控kong製zhi方fang法fa即ji“基於對象特征模型描述的智能控製”方法,具體內容見[4]。
全係數自適應控製方法目前正向工業和航天控製領域進行更進一步的應用推廣,現己成功地完成了五類航天器控製的仿真。
【參考文獻】
1 吳宏鑫著, 全係數自適應控製理論及其應用, 國防工業出版社,1990年11月
2 Wu Hongxin and Sa Zhi-tian,An All-Coefficients Identification Adaptive Control Method and Its Applications,Automatic Control World Congres,1987 (in tenth volumes,IFAC Proceeding series,1988,Number 15)
3 Yong chun Xie,Hongxin Wu and Zhenduo Lu,The All-Coefficients Adaptive Control Method and its Application in Spacecraft. Attitude Control, Space Technology, volume 16,number 5/6,September/November 1996
4 吳宏鑫等,基於對象特征模型描述的智能控製,自動化學報,1999年1月,Vol.25.No.1
5 鍾國民等,啤酒發酵全係數自適應控製,自動化學報,1987年.13(6):441~444
6 牛培峰等,采用國產75t/h循環流化床鍋爐的單元機組氣壓自適應控製係統,控製理論與應用,1998年第一期
7 袁斌等,液壓釜自適應預測控製,自動化學報,1999年第三期
作者簡介
吳宏鑫,1965年畢業於清華大學自動控製係,現為北京控製工程研究所研究員、博士生導師,主要從事自適應控製和智能控製的研究工作,他提出的“全係數自適應控製方法”於1984年獲國家發明三等獎。