http://www.kadhoai.com.cn 2026-04-07 23:10:11 來源:深圳芯海科技
中國 深圳——芯海科技,中國領先的高性能模擬、模數混合集成電路設計解決方案供應商,最新推出了一款可廣泛用於電子衡器、儀表、數字傳感器等小信號測量領域的高精度模數轉換器(ADC)芯片——CS1232。該芯片是芯海科技自主設計的一款24位高精度ADC,采用了先進的3階Σ-Δ轉換技術,有效精度高達23.5位,並具有功耗低、噪聲小、溫漂係數小等特點。
芯海科技自成立以來一直致力於研發設計擁有自主知識產權的高精度ADC產品,先後推出了CS1242/1168/1180等高精度、低功耗、低成本係列ADC,並廣泛用於高精度電子稱、工業過程控製、醫療器械、儀器儀表等需要精密測量的場合。2007年芯海科技憑借CS1242一舉打破了中國中高端衡器芯片市場被外國壟斷,完全依靠進口的格局,全麵提升了中國衡器製造業的競爭力,同年CS1242也因此獲得由信息產業部軟件與集成電路促進中心(CSIP)主辦的年度“中國芯”技術與發展大會最具潛質獎。CS1232作為CS1242的後續產品,進一步在高精度、低功耗等關鍵特性上實現了極大的提升,為高性能信號采集應用提供了具有極高高性價比的新選擇。
關鍵特性分析
高精度:CS1232內置一路Σ-Δ ADC,通過低噪聲儀用放大器結構實現PGA放大,PGA = 1時,有效分辨率23.5位(CS1242為21位);在PGA=128時,有效分辨率可達21位(CS1242為18位)。此外,芯片內置了溫度傳感器,可進行溫度補償以確保實現穩定的高精度性能。

CS1232產品內部功能框圖。
保證信號的完整與幹淨:CS1232片內有兩路差分通道,可用於多通道測量。片上內置低噪聲的儀用放大器,可提供最高128倍的放大倍數,幅度較小的微小信號也可直接測量。CS1232輸出速度可以選擇10Hz或80Hz,采用10Hz的數據速率時,可擬製50Hz 和60Hz的幹擾信號,抗幹擾性好,保證了信號的幹淨。此外CS1232還具有增益溫漂約3.5ppm/℃,並內置溫度傳感器,可以監測環境溫度,有力減小了環境溫度的變換對測量造成的影響。
應用方便:由於CS1232內置了一個4.9152M晶振,無需外部提供時鍾信號,如果多個芯片同時運行時可使用外部時鍾;再者 CS1232所有控製均由一些專門引腳來實現,消除了對所有寄存器進行編程的需要,這種架構極大地簡化了軟件開發,縮短了研發周期;集成了低噪聲、低溫漂放大器,不需要外置放大電路; CS1232可以在3.3V-5.5V的電壓範圍內正常工作,工作電壓範圍寬。
低功耗:CS1232可以通過控製PDWN引腳為低電平,使芯片進入掉電工作模式,功耗電流僅0.4uA。
典型應用

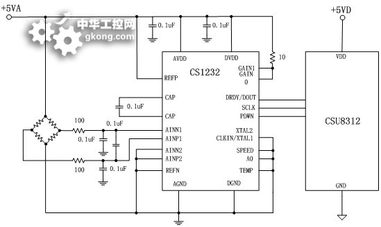
儀表方案典型應用電路。
傳統的精密數據轉換器解決方案不能兼備低噪聲和低功耗的特性,然而CS1232因為具有功耗低、噪聲小、溫漂係數小等特點,特別適合於衡器儀表、電子天平、數字傳感器等小信號測量領域。圖2是CS1232的儀表方案典型應用電路。
關於芯海科技
深圳市芯海科技有限公司是中國領先的高性能模擬、模數混合集成電路設計解決方案供應商,具有國強大的模擬、數模混合集成電路設計能力,凝聚了一支包含矽穀精英和國內從事集成電路設計多年的專家以及碩士、博士在內的高素質設計研發隊伍,確保了產品在技術上、品質上的領先地位和完全自主的知識產權。芯海科技致力於向客戶提供創新的產品、服務和解決方案,為客戶創造長期的價值。欲獲知更多信息,請訪問:http://www.chipsea.com/。