中國自動化學會專家谘詢工作委員會指定宣傳媒體
新聞詳情

虹潤推出三相綜合電量表

http://www.kadhoai.com.cn 2026-04-07 10:40:02 來源:福建順昌虹潤精密儀器有限公司

概述
   NHR-3300係列三相綜合電量表采用工業級元器件,所有與外界的連接都做了電氣隔離,內置抗雷擊保護電路和電源濾波器。專業的EMC設計,對裝置輸入電源、模擬和數字電源進行實時的監測,保證了其運行的可靠性。產品廣泛應用於分布式電力監控係統、變電站綜合自動化係統、無人值守變電站、低壓智能配電係統、智能型開關櫃/配電盤、智能型箱變及樓宇自動化係統的數據采集。
三屏五位LED數碼顯示。
可直接采集三相交流電壓、三相交流電流信號,可測量三相有功功率、三相無功功率、三相視在功率、三相功率因數、三相工頻周波、三相諧波及各種電能。
具有模擬量輸出、通訊輸出和累積脈衝輸出功能可選。
具有上下限報警報警功能,帶LED報警燈指示。
支持RS485、RS232串行接口,采用標準MODBUS RTU通訊協議。
主要功能參數
測量參數 測量範圍 測量誤差 分辨力 過載
電壓 0.0~500.0V/AC ±(0.4%讀數+0.1%量程) 0.1V 120%
電流 0.01~5A/AC ±(0.4%讀數+0.1%量程) 0.001A 120%
有功功率 U*I*COSΦ PF=1.0;
±(0.4%讀數+0.1%量程)
0.1W
有功電能 99999 MWh 0.1Wh
無功功率 U*I*SINΦ PF=0.0;
±(0.8%讀數+0.1%量程)
0.1Var
無功電能 99999 MVarh 0.1Varh
視在功率 U*I ±(0.4%讀數+0.1%量程) 0.1VA
視在電能 99999 MVAh 0.1VAh
功率因數 0.000~1.000 ±0.02 0.001
工頻周波 45~65 Hz ±0.05Hz 0.01Hz
諧波 2~31次
儀表麵板
160*80mm(A型) 96*96mm(C型)

參數功能
儀表接線圖

   儀表總接線圖

   儀表各輸入方式接線說明
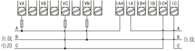
1-1、三相三線係統,采用無PT,無CT方式的接線圖(適用於3P3L)

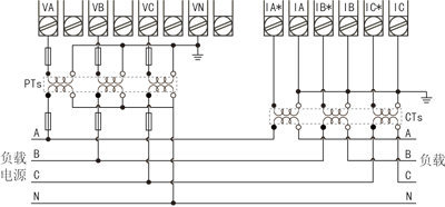
   1-2、三相三線係統,采用2PT,2CT方式的接線圖(適用於3P3L)

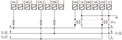
   1-3、三相三線係統,采用無PT,2CT方式的接線圖(適用於3P3L)

   2-1、三相四線係統,采用無PT,無CT方式的接線圖(適用於3P4L)

   2-2、三相四線係統,采用3PT,3CT方式的接線圖(適用於3P4L)

   2-3、三相四線係統,采用無PT,3CT方式的接線圖(適用於3P4L)

   符號描述

儀表選型

NHR-3300□-□-□/□/□/□-□
        ① ② ③ ④ ⑤ ⑥ ⑦

①規格尺寸 ②輸入類型
代碼 寬*高*深 代碼 測量類型
A
C
160*80*130mm
96*96*130mm
I
V
W
Ep
E3P
War
Eq
VA
Es
COS
Hz
Har
三相交流電流
三相交流電壓
三相有功功率
三相有功電能
三相有功平衡功率
三相無功功率
三相無功電能
三相視在功率
三相視在電能
三相功率因數
三相工頻周波
三相諧波
③輸出類型
代碼 輸出類型(負載電阻RL)
X
0
1
2
3
4
無輸出
4-20mA(RL≤600Ω)
1-5V(RL≥250KΩ)
0-10mA(RL≤1.2KΩ)
0-5V(RL≥250KΩ)
0-20mA(RL≤600Ω)
④報警輸出 ⑤通訊輸出
代碼 報警路數 代碼 通訊接口(通訊協議)
X
2
無輸出
2限報警
X
D1
D2
無輸出
RS485通訊(Modbus)
RS232通訊(Modbus)
⑥累積脈衝輸出 ⑥供電電源
代碼 累積脈衝輸出 代碼 電壓範圍
X
PO
無輸出
累積脈衝輸出
A
D
AC100~240V
DC20~29V
備注:
   在寫型號時必須完整,沒有選到的功能項不能省略,必須用“X”補上。
型號舉例:NHR-3300C-Ep-0/2/D1/X-A

虹潤產品http://www.hrgs.com.cn/content/?1378.html

版權所有 工控網 Copyright©2026 Gkong.com, All Rights Reserved