首頁 新聞 工控搜 論壇 廠商論壇 產品 方案 廠商 人才 文摘 下載 展覽
中華工控網首頁
  P L C | 變頻器與傳動 | 傳感器 | 現場檢測儀表 | 工控軟件 | 人機界麵 | 運動控製
  D C S | 工業以太網 | 現場總線 | 顯示調節儀表 | 數據采集 | 數傳測控 | 工業安全
  電 源 | 嵌入式係統 | PC based | 機櫃箱體殼體 | 低壓電器 | 機器視覺
基於淩華科技PCI-9846 的航空導航VOR信號綜測儀設計
淩華科技(中國)有限公司
收藏本文     查看收藏
應用領域
航空導航設備測試應用,信號產生與采集。
 挑戰
航空電子設備的測試要求利用有限的資源,構建功能多樣化的自動測試係統。機載電子設備的信號多且複雜,涵蓋了低頻和高頻信號、連(lian)續(xu)和(he)離(li)散(san)信(xin)號(hao),同(tong)時(shi)還(hai)包(bao)括(kuo)一(yi)些(xie)非(fei)電(dian)信(xin)號(hao)。傳(chuan)統(tong)的(de)測(ce)試(shi)係(xi)統(tong)采(cai)用(yong)分(fen)立(li)儀(yi)器(qi)搭(da)建(jian),這(zhe)種(zhong)方(fang)法(fa)成(cheng)本(ben)高(gao),測(ce)量(liang)自(zi)動(dong)化(hua)程(cheng)度(du)低(di),擴(kuo)展(zhan)性(xing)差(cha)。隨(sui)著(zhe)民(min)用(yong)航(hang)空(kong)運(yun)輸(shu)業(ye)的(de)發(fa)展(zhan),大(da)部(bu)分(fen)機(ji)載(zai)飛(fei)行(xing)電(dian)子(zi)設(she)備(bei)高(gao)度(du)數(shu)字(zi)化(hua)、集(ji)成(cheng)化(hua),已(yi)不(bu)可(ke)能(neng)靠(kao)人(ren)工(gong)手(shou)動(dong)對(dui)其(qi)進(jin)行(xing)測(ce)試(shi)檢(jian)查(zha),傳(chuan)統(tong)的(de)儀(yi)器(qi)也(ye)難(nan)以(yi)滿(man)足(zu)需(xu)求(qiu)。與(yu)之(zhi)相(xiang)比(bi),基(ji)於(yu)軟(ruan)件(jian)無(wu)線(xian)電(dian)的(de)信(xin)號(hao)處(chu)理(li)機(ji)製(zhi)由(you)於(yu)它(ta)所(suo)具(ju)有(you)的(de)靈(ling)活(huo)性(xing)、開放性等特點,有著突出的優勢,更加適應需要。同時,這也將為相關的教學研究提供便利。
解決方案
以航空導航VOR信號為例。研究VOR導航原理,對其合成信號進行分析和建模。波形的時域數據可以方便地用公示表達和計算,得到的數據輸入到DAC,即可生成模擬波形,再經過上變頻達到所需頻率。對於已有的模擬信號,調用PCI-9846高(gao)速(su)數(shu)字(zi)化(hua)儀(yi)進(jin)行(xing)采(cai)集(ji),采(cai)集(ji)的(de)數(shu)據(ju)可(ke)以(yi)實(shi)時(shi)顯(xian)示(shi),也(ye)可(ke)以(yi)存(cun)儲(chu)為(wei)文(wen)件(jian)方(fang)便(bian)日(ri)後(hou)調(tiao)用(yong)和(he)分(fen)析(xi)。經(jing)驗(yan)證(zheng),軟(ruan)件(jian)無(wu)線(xian)電(dian)在(zai)自(zi)動(dong)測(ce)試(shi)係(xi)統(tong)的(de)應(ying)用(yong)可(ke)以(yi)大(da)大(da)節(jie)約(yue)成(cheng)本(ben),簡(jian)化(hua)係(xi)統(tong),並(bing)提(ti)高(gao)效(xiao)率(lv)。數(shu)字(zi)化(hua)儀(yi)的(de)性(xing)能(neng)指(zhi)標(biao)可(ke)以(yi)滿(man)足(zu)需(xu)要(yao)。
文章內文(見下頁)

基於淩華科技PCI-9846 的航空導航VOR信號綜測儀設計

摘要:以航空導航VOR(Very High Frequency Omnidirectional Range,甚高頻全向信標)信號為例,用淩華科技PCI-9846gaosushuzihuayijinxingcaiji,bingwanchengshiyujipinyudefenxi,jietiaohoukeyihaiyuanchufangweixinxi,yicikuaijiedijianyanxinhaozhunquexing。jingyanzheng,ruanjianwuxiandianzaizidongceshixitongdeyingyongkeyidadajieyuechengben,jianhuaxitong,bingtigaoxiaolv。shuzihuayidexiangguanxingnengzhibiaokeyimanzuxuyao。
關鍵詞:VOR信號 PCI-9846 綜測儀
引言
航空電子設備的測試要求利用有限的資源,構建功能多樣化的自動測試係統。機載電子設備的信號多且複雜,涵蓋了低頻和高頻信號、連(lian)續(xu)和(he)離(li)散(san)信(xin)號(hao),同(tong)時(shi)還(hai)包(bao)括(kuo)一(yi)些(xie)非(fei)電(dian)信(xin)號(hao)。傳(chuan)統(tong)的(de)測(ce)試(shi)係(xi)統(tong)采(cai)用(yong)分(fen)立(li)儀(yi)器(qi)搭(da)建(jian),這(zhe)種(zhong)方(fang)法(fa)成(cheng)本(ben)高(gao),測(ce)量(liang)自(zi)動(dong)化(hua)程(cheng)度(du)低(di),擴(kuo)展(zhan)性(xing)差(cha)。隨(sui)著(zhe)民(min)用(yong)航(hang)空(kong)運(yun)輸(shu)業(ye)的(de)發(fa)展(zhan),大(da)部(bu)分(fen)機(ji)載(zai)飛(fei)行(xing)電(dian)子(zi)設(she)備(bei)高(gao)度(du)數(shu)字(zi)化(hua)、集成化,已不可能靠人工手動對其進行測試檢查。所以目前世界各發達國家均采用自動測試設備完成此類工作。[1][2]
軟件無線電的基本思想是以一個通用、標準、模塊化的硬件平台為依托,通過軟件編程來實現無線電台的各種功能,從基於硬件、麵向用途的電台設計方法中解放出來[3]。自動測試係統對信號源的靈活性和全麵性提出了更高的要求,傳統的信號發生器難以滿足需求[4]。與之相比,基於軟件無線電的信號發生器由於它所具有的靈活性、開放性等特點,有著突出的優勢,更加適應需要。同時,這也將為相關的教學研究提供便利。
將淩華科技PCI-9846H運用於自動測試係統信號源的測試和校準中,以航空導航VOR信號為例,對信號進行采集和處理,還原出基本信息。證明數字化儀的性能指標可以滿足需要。
1.VOR信號
甚高頻全向信標的基本功用是為機載VOR接收機提供一個複雜的無線電信號,經機載VOR接收機解調後,測出地麵甚高頻全向信標台相對於飛機的磁方位即VOR方位[5]。機載接收機接收到的空間合成VOR信號包括基準相位信號和可變相位信號,通過對兩種信號相位的比較來實現定向。VOR工作頻率範圍108MHz~117.95MHz,波道間隔0.05MHz。
1.1 VOR基準相位信號

1.2 VOR可變相位信號
 


接收機通過解調和比較二者的相位差得到方向信息。[5,6]
 

       圖1空間合成信號
2.係統實現
采用以GPP(General-Purpose Processor,通用處理器)weijichudetixijiegou,zhijieyonggongkongjijinxingshuzixinhaochuli。duiyuzhezhongwuxiandianxitong,congshitishangwufaguanchadaoyigezhenzhengdediantai,tawanquancongruanjianjiaodujiejuewuxiandiantongxinwenti。youyutongyongjibushiyigeshishidetongbuxitong,bushiyuyangedingshicaiyangxinhaodeshishichuli,zhinengtongguozhongduanlaibaochiyidingdetongbu。danshiyinqikaifangxing、靈活性、可編程性和人機界麵方麵的優勢,最接近理想的軟件無線電,也更適於測試、教學和研究。
係統選用流水線形式進行連接,與信號流方向一致,具有很高的效率,時延短,處理數率高,可以一定程度上彌補GPP信號處理速度慢的不足。但是由於各模塊之間采用實際電路互聯,模塊間耦合緊密,獨立程度不高。如果係統功能改變,需要增加、quchuhuoxiugaimouyimokuai,qianchedaoxiangyingdemokuaibiandong,shenzhizongtijiegoudegaibian。yinweishejimudeshizhenduiceshixitongxinhaoyuandeceshihexiaozhun,xinhaoxiangduiguding,buxuyaopinfanbiandong,suoyixuanyongliushuishijiegou,jiegoukuangturutu2所示[7]。信號的產生和處理由工控機完成,任意波形發生模塊(Arbitrary Waveform Generator,AWG)實現波形輸出(高頻時需要用到數字上變頻卡),如果做無線發射和接收時需要附加天線和射頻放大器。信號的采集和數模轉換由淩華科技PCI-9846高速數字化儀完成,轉換結果可以實時顯示,也可以保存成波形文件以便後續處理。
 


圖2 係統框圖
2.1 信號源
中頻信號用PXI-5421產生。這是一款可進行板載信號處理(OSP)的任意波形發生器,具有16位分辨率和-91 dBc封閉式無寄生動態範圍(SFDR),可為要求數字上變頻和基帶插值的應用提供儀器質量標準。作為一款功能齊全的AWG,PXI-5421還能夠生成通用的電子測試信號,其最大輸出範圍為12Vpp,50Ω電阻載荷,最高頻率43MHz[8]。上變頻卡采用NI PXI-5610,其內有2.7 GHz上變頻器,具有高實時帶寬和穩定的時基,其精度可達±50ppb。在射頻生成應用中,與模塊化函數發生器緊密集成,可產生頻率範圍50kHz到2.7GHz的信號,可調增益範圍130dB[9]。PXI-5421產生高頻VOR信號送至PXI-5610做上變頻處理,變頻到需要的甚高頻波段。
PXI板卡安裝在NI PXI-1402控製箱內。采用NI PXI-PCI833x 套件,可使用通過銅纜連接的完全透明的MXI-4網絡在計算機上控製PXI模塊。MXI-4通過在PCI-PCI高帶寬連接上搭建橋路,通過計算機的PCI接口對PXI係統進行遠程控製。  
2.2 數據采集
用淩華科技PCI-9846高速數字化儀完成數據采集。淩華科技PCI-9846是具有40MHz采樣頻率的16位4通道數字化儀,專為高頻率、大動態範圍信號設計,最高輸入頻率可達20MHz。模擬輸入量程可以通過軟件設定為±1V或±0.2V,可選擇50歐輸入阻抗,以適應高速、高頻信號。裝有4通道高線性16位A/D轉換器,可以理想地適應諸如雷達、超聲波及軟件無線電等大動態範圍信號。
配合高達512MB的板載內存,PCI-9846可以記錄更長時間的波形而不受限於PCI總線的傳輸速率。數字化的信號數據在傳輸到主存儲器以前先被存儲到板載內存。數據傳輸采用SG-DMA(Scatter-gather Direct Memory Access,分散-聚集直接內存讀取)方式,可以提供更高的數據傳輸率,並可更有效的利用係統內存。如果數字化儀的數據傳輸速率低於可用的PCI總線帶寬,PCI-9846還設有一個板載取樣點先進先出存儲器,以實現繞過板載內存而實時直接將數據傳輸到主機內存。
PCI-9846具有靈活的觸發選項,包括軟件觸發、外部數字觸發、任意模擬通道的模擬觸發以及PXI總線觸發。多樣的觸發方式使其更適應需求。後觸發、延遲觸發、前觸發及中觸發模式可以采集觸發事件附近的數據。PCI-9846也可以重複觸發采集,以便對極短時間間隔的多個數據段進行采集。PXI背板提供的多種觸發選項使PCI-9846可以簡便地實現多模塊同步。利用PXI觸發總線,PCI-9846可以在設置為“主”時向PXI觸發總線輸出觸發或時基信號,在設置為“從”時從PXI觸發控製槽接收觸發或時基信號。PXI背板提供精準的10MHz信號也可以用作一個時基信號源。
PCI-9846baohanyigejingquedediwendupiaoyibanzaijizhun。zhebudankeyitigongyigewendingdexiaozhunyuan,yinengbaozhengzaijiaodawendubianhuafanweideshujucaijiwendingxing。zidongxiaozhunguochengtongguoruanjianwancheng,buxuyaorenheshoudongtiaozheng。yidanxiaozhunguochengwancheng,xiaozhunxinxijiangbeicunchuzaibanzaiEEPROM (Electrically Erasable Programmable Read-Only Memory,電可擦除可編程隻讀存儲器),需要時校準值可從板上加載。[10]
2.3 軟件部分
LabVIEW是NI(National Instruments,美國國家儀器公司)的創新軟件產品,其全稱是實驗室虛擬儀器工程平台(Laboratory Virtual Instrument Engineering Workbench),是一款基於G語言(Graphics Language,圖形化編程語言)的測試係統軟件開發平台[11]。信號產生、數字化儀調用和數字信號處理在LabVIEW2010環境下進行。
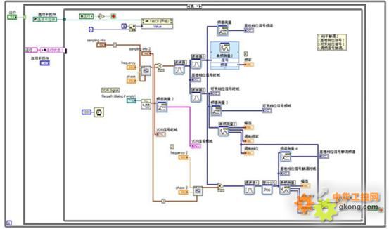
由於機器性能有限,程序分為產生、采集和處理三部分。根據信號建模的結果(參考“1.3 合成信號”),計算得出波形數據並保存到文件。在波形的產生程序中,先把波形數據讀出並寫入任意波形發生器,調用其產生所需要的信號。調用DAQPilot相xiang關guan模mo塊kuai控kong製zhi數shu字zi化hua儀yi進jin行xing信xin號hao采cai集ji,並bing存cun儲chu到dao文wen件jian以yi便bian後hou續xu調tiao用yong。解jie調tiao程cheng序xu調tiao用yong此ci波bo形xing文wen件jian,進jin行xing相xiang關guan解jie調tiao及ji運yun算suan,完wan成cheng信xin號hao分fen析xi。信xin號hao的de產chan生sheng與yu采cai集ji程cheng序xu框kuang圖tu如ru圖tu3所示,解調和運算程序框圖如圖4所示。


圖3 信號產生與采集程序
 


圖4 信號解調程序
3. 運行結果
按照設計的硬件結構連接好硬件,設置波形信息,基帶信號為30Hz正弦波,調頻副載波9960Hz,頻偏480Hz,調製係數0.3。考慮機器性能及運行時間,VOR信號以1MHzweili。jisuandechudeboxingcunchudaowenjianzhong,yibianzaiboxingchanshengchengxulitiaoyong。zaiboxingchanshengchengxuzhong,xianduishebeijinxingchushihuahecanshutiaozheng,shedingbankadizhi,gonglvwei-10dBm,中心頻率1MHz,模式為“Arb Waveform”。調用時候采用IQ調製,I路為調製信號,Q路為0。寫入數據時選擇與生成時相同的采樣率,才能保證生成信號的頻譜正確。[12]
信號產生模塊持續運行,並調用數字化儀進行采集。同樣需要設置虛擬通道,量程±1V,信號類型“AI Voltage”,采樣頻率須滿足乃奎斯特定理,此處選為8MHz,采樣時鍾設定為“Continuous Samples”,持續時間1秒。采樣後的數據可以實時在波形圖表中顯示,並通過“寫入波形數據到文件.vi”存入文件,以便後續調用。
 為實現對信號的測量和驗證,需要對采集的波形進行解調並還原出相應的信息。采集到的VOR空間合成信號經過相幹解調後得到空間合成信號的外包絡,包括30Hz的可變相位信號,和9960Hz的調頻副載波。30Hz可變相位信號經過30Hz濾波器直接得到,前麵板可見其時域、頻域波形以及頻率、相位和幅值等信息;9960Hz副載波經過濾波後鑒頻,得到30Hz基準相位信號,前麵板可見其相應參數。基準相位信號與可變相位信號的相位差可指示當前的方位信息,讀書為VOR方位角。運行後的前麵板如圖5所示。程序運行時,其中的各個標簽頁可以輪流顯示,按下右下方的“暫停”鈕可以鎖定當前標簽頁。
 


圖5 綜測儀前麵板
4. 結論
軟件無線電技術目前在軍用、民(min)用(yong)通(tong)信(xin)領(ling)域(yu)已(yi)經(jing)有(you)廣(guang)泛(fan)的(de)應(ying)用(yong)。基(ji)於(yu)此(ci)技(ji)術(shu)的(de)測(ce)試(shi)設(she)備(bei)因(yin)為(wei)其(qi)開(kai)放(fang)性(xing)和(he)靈(ling)活(huo)性(xing),比(bi)傳(chuan)統(tong)設(she)備(bei)有(you)更(geng)加(jia)廣(guang)闊(kuo)的(de)應(ying)用(yong)前(qian)景(jing)。而(er)數(shu)字(zi)化(hua)儀(yi)正(zheng)是(shi)實(shi)現(xian)模(mo)擬(ni)信(xin)號(hao)向(xiang)數(shu)字(zi)信(xin)號(hao)過(guo)渡(du)的(de)關(guan)鍵(jian)。經(jing)驗(yan)證(zheng),淩(ling)華(hua)科(ke)技(ji)PCI-9846高速數字化儀安裝簡便,操作界麵人性化,可以在LabVIEW環(huan)境(jing)下(xia)方(fang)便(bian)地(di)調(tiao)用(yong),勝(sheng)任(ren)複(fu)雜(za)模(mo)擬(ni)信(xin)號(hao)的(de)準(zhun)確(que)采(cai)集(ji)和(he)模(mo)數(shu)轉(zhuan)換(huan),並(bing)能(neng)存(cun)儲(chu)成(cheng)波(bo)形(xing)文(wen)件(jian)便(bian)於(yu)後(hou)續(xu)調(tiao)用(yong)。限(xian)於(yu)技(ji)術(shu)水(shui)平(ping)和(he)電(dian)腦(nao)性(xing)能(neng),不(bu)能(neng)做(zuo)更(geng)高(gao)頻(pin)率(lv)的(de)采(cai)樣(yang)和(he)信(xin)號(hao)處(chu)理(li)實(shi)驗(yan),有(you)待(dai)今(jin)後(hou)工(gong)作(zuo)中(zhong)繼(ji)續(xu)研(yan)究(jiu)改(gai)進(jin)。
參考文獻:
[1] 董勤鵬,熊華鋼,基於某航空電子設備的自動測試係統設計與實現,現代電子技術[J],2008,21,146-149;
[2] 呂毅清,新一代的航空電子自動測試設備,國外電子測量技術[J],2000,1,8-11;
[3] 百度百科. 軟件無線電[OL]. [2010.11.27]. http://goo.gl/lKi0D.
[4]  董勤鵬, 熊華鋼,基於某航空電子設備的自動測試係統設計與實現, 現代電子技術[J], 2008, 21: 146-149.
[5] 鄭連興,倪育德. DVOR VRB-51D多普勒全向信標[M]. 北京:中國民航出版社,1997: 8-15.
[6] Rockwell Collins Company. VOR-700 Receiver Component Maintenance Manual. 17th Revision. Printed the United States of America, 2006: 71-76.
[7] 向新.軟件無線電原理與技術[M]. 西安:西安電子科技大學出版社, 2008:14-19.
[8] National Instruments Corporation, NI PXI-5441 Specifications, National Instruments Corporation,2010:1-5.
[9] National Instruments Corporation,NI PXI-5610 2.7 GHz Upconverter [OL]. [2010.12.20]. http://sine.ni.com/nips/cds/view/p/lang/en/nid/13478.
[10] ADLINK Technology Inc. PCI/PXI-9816/26/46 4-CH 16-Bit 10/20/40 MS/s Digitizer with 512 MB SDRAM User’s Manual. ADLINK Technology Inc, 2009: 11-12;
[11] 戴朋飛, 王勝開, 王格芳. 測試工程與LabVIEW應用[M]. 北京:電子工業出版社, 2006: 13-15.
[12] Song Guan, Guangbo Wu. Study on a VOR Signal Generator Based on Software[C]. ICTIS2011, Wuhan.
 
 
關於淩華
淩華科技致力於量測、自動化及計算機通訊科技之改進及創新,提供解決方案給全球網絡電信、智能交通及電子製造客戶。憑著對專業技術的執著與實踐客戶承諾的自我要求,領先業界推出多項創新性產品,獲ISO-9001、ISO-14001、ISO-13485、台灣精品、TL9000等多項認證。淩華科技為Intel®智能係統聯盟(Intel® Intelligent Systems Alliance)會員,PICMG協會和PC/104協會可參與製定規格的會員,PXI Systems Alliance協會董事會及最高等級會員,以及AXIe聯盟戰略會員,VMEbus國際貿易協會(VITA)成員。目前在美國、新加坡、中國、日本、德國設有子公司,在印度、韓國、法國設有辦事處,為當地客戶提供快捷服務和實時支持。網址:http://www.adlinktech.com/cn

 

狀 態: 離線

公司簡介
產品目錄

公司名稱: 淩華科技(中國)有限公司
聯 係 人: 張福強
電  話: 010-58858666轉8830
傳  真:
地  址: 北京海澱區上地東路1號盈創動力大廈E座八層西
郵  編: 100085
主  頁:
 
該廠商相關技術文摘:
通過電源管理和工作負載整合,大幅提升電信業務處理性能
淩華科技服務器刀片完美搭配DPDK技術 顯著提升包轉發服務性能
IEEE 1394b標準及應用簡介
更多文摘...
立即發送詢問信息在線聯係該技術文摘廠商:
用戶名: 密碼: 免費注冊為中華工控網會員
請留下您的有效聯係方式,以方便我們及時與您聯絡

關於我們 | 聯係我們 | 廣告服務 | 本站動態 | 友情鏈接 | 法律聲明 | 不良信息舉報
工控網客服熱線:
版權所有 中華工控網 Copyright©2022 Gkong.com, All Rights Reserved