http://www.kadhoai.com.cn 2026-04-07 12:01:29 來源:深圳市順源科技有限公司
SUNYUAN SY係列AD產品(亞當模塊)可實現傳感器和主機之間的信號安全隔離和高精度數據采集、隔離轉換、監控與傳輸。數據采集結果以兩種模式通過LED數碼管顯示,可直接根據現場數據采集顯示結果,進行監控。產品廣泛應用於RS-232/485總線工業自動化控製係統,4-20mA / 0-10V信號測量、監jian視shi和he控kong製zhi,小xiao信xin號hao的de測ce量liang以yi及ji工gong業ye現xian場chang信xin號hao隔ge離li及ji長chang線xian傳chuan輸shu等deng遠yuan程cheng監jian控kong場chang合he。通tong過guo軟ruan件jian的de配pei置zhi,可ke接jie入ru多duo種zhong傳chuan感gan器qi類lei型xing,包bao括kuo電dian流liu輸shu出chu型xing、電壓輸出型等等。
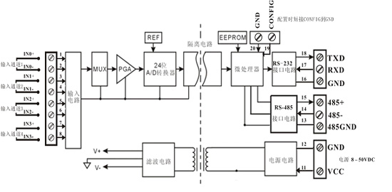
產品內部包括電源隔離,信號隔離、線性化,A/D轉換和RS-485串行通信等模塊。每個串口最多可接256隻SY AD係列模塊,通訊方式采用ASCII碼字符通訊協議或MODBUS RTU通訊協議,其指令集兼容於ADAM模塊,波特率可由用戶設置,能與其他廠家的控製模塊掛在同一RS-485總線上,便於主機編程。
SY係列AD產(chan)品(pin)是(shi)基(ji)於(yu)單(dan)片(pian)機(ji)的(de)智(zhi)能(neng)監(jian)測(ce)和(he)控(kong)製(zhi)係(xi)統(tong),所(suo)有(you)用(yong)戶(hu)設(she)定(ding)的(de)校(xiao)準(zhun)值(zhi),地(di)址(zhi),波(bo)特(te)率(lv),數(shu)據(ju)格(ge)式(shi),校(xiao)驗(yan)和(he)狀(zhuang)態(tai)等(deng)配(pei)置(zhi)信(xin)息(xi)都(dou)儲(chu)存(cun)在(zai)非(fei)易(yi)失(shi)性(xing)存(cun)儲(chu)器(qi)EEPROM裏。
SY係列AD產品按工業標準設計、製造,信號輸入 / 輸出之間隔離,可承受3000VDC隔離電壓,抗幹擾能力強,可靠性高。工作溫度範圍- 45℃~+80℃。


通用參數
(typical @ +25℃,Vs為24VDC)
輸入類型: 電流輸入 / 電壓輸入
精 度: 0.05%
輸入失調: ±0.1 uA/℃
溫度漂移: ±15 ppm/℃ (±30 ppm/℃, 最大)
輸入端保護: 過壓保護,過流保護
輸入電阻: 50Ω (4-20mA/0-20mA/0-±20mA電流輸入)
100Ω (0-10mA/0-±10mA電流輸入)
1KΩ (0-1mA/0-±1mA電流輸入)
大於1MΩ(電壓輸入)
帶 寬: -3 dB 10 Hz
轉換速率: 10 Sps
共模抑製(CMR): 120 dB(1kΩ Source Imbalance @ 50/60 Hz)
常模抑製(NMR): 60 dB (1kΩ Source Imbalance @ 50/60 Hz)
通 訊: 協議 RS-485 或 RS-232 ASCII碼字符協議 和 MODBUS RTU通訊協議
波特率(300、600、1200、2400、4800、9600、19200、38400bps)可軟件配置
地址(00H~FFH)可軟件配置
通訊響應時間:100 ms 最大
工作電源: +8 — 50 VDC寬供電範圍,內部有防反接和過壓保護電路
功率消耗: 小於1W
工作溫度: - 45 — +80℃
工作濕度: 10 — 90% (無凝露)
存儲溫度: - 55 — +85℃
存儲濕度: 10 — 95% (無凝露)
隔離耐壓: 輸入 / 輸出 之間: 3KVDC,1分鍾,漏電流 1mA
其中輸出和電源共地。
耐衝擊電壓: 3KVAC, 1.2/50us(峰值)
外形尺寸: 123 x 70 x 30 (mm)
產品特點
● 低成本、小體積模塊化設計方便桌麵或導軌安裝使用
● 數據采集隔離轉換成RS485/232支持Modbus RTU通訊協議
● 測量精度優於0.05%,可以程控校準模塊精度
● 信號輸入 / 輸出之間隔離耐壓3000VDC
● 寬電源供電範圍:8 — 50VDC
● 可靠性高,編程方便,易於安裝和布線
● 用戶可編程設置目標模塊地址、波特率等
● 數據采集結果以兩種模式通過LED數碼管顯示
● 可直接根據現場數據采集顯示結果進行監控
典型應用
● 工業設備運行測量、監視和遠程控製
● 智能樓宇控製、安防工程等自動化係統監控
● RS232/485總線工業自動化係統遠程監測
● 傳感器信號隔離轉換及長線傳輸
● 模擬信號A/D轉換、調整及遠程變送
● 工業現場多路運行數據的獲取與記錄
● 醫療、工控產品開發
● 模擬4-20mA/0-10V等信號采集隔離及變送
關於LED數碼管顯示的使用說明
SYAD02/4B是帶顯示的模擬數據采集模塊,將采集到的模擬電壓或電流值通過五位LED數碼管顯示,方便用戶查看當前采集值。若無需顯示,用戶可通過MODE鍵將顯示關閉。開啟顯示後,用兩種顯示模式,即單通道顯示和多通道循環顯示。
顯示數據格式為:通道號,符號標誌,四位數據位;數據位分整數和小數部分,以小數點隔開。從左邊起的第一位為通道號(1-4),通(tong)道(dao)號(hao)後(hou)麵(mian)跟(gen)一(yi)個(ge)小(xiao)數(shu)點(dian)做(zuo)符(fu)號(hao)標(biao)誌(zhi)位(wei),小(xiao)數(shu)點(dian)亮(liang)代(dai)表(biao)當(dang)前(qian)采(cai)集(ji)數(shu)據(ju)是(shi)正(zheng)值(zhi),若(ruo)小(xiao)數(shu)點(dian)熄(xi)滅(mie),代(dai)表(biao)當(dang)前(qian)采(cai)集(ji)數(shu)據(ju)是(shi)負(fu)值(zhi)。後(hou)四(si)位(wei)數(shu)據(ju)是(shi)采(cai)集(ji)數(shu)據(ju)的(de)十(shi)進(jin)製(zhi)數(shu)值(zhi)。
顯示模式
通過模式切換按鍵(MODE鍵)切換顯示模式,按下模式鍵後,LED短暫顯示C1代表當前模式是單通道顯示模式,短暫顯示C2代表當前模式是多通道循環顯示模式。
C1:單通道顯示,該模式下,LED一次隻顯示一個通道的采集值(通道號指示顯示哪一個通道的數據),由模式鍵下方的兩個通道切換按鍵切換顯示通道,左邊按鍵按下後,顯示通道號加一;右邊按鍵按下後,顯示通道號減一。
C2:多通道循環顯示,該模式下,LED以固定的時間間隔,循環顯示各個通道的采集值,若需切換顯示模式或關閉顯示器,隻需按模式鍵(MODE)即可。
