PH£14ÎÞÔ´Èȵç×èÐźŸôÀëÆ÷£¨CÀࣩÈȵç×輤ÀøµçÁ÷£º800¦ÌA£¬Êä³ö¸ºÔصç×裺0-500¦¸µÈÌØµã¡£
¹æ¸ñÐͺż°´úÂë

Ö÷Òª¼¼Êõ²ÎÊý
Èȵç×輤ÀøµçÁ÷£º800¦ÌA
Êä³ö¸ºÔصç×裺0-500¦¸
¾«¡¡¡¡¶È£º¡À0.2%F.S
ζÈϵÊý£º£¼50PPM/¡æ
»·¾³Î¶ȣº£10¡æ££«60¡æ
¾øÔµµç×裺ÊäÈë¡¢Êä³öÖ®¼ä100M¦¸£¨500VDC£©
¾øÔµÇ¿¶È£ºÊäÈë¡¢Êä³öÖ®¼ä1500VAC/·ÖÖÓ
Á½ÏßÖÆµçÔ´£º24VDC (½Ó¿ÚÄÚ²¿µçÔ´£©
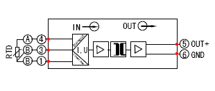
ÔÀíʾÒâͼ

¶Ë×Ó±àºÅ¼°½ÓÏßͼ

¶©»õ×¢Ã÷
±êÃ÷ÊäÈë¡¢Êä³öÐźŵĴúÂë
Àý£ºÊäÈëPT100(0-200¡æ)¡¡Êä³ö4-20mA
¡¡ ÎÞÔ´ÐźŸôÀëÆ÷ÐͺÅPH1441