±±¾©Æ½ºÍ PH-34ÈȵçżÐźŷÖÅäÆ÷ÊäÈë×迹£º¡Ý100K¦¸¡¡£¬Êä³ö×迹£ºµçѹÐÍ:¡Ý10K¦¸¡¡¡¡µçÁ÷ÐÍ£º¡Ü550¦¸
¹æ¸ñÐͺż°´úÂë

A£º0-5VDC
B: 1-5VDC
C: 0-20mA
D: 4-20mA
H: Óû§Ìض¨²ÎÊý
Ö÷Òª¼¼Êõ²ÎÊý
ÊäÈë×迹£º¡Ý100K¦¸¡¡¡¡
Êä³ö×迹£ºµçѹÐÍ:¡Ý10K¦¸¡¡¡¡µçÁ÷ÐÍ£º¡Ü550¦¸
¾«¡¡¡¡¶È£º¡À0.5%F.S¡¡
ζÈϵÊý£º£¼50PPM/¡æ
»·¾³Î¶ȣº£10¡æ££«60¡æ
¾øÔµµç×裺µçÔ´¡¢ÊäÈë¡¢Êä³ö1¡¢Êä³ö2Ö®¼ä¡Ý100M¦¸£¨500VDC£©
¾øÔµÇ¿¶È£ºµçÔ´¡¢ÊäÈë¡¢Êä³ö1¡¢Êä³ö2Ö®¼ä1500VAC/·ÖÖÓ
µç Ô´£º24VDC¡À10%
ÏûºÄ¹¦ÂÊ£º£¼2W
ÔÀíʾÒâͼ

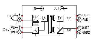
¶Ë×Ó±àºÅ¼°½ÓÏßͼ

¹æ¸ñÐͺż°´úÂë
¶©»õ×¢Ã÷
±êÃ÷ÊäÈë¡¢Êä³öÐźŵĴúÂë
Àý£ºÊäÈë0-800¡æ ¡¡
¡¡¡¡Êä³ö1:1-5VDC Êä³ö2:4-20mA
¸ôÀë·ÖÅäÆ÷ÐͺÅPH343ED£¨×¢Ã÷ÈȵãżÐͺÅK.S.BµÈ£©