PH-25µçλ¼ÆÐźŸôÀëÆ÷Êä³ö×迹£ºµçѹÐÍ¡Ý10K¦¸¡¡ µçÁ÷ÐÍ£º¡Ü550¦¸,¾«¶È£º¡À0.2%F.S
¹æ¸ñÐͺż°´úÂë

1£º0-5VDC
2£º1-5VDC
3£º0-20mA
4£º4-20mA
8£ºÓû§Ìض¨²ÎÊý
Ö÷Òª¼¼Êõ²ÎÊý
Êä³ö×迹£ºµçѹÐÍ¡Ý10K¦¸¡¡ µçÁ÷ÐÍ£º¡Ü550¦¸
¾«¡¡¡¡¶È£º¡À0.2%F.S
ζÈϵÊý£º£¼50PPM/¡æ
»·¾³Î¶ȣº£10¡æ££«60¡æ
¾øÔµµç×裺µçÔ´¡¢ÊäÈë¡¢Êä³öÖ®¼ä¡Ý100M¦¸£¨500VDC£©
¾øÔµÇ¿¶È£ºµçÔ´¡¢ÊäÈë¡¢Êä³öÖ®¼ä1500VAC/·ÖÖÓ
µç Ô´£º24VDC¡À10%
ÏûºÄ¹¦ÂÊ£º£¼1.5W
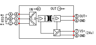
ÔÀíʾÒâͼ

¶Ë×Ó±àºÅ¼°½ÓÏßͼ

¶©»õ×¢Ã÷
±êÃ÷ÊäÈë¡¢Êä³öÐźŵĴúÂë
Àý£ºÊäÈë0-5K¦¸ ¡¡Êä³ö0-20mA
¡¡ ¸ôÀëÆ÷ÐͺÅPH2533