±±¾©Æ½ºÍ PH£23Èȵç×èÐźŸôÀëÆ÷Èȵç×輤ÀøµçÁ÷£ººãÁ÷800¦ÌA£¬Êä³ö×迹£ºµçѹÐÍ¡Ý10K¦¸¡¡¡¡µçÁ÷ÐÍ¡Ü550¦¸
¹æ¸ñÐͺż°´úÂë

Ö÷Òª¼¼Êõ²ÎÊý
Èȵç×輤ÀøµçÁ÷£ººãÁ÷800¦ÌA
Êä³ö×迹£ºµçѹÐÍ¡Ý10K¦¸¡¡¡¡µçÁ÷ÐÍ¡Ü550¦¸
¾«¡¡¡¡¶È£º¡À0.2%¡¡
ζÈϵÊý£º£¼50PPM/¡æ
»·¾³Î¶ȣº£10¡æ££«60¡æ
¾øÔµµç×裺µçÔ´¡¢ÊäÈë¡¢Êä³öÖ®¼ä¡Ý100M¦¸(500VDC)
¾øÔµÇ¿¶È£ºµçÔ´¡¢ÊäÈë¡¢Êä³öÖ®¼ä1500VAC/·ÖÖÓ
µç Ô´£º24VDC¡À10%
ÏûºÄ¹¦ÂÊ£º£¼1W
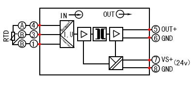
ÔÀíʾÒâͼ

¶Ë×Ó±àºÅ¼°½ÓÏßͼ

¶©»õ×¢Ã÷
±êÃ÷ÊäÈë¡¢Êä³öÐźŵĴúÂë
Àý£ºÊäÈëPT100£¨0-200¡æ) ¡¡Êä³ö4-20mA
¡¡ ¸ôÀëÆ÷ÆäÐͺÅΪPH2345