±±¾©Æ½ºÍ PH£20Ö±Á÷ÐźŸôÀëÆ÷ÊäÈë×迹£ºµçѹÐÍ¡Ý100K¦¸¡¡¡¡µçÁ÷ÐÍ£º100¦¸£¬Êä³ö×迹£ºµçѹÐÍ¡Ý10K¦¸¡¡ µçÁ÷ÐÍ£º¡Ü550¦¸
¹æ¸ñÐͺż°´úÂë

1£º0-5VDC
2£º0-10VDC
3£º1-5VDC
4£º0-10mA
5£º0-20mA
6£º4-20mA
7£º-10V-+10VDC
8: Óû§Ìض¨²ÎÊý
Ö÷Òª¼¼Êõ²ÎÊý
ÊäÈë×迹£ºµçѹÐÍ¡Ý100K¦¸¡¡¡¡µçÁ÷ÐÍ£º100¦¸¡¡
Êä³ö×迹£ºµçѹÐÍ¡Ý10K¦¸¡¡ µçÁ÷ÐÍ£º¡Ü550¦¸
¾«¡¡¡¡¶È£º¡À0.2%F.S
ζÈϵÊý£º£¼50PPM/¡æ
»·¾³Î¶ȣº£10¡æ££«60¡æ
¾øÔµµç×裺µçÔ´¡¢ÊäÈë¡¢Êä³öÖ®¼ä´óÓÚµÈÓÚ100M¦¸£¨500VDC£©
¾øÔµÇ¿¶È£ºµçÔ´¡¢ÊäÈë¡¢Êä³öÖ®¼ä1500VAC/·ÖÖÓ
µç Ô´£º24VDC¡À10%
ÏûºÄ¹¦ÂÊ£º£¼1W
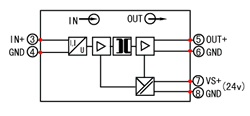
ÔÀíʾÒâͼ

¶Ë×Ó±àºÅ¼°½ÓÏßͼ

¶©»õ×¢Ã÷
±êÃ÷ÊäÈë¡¢Êä³öÐźŵĴúÂë
Àý£ºÊäÈë4-20mADC ¡¡Êä³ö0-10VDC
¡¡ ¸ôÀëÆ÷ÆäÐͺÅPH2072