±±¾©Æ½ºÍ PH£31½»Á÷ÐźŸôÀë·ÖÅäÆ÷ÊäÈë×迹£ºµçѹÐÍ¡Ý100K¦¸¡¡¡¡µçÁ÷ÐÍ£º¡Ü0.2¦¸£¬Êä³ö×迹£ºµçѹÐÍ¡Ý10K¦¸¡¡ µçÁ÷ÐÍ£º¡Ü550¦¸
¹æ¸ñÐͺż°´úÂë

A£º0-5VDC
B£º0-10VDC
C£º0-10mA
D£º0-20mA
E£º4-20mA
F£º1-5VDC
G£º2-10VDC
H: Óû§Ìض¨²ÎÊý
Ö÷Òª¼¼Êõ²ÎÊý
ÊäÈë×迹£ºµçѹÐÍ¡Ý100K¦¸¡¡¡¡µçÁ÷ÐÍ£º¡Ü0.2¦¸¡¡
Êä³ö×迹£ºµçѹÐÍ¡Ý10K¦¸¡¡ µçÁ÷ÐÍ£º¡Ü550¦¸
¾«¡¡¡¡¶È£º¡À0.5%F.S
ζÈϵÊý£º£¼50PPM/¡æ
»·¾³Î¶ȣº£10¡æ££«60¡æ
¾øÔµµç×裺µçÔ´¡¢ÊäÈë¡¢Êä³ö1¡¢Êä³ö2Ö®¼ä100M£¨500VDC£©
¾øÔµÇ¿¶È£ºµçÔ´¡¢ÊäÈë¡¢Êä³ö1¡¢Êä³ö2¶Ë¿ÚÖ®¼ä1500VAC/·ÖÖÓ£©
µç Ô´£º24VDC¡À10%
ÏûºÄ¹¦ÂÊ£º£¼2W
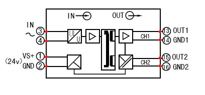
ÔÀíʾÒâͼ

¶Ë×Ó±àºÅ¼°½ÓÏßͼ

¶©»õ×¢Ã÷
±êÃ÷ÊäÈë¡¢Êä³öÐźŵĴúÂë
Àý£ºÊäÈë0-265VDC ¡¡
Êä³ö1:4-20mA Êä³öÐźÅ2:0-20mA
¡¡ ¸ôÀë·ÖÅäÆ÷ÐͺÅΪPH314ED