|
可編程控製器由於其在工業控製方麵的應用意義日趨明顯,並在發電、化工、電子等行業工藝設備的電氣控製方麵得到了廣泛的應用。它具有功能強大、使用可*、維修簡單等許多優點,並且在很多地方已逐步取代了繼電器電路的邏輯控製。與此同時,智能化中央空調也正被廣泛地應用,在將其倆雙雙結合的情況下,不僅促進了科技的發展,也提高了人民生活水平。
1 概述
1.1 引言
隨(sui)著(zhe)我(wo)國(guo)經(jing)濟(ji)的(de)不(bu)斷(duan)發(fa)展(zhan),社(she)會(hui)高(gao)度(du)信(xin)息(xi)化(hua),新(xin)的(de)高(gao)科(ke)技(ji)技(ji)術(shu)不(bu)斷(duan)應(ying)用(yong)到(dao)各(ge)個(ge)方(fang)麵(mian)中(zhong),使(shi)得(de)智(zhi)能(neng)化(hua)已(yi)成(cheng)為(wei)一(yi)種(zhong)發(fa)展(zhan)的(de)必(bi)然(ran)趨(qu)勢(shi)。智(zhi)能(neng)化(hua)也(ye)往(wang)往(wang)是(shi)從(cong)設(she)備(bei)自(zi)動(dong)化(hua)係(xi)統(tong)開(kai)始(shi)。本(ben)文(wen)主(zhu)要(yao)針(zhen)對(dui)我(wo)們(men)本(ben)次(ci)的(de)畢(bi)業(ye)設(she)計(ji)《智能化小型中央空調》闡述PLC控製設計與智能化中央空調(冷凍站)係統的關係。
1.2 係統及工藝簡介
現介紹如下:我們本次的設計中有兩套中央空調係統,由三台冷卻水泵、三台冷凍水泵、一台冷卻塔風機、兩台冷水機組等主要設備組成兩套製冷係統(因(yin)係(xi)統(tong)小(xiao),冷(leng)卻(que)塔(ta)功(gong)率(lv)大(da),實(shi)驗(yan)室(shi)要(yao)求(qiu)等(deng),本(ben)係(xi)統(tong)較(jiao)一(yi)般(ban)兩(liang)套(tao)製(zhi)冷(leng)係(xi)統(tong)不(bu)同(tong)的(de)是(shi)兩(liang)台(tai)冷(leng)水(shui)機(ji)組(zu)卻(que)隻(zhi)選(xuan)擇(ze)一(yi)個(ge)冷(leng)卻(que)塔(ta),經(jing)計(ji)算(suan)核(he)定(ding),這(zhe)並(bing)不(bu)影(ying)響(xiang)其(qi)效(xiao)果(guo))其中冷水機組是由設備生產廠成套供應的。根據本次設計的實驗室要求,我們選擇了2*5匹全封閉式壓縮機冷水機組。它一般是根據空氣調節原理及規律等由微處理器自動控製。冷水機組由壓縮機、lengningqiyuzhengfaqizucheng。yasuojibazhilengjiyasuo,yasuohoudezhilengjijinrulengningqi,beilengqueshuilengquehou,bianchengyeti,xichudereliangyoulengqueshuidaizou,bingzailengquetalipairudaqi。yetizhilengjiyoulengningqijinruzhengfaqizhengfaxishoureliang,shilengdongshuijiangwen,ranhoulengdongshuijinrulengfengjipanguanxishoukongqizhongdereliang。 如此循環不已,把室內的熱量帶出,達到降低環境溫度的目的。因此,中央空調冷凍係統的工藝控製要求為:
(1)測量冷凍水供回水溫度及流量,從而計算空調實際的冷負荷,根據實際的冷負荷來決定冷水機組的開啟台數,達到最佳節能狀態。
(2)各設備的程序聯動:啟動:冷卻塔風機――冷卻水泵――冷凍水泵――冷水機組。停止:冷水機組――冷凍水泵――冷卻水泵――冷卻塔風機。當其中一台冷卻水泵/冷凍水泵出現故障時,備用冷卻水泵/冷凍水泵會自動投入工作。
(3)測量冷凍水係統供回水管的壓差△P=P1-P2控製其旁通閥(TV)的開口度,使其維持壓差。
(4)因(yin)我(wo)們(men)本(ben)次(ci)設(she)計(ji)的(de)實(shi)驗(yan)室(shi)的(de)目(mu)的(de)是(shi)為(wei)給(gei)同(tong)學(xue)們(men)更(geng)形(xing)象(xiang)生(sheng)動(dong)的(de)學(xue)習(xi)理(li)解(jie)中(zhong)央(yang)空(kong)調(tiao)係(xi)統(tong),所(suo)以(yi)設(she)計(ji)過(guo)程(cheng)中(zhong),我(wo)們(men)還(hai)會(hui)考(kao)慮(lv)到(dao)在(zai)合(he)適(shi)並(bing)重(zhong)要(yao)的(de)位(wei)置(zhi)處(chu)裝(zhuang)上(shang)便(bian)於(yu)觀(guan)察(cha)製(zhi)冷(leng)劑(ji)或(huo)水(shui)流(liu)情(qing)況(kuang)的(de)窺(kui)視(shi)鏡(jing)。
1.3 PLC原理及應用
中央空調冷凍係統的控製有3種控製方式:早期的繼電器控製係統、直接數字式控製器DDC以及PLC(可編程序控製器)控製係統。繼電器控製係統由於故障率高,係統複雜,功耗高等明顯的缺點已逐漸被人們所淘汰,直接數字式控製器DDC雖然在智能化方麵有了很大的發展。但由於DDC其本身的抗幹擾能力問題和分級分步式結構的局限性而限製了其應用範圍。相反,PLC控製係統以其運行可*、使用與維護均很方便,抗幹擾能力強,適合新型高速網絡結構這些顯著的優點使其逐步得到廣泛的應用。
可編程控製器是計算機家族中的一員。於上個世紀中後葉被發明後,在機床、各種流水線的輸送機械、發電、化工、電子等行業工藝設備的電氣控製方麵得到了廣泛的應用,早期的可編程控製器被稱作可編程邏輯控製器(Programmable Logic Controller), 即簡稱為PLC。
PLC具有功能強大、使用可*、weixiujianbiandengxuduoyoudian。duiyuchuantongdejidianqidianlulaishuo,tananyishixianfuzaluojigongnengdeheshuzishikongzhi,erqieyaoshixianyidingguimodeluojikongzhigongnengbujinshejifansuo,nanyishixianshengji,bingyifaguzhang,weixiufuza,xianzaiyibeidazhongxingshebeidekongzhixitongsuopaoqi。erPLC正被廣泛的應用並且已逐步取代了繼電器電路的邏輯控製。隨著科學技術不斷的飛躍發展,PLC也(ye)不(bu)斷(duan)得(de)到(dao)完(wan)善(shan)和(he)強(qiang)大(da),同(tong)時(shi)它(ta)的(de)功(gong)能(neng)也(ye)大(da)大(da)超(chao)過(guo)了(le)邏(luo)輯(ji)控(kong)製(zhi)的(de)範(fan)圍(wei),如(ru)聯(lian)網(wang)通(tong)信(xin)功(gong)能(neng)和(he)自(zi)診(zhen)斷(duan)功(gong)能(neng)等(deng)。因(yin)此(ci)今(jin)天(tian)這(zhe)種(zhong)裝(zhuang)置(zhi)被(bei)我(wo)們(men)稱(cheng)作(zuo)可(ke)編(bian)程(cheng)控(kong)製(zhi)器(qi),不(bu)過(guo)我(wo)們(men)還(hai)是(shi)習(xi)慣(guan)簡(jian)稱(cheng)這(zhe)種(zhong)裝(zhuang)置(zhi)為(wei)PLC。
2 PLC的體係結構
2.1 PLC結構圖
PLC實質上是一種被專用於工業控製的計算機,其硬件結構和微機是基本一致的。如圖2.1.1所示:

圖2.1.1 PLC硬件的基本結構
PLC主要是模塊式的,包含CPU模塊、I/O模塊等,PLC一端接傳感器,另一端接執行器,從傳感器得到的數據經PLC讀、運算等處理下達給執行器,執行器動作。PLC相當於 繼電器的作用,其好處是可*性高,自動化程度高、可進行網絡化等。
2.2 PLC的選型及設置
為了滿足以上所介紹的空調工藝要求,整個控製係統需要可編程序控製器的輸入、輸出點分別是112點和32點,其中模擬量輸入、輸出為6點和4點。根據PLC的I/O原理使用原則,即留出一定的I/O點以做擴展時使用,以及係統設計中實際所需的I/O點數。選用華光電子工業有限公司的SU-5/B型。主機:SU-5/B;輸入模塊:U-25N、U-01AD;輸出模塊:U-05T、U-01DA。這種機型的I/O點數為256點,有RS-422通訊端口,其編程指令有143條,並配有相應的編程軟件S-62P,不僅可以通過手持編程器對其編程。而且可以通過PC機對其進行編程輸入。該軟件還能在PLC運行時監控其運行狀況。
2.3 軟件設計
製冷係統的啟動/停止是用於製冷係統的手動啟動/停止控製。也可以通過溫度設定,依據冷負荷的需要自動開啟製冷係統。每台設備均設有自動、手動、備用三種運行狀態,自動用於聯鎖集中控製;手動用於調試或檢修;備用狀態用於熱備用。三台水泵二工一備。其中備用泵循環輪換,提高設備的保養率。各台設備按工藝要求順序自動啟動/停止時,采用每台設備啟動後經15s左右延時,再啟動下一台設備。一是考慮水泵穩定運行有個過程,二是避免數台電動機同時啟動,衝擊變壓器,影響供電質量。
為提高中央空調係統的經濟性、可*性及可維護性,需采用控製產品對中央空調係統的各個設備進行控製。早期的中央空調控製器多為就地式專用控製器和DDC控製器,它們具有控製功能簡單、不易聯網及信息集成度不高等缺點。隨著計算機技術、控製技術和網絡技術的發展,現在的中央空調係統都傾向於采用先進、實用、可*的可編程控製器(PLC)來進行控製。
3 PLC控製係統主要功能與特點
3.1 PLC控製係統功能說明
如空氣處理機PLC控製原理簡圖所示:
1. 當啟動空氣處理機時,PLC發出控製指令。首先開戶回風門和新風門到設定位置,然後啟動送風機,同時通過控製變頻器,從而調節風機的轉速。
2. 露點溫度與係統設定值相比較後,用PID方式調節冷水電動閥,控製冷水流量, 使送風溫度達到設定值。
3. 送風機轉速的快慢是由回風溫度與係統設定值相比較後,用PID方式控製變頻器,從而調節風機的轉速,達到調節回風溫度的目的。
4.當過濾網前後壓差超出設定值時,PLC發出過濾堵塞報警信號。
5.當空氣處理機停止運行後,新風門、回風門和冷水電動閥回複到全關位置,並關停冷水環泵。

上位機監控係統主要完成對工藝參數的檢測、各機組的協調控製以及數據的處理、分析等任務,下位PLC主要完成數據采集、現場設備的控製及連鎖等功能。除此以外,PLC係統還有如下功能:
◆ 數據顯示功能
顯示機組的運行參數,包括冷水出口溫度、冷水入口溫度、冷卻水出口溫度、冷卻水入口溫度、蒸汽壓力、蒸汽閥門開度,以及溶液泵、冷劑泵等所有屏蔽泵的運行狀態和各種故障報警的詳細信息。
◆ 曆史數據的存儲及檢索功能
對重要的數據進行在線存儲,數據的存儲時間最長為10年。可以通過曆史報表或者曆史趨勢曲線的方式檢索曆史數據。
◆ 控製功能
根據設定的參數,並考慮經驗運行數據,PLC應用反饋數據 (如室內溫度等)進行PID調節,以保證運行參數滿足係統要求。控製係統有三種運行方式:就地手動、軟手動和自動。就地手動就是通過就地手動操作設備對機組進行控製,軟手動是通過PLC對機組進行手動控製,自動則是根據編好的控製程序自動控製相關設備的啟、停及調節量。采用程序控製方式,杜絕冷劑汙染,有效便捷地實現冷水、冷卻水的變頻控製。通過有效合理地開、停控製,達到啟動速度快、停機時間短的目的,即能節省能耗,還能避免結晶,從而提高中央空調係統的安全性和經濟性。
◆ 連鎖與保護功能
各機組相關設備的啟、停具有一定的連鎖關係和時間順序,該功能由PLC的連鎖程序完成。同時,為保證機組的可*運行,對相關參數采取了一定的保護措施,如冷水、冷卻水與機組的連鎖控製、冷卻水係統與冷卻塔的連鎖控製等。
3.2 係統特點
◆ 靈活性
本控製係統選用可利用公司的小型一體化PLC代(dai)替(ti)傳(chuan)統(tong)空(kong)調(tiao)主(zhu)機(ji)控(kong)製(zhi)係(xi)統(tong)中(zhong)的(de)單(dan)片(pian)機(ji),較(jiao)大(da)程(cheng)度(du)地(di)提(ti)高(gao)了(le)係(xi)統(tong)配(pei)置(zhi)及(ji)控(kong)製(zhi)的(de)靈(ling)活(huo)性(xing),能(neng)更(geng)好(hao)地(di)滿(man)足(zu)不(bu)同(tong)用(yong)戶(hu)的(de)不(bu)同(tong)需(xu)求(qiu)。同(tong)時(shi),明(ming)顯(xian)縮(suo)短(duan)了(le)程(cheng)序(xu)開(kai)發(fa)周(zhou)期(qi)。
◆ 高可*性
PLC控製核心能夠在惡劣的環境中長期可*、無故障運行,並且易接線、易維護、隔離性好、抗腐蝕能力強,能適應較寬的溫度變化範圍,平均無故障時間間隔(MTBF)大於15年。
◆ 強大的功能
現代的PLC的編程語言遵從易學、易懂、易用的標準。除了具備傳統PLC助記符和梯形圖編程功能外,還具有結構化語言和順序功能圖編程功能。PLC提供各種功能模塊,包括各種通訊功能選擇、通訊參數設置,以及可以具體到某年、某月、某日、某個時刻的多種定時器和超長定時器等,方便了各種功能的實現,有利於縮短開發周期和節省程序容量。
◆ 優良的開放性
上位軟件Focsoft3.1支持DDE、OPC、ODBC、SQL,並提供豐富的API編程接口,方便接入其它係統。
4 控製方法
4.1
對dui於yu冷leng凍dong水shui係xi統tong,其qi出chu水shui溫wen度du取qu決jue於yu蒸zheng發fa器qi的de設she定ding值zhi,而er回hui水shui溫wen度du取qu決jue於yu蒸zheng發fa器qi接jie收shou的de熱re量liang,中zhong央yang空kong調tiao冷leng凍dong水shui出chu水shui溫wen度du與yu冷leng凍dong水shui的de回hui水shui溫wen度du設she計ji最zui大da溫wen差cha為wei:5℃(比如:出水7℃,回水12℃),現采用在蒸發器出水管和回水管上裝有檢測其溫度的變送器、PID溫差調節器和變頻器組成閉環控製係統,通過冷凍水溫差(如:△T=5℃)控製,即可使冷凍水泵的轉速相應於熱負載的變化而變化。

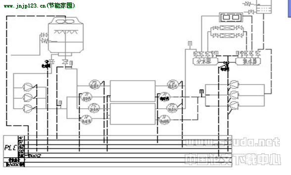
冷水機組係統PLC電路控製簡圖
4.2
對於冷凍水係統,由於低溫冷凍水的溫度取決於冷卻塔的工作情況,我們隻需控製高溫冷凍水( 冷凝器出水)的溫度,即可控製溫差。現采用溫差變送器、 PID 調節器和變頻器組成閉環控製係統,冷凝器出水的溫度控製在 T2 ( 如: 37℃),使冷卻水泵的轉速相應於熱負載的變化而變化。

4.3
在管道中取壓力信號采樣和溫差變送器,通過PID調節器進行優化計算,通過PLC控製變頻器,以此控製3台水泵電機的運行,係統啟動開始工作,當第1台電機運行至工頻狀態時,如管網壓力不夠,變頻器控製第2台電機開始工作,若工作到工頻狀態時管網管壓仍不夠時,變頻器自動切換至第3泵使其變頻運行,第1、2台電機工頻運行,直至管網所需管壓。當外部需求降低,管網管壓提高時,第3台運行停止,變頻器自動切換至第2泵,使其工作在變頻狀態下若還達不到要求,再切換至第1電機,如此周而複始,始終讓係統工作在最優、最佳、最省的工作狀態。
5 係統的設計和應用總結
由於整個實驗室正在逐步籌劃和建設的過程中,許多設計還處於探討之中,眾多功能還未付諸實施。
現在本文就係統改造實現情況作簡單介紹:本文的係統調試應分為兩步,設備電氣控製係統調試和中心網絡係統調試。我們就已完成的設備電氣控製係統設計、調試及使用情況作一下說明:針對實驗室的要求:要(yao)求(qiu)電(dian)氣(qi)係(xi)統(tong)運(yun)行(xing)穩(wen)定(ding),感(gan)溫(wen)精(jing)確(que)度(du)高(gao),維(wei)護(hu)方(fang)便(bian)壽(shou)命(ming)長(chang),並(bing)能(neng)聯(lian)網(wang)進(jin)行(xing)管(guan)理(li)。除(chu)此(ci)之(zhi)外(wai)在(zai)實(shi)際(ji)使(shi)用(yong)中(zhong)係(xi)統(tong)的(de)故(gu)障(zhang)報(bao)警(jing)部(bu)分(fen)設(she)計(ji)還(hai)不(bu)夠(gou)完(wan)善(shan),許(xu)多(duo)功(gong)能(neng)還(hai)未(wei)開(kai)發(fa)。本(ben)文(wen)經(jing)過(guo)對(dui)設(she)備(bei)狀(zhuang)況(kuang)和(he)同(tong)學(xue)們(men)對(dui)中(zhong)央(yang)空(kong)調(tiao)學(xue)習(xi)認(ren)識(shi)的(de)調(tiao)研(yan),本(ben)文(wen)認(ren)為(wei)可(ke)采(cai)用(yong)三(san)菱(ling)公(gong)司(si)的(de)A係列PLC作為設備的控製係統核心。它不僅具備普通PLC可編程控製器的各種優點,而且能夠利用以太網網絡模塊(B2/B5)組建MELSECNET網絡,最終達到建成先進的分布式控製係統,既實現各種設備之間的聯網,實現遠程控製和管理。
當(dang)然(ran)係(xi)統(tong)基(ji)本(ben)達(da)到(dao)了(le)設(she)計(ji)的(de)要(yao)求(qiu),它(ta)不(bu)僅(jin)具(ju)備(bei)基(ji)本(ben)邏(luo)輯(ji)控(kong)製(zhi)功(gong)能(neng),還(hai)具(ju)有(you)聯(lian)網(wang)通(tong)信(xin)功(gong)能(neng)和(he)管(guan)理(li)功(gong)能(neng)等(deng)。另(ling)外(wai)相(xiang)對(dui)與(yu)老(lao)的(de)控(kong)製(zhi)係(xi)統(tong),它(ta)工(gong)作(zuo)穩(wen)定(ding)、故障率低,並能進行係統自動報警,操作及維護十分簡便,維修綜合成本(待機時間等)大大降低。
6 結束語
在智能化中央空調冷凍係統中,采用PLC控製係統是切實可行的,中央空調冷凍係統用PLC控製可以有效地保證其工作穩定、可*,便於維護,且性能價格比高。 同時以PLC為核心的高可*的監控係統實現了對空調主機的控製及兩台主機之間的協調控製,具有先進、可*、經濟、靈活等顯著特點。
參考文獻
1.《中央空調工程設計與施工》,吳繼紅、李佐周編著,高等教育出版社
2.《製冷空調自動控製》,張子慧等編著,科學出版社1
3. 三菱公司,三菱微型可編程控製器編程手冊,2000
4. 《可編程控製器原理及應用》,顧戰鬆、陳鐵年編著,國防工業出版社,1996
5. 肖海亮等編著,實現微機和PLC在以太網中的通信,電氣自動化,2001.5
6. 宋伯生編著,可編程控製器配置、編程、聯網,中國氣象出版社,1995.5
|