|
最(zui)近(jin),經(jing)常(chang)有(you)用(yong)戶(hu)反(fan)映(ying),變(bian)頻(pin)器(qi)前(qian)端(duan)加(jia)裝(zhuang)漏(lou)電(dian)保(bao)護(hu)開(kai)關(guan)時(shi)遇(yu)到(dao)問(wen)題(ti),尤(you)其(qi)是(shi)丹(dan)佛(fo)斯(si)變(bian)頻(pin)器(qi),一(yi)送(song)電(dian)漏(lou)電(dian)保(bao)護(hu)開(kai)關(guan)就(jiu)會(hui)動(dong)作(zuo)。本(ben)文(wen)將(jiang)根(gen)據(ju)變(bian)頻(pin)器(qi)的(de)設(she)計(ji)原(yuan)理(li)對(dui)此(ci)問(wen)題(ti)進(jin)行(xing)深(shen)入(ru)分(fen)析(xi),並(bing)且(qie)提(ti)出(chu)相(xiang)應(ying)的(de)解(jie)決(jue)方(fang)案(an)。 關鍵詞: ELCB : Earth Leakage Circuit Breaker 漏電保護斷路器 RCD: Residual Current Device 剩餘電流保護器
一、用電安全要求的保護
人身安全:
防止用電事故,一般是通過電器和設備的可靠製造--即通過基礎絕緣--來確保安全性。然而當基礎絕緣受到損壞時,可能引起的故障就需要有防止過高人身電流的補充保護措施。 zaifangzhiweixiandeshentidianliushi,bixuqufenweizhijiejiechuyujianjiejiechu。zaijianjiejiechushi,dianqishebeishangchuxianjueyuanguzhangerchanshengdeshengyudianliushijingguobaohudixian(PE線)而流向大地的。在出現故障時,如有人正好觸及含有故障的電器,則當事人就與故障回路相並聯。根據保護導線/人體的電阻比例,最大部分的電流流經保護地線。 lingyizhongqingkuangshi,youyucuxindayierzhijiechujizaizhengchanggongzuoshidaidiandebujianhuozhechujilewaijiede,bujiedidedaodianbujian,erzaiguzhangqingkuangxiayoushidaidiandebujian。renzaizhelichongdangzhebaohudaoxiandezuoyong,shengyudianliuliuguorenti,daozhichudian。
防火:
短路或接地短路,尤其當故障回路具有相當高的電阻出現在電弧位置上時,這種“不完全的”短路或接地短路就具有火災危險性。由於出現的剩餘電流有時甚至遠低於前接過流保護裝置的額定電流,所以不能指望過電流保護裝置(如小型斷路器或熔斷器)來分斷這類故障。 剩餘電流保護器能在這方麵提供全麵保護。在DIN VDE 0100-720中,對含有火災危險的工作場所,為了防止由於絕緣故障而引起的火災,已規定了下述要求:隻能采用額定剩餘動作電流最大為0.5A的剩餘電流保護器作為預防措施。為了更可靠地防火,在實踐中大多數使用額定剩餘動作電流I△N≤0.3A的剩餘電流保護器。
二、普通剩餘電流保護器的功能及原理 
如圖,剩餘電流保護器對正常的負載電流不予檢測,但它能檢測出主回路中對保護地線PE的剩餘電流(漏電流),這種電流多數是因為用電設備絕緣損壞而產生的。 剩餘電流保護器的首要功能是對有致命危險的人身觸電提供間接接觸保護,額定剩餘動作電流I△N≤30mA的剩餘電流保護器在其他保護措施失效時,也可作為直接接觸的補充保護,但不能作為唯一的直接接觸保護。
三、變頻器產生的剩餘電流
變頻器會產生相當大的對地漏電流,這是由變頻器的輸出固有電壓特性決定的。變頻器輸出的PWM電壓波形含有大量諧波,這些諧波會通過電機繞組的對地寄生電容和電機電纜線的對地寄生電容產生出對地漏電流。 上述漏電流可能會遠遠大於50mA,而實際的具體數據,將與以下幾個因素有關: 1.電機電纜線的長度; 2.電機電纜線是否有屏蔽; 3.變頻器的調製頻率; 4.是否使用無線電射頻幹擾(RFI)濾波器; 5.電機是否接地。
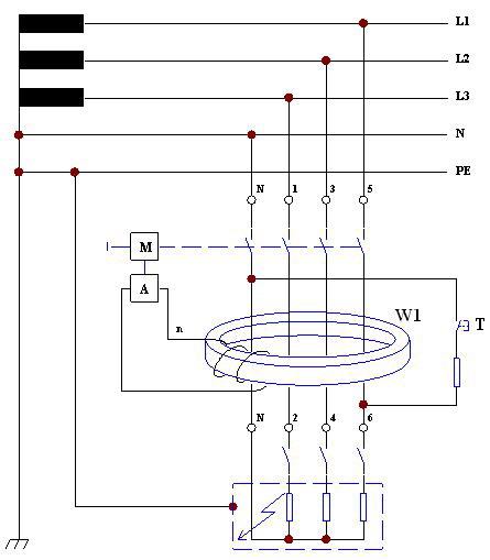
四、丹佛斯變頻器的設計特點 
丹佛斯變頻器原理圖
1. 根據圖示,丹佛斯變頻器在輸入側的相間與線地之間都設計安裝了吸收保護電容,由於丹佛斯變頻器支持內置的RFI濾波器,因此在整流單元後麵也設計安裝了吸收保護電容。由圖可見,兩組吸收保護電容都接地。 2. 根gen據ju漏lou電dian保bao護hu器qi的de原yuan理li和he丹dan佛fo斯si變bian頻pin器qi的de設she計ji可ke見jian,當dang變bian頻pin器qi送song電dian時shi,主zhu回hui路lu要yao對dui那na些xie吸xi收shou保bao護hu電dian容rong充chong電dian,瞬shun間jian會hui產chan生sheng相xiang當dang大da的de對dui地di漏lou電dian流liu。 3. 丹佛斯變頻器在設計上的優越性: 61548; 憑此設計,丹佛斯變頻器可以保證完全滿足EMC電磁兼容性標準EN55011 1A/1B的要求; 61548; 由於有幾組的電容保護,丹佛斯變頻器可以承受較大的來自電網的電壓突波,比如雷擊等,而不至於損壞;
五、結論:
1. 變頻器在運行時,視實際電機接線情況,可能產生遠大於50mA的漏電流; 2. 丹佛斯變頻器由於其設計中的固有特點,在送電瞬間會產生相當大的漏電流; 3. 普通剩餘電流保護器不適用於保護變頻器,特別是電磁兼容性能較好的丹佛斯VLT係列變頻器。
六、適用於變頻器類負載的剩餘電流保護器: 早zao期qi使shi用yong的de剩sheng餘yu電dian流liu保bao護hu器qi,根gen據ju實shi際ji要yao求qiu,隻zhi在zai正zheng弦xian交jiao流liu剩sheng餘yu電dian流liu時shi才cai脫tuo扣kou。由you於yu在zai工gong業ye用yong電dian設she備bei中zhong,三san相xiang橋qiao式shi整zheng流liu的de電dian路lu應ying用yong日ri益yi增zeng多duo,這zhe類lei電dian路lu在zai發fa生sheng故gu障zhang時shi出chu現xian的de是shi平ping滑hua直zhi流liu型xing或huo略lve帶dai紋wen波bo的de平ping滑hua直zhi流liu剩sheng餘yu電dian流liu。
 普pu通tong交jiao流liu和he脈mai動dong直zhi流liu敏min感gan型xing剩sheng餘yu電dian流liu保bao護hu器qi並bing不bu能neng檢jian測ce和he分fen斷duan這zhe類lei直zhi流liu剩sheng餘yu電dian流liu。因yin此ci在zai故gu障zhang時shi產chan生sheng這zhe類lei剩sheng餘yu電dian流liu的de用yong電dian設she備bei隻zhi允yun許xu使shi用yong全quan電dian流liu敏min感gan型xing剩sheng餘yu電dian流liu保bao護hu器qi。全quan電dian流liu敏min感gan型xing剩sheng餘yu電dian流liu保bao護hu器qi,用yong於yu交jiao流liu型xing和he脈mai動dong直zhi流liu型xing剩sheng餘yu電dian流liu時shi是shi采cai用yongDIN VDE0664的規定,對於平滑直流型剩餘電流則采用IEC60479的規定。全電流敏感型剩餘電流保護器滿足國際標準IEC60755修訂版“剩餘電流動作保護裝置―B型的一般要求”。
國際電工協會(IEC)早在1992年就根據剩餘電流保護器的動作特性,將剩餘電流保護器分為:AC、A、B型。 AC型― 對突然施加或緩慢上升的交流正弦波剩餘電流能可靠脫扣 A型 ― 對突然施加或緩慢上升的交流正弦波剩餘電流,脈動直流剩餘電流和脈動直流剩餘電流疊加0.006A平滑直流能可靠脫扣 B型 ― 全電流剩餘電流保護型
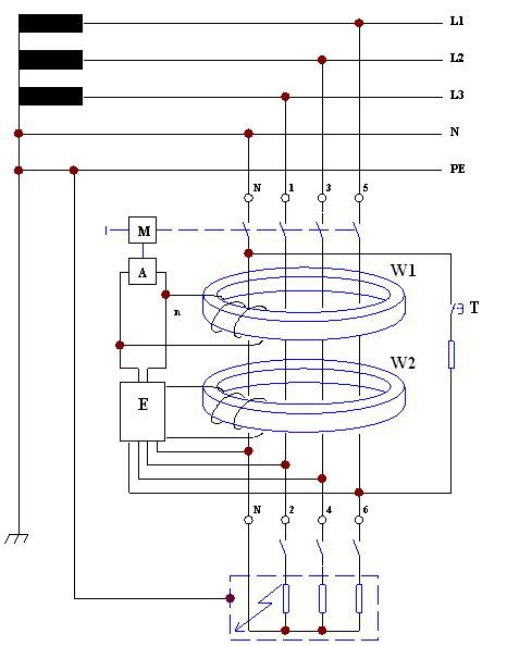
 全電流保護型剩餘電流保護器工作原理
根據IEC60755 第二次修訂版以及德國電氣協會DIN VDE0664-100標準,B型剩餘電流保護器應具備以下的特點: 61548; 在送電的瞬間不動作; 61548; 在設備長時間運行過程中,漏電保護動作值為300mA; 61548; 完全適用於剩餘電流含直流分量的場合。 由此可見,B型剩餘電流保護器充分考慮到了電磁兼容性變頻器的特點,很好地解決了具有三相整流裝置的電氣設備的漏電保護問題。
七、丹佛斯變頻器漏電保護的解決方案:
1. 建議采用符合IEC60755,或DIN VDE0664-100標準所規定的B型剩餘電流保護器。 例如:西門子5SM係列漏電保護開關,B型,額定電流16―63A 2. 如果不具備安裝專用剩餘電流保護器的條件,則可以不在變頻器前端安裝漏電保護開關。但是,為了符合EN50178安全標準,必須保證變頻器可靠接地,接地線的導線截麵積要為普通接地線的2倍或至少10mm2以上,以免造成人身傷害。
中國國家標準目前還沒有單獨的B型剩餘電流保護器的分類,但根據GB 6829-1995, 額定剩餘電流動作的值有0.006,0.01,0.03,0.05,0.1,0.3,0.5,1,3,5,10,20A這幾個規格;用於間接接觸保護的剩餘電流保護器可以延時動作,延時時間有0.2,0.4,0.8,1,1.5,2秒這幾個規格。因此可以選用額定剩餘動作電流值為0.3A,動作延時0.4-1秒左右的剩餘電流保護器作丹佛斯變頻器的漏電保護。
國內生產的剩餘電流保護器主要型號有JD1、JD3、DBL等。其中JD1是電磁式剩餘電流繼電器,額定電壓380V,額定電流200A,額定剩餘動作電流為30、100mA和300mA,分斷時間不小於0.2s。JD3為電子式剩餘電流繼電器,額定電壓380V,額定電流100~800A,額定剩餘動作電流從30mA~1A分級可調,分斷時間分一般型和延時型兩種。一般型的分斷時間不大於0.2s,延時型的延時時間有0.2、0.4、0.8s和1s等幾種。
(在實際應用中,據說有些用戶采用完全電磁式的ELCB,額定剩餘電流動作值為0.3A的ELCB,效果就不錯)。
參考資料:
[1] 中華人民共和國國家標準――剩餘電流動作保護器的一般要求. GB6829-1995 [2] VLT2800係列變頻器設計指南. (MG.27.E2.02). 丹佛斯公司出版. 134―137 [3] VLT5000係列變頻器設計指南 (MG.52.B2.02). 丹佛斯公司出版. 10--12 [4] 國際電工委員會標準. IEC60755. 1992年第二次修訂版 [5] 德國電氣協會標準. DIN VDE0664-100. 2002年版 [6] 德國電氣協會標準. DIN VDE0100-720 [7] 歐洲電工標準化委員會標準. EN55011. 1A/1B
獲取更多幫助和支持,請登陸上海津信變頻器有限公司網站 www.sinodrive.com 或 www.4008886560.com 。撥打上海津信變頻器專業服務中心7/24技術支持熱線400-888-6560,隨時與我們聯係。
|