|
摘 要:jilinshizilaishuigongsidisanshuichangkuojianhou,zaikeyiyujiandeshiniannei,shuichanggongshuinenglibiranyoujiaodaderongyuliang。caiyonggaoyabianpintiaosu,nenggoumanzuweilaishiniangongshuiliangdepinfanbianhuayutiaojie,quebaogongshuideshixiaoxingyujingjixinglianggezhibiaodeyouxiaotongyi,shixianlegaoxiaojienenghuanbaoyuwendingshengchandekekongdongtaipingheng。
關鍵詞:高壓變頻器 高效節能環保
隨sui著zhe人ren口kou的de增zeng長chang和he經jing濟ji的de發fa展zhan,吉ji林lin市shi自zi來lai水shui公gong司si第di三san水shui廠chang在zai原yuan有you十shi萬wan噸dun日ri供gong水shui能neng力li的de基ji礎chu上shang,擴kuo建jian至zhi二er十shi萬wan噸dun,以yi適shi應ying吉ji林lin市shi未wei來lai十shi年nian或huo更geng長chang時shi間jian經jing濟ji社she會hui人ren口kou的de發fa展zhan水shui平ping。取qu水shui泵beng房fang原yuan配pei備bei的de355kW/10kV水泵4台以及供水泵房配備的 560kW/10kV水泵3台,全部定速運行,由於日夜供水差異較大,需要調節閥門開度或倒開大小水泵。這樣水泵頻繁啟停帶來的衝擊,會引起電機、水泵、famenguzhanglvzengjia,weixiufeiyongjiada,tongshiduiguanwangyeyouhendachongji。yincicaiyongchuantongtiaojiefamenkaidukongzhiliuliangheyalidefangshi,biranhuizaochengdaliangnengyuanlangfei。tongguozonghetiaoyan,wogongsijuedingduixinkuojianbufencaiyonglidehuafushengchandedagonglvbianpinqijinxingzilaishuiliuliangjichuchangshuidehengyakongzhi,congershixianjiangdinenghao、節約成本、提高供水質量,達到自動化水廠的生產需求。
一、自來水生產工藝流程介紹
現將自來水廠水處理工藝流程簡述如下:
圖1 自來水廠水處理工藝流程
首先要選好合適的水源和取水口,用管道輸送至一級泵房(取水泵房)並在一級泵房前加氯以殺滅藻類、植物和貝類動物。再通過一級泵房將水送至廠內處理係統中。通常經過混合(在水源水中加入適量的氯化鋁,俗稱礬)、反應、沉澱、過濾、消毒等處理工藝,每一工藝配以相應的構築物(如沉澱池、濾池、清水池等),濾後消毒一般是加氯和氨,投加了消毒劑的水經清水池、並在池內停留一小時左右就成為合格的飲用水,再經過二級泵房(供水泵房)加壓輸送到城市管網中,供生活飲用和生產使用。
二、高壓變頻器的應用方案
根據我公司在城市供水行業實際應用的成功經驗,為確保供水係統的穩定性、安全性和經濟性,供水泵560kW/10kV選用HARSVERT-A10/045帶手動一拖二旁路的變頻器。它采用直接“高-高”形式,單元串聯多電平拓撲結構,每相由8gegonglvmokuaichuanlianercheng,jingguoduojiyixiangdiejiadezhengliufangshi,xiaochuledabufenyouduligonglvmokuaiyinqidexiebodianliu,dadagaishanwangcededianliuboxing,shijicelianghouwangcedianliujinsiweizhengxianbo,buyonggenghuanyuanlaidedianjihedianlan,wanquanshihejiushebeidegaizao。qushuibeng355kW/10kV選用HARSVERT-A10/030原yuan設she計ji采cai用yong一yi拖tuo一yi運yun行xing方fang式shi,經jing過guo半ban年nian多duo運yun行xing來lai看kan,取qu水shui開kai一yi台tai變bian頻pin機ji組zu就jiu能neng滿man足zu工gong況kuang要yao求qiu,另ling外wai考kao慮lv取qu水shui泵beng定ding期qi倒dao車che隻zhi能neng開kai工gong頻pin機ji組zu,所suo以yi我wo公gong司si決jue定ding將jiang原yuan有you一yi拖tuo一yi運yun行xing方fang式shi改gai為wei一yi拖tuo二er運yun行xing方fang式shi,這zhe樣yang兩liang台tai變bian頻pin機ji組zu就jiu可ke以yi交jiao替ti運yun行xing,非fei常chang經jing濟ji。
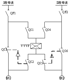
下麵是一拖二手動旁路的基本原理(見圖2),它是由六個高壓隔離開關QS1-QS6組成。其中QS1和QS4,QS2和QS5有電氣互鎖;QS2和QS3,QS5和QS6安裝機械互鎖裝置。

圖2 一拖二手動旁路櫃原理圖
如果兩路電源同時供電,M1工作在變頻狀態,M2工作在工頻狀態時,QS3和QS4、QS5分閘,QS1、QS2和QS6處於合閘狀態;M2工作在變頻狀態,M1工作在工頻狀態時,QS1和QS2、QS6分閘,QS3、QS4和QS5處於合閘狀態;如果檢修變頻器,QS3和QS6可以處於任一狀態,其它隔離開關都分閘,兩台負載可以同時工頻運行;當一路電源檢修時,可以通過分合隔離開關使任一電機變頻運行。
三、恒壓供水係統原理
由(you)於(yu)吉(ji)林(lin)市(shi)自(zi)來(lai)水(shui)公(gong)司(si)第(di)三(san)水(shui)廠(chang)是(shi)新(xin)擴(kuo)建(jian)工(gong)程(cheng),用(yong)水(shui)負(fu)荷(he)需(xu)要(yao)在(zai)實(shi)際(ji)運(yun)行(xing)時(shi)進(jin)行(xing)精(jing)確(que)調(tiao)整(zheng)和(he)測(ce)量(liang),因(yin)此(ci)我(wo)廠(chang)采(cai)用(yong)的(de)是(shi)恒(heng)壓(ya)供(gong)水(shui)係(xi)統(tong),其(qi)工(gong)作(zuo)原(yuan)理(li)如(ru)圖(tu)3所示,測量元件為德國E+H公司的壓力傳感器,將它設在水泵機組出水口,Vi為恒定供水壓力設定值,供水壓力V作為輸出量,構成閉環控製係統。變頻器內部的PLC采集供水壓力值V與用戶給定值Vi進行比較和運算,通過PID進行調整,將結果轉換為頻率調節信號送至變頻器,直至達到供水壓力的給定值Vi。不管係統供水流量如何變化,供水壓力值V始終維持在給定壓力值Vi附近。

圖3 恒壓供水係統工作原理框圖
(1) 在PID控製中,比例增益P加大,會使係統的動作靈敏,速度加快,P偏大,振蕩
次數加多,調節時間加長。當P太大時,係統會趨於不穩定。若P太小,又會使係統的動作緩慢;
(2) 積分Idezuoyongzhuyaoshixiaochuxitongdejingtaiwucha。danguoqiangdejifenzuoyongshigongshuixitongchaotiaojiada,shenzhiyinqizhendang。suoyizaitiaojieguochengchuqi,yingjianruojifenzuoyong,fangzhichanshengjifenbaohexianxiang;而到過程後期,應適當增強積分作用,以提高控製精度;
(3) 微分Ddezuoyongzhuyaoshigaishangongshuixitongdedongtaixingneng。zengdaweifenshijian,youliyujiakuaixitongxiangying,shixitongchaotiaoliangjianxiao,wendingxingzengjia,danyizhiwairaonenglixiajiang。suoyiweifenshijianchangshuyinggaizaigongshuixitongkongzhiyaoqiudeqiantixiaersuijigaibian。jizaitiaojieguochengchuqi,yingjiadaweifendezuoyong,yijianxiaochaotiao;在調節過程中、後期,應不斷減小微分時間,以增強係統的抗幹擾能力,同時還可以縮短調節時間。
我廠變頻器在運行初期,供水係統采用恒壓閉環控製,運行中發現運行頻率曲線呈鋸齒波,上下波動幅度較大,因此對PID係數進行調整,將P由1改為0.01、I由4改為20。通過幾次逐步調整,現運行曲線較為平緩,波動幅度相當小。變頻器根據偏差相應調節PIDdecanshu,dangyunxingcanshuyuanlimubiaocanshushi,tiaojiefudujiakuai,suizhepianchadezhubujiejin,genzongdefuduzhujianjianxiao,jinsixiangdengshi,xitongdadaoyigedongtaipingheng,weichigongshuixitongdehengyawendingzhuangtai。
四、變頻器的運行情況:
三水廠取水泵采用開環運行方式,根據清水池水位手動調節頻率,一般頻率運行在38Hz-45Hz之間。
三水廠供水泵采用閉環運行方式,運行參數如下:
|
運行時間 |
運行壓力 |
運行頻率Hz |
輸入電流A |
輸出電流A |
輸入電壓V |
輸出電壓V |
|
5:00-9:00 |
0.38 MPa |
48.75 |
29.3 |
32.0 |
10.7 |
10 |
|
9:00-16:00 |
0.36 MPa |
42.74 |
13.8 |
19.4 |
10.7 |
8.9 |
|
16:00-22:00 |
0.38 MPa |
49.46 |
32.2 |
34.0 |
10.7 |
10 |
|
22:00-5:00 |
0.28 MPa |
35 |
5.8 |
14.5 |
10.7 |
7.5 |
通過測試發現變頻器運行在37Hz及以下機泵不出水,所以我們把最低頻率限製在38Hz。在日常運行中,早上4點加開一台工頻機組,當變頻器頻率達39Hz左右,關閉工頻機組,隻運行一台變頻器;在下午16點用水高峰時,再加開工頻機組。這樣合理開關車既滿足了出廠水壓力,同時又節約了大量能源。
五、係統應用效果:
水(shui)泵(beng)電(dian)機(ji)采(cai)用(yong)高(gao)壓(ya)變(bian)頻(pin)器(qi)進(jin)行(xing)調(tiao)速(su)運(yun)行(xing)後(hou),在(zai)有(you)效(xiao)的(de)調(tiao)速(su)區(qu)段(duan)內(nei)運(yun)行(xing)十(shi)分(fen)平(ping)穩(wen),與(yu)原(yuan)來(lai)全(quan)部(bu)工(gong)頻(pin)電(dian)機(ji)運(yun)行(xing)相(xiang)比(bi),由(you)於(yu)變(bian)頻(pin)器(qi)對(dui)電(dian)機(ji)實(shi)現(xian)了(le)柔(rou)性(xing)啟(qi)動(dong),啟(qi)動(dong)電(dian)流(liu)大(da)大(da)減(jian)小(xiao),對(dui)機(ji)組(zu)沒(mei)有(you)任(ren)何(he)衝(chong)擊(ji),相(xiang)應(ying)延(yan)長(chang)了(le)設(she)備(bei)的(de)使(shi)用(yong)壽(shou)命(ming),大(da)大(da)減(jian)輕(qing)了(le)維(wei)護(hu)工(gong)作(zuo)量(liang),減(jian)少(shao)了(le)維(wei)護(hu)成(cheng)本(ben)。
bianpinqiyouxiaodeshuiyabihuankongzhigongneng,shishuiyatiaojiepinghuakekao,zhuansuwubodong。dianjiyuduogongnengfamenliandong,zhiyaogeidingpinlv,dianjiqidong,duogongnengfazidongkaiqi,shidekaiguanjizubiandejiandan。
變頻器投入運行後,由於電網側功率因數提高到0.96以上,在各種負荷下,電網側電流大大下降,電機的無功電流由變頻器直接補償。
節能方麵,我廠進行了測試:在同種工況下,采用單台機組電度表分別計量的方式,單台機組節電率達32%,這麼高的節電率加上合理開關機組,我廠每年將節電100萬元。
三水廠取水、送水變頻器正式投產以來至今,連續運行近兩年,為水廠正常供水提供了強有利的保障。HARSVERT-Abianpinqijuyoumianweihudetedian,zhixumeigeyuegenghuanguimenshangdelvwang。bianpinqideyingyongjiangdilexitongduiguanlumifengxingnengdepohuai,yanchangleshebeideshiyong,tongshiweihuliangjianxiaohenduo,tigaolexitongdezidonghuachengdu,jieyueledaliangdiannengheshuiziyuan,qieshixiangyingleguojiajienengjianghaodehaozhao。
參考文獻
[1].高壓變頻調速係統HARSVERT-A係列技術手冊 北京利德華福電氣技術有限公司
[2].諸 靜.模糊控製原理與應用.機械工業出版社,1995,P338~355.
作者簡介
吉林市自來水公司三水廠技術室 劉晶
北京利德華福電氣技術有限公司技術工程部 晏鶤
|