|
|
|
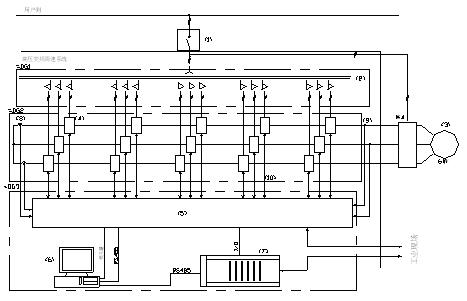
一.市場意義 我國電力工業2004年底發電總裝機容量達到4.4億kW,年發電量達到了218700億kWh。平均每年15%的增長速度,滿足不了社會日益增長的電力需求。連續四年的“電荒”,已讓國民經濟遭受了一萬億元的巨大損失。一方麵電力供給不足,另一方麵我國低效率、高電耗的工業裝備和民用設施還在迅速增長,單位GDP產能消耗的電能為發達國家的3-5倍。同國際先進水平的差距仍在繼續拉大。 目前,全世界正在為能源緊缺而困擾,我國的能源形勢尤其嚴峻。在這樣的背景下,國家頒布了《節能法》,並號召各級政府、廠礦企業為建設資源節約型社會而努力。推動社會各方麵的節能改造,是當前重要工作之一。 節能改造有各種不同的方麵,如加強廢物利用、利用可再生能源、禁用耗能設備等,但是,通過對拖動風機、水泵、空(kong)氣(qi)壓(ya)縮(suo)機(ji)的(de)高(gao)電(dian)壓(ya)大(da)功(gong)率(lv)電(dian)動(dong)機(ji)變(bian)頻(pin)調(tiao)速(su)方(fang)式(shi)來(lai)實(shi)現(xian)節(jie)能(neng),無(wu)疑(yi)是(shi)潛(qian)力(li)最(zui)大(da)的(de)節(jie)能(neng)方(fang)式(shi)。風(feng)機(ji)和(he)水(shui)泵(beng)在(zai)國(guo)民(min)經(jing)濟(ji)各(ge)部(bu)門(men)的(de)數(shu)量(liang)眾(zhong)多(duo),分(fen)布(bu)麵(mian)極(ji)廣(guang),耗(hao)電(dian)量(liang)巨(ju)大(da)。據(ju)有(you)關(guan)部(bu)門(men)的(de)統(tong)計(ji),全(quan)國(guo)風(feng)機(ji)、水泵電動機裝機總容量約35000MW,耗電量約占全國電力消耗總量的40%左右。目前,風機和水泵大多數還采用定速運行的方式,利用閥門或擋板的節流進行調節,如果采用調速節能,據估計可達300~500億kWh/年,相當於6~10個裝機容量為1000MW級的大型火力發電廠的年發電總量。 風機、水泵類負載80%的耗電集中在高壓大功率電動機上,功率大多集中在300-5000KW之間,分布在各大電廠、自來水廠、鋼廠、石油化工企業,進行節能改造易於操作;經過前期的論證和選擇,改造後節能一般在20%-40%之間。 3250kW/6kV是迄今為止我公司生產的最大功率的高壓變頻調速係統,也是目前國產高壓交-直-交電壓源型變頻調速係統達到的最大功率,其額定輸出電流達到400A。3250kW/6kVgaoyabianpintiaosuxitongdekaifachenggong,jinyibumanzuleshichangduidaronglianggaopinzhigaoyabianpintiaosuxitongdexuqiu,biaozhizhewogongsigaoyadagonglvbianpinqijishuyoumaishangleyigexindetaijie。 下麵就其係統原理、功能特點、應用範圍、優化設計、技術參數等方麵進行詳細闡述。 二.係統原理 HARSVERT-A係列高壓變頻調速係統采用直接“高-高”變(bian)換(huan)形(xing)式(shi),為(wei)單(dan)元(yuan)串(chuan)聯(lian)多(duo)電(dian)平(ping)拓(tuo)撲(pu)結(jie)構(gou),主(zhu)體(ti)結(jie)構(gou)由(you)多(duo)組(zu)功(gong)率(lv)模(mo)塊(kuai)串(chuan)聯(lian)而(er)成(cheng),從(cong)而(er)由(you)各(ge)組(zu)低(di)壓(ya)疊(die)加(jia)而(er)產(chan)生(sheng)需(xu)要(yao)的(de)高(gao)壓(ya)輸(shu)出(chu),它(ta)對(dui)電(dian)網(wang)諧(xie)波(bo)汙(wu)染(ran)小(xiao),輸(shu)入(ru)電(dian)流(liu)諧(xie)波(bo)畸(ji)變(bian)小(xiao)於(yu)4%,電網輸入電壓諧波畸變小於2%,直接滿足IEEE519-1992的諧波抑製標準,輸入功率因數高,不必采用輸入諧波濾波器和功率因數補償裝置;輸出波形質量好,輸出電流諧波畸變小於2%,不存在諧波引起的電機附加發熱和轉矩脈動、噪音、輸出dv/dt、共模電壓等問題,不必加輸出濾波器,就可以使用普通的異步電機。3250kW/6KV高壓變頻係統共有15個功率單元,每5個功率單元串連構成一相,其係統結構如下圖,其中(1)為高壓開關;(2)為幹式移相隔離變壓器;(3)為電動機;(4)為功率單元;(5)為主控箱;(6)人機接口;(7)為可編程控製器;(8)為電流霍爾;(9)為電壓檢測。
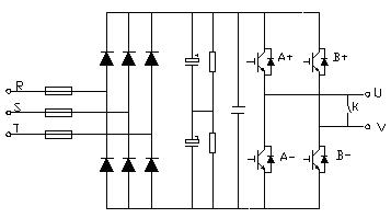
 功率單元 每mei個ge功gong率lv單dan元yuan分fen別bie由you輸shu入ru變bian壓ya器qi的de一yi組zu副fu邊bian供gong電dian,功gong率lv單dan元yuan之zhi間jian及ji變bian壓ya器qi二er次ci繞rao組zu之zhi間jian相xiang互hu絕jue緣yuan,二er次ci繞rao組zu采cai用yong延yan邊bian三san角jiao形xing接jie法fa,實shi現xian多duo重zhong化hua,以yi達da到dao降jiang低di輸shu入ru諧xie波bo電dian流liu的de目mu的de。每mei個ge功gong率lv單dan元yuan結jie構gou上shang完wan全quan一yi致zhi,可ke以yi互hu換huan,其qi電dian路lu結jie構gou圖tu如ru下xia,係xi統tong為wei基ji本ben的de單dan相xiang逆ni變bian電dian路lu,整zheng流liu側ce為wei二er極ji管guan三san相xiang全quan橋qiao,IGBT逆變橋的控製方式為PWM控製,並且有自動單元旁路功能。 功(gong)率(lv)單(dan)元(yuan)內(nei)器(qi)件(jian)承(cheng)受(shou)的(de)最(zui)高(gao)電(dian)壓(ya)為(wei)單(dan)元(yuan)內(nei)直(zhi)流(liu)母(mu)線(xian)的(de)電(dian)壓(ya),可(ke)以(yi)直(zhi)接(jie)使(shi)用(yong)低(di)壓(ya)功(gong)率(lv)器(qi)件(jian),器(qi)件(jian)不(bu)必(bi)串(chuan)聯(lian),不(bu)存(cun)在(zai)器(qi)件(jian)串(chuan)聯(lian)引(yin)起(qi)的(de)均(jun)壓(ya)問(wen)題(ti),而(er)且(qie)功(gong)率(lv)單(dan)元(yuan)中(zhong)采(cai)用(yong)的(de)低(di)壓(ya)IGBT功率模塊,驅動電路簡單,技術成熟可靠,器件工作在低壓狀態,不易發生故障。 單元旁路功能:dangmougegonglvmokuaifashengguzhangshizidongpangluyunxing,bianpinzhuangzhibutingji,danxujiangeshiyong,jizaimeigegonglvdanyuanshuchuduanzhijianbinglianpangludianlu,danggonglvdanyuanguzhangshi,fengsuogaigonglvdanyuanIGBT的觸發信號,然後讓旁路SCR導通,保證電機電流能通過,仍形成通路。這樣能維持生產要求,大大提高了係統運行的可靠性。
 三.HARSVERT-A係列高壓變頻調速係統性能特點 Ø 變頻器為高-高結構,6kV直接輸出,不需輸出升壓變壓器,輸出為單元串聯移相式PWM方式; Ø 係統一體化設計,包括輸入幹式隔離變壓器,變頻器等所有部件及內部連線,用戶隻須連接高壓輸入、高壓輸出、低壓控製電源和控製信號線即可。整套係統在出廠前進行整體測試; Ø 30脈衝輸入符合並優於IEEE519~1992及GB/T14549~93標準對電壓失真和電流失真最嚴格的要求; Ø 在20~100%的負載變化情況內達到或超過0.95的功率因數,並且電流諧波少,無須功率因數補償/諧波抑製裝置; Ø 無(wu)需(xu)濾(lv)波(bo)器(qi)變(bian)頻(pin)器(qi)就(jiu)可(ke)輸(shu)出(chu)正(zheng)弦(xian)輸(shu)出(chu)電(dian)流(liu)和(he)電(dian)壓(ya)波(bo)形(xing),對(dui)電(dian)機(ji)沒(mei)有(you)特(te)殊(shu)的(de)要(yao)求(qiu),可(ke)以(yi)使(shi)用(yong)普(pu)通(tong)異(yi)步(bu)電(dian)機(ji),電(dian)機(ji)不(bu)必(bi)降(jiang)額(e)使(shi)用(yong)。具(ju)有(you)軟(ruan)起(qi)動(dong)功(gong)能(neng),沒(mei)有(you)電(dian)機(ji)啟(qi)動(dong)衝(chong)擊(ji)引(yin)起(qi)的(de)電(dian)網(wang)電(dian)壓(ya)下(xia)跌(die),可(ke)確(que)保(bao)電(dian)機(ji)安(an)全(quan)、長期運行; Ø 變頻裝置輸出波形不會引起電機的諧振,轉矩脈動小於0.1%。可避免風機喘振現象。變頻器有共振點頻率跳躍功能; Ø 變頻裝置對輸出電纜無特殊要求,電機不會受到共模電壓和dv/dt的影響; Ø 變頻器可在輸出不帶電機的情況下進行空載調試,也可在沒有6kV高壓情況下用低壓電進行空載調試; Ø kongzhixitongcaiyongquanshuziweijikongzhi,youhenqiangdezizhenduangongneng,nengduisuofashengdeguzhangleixingjiguzhangweizhitigongzhongwenzhishi,nengzaijiudixianshibingyuanfangbaojing,bianyuyunxingrenyuanhejianxiurenyuannengbianbiehejiejuesuochuxiandewenti; Ø 具有就地監控方式和遠方監控方式。在就地監控方式下,通過變頻器上的觸摸屏顯示,可進行就地人工啟動、停止變頻器,可以調整轉速、頻率;就地控製窗口采用中文操作界麵,功能設定、參數設定等均采用中文。賣方提供的變頻裝置支撐軟件為漢化的最新的正版軟件; Ø 變頻器高壓主回路與控製器之間為光纖連接,具有很高的通信速率和抗幹擾能力,安全性好; Ø 轉矩特性:0~50Hz恒轉矩特性,額定轉矩輸出,轉矩階躍響應<200ms。50Hz以上恒功率特性,最大轉矩與轉速成反比下降; Ø 輸出頻率0-60Hz(根據電機情況可設定); Ø 變頻器抗地震能力為7級,振動0.5G; Ø 臨界速度可跳過(共2組,可任意設定); Ø 安裝、設定、調試簡便; Ø 功率電路模塊化設計,維護簡單; Ø 完整的故障監測電路、精確的故障報警保護; Ø 自帶冷卻風機,風機電源與控製電源分開取電,電源取自輸入側變壓器; Ø 內置PLC,易於改變控製邏輯關係,適應多變的現場需要; Ø 可靈活選擇現場控製/遠程控製; Ø 可接受和輸出0~10V/4~20mA工業標準信號; Ø 可根據用戶需要內置PID調節器; Ø 完整的通用變頻器參數設定功能; Ø 優異的性能/價格比; Ø 自備UPS,可維持30分鍾。 Ø 旋轉再起動功能 Ø 單個功率單元故障時,輸出電壓仍可達到93%以上,在大多數情況下不影響負載的運行。 四.高壓變頻調速係統的應用範圍 火力發電:引風機、送風機、吸塵風機、凝結泵、排汙泵、鍋爐給水泵等; 冶 金:引風機、除塵風機、通風機、泥漿泵、除垢泵等; 石油化工:主管道泵、注水泵、循環水泵、鍋爐給水泵、電潛泵、鹵水泵、引風機、除垢泵等; 市政供水:水泵等; 汙水處理:汙水泵、淨化泵、清水泵等; 水泥製造:窯爐引風機、壓力送風機、冷卻器吸塵風機、生料碾磨機、窯爐供氣風機、 冷卻器排風機、分選器風機、主吸塵風機等; 造 紙:打漿機等; 製 藥:清洗泵等; 其 它:風洞試驗等。 五.3250kW/6kV高壓變頻調速係統的優化設計 3250kW/6kV高壓變頻調速係統主要由控製櫃、功率櫃、變壓器櫃三大部分組成,其各個部分不僅繼承了以前產品的優點,而且在產品外觀、可靠性、模塊設計、散熱設計等各方麵都作了許多的改進,具有一些新的特點,如下所示。 1.3250kW/6kV與2500kW/6kV高壓變頻調速係統的功率櫃部分尺寸完全相同,這樣就相當於把2500kW/6kV高壓變頻調速係統整流逆變部分的功率密度提高了30%。 我們通過在設計上采用新的散熱器(與2500kW/6kV使用的散熱器外形尺寸相同,散熱麵積增大一倍),新型號的電解電容,IGBT等deng,成cheng功gong的de解jie決jue了le電dian解jie電dian容rong的de容rong量liang和he功gong率lv模mo塊kuai的de發fa熱re等deng一yi係xi列lie的de問wen題ti,大da大da提ti高gao了le係xi統tong的de功gong率lv密mi度du,減jian小xiao了le設she備bei的de體ti積ji,為wei變bian頻pin器qi的de現xian場chang應ying用yong提ti供gong了le方fang便bian。 2.係統全部使用新的拚裝機櫃。 拚pin裝zhuang機ji櫃gui不bu僅jin外wai觀guan上shang更geng加jia美mei觀guan,而er且qie提ti高gao了le機ji櫃gui的de強qiang度du,門men與yu櫃gui體ti間jian安an裝zhuang了le新xin的de壓ya條tiao式shi密mi封feng條tiao,增zeng強qiang了le門men的de密mi封feng性xing能neng,提ti高gao了le係xi統tong的de防fang護hu等deng級ji。我wo們men通tong過guo將jiang變bian壓ya器qi櫃gui底di座zuo密mi封feng,在zai變bian壓ya器qi櫃gui櫃gui門men上shang加jia裝zhuang通tong風feng濾lv網wang,設she計ji標biao準zhun的de散san熱re風feng道dao等deng,使shi係xi統tong的de防fang護hu等deng級ji從congIP20提高到IP31,通過特殊設計,還可以達到IP42。 3.係統安裝了更加友好的人機界麵,並采用了低功耗、可靠性高的嵌入式人機界麵。 新xin的de人ren機ji界jie麵mian集ji成cheng了le變bian頻pin器qi產chan品pin在zai各ge個ge行xing業ye的de應ying用yong經jing驗yan,針zhen對dui各ge個ge不bu同tong的de用yong戶hu,隻zhi需xu根gen據ju現xian場chang的de實shi際ji情qing況kuang在zai界jie麵mian中zhong進jin行xing設she置zhi即ji可ke,不bu需xu要yao對dui程cheng序xu進jin行xing改gai動dong,這zhe樣yang就jiu避bi免mian了le因yin為wei頻pin繁fan改gai動dong程cheng序xu而er造zao成cheng失shi誤wu的de可ke能neng,提ti高gao了le軟ruan件jian的de可ke靠kao性xing;新的嵌入式人機界麵取消了老式工控機中的一些易損部件,例如CPU風扇,電源風扇等,並用閃存代替了硬盤存儲器,使操作界麵的可靠性更高,真正實現了免維護;係統采用微軟公司的Windows CE操作係統代替了Windows 2000操作係統,使之更加適合變頻器產品,進一步提高變頻器產品的可靠性。 4.係統優化了電量的檢測電路。 高壓變頻調速係統需要檢測輸入、輸出側的電量參與控製和顯示,在3250kw/6kV係統中,改變了原來的檢測電路體積大、結構笨重的不足,提高了變頻器低頻運行時的檢測精度,不僅提高了係統的性能,更為下一步高性能的變頻器―矢量控製型高壓變頻調速係統的應用奠定了良好的基礎。 六.3250kW/6kV高壓變頻調速係統的技術參數
 七、3250kW/6kV高壓變頻調速係統實物圖

|
|
狀 態:
離線
公司簡介
產品目錄
|
|
|
公司名稱:
|
北京利德華福電氣技術有限公司
|
| 聯 係 人: |
總機轉
|
| 電 話: |
010-010-89776666
|
| 傳 真: |
|
| 地 址: |
北京市昌平區陽坊鎮陽坊工業南區 |
| 郵 編: |
102205 |
| 主 頁: |
|
|
|
|
|