|
大連安迪伺服驅動器在全機能數控車床上的應用
摘 要:本文主要介紹大連安迪交流異步伺服、交流同步永磁伺服控製係統在全機能數控車床上的應用。
關鍵詞:伺服 全機能數控機床
1 引言
CLxiliequanjinengshukongchechuangshiduizhouleilingjianjipanleilingjianjinxinggezhongchexuejiagongdegaojingdujichuang。suizhegongyedefazhan,duijixielingjiandejiagongjingdujibiaomiancucaodudeyaoqiuriyitigao,duichechuangjingdudeyaoqiuyeyuelaiyuegao。zaiqiche、電力、船舶、冶金、軍工、航(hang)空(kong)航(hang)天(tian)等(deng)行(xing)業(ye),國(guo)產(chan)數(shu)控(kong)車(che)床(chuang)正(zheng)在(zai)發(fa)揮(hui)著(zhe)越(yue)來(lai)越(yue)大(da)的(de)作(zuo)用(yong)。數(shu)控(kong)車(che)床(chuang)的(de)自(zi)動(dong)化(hua)程(cheng)度(du)高(gao)低(di)界(jie)定(ding)車(che)床(chuang)的(de)加(jia)工(gong)效(xiao)率(lv)從(cong)而(er)決(jue)定(ding)了(le)車(che)床(chuang)的(de)加(jia)工(gong)規(gui)模(mo)。大(da)連(lian)安(an)迪(di)數(shu)控(kong)有(you)限(xian)公(gong)司(si)生(sheng)產(chan)的(de)伺(si)服(fu)驅(qu)動(dong)器(qi)在(zai)全(quan)機(ji)能(neng)數(shu)控(kong)車(che)床(chuang)上(shang)的(de)應(ying)用(yong)為(wei)國(guo)產(chan)數(shu)控(kong)車(che)床(chuang)提(ti)供(gong)了(le)良(liang)好(hao)的(de)解(jie)決(jue)方(fang)案(an)
2 全機能數控機床的特點
CL係列的全機能數控機床是具有兩軸聯動、半閉環控製的數控機床。機床具有高剛性的結構設計和吸震性,以保證高精度的切削加工。對控製進給軸X、Z軸的伺服驅動器及電機要求有高的動態響應特性及精確的定位精度,使機床的刀架移動快速、穩定且定位精度高。同時對於機床的換刀裝置也采用了伺服刀塔的設計,為快速、精確的換刀提供了保證。
對於機床的主軸,必須是高速、高剛性的主軸,有快速的啟停特性,有著高效率及低噪音的設計,這樣可以使零件的加工效率高、精度高,高速也就意味著高的生產效率。
3 係統設計
3.1全機能數控車床係統架構 (1)數控係統:采用大連數控-31T的數控係統。 (2)主軸係統:大連安迪的異步伺服驅動(ADSD-AS33-7.5K ),登奇主軸電機(7.5KW) (3)進給驅動係統:滾珠絲杠+彈性連軸器+直線滾動導軌+安迪ADSD-S係列伺服驅動係統。
nbsp;(4)換刀係統:大連安迪的同步伺服驅動器(ADSD-S23係列)
3.2伺服性能分析
對於進給軸X、Z的伺服性能的要求主要是伺服係統有較高的動態響應及較高的定位精度,。大連安迪同步伺服基於DSP+FPGA+IPM的硬件平台,有著高速度頻率響應,速度響應頻寬為450HZ,居於國產伺服前列;具有共振抑製功能,可以精確調諧,消除震動;控製精度可以達到1個脈衝,最大的輸入頻率可以達到500Kpps,這都很好的保證了進給軸所需驅動的要求。
對於主軸伺服要求有快速的啟停特性和穩定的速度控製,大連安迪異步伺服驅動器是基於DSP+IPM的硬件控製,具有開放式的QMCL語言,可以根據用戶的使用情況進行程序的設置,電機最高轉速可達到8000RPM。
duiyuquanjinengshukongchechuangdehuandaokongzhi,yecaiyongleandidetongbusifuqudongqi,shiyongzhuantaidekongzhigongneng,buxuyaozhuanmendesifudaotakongzhiqi,jikefangbiandeshixiansifudaotadezidonghuandaojizuiduanlujingdexuanze,dadajieshengleshukongxitongzhongPLC程序編寫,更利於用戶的使用與維護。
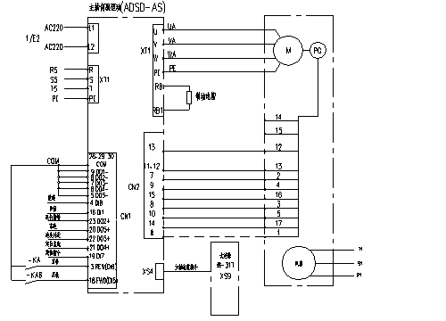
大連安迪異步主軸伺服―大連數控31T的連接圖

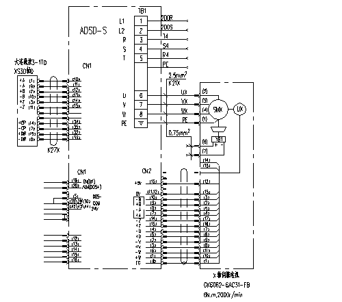
大連安迪同步伺服―大連數控31T的連接圖

4 結束語
使用安迪伺服驅動器的CL係列全機能數控車床的可以達到機床設計的性能要求:X/Z軸的定位精度為0.016/0.020 mm,重複定位精度為0.007/0.008mm,主zhu軸zhou可ke以yi滿man足zu啟qi停ting迅xun速su,運yun行xing平ping穩wen的de要yao求qiu。同tong時shi伺si服fu刀dao塔ta的de使shi用yong也ye可ke以yi大da大da節jie省sheng換huan刀dao的de時shi間jian及ji刀dao塔ta的de換huan刀dao精jing度du。安an迪di伺si服fu係xi列lie產chan品pin安an全quan可ke靠kao,性xing價jia比bi高gao,值zhi得de業ye界jie同tong行xing借jie鑒jian和he推tui廣guang。
|